TOP
|
特許
|
意匠
|
商標
特許ウォッチ
Twitter
他の特許を見る
公開番号
2025121847
公報種別
公開特許公報(A)
公開日
2025-08-20
出願番号
2024232777
出願日
2024-12-27
発明の名称
開口部装置の製造方法及びビレットの製造方法
出願人
三協立山株式会社
代理人
個人
主分類
E06B
1/56 20060101AFI20250813BHJP(戸,窓,シャッタまたはローラブラインド一般;はしご)
要約
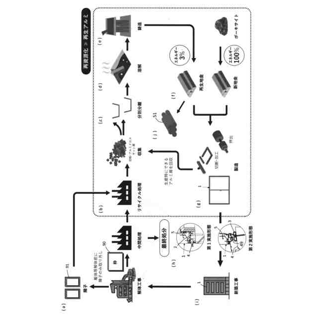
【課題】 再生地金を用いた持続可能な開口部装置の製造方法の提供。
【解決手段】 建物の新築時に取付材2,3,49を介して窓1を設置し、窓1をリフォームする際又は建物を解体する際に、取付材2,3,49から窓1を取り外して回収し、回収した窓1からアルミを分別し、分別したアルミから再生地金を製造し、再生地金を用いて新しい窓1を製造する。
【選択図】 図1
特許請求の範囲
【請求項1】
建物の新築時に取付材を介して窓を設置し、窓をリフォームする際又は建物を解体する際に、取付材から窓を取り外して回収し、回収した窓からアルミを分別し、分別したアルミから再生地金を製造し、再生地金を用いて新しい窓を製造することを特徴とする開口部装置の製造方法。
続きを表示(約 790 文字)
【請求項2】
建物の新築時に取付材を介して窓を設置し、窓をリフォームする際又は建物を解体する際に、取付材から窓を取り外して回収し、回収した窓からアルミを分別し、分別したアルミから再生地金を製造し、再生地金を用いて新しい窓を製造するものであって、窓をリフォームする際又は建物を解体する際にサッシメーカーが窓を取り外して回収することが、窓を設置する前にサッシメーカーと施主との間で取決めされていることを特徴とする開口部装置の製造方法。
【請求項3】
次の何れか一の場合において、分別したアルミから再生地金を製造し、再生地金を用いて躯体に取付けられる取付材と、取付材に対して着脱自在な枠を有する新しい窓を製造することを特徴とする開口部装置の製造方法。
(1)窓をリフォームする場合に、窓から障子を取り外し、取り外した障子からアルミを分別する。
(2)建物を解体する場合に、解体前に窓から障子を取り外し、解体後に廃材のうちから枠を回収し、取り外した障子及び回収した枠からアルミを分別する。
(3)建物を解体する場合に、解体後に廃材のうちから枠及び障子を回収し、回収した枠及び障子からアルミを分別する。
【請求項4】
次の何れか一の場合において、分別したアルミから再生地金を製造し、再生地金を用いてビレットを製造して販売することを特徴とするビレットの製造方法。
(1)窓をリフォームする場合に、窓から障子を取り外し、取り外した障子からアルミを分別する。
(2)建物を解体する場合に、解体前に窓から障子を取り外し、解体後に廃材のうちから枠を回収し、取り外した障子及び回収した枠からアルミを分別する。
(3)建物を解体する場合に、解体後に廃材のうちから枠及び障子を回収し、回収した枠及び障子からアルミを分別する。
発明の詳細な説明
【技術分野】
【0001】
本発明は、建物の開口部に設置される開口部装置の製造方法及びビレットの製造方法に関する。
続きを表示(約 2,100 文字)
【背景技術】
【0002】
建物の解体時には大量のアルミサッシ屑が生じるが、これをリサイクルしたいという要望がある。
【発明の概要】
【発明が解決しようとする課題】
【0003】
本発明は以上に述べた実情に鑑み、再生地金を用いた持続可能な開口部装置の製造方法及びビレットの製造方法の提供を目的とする。
【課題を解決するための手段】
【0004】
上記の課題を達成するために請求項1記載の発明による開口部装置の製造方法は、建物の新築時に取付材を介して窓を設置し、窓をリフォームする際又は建物を解体する際に、取付材から窓を取り外して回収し、回収した窓からアルミを分別し、分別したアルミから再生地金を製造し、再生地金を用いて新しい窓を製造することを特徴とする。
【0005】
請求項2記載の発明による開口部装置の製造方法は、建物の新築時に取付材を介して窓を設置し、窓をリフォームする際又は建物を解体する際に、取付材から窓を取り外して回収し、回収した窓からアルミを分別し、分別したアルミから再生地金を製造し、再生地金を用いて新しい窓を製造するものであって、窓をリフォームする際又は建物を解体する際にサッシメーカーが窓を取り外して回収することが、窓を設置する前にサッシメーカーと施主との間で取決めされていることを特徴とする。
【0006】
請求項3記載の発明による開口部装置の製造方法は、次の何れか一の場合において、分別したアルミから再生地金を製造し、再生地金を用いて躯体に取付けられる取付材と、取付材に対して着脱自在な枠を有する新しい窓を製造することを特徴とする開口部装置の製造方法。
(1)窓をリフォームする場合に、窓から障子を取り外し、取り外した障子からアルミを分別する。
(2)建物を解体する場合に、解体前に窓から障子を取り外し、解体後に廃材のうちから枠を回収し、取り外した障子及び回収した枠からアルミを分別する。
(3)建物を解体する場合に、解体後に廃材のうちから枠及び障子を回収し、回収した枠及び障子からアルミを分別する。
【0007】
請求項4記載の発明によるビレットの製造方法は、次の何れか一の場合において、分別したアルミから再生地金を製造し、再生地金を用いてビレットを製造して販売することを特徴とするビレットの製造方法。
(1)窓をリフォームする場合に、窓から障子を取り外し、取り外した障子からアルミを分別する。
(2)建物を解体する場合に、解体前に窓から障子を取り外し、解体後に廃材のうちから枠を回収し、取り外した障子及び回収した枠からアルミを分別する。
(3)建物を解体する場合に、解体後に廃材のうちから枠及び障子を回収し、回収した枠及び障子からアルミを分別する。
【発明の効果】
【0008】
請求項1記載の発明による開口部装置の製造方法は、建物の新築時に取付材を介して窓を設置し、窓をリフォームする際又は建物を解体する際に、取付材から窓を取り外して回収し、回収した窓からアルミを分別し、分別したアルミから再生地金を製造し、再生地金を用いて新しい窓を製造することで、再生地金を用いた持続可能な開口部装置の製造方法を提供することができる。
【0009】
請求項2記載の発明による開口部装置の製造方法は、建物の新築時に取付材を介して窓を設置し、窓をリフォームする際又は建物を解体する際に、取付材から窓を取り外して回収し、回収した窓からアルミを分別し、分別したアルミから再生地金を製造し、再生地金を用いて新しい窓を製造することで、再生地金を用いた持続可能な開口部装置の製造方法を提供することができ、さらに、窓をリフォームする際又は建物を解体する際にサッシメーカーが窓を取り外して回収することが、窓を設置する前にサッシメーカーと施主との間で取決めされていることで、施主とサッシメーカーが協力して再生地金を用いた持続可能な開口部装置の製造を促進することができる。
【0010】
請求項3記載の発明による開口部装置の製造方法は、次の何れか一の場合において、分別したアルミから再生地金を製造し、再生地金を用いて躯体に取付けられる取付材と、取付材に対して着脱自在な枠を有する新しい窓を製造することで、再生地金を用いた持続可能な開口部装置の製造方法を提供することができる。
(1)窓をリフォームする場合に、窓から障子を取り外し、取り外した障子からアルミを分別する。
(2)建物を解体する場合に、解体前に窓から障子を取り外し、解体後に廃材のうちから枠を回収し、取り外した障子及び回収した枠からアルミを分別する。
(3)建物を解体する場合に、解体後に廃材のうちから枠及び障子を回収し、回収した枠及び障子からアルミを分別する。
(【0011】以降は省略されています)
この特許をJ-PlatPat(特許庁公式サイト)で参照する
関連特許
三協立山株式会社
構造体
20日前
三協立山株式会社
構造体
20日前
三協立山株式会社
構造体
20日前
三協立山株式会社
構造体
20日前
三協立山株式会社
構造体
20日前
三協立山株式会社
構造体
20日前
三協立山株式会社
開口部装置
12日前
三協立山株式会社
開口部装置
24日前
三協立山株式会社
水耕栽培装置
10日前
三協立山株式会社
荷物昇降装置
20日前
三協立山株式会社
構造体、構造体の製造方法
20日前
株式会社ESP
止水板
2か月前
株式会社ナカオ
作業台
1か月前
中国電力株式会社
脚立
1か月前
三協立山株式会社
開口部装置
1か月前
三協立山株式会社
開口部装置
12日前
三協立山株式会社
開口部装置
1か月前
三協立山株式会社
開口部装置
1か月前
三協立山株式会社
開口部装置
1か月前
三協立山株式会社
開口部装置
1か月前
ミサワホーム株式会社
水切り材
1か月前
文化シヤッター株式会社
引戸装置
2日前
株式会社TJMデザイン
脚立用ホルダー
3か月前
不二サッシ株式会社
引違いサッシ
1か月前
不二サッシ株式会社
引違いサッシ
11日前
株式会社ニチベイ
縦型ブラインド
2か月前
文化シヤッター株式会社
止水装置
11日前
豊田合成株式会社
調光装置
4日前
株式会社LIXIL
太陽電池ガラス
20日前
三協立山株式会社
サッシの製造方法
1か月前
株式会社LIXIL
建具
1か月前
ナブテスコ株式会社
建具及び表示装置
3か月前
株式会社LIXIL
建具
16日前
株式会社LIXIL
建具
1か月前
株式会社LIXIL
建具
17日前
株式会社LIXIL
建具
17日前
続きを見る
他の特許を見る