TOP
|
特許
|
意匠
|
商標
特許ウォッチ
Twitter
他の特許を見る
10個以上の画像は省略されています。
公開番号
2025125237
公報種別
公開特許公報(A)
公開日
2025-08-27
出願番号
2024021165
出願日
2024-02-15
発明の名称
コネクタおよび端子ユニット
出願人
住友電装株式会社
代理人
個人
,
個人
主分類
H01R
13/6592 20110101AFI20250820BHJP(基本的電気素子)
要約
【課題】シールドシェルおよび加締めリングの双方を簡素な形状にすることができるコネクタおよび端子ユニットを提供する。
【解決手段】コネクタが有する端子ユニット4は、内部に芯線10を収容した筒状の編組11を有するシールド電線12と、シールド電線12の先端を収容するとともに相手コネクタに嵌合されるコネクタハウジングの内部においてシールド電線12を収容してノイズから保護するシールドシェル13と、を備える。端子ユニット4は、編組11の先端を加締める加締めリング36と、加締めリング36をシールドシェル13に接続する接点バネ39と、シールド電線12を内部に収容するとともに接点バネ39を保持する絶縁性のバネ保持部40と、を備える。
【選択図】図2
特許請求の範囲
【請求項1】
内部に芯線を収容した筒状の編組を有するシールド電線と、前記シールド電線の先端を収容するとともに相手コネクタに嵌合されるコネクタハウジングと、前記コネクタハウジングの内部において前記シールド電線を収容してノイズから保護するシールドシェルと、を備えたコネクタであって、
前記編組の先端を加締める加締めリングと、
前記加締めリングを前記シールドシェルに接続する接点バネと、
前記シールド電線を内部に収容するとともに前記接点バネを保持する絶縁性のバネ保持部と、を備えたコネクタ。
続きを表示(約 1,200 文字)
【請求項2】
前記接点バネは、前記バネ保持部の周方向に配置された複数のバネ片を有する、請求項1に記載のコネクタ。
【請求項3】
前記接点バネは、前記バネ保持部への固定に用いられるロック突を有し、
前記バネ保持部は、前記ロック突に係合する突支持部を有する、請求項1に記載のコネクタ。
【請求項4】
前記接点バネは、前記シールドシェルに弾性変形して接触する第1弾性部と、前記加締めリングに弾性変形して接触する第2弾性部と、を有し、
前記第1弾性部および前記第2弾性部の各々は、前記バネ保持部の周方向に複数設けられ、
前記突支持部は、前記バネ保持部の内面に形成され、
前記第1弾性部および前記第2弾性部のうちの少なくとも前記第2弾性部は、前記バネ保持部の周方向に隣り合う前記突支持部の間に凹設されたバネ収容部に収容されている、請求項3に記載のコネクタ。
【請求項5】
前記接点バネは、前記シールドシェルに弾性変形して接触する第1弾性部と、前記加締めリングに弾性変形して接触する第2弾性部と、を有し、
前記バネ保持部は、前記突支持部の径方向外側に形成されたスリットを有し、
前記第1弾性部および前記第2弾性部は、前記バネ保持部の周方向にずれて配置され、
前記第1弾性部は、前記スリットから露出して前記シールドシェルの内面に接触し、
前記第2弾性部は、前記加締めリングの外面に接触する、請求項3に記載のコネクタ。
【請求項6】
前記バネ保持部は、前記加締めリングの全周を囲む円環状に形成されている、請求項1に記載のコネクタ。
【請求項7】
前記加締めリングは、円環状に形成されている、請求項1に記載のコネクタ。
【請求項8】
前記編組の先端を折り返すことにより形成された折返部に敷設されるとともに、前記加締めリングとで前記折返部を挟み込んで保持する下敷きリングを備える、請求項1に記載のコネクタ。
【請求項9】
前記シールド電線、前記シールドシェル、前記加締めリング、前記接点バネ、および前記バネ保持部を有する端子ユニットは、一対設けられている、請求項1に記載のコネクタ。
【請求項10】
内部に芯線を収容した筒状の編組を有するシールド電線と、前記シールド電線の先端を収容するコネクタハウジングの内部において前記シールド電線を収容してノイズから保護するシールドシェルと、を備えた端子ユニットであって、
前記編組に接触するように前記編組の周囲に加締められた加締めリングと、
前記加締めリングを前記シールドシェルに接続する接点バネと、
前記シールド電線を内部に収容するとともに前記接点バネを保持する絶縁性のバネ保持部と、を備えた端子ユニット。
発明の詳細な説明
【技術分野】
【0001】
本発明は、コネクタおよび端子ユニットに関する。
続きを表示(約 1,700 文字)
【背景技術】
【0002】
従来、特許文献1に開示されるように、シールド電線を備えた防水コネクタが周知である。特許文献1の防水コネクタは、シールド電線のシールド層に接続された一対の接続金具と、接続金具に接触するシールドシェルと、を備える。シールドシェルは、後端部に形成された複数本の弾性接触片を介して、接続金具と弾性接触する。
【先行技術文献】
【特許文献】
【0003】
特許第4491738号公報
【発明の概要】
【発明が解決しようとする課題】
【0004】
ところで、特許文献1のシールドシェルは、弾性接触片を一体形成する必要があるので、シールドシェルの形状が複雑になる。このため、シールドシェルの製造工程が複雑になる。この対策としては、例えば、シールドシェルでは無く金属金具に弾性接触片を形成することが考えられる。しかし、この場合、接続金具の形状が複雑になるので、接続金具の製造工程が複雑になる。
【0005】
本開示の目的は、シールドシェルおよび加締めリングの双方を簡素な形状にすることができるコネクタおよび端子ユニットを提供することにある。
【課題を解決するための手段】
【0006】
前記課題を解決するコネクタは、内部に芯線を収容した筒状の編組を有するシールド電線と、前記シールド電線の先端を収容するとともに相手コネクタに嵌合されるコネクタハウジングと、前記コネクタハウジングの内部において前記シールド電線を収容してノイズから保護するシールドシェルと、を備えた構成であって、前記編組の先端を加締める加締めリングと、前記加締めリングを前記シールドシェルに接続する接点バネと、前記シールド電線を内部に収容するとともに前記接点バネを保持する絶縁性のバネ保持部と、を備えた。
【発明の効果】
【0007】
本開示は、シールドシェルおよび加締めリングの双方を簡素な形状にすることができる。
【図面の簡単な説明】
【0008】
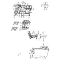
図1は、一実施形態に係るコネクタおよび相手コネクタの斜視図である。
図2は、端子ユニットの分解斜視図である。
図3は、一対の端子ユニットを裏面から見た斜視図である。
図4は、接点バネの第1弾性部の位置におけるコネクタの断面図である。
図5は、接点バネの第2弾性部の位置におけるコネクタの断面図である。
図6は、接点バネを有するバネ保持部の斜視図である。
図7は、接点バネを有するバネ保持部の斜視図である。
図8は、バネ片をバネ保持部から取り外したときの斜視図である。
図9は、固定機構を示す斜視図である。
図10は、別例に係る接点バネの斜視図である。
図11は、別例に係るバネ片の斜視図である。
【発明を実施するための形態】
【0009】
最初に本開示の実施態様を列記して説明する。
[1]本開示のコネクタは、内部に芯線を収容した筒状の編組を有するシールド電線と、前記シールド電線の先端を収容するとともに相手コネクタに嵌合されるコネクタハウジングと、前記コネクタハウジングの内部において前記シールド電線を収容してノイズから保護するシールドシェルと、を備えた構成であって、前記編組の先端を加締める加締めリングと、前記加締めリングを前記シールドシェルに接続する接点バネと、前記シールド電線を内部に収容するとともに前記接点バネを保持する絶縁性のバネ保持部と、を備えた。
【0010】
本構成によれば、シールドシェルと加締めリングとを電気的に接続する接点バネがシールドシェルおよび加締めリングとは別部品として設けられている。また、接点バネがバネ保持部で保持されることにより、接点バネが意図しない位置に移動しないように位置が規定される。以上により、シールドシェルおよび加締めリングの双方を、バネを有する形状にする必要がない。よって、シールドシェルおよび加締めリングの双方を簡素な形状にすることが可能となる。
(【0011】以降は省略されています)
この特許をJ-PlatPat(特許庁公式サイト)で参照する
関連特許
住友電装株式会社
端子台
23日前
住友電装株式会社
端子台
8日前
住友電装株式会社
コネクタ
19日前
住友電装株式会社
コネクタ
23日前
住友電装株式会社
コネクタ
19日前
住友電装株式会社
コネクタ
12日前
住友電装株式会社
コネクタ
今日
住友電装株式会社
コネクタ
23日前
住友電装株式会社
コネクタ
23日前
住友電装株式会社
コネクタ
23日前
住友電装株式会社
コネクタ
23日前
住友電装株式会社
コネクタ
23日前
住友電装株式会社
コネクタ
1日前
住友電装株式会社
プロテクタ
13日前
住友電装株式会社
コネクタアセンブリ
21日前
住友電装株式会社
ブラケット付きコネクタ
15日前
住友電装株式会社
ダミー栓およびコネクタ
21日前
住友電装株式会社
電気接続箱および制御ユニット
14日前
住友電装株式会社
端子台、及び端子台の製造方法
14日前
住友電装株式会社
コネクタ及びコネクタアセンブリ
21日前
住友電装株式会社
絶縁構造体、及びワイヤハーネス
19日前
住友電装株式会社
プロテクタ、及びワイヤハーネス
19日前
トヨタ自動車株式会社
車両の制御装置
20日前
株式会社オートネットワーク技術研究所
コネクタ
15日前
株式会社オートネットワーク技術研究所
コネクタ
15日前
株式会社オートネットワーク技術研究所
基板装置
23日前
株式会社オートネットワーク技術研究所
基板装置
23日前
株式会社オートネットワーク技術研究所
コネクタ
15日前
株式会社オートネットワーク技術研究所
車載装置
13日前
株式会社オートネットワーク技術研究所
コネクタ
13日前
株式会社オートネットワーク技術研究所
接続構造体
13日前
株式会社オートネットワーク技術研究所
コネクタ装置
15日前
株式会社オートネットワーク技術研究所
コネクタ装置
15日前
株式会社オートネットワーク技術研究所
追加外装部品
23日前
株式会社オートネットワーク技術研究所
コネクタ装置
13日前
株式会社オートネットワーク技術研究所
コネクタ装置
13日前
続きを見る
他の特許を見る