TOP
|
特許
|
意匠
|
商標
特許ウォッチ
Twitter
他の特許を見る
10個以上の画像は省略されています。
公開番号
2025136234
公報種別
公開特許公報(A)
公開日
2025-09-19
出願番号
2024034551
出願日
2024-03-07
発明の名称
書類管理システム、書類管理方法、及び書類管理プログラム
出願人
株式会社リバスタ
,
株式会社大林組
代理人
弁理士法人みなとみらい特許事務所
主分類
G06Q
50/04 20120101AFI20250911BHJP(計算;計数)
要約
【課題】 本発明は、書類管理システム、書類管理方法、書類管理プログラムに関する。
【解決手段】 書類管理システム1は、記憶部と、登録受付部と、を備える。
記憶部は、施工現場に関する現場情報と、作業の作業分類を含んだ作業情報と、を対応付けて格納する。
登録受付部は、施工現場に対応する複数の作業分類の中から、ユーザに選択された特定作業分類の入力を受け付け、現場情報及び/又は作業情報に基づいて、特定作業分類の作業を担当する担当ユーザを特定する。そして登録受付部は、施工現場と、特定作業分類と、特定された担当ユーザと、を対応付け、担当ユーザが成果物を入力可能な成果物タスクとして記憶部へ登録する。
【選択図】図1
特許請求の範囲
【請求項1】
施工現場における作業の成果物を管理する書類管理システムであって、
前記書類管理システムは、記憶部と、登録受付部と、を備え、
前記記憶部は、前記施工現場に関する現場情報と、前記作業の作業分類を含んだ作業情報と、を対応付けて格納し、
前記登録受付部は、前記施工現場に対応する複数の作業分類の中から、ユーザに選択された特定作業分類の入力を受け付け、前記現場情報及び/又は前記作業情報に基づいて、前記特定作業分類の作業を担当する担当ユーザを特定し、
前記施工現場と、前記特定作業分類と、特定された担当ユーザと、を対応付け、該担当ユーザが前記成果物を入力可能な成果物タスクとして前記記憶部へ登録する、
書類管理システム。
続きを表示(約 1,400 文字)
【請求項2】
前記現場情報は、前記施工現場における担当業者の従属関係を含んだ施工体制であり、
前記担当ユーザには、前記施工現場において作業を担当する担当業者が含まれ、
前記登録受付部は、前記ユーザに選択された前記特定作業分類の入力を受け付け、前記施工体制に基づいて、前記特定作業分類の作業を担当する担当業者を特定し、
前記施工現場と、前記特定作業分類と、特定された担当業者と、を対応付け、該担当業者が前記成果物を入力可能な成果物タスクとして前記記憶部へ登録する、
請求項1に記載の書類管理システム。
【請求項3】
前記登録受付部は、前記担当業者に属する個人を含んだ前記施工体制に基づいて、前記特定作業分類の作業を担当する担当者を特定し、
前記施工現場と、前記特定作業分類と、前記担当業者と、特定された担当者と、を対応付け、該担当者が前記成果物を入力可能な成果物タスクとして前記記憶部へ登録する、
請求項2に記載の書類管理システム。
【請求項4】
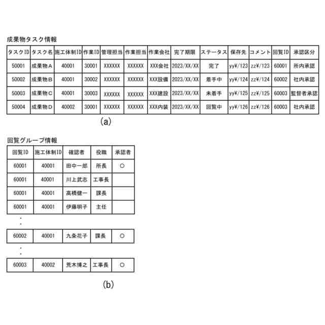
前記書類管理システムは、更に、作成処理部と、承認処理部と、を備え、
前記作成処理部は、前記成果物の書類管理に関連する複数の成果物確認者で構成される回覧グループを作成処理し、
前記承認処理部は、複数の成果物確認者のうち、前記成果物タスクに含まれる成果物の承認権限を有する承認者からの入力に基づいて、当該成果物を承認処理する、
請求項1に記載の書類管理システム。
【請求項5】
前記登録受付部は、複数の前記成果物確認者から前記書類管理に含まれる成果物の確認済みの入力を受け付け、該確認済みの入力に基づいて、各成果物確認者に確認済みフラグを対応付けて登録する、
請求項4に記載の書類管理システム。
【請求項6】
前記現場情報は、前記施工現場における担当業者の従属関係と、該担当業者に属する個人と、を含んだ施工体制であり、
前記作成処理部は、前記施工体制に基づいて、複数の成果物確認者を特定して前記回覧グループを作成処理する、
請求項4に記載の書類管理システム。
【請求項7】
前記作成処理部は、前記施工体制に基づく成果物確認者の候補から、ユーザからの選択入力を受け付けて複数の成果物管理者を決定する、
請求項6に記載の書類管理システム。
【請求項8】
前記登録受付部は、ユーザから、複数の成果物管理者における権限順位の入力を受け付け、
前記作成処理部は、前記権限順位に基づいて、複数の成果物管理者における権限順位が設定された前記回覧グループを作成処理する、
請求項4に記載の書類管理システム。
【請求項9】
前記書類管理システムは、更に表示処理部を備え、
前記表示処理部は、各担当ユーザがそれぞれの成果物を入力するための複数の成果物タスクを、前記施工現場に関連するユーザが一覧で閲覧可能に表示処理する、
請求項1に記載の書類管理システム。
【請求項10】
前記作業情報は、成果物の進捗を示すステータスを含み、
前記表示処理部は、前記施工現場と、前記特定作業分類と、前記担当ユーザと、前記ステータスと、が対応付けられた成果物タスクを表示処理する、
請求項9に記載の書類管理システム。
(【請求項11】以降は省略されています)
発明の詳細な説明
【技術分野】
【0001】
本発明は、書類管理システム、書類管理方法、及び書類管理プログラムに関する。
続きを表示(約 1,700 文字)
【背景技術】
【0002】
従来から施工現場の作業者は、各施工作業に応じた書類を作成し、当該施工作業の状況について関係者に情報共有や確認作業を行っている。そして昨今では、施工現場における情報共有等について様々な工夫がなされている。
【0003】
例えば特許文献1には、住宅建設業などにおける作業内容の指示や作業後の確認行為を、作業に関わる人々の役割に応じた各種チェックシートを用いて、タブレット型端末等によりリアルタイムに登録・確認が行え、関係者全員が情報共有出来る遠隔品質管理システムが開示されている。
【先行技術文献】
【特許文献】
【0004】
特開2014-157609号公報
【発明の概要】
【発明が解決しようとする課題】
【0005】
上記の通り、特許文献1の技術を利用することで住宅建築業などでは関係者同士の情報共有が実現できる一方、ある程度規模感のある施工現場では複数の協力会社が複雑な対応関係のもとで作業を行っているため、これら各種作業に関する書類やタスクを適切に管理することは困難である。
【0006】
本発明は、上記従来技術の課題に鑑みて行われたものであって、その目的は、施工現場において、各作業に関連する書類を簡単且つ効果的に管理することができる書類管理システムを提供することにある。
【課題を解決するための手段】
【0007】
上記課題を解決するために、本発明は、施工現場における作業の成果物を管理する書類管理システムであって、
前記書類管理システムは、記憶部と、登録受付部と、を備え、
前記記憶部は、前記施工現場に関する現場情報と、前記作業の作業分類を含んだ作業情報と、を対応付けて格納し、
前記登録受付部は、前記施工現場に対応する複数の作業分類の中から、ユーザに選択された特定作業分類の入力を受け付け、前記現場情報及び/又は前記作業情報に基づいて、前記特定作業分類の作業を担当する担当ユーザを特定し、
前記施工現場と、前記特定作業分類と、特定された担当ユーザと、を対応付け、該担当ユーザが前記成果物を入力可能な成果物タスクとして前記記憶部へ登録する。
【0008】
また、本発明は、施工現場における作業の成果物を管理する書類管理システムが実行する書類管理方法であって、
前記書類管理システムは、記憶部と、登録受付部と、を備え、
前記記憶部が、前記施工現場に関する現場情報と、前記作業の作業分類を含んだ作業情報と、を対応付けて格納するステップと、
前記登録受付部が、前記施工現場に対応する複数の作業分類の中から、ユーザに選択された特定作業分類の入力を受け付け、前記現場情報及び/又は前記作業情報に基づいて、前記特定作業分類の作業を担当する担当ユーザを特定するステップと、
前記登録受付部が、前記施工現場と、前記特定作業分類と、特定された担当ユーザと、を対応付け、該担当ユーザが前記成果物を入力可能な成果物タスクとして前記記憶部へ登録するステップと、を含む。
【0009】
また、本発明は、施工現場における作業の成果物を管理する書類管理プログラムであって、
コンピュータを、記憶部と、登録受付部と、として機能させ、
前記記憶部は、前記施工現場に関する現場情報と、前記作業の作業分類を含んだ作業情報と、を対応付けて格納し、
登録受付部は、前記施工現場に対応する複数の作業分類の中から、ユーザに選択された特定作業分類の入力を受け付け、前記現場情報及び/又は前記作業情報に基づいて、前記特定作業分類の作業を担当する担当ユーザを特定し、
前記施工現場と、前記特定作業分類と、特定された担当ユーザと、を対応付け、該担当ユーザが前記成果物を入力可能な成果物タスクとして前記記憶部へ登録する。
【0010】
このような構成にすることで、施工現場において、各作業に関連する書類を簡単且つ効果的に管理することができる。
(【0011】以降は省略されています)
この特許をJ-PlatPat(特許庁公式サイト)で参照する
関連特許
株式会社リバスタ
実績管理システム、実績管理方法、及び実績管理プログラム
13日前
株式会社リバスタ
書類管理システム、書類管理方法、及び書類管理プログラム
13日前
株式会社リバスタ
施工計画管理システム、施工計画管理方法、及び施工計画管理プログラム
13日前
個人
裁判のAI化
2か月前
個人
フラワーコートA
1か月前
個人
工程設計支援装置
1か月前
個人
情報処理システム
2か月前
個人
地球保全システム
1日前
個人
検査システム
2か月前
個人
為替ポイント伊達夢貯
28日前
個人
介護情報提供システム
2か月前
個人
冷凍食品輸出支援構造
28日前
個人
設計支援システム
2か月前
個人
表変換編集支援システム
21日前
個人
設計支援システム
2か月前
個人
携帯情報端末装置
1か月前
個人
知財出願支援AIシステム
28日前
株式会社サタケ
籾摺・調製設備
2か月前
キヤノン電子株式会社
携帯装置
2か月前
個人
結婚相手紹介支援システム
1か月前
株式会社カクシン
支援装置
2か月前
個人
パスワード管理支援システム
21日前
個人
AIによる情報の売買の仲介
1か月前
個人
行動時間管理システム
23日前
株式会社キーエンス
受発注システム
今日
株式会社アジラ
進入判定装置
1か月前
個人
パスポートレス入出国システム
1か月前
個人
アンケート支援システム
1か月前
個人
備蓄品の管理方法
2か月前
株式会社キーエンス
受発注システム
今日
個人
食品レシピ生成システム
今日
日本精機株式会社
施工管理システム
1か月前
個人
AIキャラクター制御システム
21日前
個人
システム及びプログラム
14日前
個人
海外支援型農作物活用システム
13日前
株式会社キーエンス
受発注システム
今日
続きを見る
他の特許を見る