TOP
|
特許
|
意匠
|
商標
特許ウォッチ
Twitter
他の特許を見る
公開番号
2025139804
公報種別
公開特許公報(A)
公開日
2025-09-29
出願番号
2024038843
出願日
2024-03-13
発明の名称
LEDドライバ及び表示装置
出願人
ローム株式会社
代理人
弁理士法人レクスト国際特許事務所
主分類
H05B
45/14 20200101AFI20250919BHJP(他に分類されない電気技術)
要約
【課題】発光ダイオードの駆動電流の設定値が小さい場合にも電流充電率を向上させることが可能なLEDドライバ及び表示装置を提供する。
【解決手段】発光ダイオードに接続された外部端子と、各々のドレインが外部端子に接続された複数のトランジスタと、複数のトランジスタの各々に対応して設けられ、各々の一端が複数のトランジスタのうちの対応するトランジスタのソースに接続され、他端が基準電圧の電圧供給ラインに接続されている複数の抵抗と、発光ダイオードの電流値設定データに基づいて電圧信号を生成する電圧信号生成部と、第1入力端に電圧信号の入力を受けるとともに、電圧信号の電圧と帰還電圧との差分に応じた電圧を駆動制御電圧として複数のトランジスタのゲートに出力する出力端を有する差動増幅器と、電流値設定データに基づいて、複数のトランジスタのゲートと差動増幅器の出力端との接続及び非接続を切り替える制御部とを有する。
【選択図】図2
特許請求の範囲
【請求項1】
発光ダイオードに接続可能に構成された外部端子と、
各々のドレインが前記外部端子に接続された複数のトランジスタと、
前記複数のトランジスタの各々に対応して設けられ、各々の一端が前記複数のトランジスタのうちの対応するトランジスタのソースに接続され、他端が基準電圧の電圧供給ラインに接続されている複数の抵抗と、
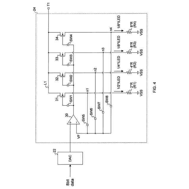
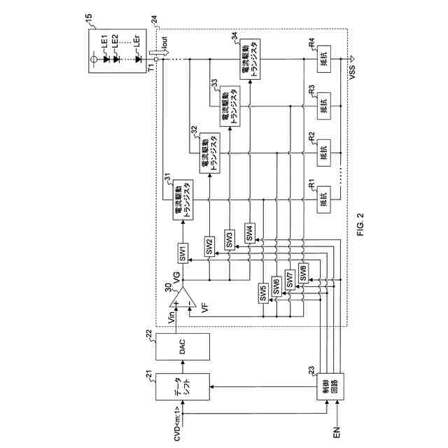
前記発光ダイオードの駆動電流の電流値を設定する電流値設定データを受け、前記電流値設定データに基づいて電圧信号を生成する電圧信号生成部と、
第1入力端に前記電圧信号の入力を受けるとともに第2入力端に前記複数のトランジスタの各々と対応する前記複数の抵抗の各々との間に流れる前記発光ダイオードの駆動電流に応じた帰還電圧の入力を受け、前記電圧信号の電圧と前記帰還電圧との差分に応じた電圧を駆動制御電圧として前記複数のトランジスタのゲートに出力する出力端を有する差動増幅器と、
前記電流値設定データに基づいて、前記複数のトランジスタのゲートと前記差動増幅器の出力端との接続及び非接続を切り替える制御部と、
を有することを特徴とするLEDドライバ。
続きを表示(約 1,900 文字)
【請求項2】
前記電流値設定データは、mビット(mは、2以上の整数)のデータから構成され、
前記電圧信号生成部は、
前記電流値設定データのビットシフトを行うデータシフト部と、
ビットシフト後の前記電流値設定データを前記電圧信号に変換する変換部と、
を含み、
前記制御部は、前記電流値設定データに基づいて、前記複数のトランジスタのゲートと前記差動増幅器の出力端との接続及び非接続を切り替えるとともに前記データシフト部がシフトするビット数を制御することにより、前記駆動電流の電流レンジを切り替えることを特徴とする請求項1に記載のLEDドライバ。
【請求項3】
前記制御部は、前記電流値設定データの上位所定ビットの値に基づいて、前記データシフト部がシフトするビット数を決定し、
前記データシフト部は、決定された前記ビット数だけ前記電流値設定データを上位ビット方向にビットシフトさせることを特徴とする請求項2に記載のLEDドライバ。
【請求項4】
前記切替制御部は、前記電流値設定データに基づいて、前記複数のトランジスタの各々と対応する前記複数の抵抗の各々とを接続する複数の接続ノードと前記差動増幅器の前記第2入力端との接続及び非接続を切り替えることを特徴とする請求項1に記載のLEDドライバ。
【請求項5】
前記複数のトランジスタの各々のゲートと前記差動増幅器の出力端との間に設けられた複数のスイッチからなる第1のスイッチ群を有し、
前記制御回路は、前記電流値設定データに基づいて、前記第1のスイッチ群に含まれるスイッチのオンオフを切り替えることにより、前記複数のトランジスタのゲートと前記差動増幅器の出力端との接続及び非接続を切り替える、
ことを特徴とする請求項1に記載のLEDドライバ。
【請求項6】
前記複数のトランジスタの各々のソースと前記差動増幅器の前記第2入力端との間に設けられ、且つ各々が前記第1のスイッチ群を構成するスイッチに対応して設けられた複数のスイッチからなる第2のスイッチ群を有し、
前記制御回路は、前記電流値設定データに基づいて、前記第1のスイッチ群及び前記第2のスイッチ群にそれぞれ含まれる対応するスイッチからなるスイッチ対毎に、前記スイッチのオン及びオフを切り替えることを特徴とする請求項5に記載のLEDドライバ。
【請求項7】
複数本のデータ線及び複数本のゲート線と、前記複数本のデータ線と前記複数本のゲート線との交差部の各々にマトリクス状に設けられた複数個の画素部と、を有する液晶表示パネルと、
前記複数本のゲート線にゲート信号を供給するゲートドライバと、
複数の画素データ片の系列を含み前記液晶表示パネルに表示する映像を示す映像データ信号を受信し、前記映像データ信号に基づいて階調電圧信号を前記複数本のデータ線を介して前記複数個の画素部に供給するソースドライバと、
前記液晶表示パネルの背面に設置され、互いに直列に接続された第1~第r(rは2以上の整数)の発光ダイオードを含むバックライトパネルと、
前記第1~第rの発光ダイオードを駆動するLEDドライバと、
を含む表示装置であって、
前記LEDドライバは、
直列に接続された前記第1~第rの発光ダイオードのうちの最後段の発光ダイオードのカソードに接続可能に構成された外部端子と、
各々のドレインが前記外部端子に接続された複数のトランジスタと、
前記複数のトランジスタの各々に対応して設けられ、各々の一端が前記複数のトランジスタのうちの対応するトランジスタのソースに接続され、他端が基準電圧の電圧供給ラインに接続されている複数の抵抗と、
前記発光ダイオードの駆動電流の電流値を設定する電流値設定データを受け、前記電流値設定データに基づいて電圧信号を生成する電圧信号生成部と、
第1入力端に前記電圧信号の入力を受けるとともに第2入力端に前記複数のトランジスタの各々と対応する前記複数の抵抗の各々との間に流れる前記発光ダイオードの駆動電流に応じた帰還電圧の入力を受け、前記電圧信号の電圧と前記帰還電圧との差分に応じた電圧を駆動制御電圧として前記複数のトランジスタのゲートに出力する出力端を有する差動増幅器と、
前記電流値設定データに基づいて、前記複数のトランジスタのゲートと前記差動増幅器の出力端との接続及び非接続を切り替える制御部と、
を有することを特徴とする表示装置。
発明の詳細な説明
【技術分野】
【0001】
本発明は、LEDドライバ及び表示装置に関する。
続きを表示(約 2,500 文字)
【背景技術】
【0002】
近年、LED(Light Emitting Diode)をバックライト光源とする液晶表示装置が用いられている。LEDを大画面ディスプレイのバックライト光源として用いる場合、直列接続されている多数のLEDに一定の電流を供給する必要がある。そこで、LEDバックライトを駆動するLEDドライバとして、LED群に流す電流を生成する出力トランジスタに対して、出力する電流を一定にするようにフィードバック制御を掛けるようにしたものが提案されている(例えば、特許文献1)。
【先行技術文献】
【特許文献】
【0003】
特開2014-53139号公報
【発明の概要】
【発明が解決しようとする課題】
【0004】
LEDドライバの定電流出力回路では、LEDに流す出力電流(LED駆動電流)の設定値に応じてフィードバック電圧の電圧値が定まる。例えば、LED駆動電流の電流経路に設けられた抵抗の抵抗値が3.6Ωである場合、LED駆動電流の設定値が60mAのときにフィードバック電圧は216.0mV、LED駆動電流の設定値が3mAのときにフィードバック電圧は10.8mVとなる。
【0005】
LED駆動電流の設定値が高い場合、フィードバック電圧が大きいため出力回路(駆動回路)の反応ディレイが小さく、実際にLEDを流れるLED駆動電流の立上りも鋭い。これに対し、LED駆動電流の設定値が低い場合、フィードバック電圧を小さくする必要があるため、出力回路の反応のディレイにより、実際にLEDを流れるLED駆動電流の立上りが鈍くなる。このため、LED駆動電流の設定値が小さい場合には、LED駆動電流が時間内に目標値であるターゲット電流に到達せず、電流充電率が低下してしまうという問題があった。
【0006】
また、LED駆動電流の設定値に対するフィードバック電圧の電圧値を単純に高くすることも考えられるが、その場合はLEDを接続する端子に印加される電圧が上昇し、LED電源も高く設定しなければならないため、消費電力が大きくなってしまうという問題があった。
【0007】
本発明は上記問題点に鑑みてなされたものであり、LED駆動電流の設定値が小さい場合にも電流充電率を向上させることが可能なLEDドライバ及び表示装置を提供することを目的とする。
【課題を解決するための手段】
【0008】
本発明に係るLEDドライバは、発光ダイオードに接続可能に構成された外部端子と、各々のドレインが前記外部端子に接続された複数のトランジスタと、前記複数のトランジスタの各々に対応して設けられ、各々の一端が前記複数のトランジスタのうちの対応するトランジスタのソースに接続され、他端が基準電圧の電圧供給ラインに接続されている複数の抵抗と、前記発光ダイオードの駆動電流の電流値を設定する電流値設定データを受け、前記電流値設定データに基づいて電圧信号を生成する電圧信号生成部と、第1入力端に前記電圧信号の入力を受けるとともに第2入力端に前記複数のトランジスタの各々と対応する前記複数の抵抗の各々との間に流れる前記発光ダイオードの駆動電流に応じた帰還電圧の入力を受け、前記電圧信号の電圧と前記帰還電圧との差分に応じた電圧を駆動制御電圧として前記複数のトランジスタのゲートに出力する出力端を有する差動増幅器と、前記電流値設定データに基づいて、前記複数のトランジスタのゲートと前記差動増幅器の出力端との接続及び非接続を切り替える制御部と、を有することを特徴とする。
【0009】
また、本発明に係る表示装置は、複数本のデータ線及び複数本のゲート線と、前記複数本のデータ線と前記複数本のゲート線との交差部の各々にマトリクス状に設けられた複数個の画素部と、を有する液晶表示パネルと、前記複数本のゲート線にゲート信号を供給するゲートドライバと、複数の画素データ片の系列を含み前記液晶表示パネルに表示する映像を示す映像データ信号を受信し、前記映像データ信号に基づいて階調電圧信号を前記複数本のデータ線を介して前記複数個の画素部に供給するソースドライバと、前記液晶表示パネルの背面に設置され、互いに直列に接続された第1~第r(rは2以上の整数)の発光ダイオードを含むバックライトパネルと、前記第1~第rの発光ダイオードを駆動するLEDドライバと、を含む表示装置であって、前記LEDドライバは、直列に接続された前記第1~第rの発光ダイオードのうちの最後段の発光ダイオードのカソードに接続可能に構成された外部端子と、各々のドレインが前記外部端子に接続された複数のトランジスタと、前記複数のトランジスタの各々に対応して設けられ、各々の一端が前記複数のトランジスタのうちの対応するトランジスタのソースに接続され、他端が基準電圧の電圧供給ラインに接続されている複数の抵抗と、前記発光ダイオードの駆動電流の電流値を設定する電流値設定データを受け、前記電流値設定データに基づいて電圧信号を生成する電圧信号生成部と、第1入力端に前記電圧信号の入力を受けるとともに第2入力端に前記複数のトランジスタの各々と対応する前記複数の抵抗の各々との間に流れる前記発光ダイオードの駆動電流に応じた帰還電圧の入力を受け、前記電圧信号の電圧と前記帰還電圧との差分に応じた電圧を駆動制御電圧として前記複数のトランジスタのゲートに出力する出力端を有する差動増幅器と、前記電流値設定データに基づいて、前記複数のトランジスタのゲートと前記差動増幅器の出力端との接続及び非接続を切り替える制御部と、を有することを特徴とする。
【発明の効果】
【0010】
本発明に係るLEDドライバによれば、LEDの駆動電流の設定値にかかわらず電流充電率を向上させることが可能となる。
【図面の簡単な説明】
(【0011】以降は省略されています)
この特許をJ-PlatPat(特許庁公式サイト)で参照する
関連特許
ローム株式会社
タイマ
12日前
ローム株式会社
発振回路
8日前
ローム株式会社
監視回路
8日前
ローム株式会社
電子装置
8日前
ローム株式会社
半導体装置
8日前
ローム株式会社
半導体装置
6日前
ローム株式会社
半導体装置
6日前
ローム株式会社
半導体装置
4日前
ローム株式会社
半導体装置
4日前
ローム株式会社
半導体装置
6日前
ローム株式会社
半導体装置
6日前
ローム株式会社
メモリ装置
4日前
ローム株式会社
半導体装置
12日前
ローム株式会社
半導体装置
18日前
ローム株式会社
半導体装置
4日前
ローム株式会社
半導体装置
4日前
ローム株式会社
半導体装置
4日前
ローム株式会社
半導体装置
8日前
ローム株式会社
メモリ装置
8日前
ローム株式会社
半導体装置
今日
ローム株式会社
信号出力回路
4日前
ローム株式会社
信号出力回路
18日前
ローム株式会社
信号出力回路
18日前
ローム株式会社
半導体記憶装置
11日前
ローム株式会社
半導体記憶装置
11日前
ローム株式会社
縦型ホール素子
8日前
ローム株式会社
定電圧生成回路
18日前
ローム株式会社
半導体モジュール
8日前
ローム株式会社
TVSダイオード
6日前
ローム株式会社
TVSダイオード
6日前
ローム株式会社
不揮発性メモリ装置
4日前
ローム株式会社
不揮発性メモリ装置
4日前
ローム株式会社
不揮発性メモリ装置
4日前
ローム株式会社
判定回路、半導体装置
4日前
ローム株式会社
電界効果トランジスタ
8日前
ローム株式会社
不揮発性半導体記憶装置
4日前
続きを見る
他の特許を見る