TOP
|
特許
|
意匠
|
商標
特許ウォッチ
Twitter
他の特許を見る
10個以上の画像は省略されています。
公開番号
2025140547
公報種別
公開特許公報(A)
公開日
2025-09-29
出願番号
2024040014
出願日
2024-03-14
発明の名称
半導体装置
出願人
ローム株式会社
代理人
個人
,
個人
主分類
H01L
25/07 20060101AFI20250919BHJP(基本的電気素子)
要約
【課題】複数のスイッチング素子を同時に動作させる場合に生じる発振現象を抑制すること。
【解決手段】半導体装置は、第1ゲート電極G1を含む第1スイッチング素子61Aと並列接続された第2ゲート電極G2を含む第2スイッチング素子62Aと、第1ゲート配線40と、第1ゲート電極G1と第1ゲート配線40とを接続する第1ゲート接続部材71Aと、第2ゲート電極G2と第1ゲート配線40とを接続する第2ゲート接続部材72Aと、を含む。第1ゲート配線40は、Y方向に延びる第1配線部41および第2配線部42と、第1配線部41および第2配線部42を連結する連結部45と、を含む。第1ゲート接続部材71Aは、第1配線部41のうちY方向において連結部45から離隔した位置に接続されている。第2ゲート接続部材72Aは、第2配線部42のうちY方向において連結部45から離隔した位置に接続されている。
【選択図】図7
特許請求の範囲
【請求項1】
第1ゲート電極を含む第1スイッチング素子と、
第2ゲート電極を含み、前記第1スイッチング素子から第1方向に離隔して配置されるとともに前記第1スイッチング素子と並列接続された第2スイッチング素子と、
前記第1スイッチング素子と前記第2スイッチング素子との前記第1方向の間に配置されたゲート配線と、
前記第1ゲート電極と前記ゲート配線とを接続する第1ゲート接続部材と、
前記第2ゲート電極と前記ゲート配線とを接続する第2ゲート接続部材と、
を含み、
前記ゲート配線は、
前記第1スイッチング素子の厚さ方向から視た平面視において前記第1方向と交差する第2方向に延びる第1配線部と、
前記第1配線部に対して前記第1方向において前記第2スイッチング素子寄りに離隔して配置されるとともに前記平面視において前記第2方向に延びる第2配線部と、
前記第1配線部および前記第2配線部を連結する連結部と、
を含み、
前記第1ゲート接続部材は、前記第1配線部のうち前記第2方向において前記連結部から離隔した位置に接続され、
前記第2ゲート接続部材は、前記第2配線部のうち前記第2方向において前記連結部から離隔した位置に接続されている
半導体装置。
続きを表示(約 1,800 文字)
【請求項2】
前記第1ゲート接続部材は、前記第1配線部のうち前記第2方向において前記連結部から離隔した先端部に接続されており、
前記第2ゲート接続部材は、前記第2配線部のうち前記第2方向において前記連結部から離隔した先端部に接続されている
請求項1に記載の半導体装置。
【請求項3】
前記第1配線部の前記第2方向の長さおよび前記第2配線部の前記第2方向の長さの双方は、前記第1配線部と前記第2配線部との前記第1方向の間の距離よりも長い
請求項1に記載の半導体装置。
【請求項4】
前記第1配線部の前記第2方向の長さは、前記第1スイッチング素子の前記第2方向の長さよりも長く、
前記第2配線部の前記第2方向の長さは、前記第2スイッチング素子の前記第2方向の長さよりも長い
請求項1に記載の半導体装置。
【請求項5】
前記第1配線部の前記第2方向の長さと、前記平面視における前記第1ゲート接続部材の長さと、前記第2配線部の前記第2方向の長さと、前記平面視における前記第2ゲート接続部材の長さとの合計は、前記平面視における前記第1ゲート電極と前記第2ゲート電極との間の距離である第1ゲート間距離よりも大きい
請求項1に記載の半導体装置。
【請求項6】
前記第1ゲート電極は、前記第1配線部の前記第2方向の中央よりも、前記第1配線部のうち前記第2方向において前記連結部から離隔した先端部寄りに配置されており、
前記第2ゲート電極は、前記第2配線部の前記第2方向の中央よりも、前記第2配線部のうち前記第2方向において前記連結部から離隔した先端部寄りに配置されている
請求項1に記載の半導体装置。
【請求項7】
前記第1配線部の前記第2方向の長さは、前記第2配線部の前記第2方向の長さと等しい
請求項1に記載の半導体装置。
【請求項8】
前記連結部に電気的に接続されたゲート端子を含み、
前記第1配線部および前記第2配線部の双方は、前記連結部から前記第2方向に延びている
請求項7に記載の半導体装置。
【請求項9】
第3ゲート電極を含み、前記第1スイッチング素子に対して前記第2方向に離隔した位置であって、前記第1方向において前記ゲート配線に対して前記第1スイッチング素子寄りに配置されるとともに前記第1スイッチング素子および前記第2スイッチング素子と並列接続された第3スイッチング素子と、
第4ゲート電極を含み、前記第2スイッチング素子に対して前記第2方向に離隔した位置であって、前記第1方向において前記ゲート配線に対して前記第2スイッチング素子寄りに配置されるとともに前記第1スイッチング素子、前記第2スイッチング素子、および前記第3スイッチング素子と並列接続された第4スイッチング素子と、
前記第3ゲート電極と前記ゲート配線とを接続する第3ゲート接続部材と、
前記第4ゲート電極と前記ゲート配線とを接続する第4ゲート接続部材と、
を含み、
前記ゲート配線は、
前記第2方向において前記第1配線部から離隔した位置であって、前記第2方向に延びる第3配線部と、
前記第2方向において前記第2配線部から離隔した位置であって、前記第2方向に延びる第4配線部と、
を含み、
前記連結部は、前記第1配線部と前記第3配線部との前記第2方向の間および前記第2配線部と前記第4配線部との前記第2方向の間に配置されるとともに前記第1配線部、前記第2配線部、前記第3配線部、および前記第4配線部を接続しており、
前記第3ゲート接続部材は、前記第3配線部のうち前記第2方向において前記連結部から離隔した位置に接続され、
前記第4ゲート接続部材は、前記第4配線部のうち前記第2方向において前記連結部から離隔した位置に接続されている
請求項1に記載の半導体装置。
【請求項10】
前記第3ゲート接続部材は、前記第3配線部のうち前記第2方向において前記連結部から離隔した先端部に接続されており、
前記第4ゲート接続部材は、前記第4配線部のうち前記第2方向において前記連結部から離隔した先端部に接続されている
請求項9に記載の半導体装置。
(【請求項11】以降は省略されています)
発明の詳細な説明
【技術分野】
【0001】
本開示は、半導体装置に関する。
続きを表示(約 2,500 文字)
【背景技術】
【0002】
特許文献1には、複数の第1スイッチング素子および複数の第2スイッチング素子によってハーフブリッジ回路が構成されたパワーモジュールが開示されている。複数の第1スイッチング素子は互いに並列接続されている。複数の第2スイッチング素子は互いに並列接続されている。
【先行技術文献】
【特許文献】
【0003】
特開2022-79670号公報
【0004】
[概要]
並列接続された複数のスイッチング素子を同時に動作させる場合に生じる発振現象を抑制することが望まれている。
【0005】
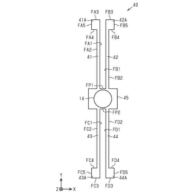
本開示の一態様の半導体装置は、第1ゲート電極を含む第1スイッチング素子と、第2ゲート電極を含み、前記第1スイッチング素子から第1方向に離隔して配置されるとともに前記第1スイッチング素子と並列接続された第2スイッチング素子と、前記第1スイッチング素子と前記第2スイッチング素子との前記第1方向の間に配置されたゲート配線と、前記第1ゲート電極と前記ゲート配線とを接続する第1ゲート接続部材と、前記第2ゲート電極と前記ゲート配線とを接続する第2ゲート接続部材と、を含み、前記ゲート配線は、前記第1スイッチング素子の厚さ方向から視た平面視において前記第1方向と交差する第2方向に延びる第1配線部と、前記第1配線部に対して前記第1方向において前記第2スイッチング素子寄りに離隔して配置されるとともに前記平面視において前記第2方向に延びる第2配線部と、前記第1配線部および前記第2配線部を連結する連結部と、を含み、前記第1ゲート接続部材は、前記第1配線部のうち前記第2方向において前記連結部から離隔した位置に接続され、前記第2ゲート接続部材は、前記第2配線部のうち前記第2方向において前記連結部から離隔した位置に接続されている。
【図面の簡単な説明】
【0006】
図1は、第1実施形態に係る例示的な半導体装置の概略斜視図である。
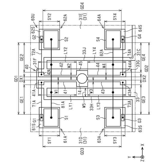
図2は、図1の半導体装置の内部の概略平面図である。
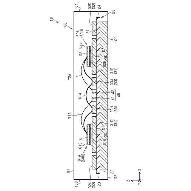
図3は、図2のF3-F3線で半導体装置を切断した概略断面図である。
図4は、図2のF4-F4線で半導体装置を切断した概略断面図である。
図5は、図2のF5-F5線で半導体装置を切断した概略断面図である。
図6は、図2のF6-F6線で半導体装置を切断した概略断面図である。
図7は、図2の一部を拡大した概略平面図である。
図8は、図2の別の一部を拡大した概略平面図である。
図9は、図2の第1ゲート配線を拡大した概略平面図である。
図10は、第1実施形態に係る例示的な半導体装置の概略回路図である。
図11は、第2実施形態に係る例示的な半導体装置において、半導体装置の内部の概略平面図である。
図12は、図11の一部を拡大した概略平面図である。
図13は、図11の別の一部を拡大した概略平面図である。
図14は、第3実施形態に係る例示的な半導体装置において、半導体装置の内部の概略平面図である。
図15は、図14の一部を拡大した概略平面図である。
図16は、第4実施形態に係る例示的な半導体装置において、半導体装置の内部の概略平面図である。
図17は、図16のF17-F17線で半導体装置を切断した概略断面図である。
図18は、半導体装置を備えるインバータ装置の概略回路図である。
図19は、変更例の半導体装置において、第1ゲート配線およびその周辺を拡大した概略平面図である。
図20は、変更例の半導体装置において、第1ゲート配線およびその周辺を拡大した概略平面図である。
図21は、変更例の半導体装置において、第1ゲート配線およびその周辺を拡大した概略平面図である。
図22は、変更例の半導体装置において、第1ゲート配線およびその周辺を拡大した概略平面図である。
図23は、変更例の半導体装置において、第1ゲート配線およびその周辺を拡大した概略平面図である。
【0007】
[詳細な説明]
以下、添付図面を参照して本開示における半導体装置のいくつかの実施形態を説明する。なお、説明を簡単かつ明確にするために、図面に示される構成要素は、必ずしも一定の縮尺で描かれていない。また、理解を容易にするために、断面図ではハッチング線が省略されている場合がある。添付の図面は、本開示の実施形態を例示するに過ぎず、本開示を制限するものとみなされるべきではない。
【0008】
以下の詳細な記載は、本開示の例示的な実施形態を具体化する装置、システム、および方法を含む。この詳細な記載は本来説明のためのものに過ぎず、本開示の実施形態またはこのような実施形態の適用および使用を限定することを意図しない。
【0009】
本開示において使用される「少なくとも1つ」という表現は、所望の選択肢の「1つ以上」を意味する。一例として、本開示において使用される「少なくとも1つ」という表現は、選択肢の数が2つであれば「1つの選択肢のみ」または「2つの選択肢の双方」を意味する。他の例として、本開示において使用される「少なくとも1つ」という表現は、選択肢の数が3つ以上であれば「1つの選択肢のみ」または「2つ以上の任意の選択肢の組み合わせ」を意味する。
【0010】
本開示において使用される「Aの寸法(深さ、幅、長さ)がBの寸法(深さ、幅、長さ)と等しい」または「Aの寸法(深さ、幅、長さ)とBの寸法(深さ、幅、長さ)とが互いに等しい」とは、Aの寸法(深さ、幅、長さ)とBの寸法(深さ、幅、長さ)との差が例えばAの寸法(深さ、幅、長さ)の10%以内の関係も含む。
(【0011】以降は省略されています)
この特許をJ-PlatPat(特許庁公式サイト)で参照する
関連特許
ローム株式会社
タイマ
10日前
ローム株式会社
発振回路
6日前
ローム株式会社
電子装置
6日前
ローム株式会社
監視回路
6日前
ローム株式会社
半導体装置
2日前
ローム株式会社
半導体装置
4日前
ローム株式会社
半導体装置
4日前
ローム株式会社
半導体装置
6日前
ローム株式会社
半導体装置
6日前
ローム株式会社
半導体装置
2日前
ローム株式会社
メモリ装置
6日前
ローム株式会社
半導体装置
10日前
ローム株式会社
半導体装置
4日前
ローム株式会社
半導体装置
2日前
ローム株式会社
半導体装置
2日前
ローム株式会社
メモリ装置
2日前
ローム株式会社
半導体装置
2日前
ローム株式会社
半導体装置
25日前
ローム株式会社
半導体装置
25日前
ローム株式会社
半導体装置
25日前
ローム株式会社
半導体装置
17日前
ローム株式会社
半導体装置
4日前
ローム株式会社
半導体装置
16日前
ローム株式会社
信号出力回路
16日前
ローム株式会社
信号出力回路
16日前
ローム株式会社
信号出力回路
2日前
ローム株式会社
定電圧生成回路
16日前
ローム株式会社
縦型ホール素子
6日前
ローム株式会社
半導体集積回路
17日前
ローム株式会社
半導体記憶装置
9日前
ローム株式会社
半導体記憶装置
9日前
ローム株式会社
電圧制御発振器
26日前
ローム株式会社
TVSダイオード
4日前
ローム株式会社
半導体モジュール
6日前
ローム株式会社
TVSダイオード
4日前
ローム株式会社
窒化物半導体装置
24日前
続きを見る
他の特許を見る