TOP
|
特許
|
意匠
|
商標
特許ウォッチ
Twitter
他の特許を見る
10個以上の画像は省略されています。
公開番号
2025139846
公報種別
公開特許公報(A)
公開日
2025-09-29
出願番号
2024038900
出願日
2024-03-13
発明の名称
設計支援装置、学習装置、学習済みモデル、および学習システム
出願人
三菱電機株式会社
代理人
弁理士法人深見特許事務所
主分類
G06F
30/398 20200101AFI20250919BHJP(計算;計数)
要約
【課題】ターゲットインピーダンスの決定を容易にする。
【解決手段】設計支援装置は、データ取得部305と、推論部310とを備える。データ取得部305は、第1基板上に実装可能な集積回路部品に含まれるチップの複数の機能を表す第1情報、複数の機能の動作タイミングに関する第2情報、および複数の機能の消費電流に関する第3情報を取得する。推論部は、学習済みモデル230を用いて、第1情報、第2情報、および第3情報を含むモデル入力データDINから、第1基板上に実装された集積回路部品から見た第1基板のターゲットインピーダンスを推論する。学習済みモデル230は、入力データと入力データに対する出力データとしてのインピーダンスデータとの間の対応関係が学習されたモデルである。推論部310は、複数の周波数の各々に対して上記電源インピーダンスとしてターゲットインピーダンスを推論する。
【選択図】図16
特許請求の範囲
【請求項1】
パワーインテグリティの設計を支援するための設計支援装置であって、
第1基板上に実装可能な集積回路部品に含まれるチップの複数の機能を表す第1情報、前記複数の機能の動作タイミングに関する第2情報、および前記複数の機能の消費電流に関する第3情報を取得するデータ取得部と、
学習済みモデルを用いて、前記第1情報、前記第2情報、および前記第3情報を含む入力データから、前記第1基板上に実装された前記集積回路部品から見た、前記第1基板のターゲットインピーダンスを推論する推論部とを備え、
前記学習済みモデルは、前記入力データと、前記入力データに対する出力データとしてのインピーダンスデータとの間の対応関係が学習されたモデルであり、
前記インピーダンスデータは、予め定められた複数の周波数の各々に対して、前記第1基板とは異なる第2基板上に実装された前記集積回路部品から見た、前記複数の機能の動作時における前記第2基板の電源インピーダンスを示すデータであり、
前記推論部は、前記複数の周波数の各々に対して、前記電源インピーダンスとして前記ターゲットインピーダンスを推論する、設計支援装置。
続きを表示(約 1,400 文字)
【請求項2】
前記チップを電流源としてモデル化した場合の前記電流源の電流波形を、前記第1情報、前記第2情報、および前記第3情報に基づいて計算する電流波形計算部と、
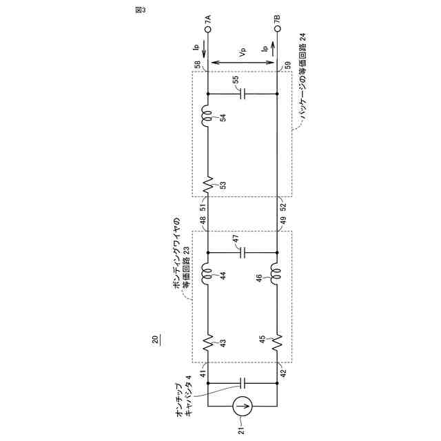
前記チップから前記集積回路部品のパッケージの電源端子およびグランド端子に至るまでの前記集積回路部品の電源配線構造に関する構造情報の入力を受ける構造情報入力部と、
前記第1基板上に実装された前記集積回路部品から見た、前記複数の機能の動作時における前記第1基板の電源インピーダンスを、前記電流波形、前記構造情報、および前記第1基板の情報に基づいて計算するインピーダンス計算部と、
前記第1基板の前記電源インピーダンスが前記ターゲットインピーダンスよりも大きい場合に、前記第1基板の前記電源インピーダンスを低減するための対策の案を報知する報知部とをさらに備える、請求項1に記載の設計支援装置。
【請求項3】
前記第2情報は、前記複数の機能の各々に対して当該機能の動作タイミングまたは動作周波数を表す、請求項1に記載の設計支援装置。
【請求項4】
前記第3情報は、前記複数の機能の各々に対して当該機能の平均消費電流を表す、請求項1に記載の設計支援装置。
【請求項5】
前記平均消費電流は、当該機能のチャネルの数と、当該機能のチャネルごとの平均消費電流との乗算により定められる、請求項4に記載の設計支援装置。
【請求項6】
前記複数の周波数の各々は、前記チップのメインクロックの周波数、または前記メインクロックの周波数の逓倍もしくは分周の周波数である、請求項1に記載の設計支援装置。
【請求項7】
前記第1基板および前記第2基板の各々は、電源層およびグランド層を含む多層基板であり、
前記第2基板は、前記第1基板の設計時の基準として用いられる前記多層基板である、請求項1から請求項6のいずれか1項に記載の設計支援装置。
【請求項8】
第1情報、第2情報、および第3情報を含む入力データと、前記入力データに対する出力データとしてのインピーダンスデータとを含む学習用データセットを生成するデータセット生成部と、
前記学習用データセットを用いて、前記入力データおよび前記インピーダンスデータの間の対応関係が学習された学習済みモデルを生成するモデル生成部とを備え、
前記第1情報は、基板上に実装可能な集積回路部品のチップの複数の機能を表す情報であり、
前記第2情報は、前記複数の機能の動作タイミングに関する情報であり、
前記第3情報は、前記複数の機能の消費電流に関する情報であり、
前記インピーダンスデータは、前記基板上に実装された前記集積回路部品から見た、前記複数の機能の動作時における前記基板の電源インピーダンスを、予め定められた複数の周波数の各々に対して示すデータである、学習装置。
【請求項9】
前記第2情報は、前記複数の機能の各々に対して当該機能の動作周波数または動作タイミングを表す、請求項8に記載の学習装置。
【請求項10】
前記第3情報は、前記複数の機能の各々に対して当該機能の平均消費電流を表す、請求項8に記載の学習装置。
(【請求項11】以降は省略されています)
発明の詳細な説明
【技術分野】
【0001】
本開示は、設計支援装置、学習装置、学習済みモデル、および学習システムに関し、たとえばパワーインテグリティの設計に適用される。
続きを表示(約 2,600 文字)
【背景技術】
【0002】
パワーインテグリティとは、プリント基板の電源ラインおよび/または電源層における電源電圧の品質をいう。例えば、LSI(Large Scale Integration)などのIC(Integrated Circuit)部品の内部で発生したノイズが電源ライン/電源層を伝搬したり、IC部品の電流消費によって電源電圧の低下が生じたりすることは、パワーインテグリティの問題である。
【0003】
パワーインテグリティの設計手法の一つに、プリント基板上のIC部品の端子位置から見た電源層とグランド層との間のインピーダンス(「電源インピーダンス」と称する)がターゲットインピーダンスを超えないように設計する手法がある。ターゲットインピーダンスは、一般的に、電源インピーダンスの上限として用いられる。基板設計の初期段階でターゲットインピーダンスを決定することは容易でない。
【0004】
特開2011-22822号公報(特許文献1)は、ターゲットインピーダンスの決定を容易にするための手法を開示している。この文献のパワーインテグリティ解析装置では、時間軸上でのLSIの消費電流の変化を表す電流波形、具体的には一定間隔で同一の三角波が発生する波形が仮定される。この電流波形の極大値、定常値から極大値に変化するのに要する変化時間、三角波の周期は、設計者(ユーザ)によって入力される。パワーインテグリティ解析装置は、上記の時間軸上の電流波形を周波数軸上の電流スペクトラムに変換する。そして、パワーインテグリティ解析装置は、電源電圧の定格値および許容される電源電圧の変動率に基づいて、電源電圧定格値×許容変動率/消費電流スペクトラムに従って、ターゲットインピーダンススペクトラムを算出する。
【先行技術文献】
【特許文献】
【0005】
特開2011-22822号公報
【発明の概要】
【発明が解決しようとする課題】
【0006】
特許文献1に開示された手法によっても、依然としてターゲットインピーダンスの決定は容易とは言えない。なぜなら、プリント基板の設計者が、IC部品の消費電流波形の極大値および定常値から極大値に変化するのに要する時間などを基板設計の初期段階で特定することは困難であるからである。
【0007】
本開示は、上記のような問題を解決するためになされたものであって、その目的は、ターゲットインピーダンスの決定を容易にすることである。
【課題を解決するための手段】
【0008】
一実施形態において、パワーインテグリティの設計を支援するための設計支援装置が提供される。設計支援装置は、データ取得部と、推論部とを備える。データ取得部は、第1基板上に実装可能な集積回路部品に含まれるチップの複数の機能を表す第1情報、複数の機能の動作タイミングに関する第2情報、および複数の機能の消費電流に関する第3情報を取得する。推論部は、学習済みモデルを用いて、第1情報、第2情報、および第3情報を含む入力データから、第1基板上に実装された集積回路部品から見た、第1基板のターゲットインピーダンスを推論する。学習済みモデルは、入力データと、入力データに対する出力データとしてのインピーダンスデータとの間の対応関係が学習されたモデルである。インピーダンスデータは、予め定められた複数の周波数の各々に対して、第1基板とは異なる第2基板上に実装された集積回路部品から見た、複数の機能の動作時における第2基板の電源インピーダンスを示すデータである。推論部は、複数の周波数の各々に対して、電源インピーダンスとしてターゲットインピーダンスを推論する。
【発明の効果】
【0009】
上記の実施形態によれば、集積回路部品が第2基板上に実装される場合の、入力データと第2基板の電源インピーダンスとの対応関係が学習された学習済みモデルを用いて、複数の機能の動作時における第2基板の電源インピーダンスが第1基板のターゲットインピーダンスとして入力データに従って出力される。入力データ(第1情報、第2情報、および第3情報)は、第1基板の設計者が基板設計の初期段階で容易に特定可能な情報である。よって、ターゲットインピーダンスを容易に決定(推論)することができる。
【図面の簡単な説明】
【0010】
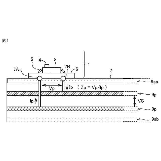
実施の形態におけるプリント基板上に実装されるIC部品、およびこの基板の構成を表す図である。
IC部品およびその外部要素の回路モデルの一例を示すブロック図である。
IC部品モデルの詳細な構成例を示す回路図である。
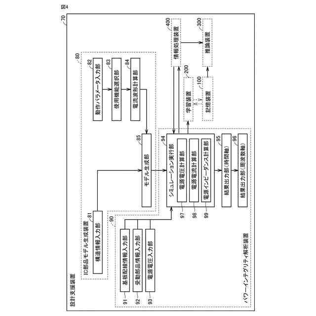
実施の形態に従う設計支援装置の構成例を示すブロック図である。
構造情報入力部のより詳細な構成例を示すブロック図である。
動作パラメータ入力部のより詳細な構成例を示すブロック図である。
各機能のパラメータの入力画面の一例を示す図である。
GPIO(General-Purpose Input/Output)のパラメータの入力画面の一例および通信回路のパラメータの入力画面の一例を示す図である。
チップの一機能の電流波形を概念的に示すタイミング図である。
設計支援装置の動作を示すフローチャートである。
学習装置の機能的構成を示すブロック図である。
データ取得部により取得されるデータの一例を表す図である。
モデル生成部で用いられるニューラルネットワークの構成を表わす図である。
学習済みモデルから出力される電源インピーダンスの周波数特性の一例を説明するための図である。
学習装置による学習処理に関する処理の一例を表すフローチャートである。
推論装置および情報処理装置の機能的構成を示すブロック図である。
入力部への入力データの一例を表す図である。
表示部に表示される画面の一例を表す図である。
推論装置による推論処理に関する処理の一例を表すフローチャートである。
推論装置による推論処理に関する処理の別の例を表すフローチャートである。
【発明を実施するための形態】
(【0011】以降は省略されています)
この特許をJ-PlatPat(特許庁公式サイト)で参照する
関連特許
三菱電機株式会社
計測器
1か月前
三菱電機株式会社
冷蔵庫
1か月前
三菱電機株式会社
照明器具
1か月前
三菱電機株式会社
照明装置
1か月前
三菱電機株式会社
換気装置
1か月前
三菱電機株式会社
回転電機
1か月前
三菱電機株式会社
照明器具
1か月前
三菱電機株式会社
回転電機
28日前
三菱電機株式会社
照明装置
1か月前
三菱電機株式会社
電子機器
1か月前
三菱電機株式会社
照明装置
1か月前
三菱電機株式会社
回転電機
14日前
三菱電機株式会社
照明装置
25日前
三菱電機株式会社
照明装置
14日前
三菱電機株式会社
照明装置
1か月前
三菱電機株式会社
回転電機
4日前
三菱電機株式会社
回転電機
1か月前
三菱電機株式会社
電気掃除機
1か月前
三菱電機株式会社
回路遮断器
1か月前
三菱電機株式会社
加熱調理器
1か月前
三菱電機株式会社
半導体装置
8日前
三菱電機株式会社
半導体装置
1か月前
三菱電機株式会社
半導体装置
24日前
三菱電機株式会社
半導体装置
1か月前
三菱電機株式会社
加熱調理器
7日前
三菱電機株式会社
半導体装置
14日前
三菱電機株式会社
半導体装置
1か月前
三菱電機株式会社
回路遮断器
1か月前
三菱電機株式会社
加熱調理器
1か月前
三菱電機株式会社
半導体装置
1か月前
三菱電機株式会社
梱包チューブ
1か月前
三菱電機株式会社
制御システム
1か月前
三菱電機株式会社
電力変換装置
24日前
三菱電機株式会社
電力変換装置
1か月前
三菱電機株式会社
給湯システム
7日前
三菱電機株式会社
回転電機装置
28日前
続きを見る
他の特許を見る