TOP
|
特許
|
意匠
|
商標
特許ウォッチ
Twitter
他の特許を見る
10個以上の画像は省略されています。
公開番号
2025141181
公報種別
公開特許公報(A)
公開日
2025-09-29
出願番号
2024040992
出願日
2024-03-15
発明の名称
リニアアクチュエータ
出願人
多摩川精機株式会社
代理人
個人
,
個人
,
個人
,
個人
主分類
H02K
7/104 20060101AFI20250919BHJP(電力の発電,変換,配電)
要約
【課題】故障が発生したときに、直線運動機構部の急激な動作を抑制することができるリニアアクチュエータを提供する。
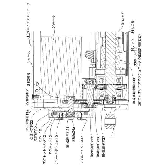
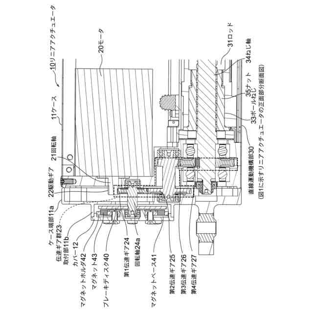
【解決手段】リニアアクチュエータ10は、モータ20の回転軸21に設けられた駆動ギア22と、伝達ギア群23と、直線運動機構部30と、カバー12とを備え、伝達ギア群23は、第1伝達ギア24を有し、第1伝達ギア24に、共に回転可能に接続されたブレーキディスク40と、ブレーキディスク40に対向し、カバー12に固定されて設けられたマグネットホルダ42と、マグネットホルダ42に複数配置されたマグネット43とをさらに備える。
【選択図】図2
特許請求の範囲
【請求項1】
モータ(20)と、
前記モータ(20)の回転軸(21)に設けられた駆動ギア(22)と、
前記駆動ギア(22)に接続され、前記駆動ギア(22)の回転駆動力を伝達する伝達ギア群(23)と、
前記伝達ギア群(23)に接続され、前記伝達ギア群(23)によって伝達された回転駆動力により直線運動する直線運動機構部(30)と、
前記モータ(20)、前記駆動ギア(22)、前記伝達ギア群(23)及び前記直線運動機構部(30)を収容するケース部(11,11a,11b,12)と
を備え、
前記伝達ギア群(23)は、少なくとも1個の伝達ギア(24,25,26,27)を有し、
前記直線運動機構部(30)は、前記伝達ギア群に接続されたボールねじ(33)と、前記ボールねじ(33)に螺合されたナット(35)と、前記ナットに接続されたロッド(31)とを有し、
前記伝達ギア(24,25,26,27)の回転軸及び前記ボールねじ(33)のうち少なくとも1つに、共に回転可能に接続された導体円板(40)と、
前記導体円板(40)に対向し、前記ケース部(12)に固定されて設けられたマグネットホルダ(42)と、
前記マグネットホルダ(42)に複数配置された永久磁石(43)と
を備えるリニアアクチュエータ。
続きを表示(約 1,400 文字)
【請求項2】
前記永久磁石(43)は、前記マグネットホルダ(42)において前記導体円板(40)の周方向に沿って、N極が前記導体円板(40)に対向する向きに設けられたものと、S極が前記導体円板(40)に対向する向きに設けられたものとが、交互に等角度間隔毎に配置されている請求項1に記載のリニアアクチュエータ。
【請求項3】
前記永久磁石(43)の一部は、前記マグネットホルダ(42)において前記導体円板(40)の周方向に沿って、N極又はS極のいずれか一方が2個以上連続して前記導体円板(40)に対向して等角度間隔毎に配置されている請求項1に記載のリニアアクチュエータ。
【請求項4】
他の前記永久磁石(43)は、前記マグネットホルダ(42)において導体円板(40)の周方向に沿って、N極が前記導体円板(40)に対向する向きに設けられたものと、S極が前記導体円板(40)に対向する向きに設けられたものとが、交互に等角度間隔毎に配置されている請求項3に記載のリニアアクチュエータ。
【請求項5】
前記永久磁石(43)は、前記マグネットホルダ(42)において導体円板(40)の周方向に沿って、前記導体円板(40)の中心軸を中心とする、中心角の角度が180°を超える扇形の範囲内に配置されている請求項1~4のいずれか1項に記載のリニアアクチュエータ。
【請求項6】
前記永久磁石(43)は、前記マグネットホルダ(42)において導体円板(40)の周方向に沿って、前記導体円板(40)の中心軸を中心とする、中心角の角度が180°以下の扇形の範囲内に配置されている請求項1~4のいずれか1項に記載のリニアアクチュエータ。
【請求項7】
前記マグネットホルダ(42)は、前記導体円板(40)の周方向に沿って等角度間隔に複数形成された収容穴(42a,42b)を有し、前記永久磁石(43)は、前記収容穴(42a)に収容され、隣り合う前記永久磁石(43)同士の間には、少なくとも1個の前記永久磁石(43)が収容されていない前記収容穴(42b)を有している請求項1~4のいずれか1項に記載のリニアアクチュエータ。
【請求項8】
前記永久磁石(43)は、
前記マグネットホルダ(42)において、前記導体円板(40)の中心軸を中心とした第1の円周上に等角度間隔に複数配置された第1永久磁石(43d)と、
前記マグネットホルダ(42)において、前記中心軸を中心とし、前記第1の円周よりも小さい直径を有する第2の円周上に等角度間隔に複数配置された第2永久磁石(43e)と
を含む請求項1~4のいずれか一項に記載のリニアアクチュエータ。
【請求項9】
前記第1永久磁石(43d)の数と、前記第2永久磁石(43e)の数とは同数であって、前記各第1永久磁石(43d)の中心から前記中心軸に延びる仮想線と、前記各第2永久磁石(43e)の中心から前記中心軸に延びる仮想線とが重なる請求項8に記載のリニアアクチュエータ。
【請求項10】
前記第1永久磁石(43d)の数と、前記第2永久磁石(43e)の数とは同数であって、前記各第1永久磁石(43d)の中心から前記中心軸に延びる仮想線と、前記各第2永久磁石(43e)の中心から前記中心軸に延びる仮想線とが交差する請求項8に記載のリニアアクチュエータ。
(【請求項11】以降は省略されています)
発明の詳細な説明
【技術分野】
【0001】
この発明はリニアアクチュエータに関する。
続きを表示(約 3,000 文字)
【背景技術】
【0002】
航空機に用いられる従来のリニアアクチュエータの例として、例えば特許文献1に記載されたリニアアクチュエータが知られている。このリニアアクチュエータは、電動モータの駆動力を直線運動に変換する直線運動機構部を有し、直線運動機構部に接続された航空機の可動部を動作させるものである。例えば、航空機の可動部が、持ち上げられることにより開放する貨物室ドアである場合には、この貨物室ドアに接続されたリニアアクチュエータの、直線運動機構部が伸長することで、貨物室ドアが持ち上げられて開放される。
【先行技術文献】
【特許文献】
【0003】
登録実用新案第3135267号公報
【発明の概要】
【発明が解決しようとする課題】
【0004】
しかしながら、特許文献1に記載されたリニアアクチュエータがバックドライブ可能なリニアアクチュエータである場合には、リニアアクチュエータの故障が発生したときに直線運動機構部の伸長状態が保持されず、直線運動機構部が急激に短縮して、貨物室ドアが急激に降下してしまうという問題点があった。
【0005】
この発明は、このような問題を解決するためになされたものであり、リニアアクチュエータの故障が発生したときに、直線運動機構部の急激な動作を抑制することができるリニアアクチュエータを提供することを目的とする。
【課題を解決するための手段】
【0006】
上記の課題を解決するために、本発明に係るリニアアクチュエータは、モータと、モータの回転軸に設けられた駆動ギアと、駆動ギアに接続され、駆動ギアの回転駆動力を伝達する伝達ギア群と、伝達ギア群に接続され、伝達ギア群によって伝達された回転駆動力により直線運動する直線運動機構部と、モータ、駆動ギア、伝達ギア群及び直線運動機構部を収容するケース部とを備え、伝達ギア群は、少なくとも1個の伝達ギアを有し、直線運動機構部は、伝達ギア群に接続されたボールねじと、ボールねじに螺合されたナットと、ナットに接続されたロッドとを有し、伝達ギアの回転軸及びボールねじのうち少なくとも1つに、共に回転可能に接続された導体円板と、導体円板に対向し、ケース部に固定されて設けられたマグネットホルダと、マグネットホルダに周方向に沿って複数配置された永久磁石とを備える。
【0007】
また、永久磁石は、マグネットホルダにおいて導体円板の周方向に沿って、N極が導体円板に対向する向きに設けられたものと、S極が導体円板に対向する向きに設けられたものとが、交互に等角度間隔毎に配置されていてもよい。
また、永久磁石の一部は、マグネットホルダにおいて導体円板の周方向に沿って、N極又はS極のいずれか一方が2個以上連続して導体円板に対向して等角度間隔毎に配置されていてもよい。
また、他の永久磁石は、マグネットホルダにおいて導体円板の周方向に沿って、N極が導体円板に対向する向きに設けられたものと、S極が導体円板に対向する向きに設けられたものとが、交互に等角度間隔毎に配置されていてもよい。
また、永久磁石は、マグネットホルダにおいて導体円板の周方向に沿って、導体円板の中心軸を中心とする、中心角の角度が180°を超える扇形の範囲内に配置されていてもよい。
また、永久磁石は、マグネットホルダにおいて導体円板の周方向に沿って、導体円板の中心軸を中心とする、中心角の角度が180°以下の扇形の範囲内に配置されていてもよい。
また、マグネットホルダは、導体円板の周方向に沿って等角度間隔に複数形成された収容穴を有し、永久磁石は、収容穴に収容され、隣り合う永久磁石同士の間には、少なくとも1個の永久磁石が収容されていない収容穴を有していてもよい。
また、永久磁石は、マグネットホルダにおいて、導体円板の中心軸を中心とした第1の円周上に等角度間隔に複数配置された第1永久磁石と、マグネットホルダにおいて、中心軸を中心とし、第1の円周よりも小さい直径を有する第2の円周上に等角度間隔に複数配置された第2永久磁石とを含んでもよい。
また、第1永久磁石の数と、第2永久磁石の数とは同数であって、各第1永久磁石の中心から中心軸に延びる仮想線と、各第2永久磁石の中心から中心軸に延びる仮想線とが重なってもよい。
また、第1永久磁石の数と、第2永久磁石の数とは同数であって、各第1永久磁石の中心から中心軸に延びる仮想線と、各第2永久磁石の中心から中心軸に延びる仮想線とが交差してもよい。
【0008】
また、上記の課題を解決するために、本発明に係るリニアアクチュエータの製造方法は、導体円板の中心軸を中心とした第1の円周上に、永久磁石が収容される複数の収容穴が形成されている第1のマグネットホルダを形成する工程と、中心軸を中心とし、第1の円周よりも小さい直径を有する第2の円周上に、永久磁石が収容される複数の収容穴が形成されている第2のマグネットホルダを形成する工程と、第1のマグネットホルダ及び第2のマグネットホルダから1個のマグネットホルダを選択し、選択したマグネットホルダに永久磁石を収容してケース部に固定する工程とを有する。
【発明の効果】
【0009】
この発明に係るリニアアクチュエータは、直線運動機構部が、モータの回転駆動力を伝達する伝達ギア群に接続されたボールねじと、ボールねじに螺合されたナットと、ナットに接続されたロッドとを有し、伝達ギア群の各伝達ギアの回転軸及びボールねじのうち少なくとも1つに、共に回転可能に接続された導体円板と、導体円板に対向し、ケース部に固定されて設けられたマグネットホルダと、マグネットホルダに周方向に沿って複数配置された永久磁石とを備えるため、リニアアクチュエータの故障が発生したときに、直線運動機構部の急激な動作を抑制することができる。
【図面の簡単な説明】
【0010】
本発明の実施の形態1に係るリニアアクチュエータの斜視図である。
本発明の実施の形態1に係るリニアアクチュエータの正面部分断面図である。
本発明の実施の形態1に係るリニアアクチュエータの部分分解図である。
本発明の実施の形態1に係るマグネットの配置を示す図である。
本発明の実施の形態2に係るマグネットの配置を示す図である。
本発明の実施の形態3に係るマグネットの配置を示す図である。
本発明の実施の形態4に係るマグネットの配置を示す図である。
本発明の実施の形態5に係るマグネットの配置を示す図である。
本発明の実施の形態6に係るマグネットの配置を示す図である。
本発明の実施の形態7に係るマグネットの配置を示す図である。
本発明の実施の形態8に係るマグネットの配置を示す図である。
本発明の実施の形態9に係る第1のマグネットの配置を示す図である。
本発明の実施の形態9に係る第2のマグネットの配置を示す図である。
【発明を実施するための形態】
(【0011】以降は省略されています)
この特許をJ-PlatPat(特許庁公式サイト)で参照する
関連特許
多摩川精機株式会社
リニアアクチュエータ
3日前
多摩川精機株式会社
ステータ構造及び回転電機
7日前
多摩川精機株式会社
回転電機コア、電磁鋼板、回転電機ステータ、および回転電機
7日前
多摩川精機株式会社
C型クランプ構造付きエンコーダ、エンコーダフレーム、エンコーダ取付け構造、およびエンコーダ搭載モータ
15日前
個人
電源装置
14日前
個人
永久磁石モーター
1か月前
個人
バッテリ内蔵直流電源
13日前
株式会社FUJI
制御盤
3日前
オムロン株式会社
電源回路
7日前
オムロン株式会社
電源回路
7日前
オムロン株式会社
電源回路
7日前
個人
移動体を用いる駐車場発電所
1か月前
エイブリック株式会社
バッテリ装置
1か月前
トヨタ自動車株式会社
回転子
14日前
ニデック株式会社
モータの制御方法
21日前
日産自動車株式会社
電子機器
24日前
ミサワホーム株式会社
居住設備
3日前
井関農機株式会社
充電システム
24日前
大豊工業株式会社
モータ
13日前
トヨタ自動車株式会社
溶接装置
27日前
東京応化工業株式会社
発電装置
7日前
三菱ケミカル株式会社
電池
1か月前
株式会社ダイヘン
移動装置
1か月前
株式会社リコー
拡張アンテナ装置
6日前
ユタカ電業株式会社
ケーブルダクト
3日前
富士電子工業株式会社
電力変換装置
15日前
トヨタ自動車株式会社
ロータ
1日前
愛知電機株式会社
巻線方法および巻線装置
29日前
株式会社アイシン
直流回転電機
27日前
株式会社正興電機製作所
地絡確認装置
6日前
株式会社ダイヘン
電力変換装置
29日前
株式会社ダイヘン
電力管理装置
22日前
NTN株式会社
モータユニット
3日前
株式会社ミツバ
巻線装置
6日前
ローム株式会社
スナバ回路
1か月前
大阪瓦斯株式会社
蓄電装置
1か月前
続きを見る
他の特許を見る