TOP
|
特許
|
意匠
|
商標
特許ウォッチ
Twitter
他の特許を見る
10個以上の画像は省略されています。
公開番号
2025145978
公報種別
公開特許公報(A)
公開日
2025-10-03
出願番号
2024046522
出願日
2024-03-22
発明の名称
半導体装置及びその製造方法
出願人
富士電機株式会社
代理人
弁理士法人扶桑国際特許事務所
主分類
H01L
23/48 20060101AFI20250926BHJP(基本的電気素子)
要約
【課題】製造時における半導体装置の端子の剥離を防止する。
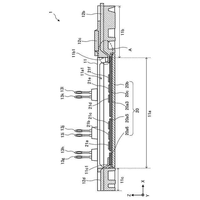
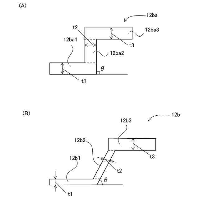
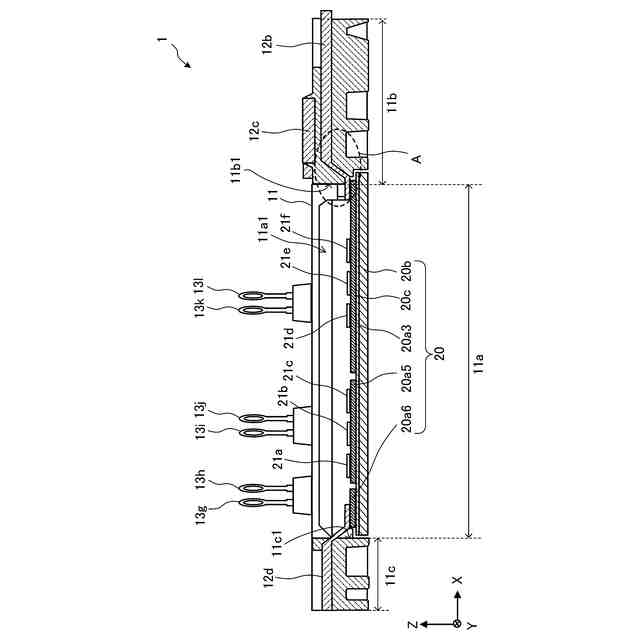
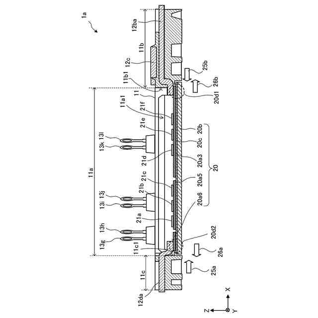
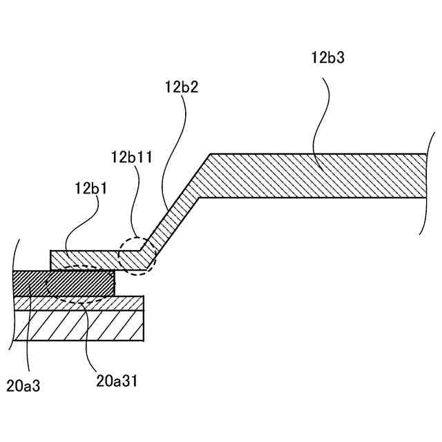
【解決手段】半導体装置1は、絶縁回路基板20と、絶縁回路基板20が収納された収納領域11a1の周囲を画定する第1内面11b1を含む端子保持部11bと、端子保持部11bに一体成形され、平面視で第1内面11b1から収納領域11a1に向かう方向に端子保持部11bで延伸し、絶縁回路基板20に接合された端子12bと、を含むケース11と、を有し、端子12bは、絶縁回路基板20のおもて面に接合された内部接合部と、内部接合部の第1内面11b1に最も近い第1端部から端子保持部11bに対して斜めに立ち上がる傾斜部とを含む。
【選択図】図2
特許請求の範囲
【請求項1】
絶縁回路基板と、
前記絶縁回路基板が収納された収納領域の周囲を画定する第1内面を含む端子保持部と、前記端子保持部に一体成形され、平面視で前記第1内面から前記収納領域に向かう方向に前記端子保持部で延伸し、前記絶縁回路基板に接合された端子と、を含むケースと、
を有し、
前記端子は、前記絶縁回路基板のおもて面に接合された内部接合部と、前記内部接合部の前記第1内面に最も近い第1端部から前記端子保持部に対して斜めに立ち上がる傾斜部とを含む、
半導体装置。
続きを表示(約 1,100 文字)
【請求項2】
前記絶縁回路基板はおもて面に、前記第1内面に寄って形成された導電パターン層を含み、
前記内部接合部は、前記導電パターン層の端部のうち、前記第1内面に最も近い第2端部に設けられている、請求項1に記載の半導体装置。
【請求項3】
前記端子は、前記ケースから露出した外部接合部を有し、
前記端子において、前記内部接合部と前記傾斜部の厚みは、前記外部接合部の厚みよりも薄い、請求項1に記載の半導体装置。
【請求項4】
前記端子は、前記ケースから露出した外部接合部を有し、
前記端子において、前記内部接合部のみ、前記外部接合部の厚みよりも薄い、請求項1に記載の半導体装置。
【請求項5】
前記端子の前記内部接合部は、前記ケースの前記第1内面に近接して設けられている、請求項1に記載の半導体装置。
【請求項6】
前記ケースは、前記端子保持部に接続し、前記収納領域の周囲を画定する第2内面を含む側壁を有し、
前記内部接合部は、前記第2内面から離れた位置に配置されている、請求項1に記載の半導体装置。
【請求項7】
前記端子において、前記内部接合部と前記傾斜部とはそれぞれ、平面視で複数の部分に分割されている、請求項1に記載の半導体装置。
【請求項8】
前記絶縁回路基板は、導電パターン層と、金属層と、前記導電パターン層と前記金属層との間に挟まれた樹脂層とを含む、請求項1に記載の半導体装置。
【請求項9】
前記ケースは繊維状のフィラーを含み、前記端子保持部に、前記フィラーの繊維の向きが、前記端子の延伸方向と一致する領域を有する、請求項1に記載の半導体装置。
【請求項10】
絶縁回路基板を用意する工程と、
前記絶縁回路基板が収納される収納領域の周囲を画定する第1内面を含む端子保持部と、前記端子保持部に一体成形され、平面視で前記第1内面から前記収納領域に向かう方向に前記端子保持部で延伸する端子と、を含むケースを用意する工程と、
前記絶縁回路基板を、前記収納領域に配置して、前記端子を前記絶縁回路基板に接合する工程と、
前記絶縁回路基板が配置された前記ケースを金型内に配置して、前記ケースの内側を封止樹脂により封止する工程と、
を有し、
前記端子は、前記絶縁回路基板のおもて面に接合される内部接合部と、前記内部接合部の前記第1内面に最も近い第1端部から前記端子保持部に対して斜めに立ち上がる傾斜部とを含む、
半導体装置の製造方法。
発明の詳細な説明
【技術分野】
【0001】
本発明は、半導体装置及びその製造方法に関する。
続きを表示(約 1,100 文字)
【背景技術】
【0002】
半導体装置として、インダクタンス低減のため電極に傾斜部を設け電極長を短くしたものがある(たとえば、特許文献1参照)。また、端子において、接合部材への熱応力緩和や超音波接合時の基板電極の剥離防止のため、基板電極に接合された部分を他の部分より薄くしたものがある(たとえば、特許文献2,3参照)。また、基体とリードフレーム間に一部の剥離やせん断による応力緩和部を設けたものがある(たとえば、特許文献4参照)。
【先行技術文献】
【特許文献】
【0003】
特開2022-111597号公報
特許第7170911号公報
特開2022-189515号公報
特開2017-203709号公報
【発明の概要】
【発明が解決しようとする課題】
【0004】
本件実施形態の課題としては、製造時における半導体装置の端子の剥離を防止することである。
【課題を解決するための手段】
【0005】
本発明の一観点によれば、絶縁回路基板と、前記絶縁回路基板が収納された収納領域の周囲を画定する第1内面を含む端子保持部と、前記端子保持部に一体成形され、平面視で前記第1内面から前記収納領域に向かう方向に前記端子保持部で延伸し、前記絶縁回路基板に接合された端子と、を含むケースと、を有し、前記端子は、前記絶縁回路基板のおもて面に接合された内部接合部と、前記内部接合部の前記第1内面に最も近い第1端部から前記端子保持部に対して斜めに立ち上がる傾斜部とを含む、半導体装置が提供される。
【0006】
前記絶縁回路基板はおもて面に、前記第1内面に寄って形成された導電パターン層を含み、前記内部接合部は、前記導電パターン層の端部のうち、前記第1内面に最も近い第2端部に設けられていてよい。
【0007】
前記端子は、前記ケースから露出した外部接合部を有し、前記端子において、前記内部接合部と前記傾斜部の厚みは、前記外部接合部の厚みよりも薄くてよい。
【0008】
前記端子は、前記ケースから露出した外部接合部を有し、前記端子において、前記内部接合部のみ、前記外部接合部の厚みよりも薄くてよい。
【0009】
前記端子の前記内部接合部は、前記ケースの前記第1内面に近接して設けられていてよい。
【0010】
前記ケースは、前記端子保持部に接続し、前記収納領域の周囲を画定する第2内面を含む側壁を有し、前記内部接合部は、前記第2内面から離れた位置に配置されていてよい。
(【0011】以降は省略されています)
この特許をJ-PlatPat(特許庁公式サイト)で参照する
関連特許
富士電機株式会社
冷却装置
1か月前
富士電機株式会社
冷却装置
7日前
富士電機株式会社
整流装置
1か月前
富士電機株式会社
搬送機構
4日前
富士電機株式会社
溶接装置
4日前
富士電機株式会社
冷却装置
1か月前
富士電機株式会社
半導体装置
22日前
富士電機株式会社
半導体装置
23日前
富士電機株式会社
半導体装置
1か月前
富士電機株式会社
電磁接触器
今日
富士電機株式会社
半導体装置
4日前
富士電機株式会社
自動販売機
1か月前
富士電機株式会社
半導体装置
1か月前
富士電機株式会社
回路遮断器
1日前
富士電機株式会社
エンコーダ
1日前
富士電機株式会社
自動販売機
2か月前
富士電機株式会社
半導体装置
1か月前
富士電機株式会社
電磁接触器
今日
富士電機株式会社
半導体装置
1か月前
富士電機株式会社
半導体装置
1か月前
富士電機株式会社
半導体装置
1か月前
富士電機株式会社
半導体装置
1か月前
富士電機株式会社
半導体装置
1か月前
富士電機株式会社
電磁接触器
今日
富士電機株式会社
半導体装置
今日
富士電機株式会社
電磁接触器
今日
富士電機株式会社
電磁接触器
今日
富士電機株式会社
冷却システム
23日前
富士電機株式会社
電力変換装置
1か月前
富士電機株式会社
分析システム
1か月前
富士電機株式会社
硬貨処理装置
1か月前
富士電機株式会社
金銭処理装置
2か月前
富士電機株式会社
ショーケース
1か月前
富士電機株式会社
飲料供給装置
2か月前
富士電機株式会社
電力変換装置
2か月前
富士電機株式会社
半導体モジュール
1か月前
続きを見る
他の特許を見る