TOP
|
特許
|
意匠
|
商標
特許ウォッチ
Twitter
他の特許を見る
公開番号
2025124505
公報種別
公開特許公報(A)
公開日
2025-08-26
出願番号
2024020609
出願日
2024-02-14
発明の名称
建物の躯体構造
出願人
株式会社大林組
代理人
個人
,
個人
,
個人
主分類
E04B
1/18 20060101AFI20250819BHJP(建築物)
要約
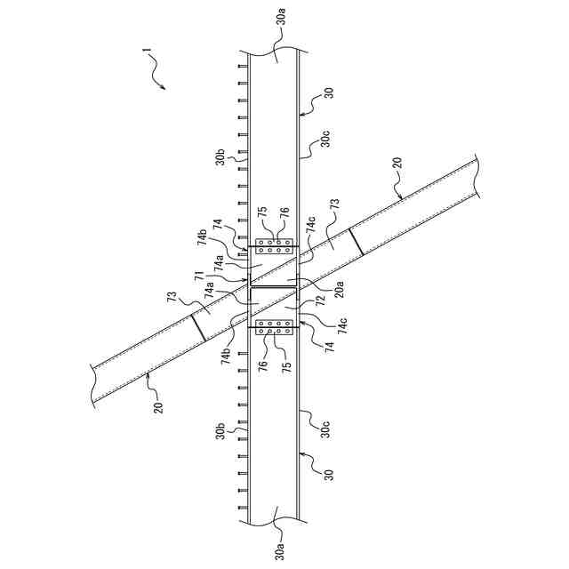
【課題】傾斜柱と梁との取り合いをより簡素化することが可能な建物の躯体構造を提供することである。
【解決手段】複数の階層を有する建物の躯体構造1であって、鉛直方向に対して傾斜して複数の階層に亘って延びる第1の傾斜柱10と、鉛直方向に対して第1の傾斜柱10とは反対側に傾斜して複数の階層に亘って延び、一端が第1の傾斜柱10の一端に接合された第2の傾斜柱20と、対応する階層において第1の傾斜柱10及び第2の傾斜柱20に接合された複数本の梁30とを有し、第1の傾斜柱10と第2の傾斜柱20とが接合された接合部40、50においては梁30が第1の傾斜柱10及び第2の傾斜柱20に剛接合され、第1の傾斜柱10の中間部10a及び第2の傾斜柱20の中間部20aにおいては、2つの中間部10a、20aの間に配置された梁30が第1の傾斜柱10及び第2の傾斜柱20にピン接合されていることを特徴とする建物の躯体構造1。
【選択図】図1
特許請求の範囲
【請求項1】
複数の階層を有する建物の躯体構造であって、
鉛直方向に対して傾斜して複数の前記階層に亘って延びる第1の傾斜柱と、
鉛直方向に対して前記第1の傾斜柱とは反対側に傾斜して複数の前記階層に亘って延び、一端が前記第1の傾斜柱の一端に接合された第2の傾斜柱と、
それぞれ対応する前記階層において、前記第1の傾斜柱及び前記第2の傾斜柱に接合された複数本の梁と、を有し、
前記第1の傾斜柱の一端と前記第2の傾斜柱の一端とが接合された接合部においては、前記梁が前記第1の傾斜柱及び前記第2の傾斜柱に剛接合され、
前記第1の傾斜柱の一端と他端との間の中間部、及び、前記第2の傾斜柱の一端と他端との間の中間部においては、2つの前記中間部の間に配置された前記梁が前記第1の傾斜柱及び前記第2の傾斜柱にピン接合されていることを特徴とする建物の躯体構造。
続きを表示(約 200 文字)
【請求項2】
複数本の前記第1の傾斜柱及び複数本の前記第2の傾斜柱が斜め格子状に配置されている、請求項1に記載の建物の躯体構造。
【請求項3】
前記第1の傾斜柱及び前記第2の傾斜柱が前記建物の最外側に配置され、
前記第1の傾斜柱及び前記第2の傾斜柱よりも前記建物の内部側に、鉛直方向に沿って延びる鉛直柱が設けられている、請求項1または2に記載の建物の躯体構造。
発明の詳細な説明
【技術分野】
【0001】
本発明は、複数の階層を有する建物の躯体構造に関する。
続きを表示(約 1,300 文字)
【背景技術】
【0002】
例えばオフィスビル、商業ビルなどの、複数の階層を有する建物の躯体構造として、従来、鉛直方向に対して傾斜する第1の傾斜柱と、鉛直方向に対して第1の傾斜柱とは反対側に傾斜する第2の傾斜柱とを有し、それぞれの階層において梁が第1の傾斜柱及び前記第2の傾斜柱に接合された構成のものが知られている(例えば特許文献1参照)。
【0003】
このような構成の躯体構造によれば、第1の傾斜柱及び第2の傾斜柱を、それぞれ建物の荷重などの鉛直荷重を支持する柱として機能させつつ、地震発生時などに水平力を負担するブレースとしても機能させることができる。
【先行技術文献】
【特許文献】
【0004】
特開2023-16543号公報
【発明の概要】
【発明が解決しようとする課題】
【0005】
上記従来の躯体構造においては、各階層における第1の傾斜柱ないし第2の傾斜柱と梁との取り合いが複雑化する場合があり、当該取り合いをより簡素化した構成としたい、という要望があった。
【0006】
本発明は、このような課題に鑑みてなされたものであり、その目的は、傾斜柱と梁との取り合いをより簡素化することが可能な建物の躯体構造を提供することにある。
【課題を解決するための手段】
【0007】
本発明の建物の躯体構造は、複数の階層を有する建物の躯体構造であって、鉛直方向に対して傾斜して複数の前記階層に亘って延びる第1の傾斜柱と、鉛直方向に対して前記第1の傾斜柱とは反対側に傾斜して複数の前記階層に亘って延び、一端が前記第1の傾斜柱の一端に接合された第2の傾斜柱と、それぞれ対応する前記階層において、前記第1の傾斜柱及び前記第2の傾斜柱に接合された複数本の梁と、を有し、前記第1の傾斜柱の一端と前記第2の傾斜柱の一端とが接合された接合部においては、前記梁が前記第1の傾斜柱及び前記第2の傾斜柱に剛接合され、前記第1の傾斜柱の一端と他端との間の中間部、及び、前記第2の傾斜柱の一端と他端との間の中間部においては、2つの前記中間部の間に配置された前記梁が前記第1の傾斜柱及び前記第2の傾斜柱にピン接合されていることを特徴とする。
【0008】
本発明の建物の躯体構造は、上記構成において、複数本の前記第1の傾斜柱及び複数本の前記第2の傾斜柱が斜め格子状に配置されているのが好ましい。
【0009】
本発明の建物の躯体構造は、上記構成において、前記第1の傾斜柱及び前記第2の傾斜柱が前記建物の最外側に配置され、前記第1の傾斜柱及び前記第2の傾斜柱よりも前記建物の内部側に、鉛直方向に沿って延びる鉛直柱が設けられているのが好ましい。
【発明の効果】
【0010】
本発明によれば、傾斜柱と梁との取り合いをより簡素化することが可能な建物の躯体構造を提供することができる。
【図面の簡単な説明】
(【0011】以降は省略されています)
この特許をJ-PlatPat(特許庁公式サイト)で参照する
関連特許
株式会社大林組
加泥材
2か月前
株式会社大林組
接続構造
2か月前
株式会社大林組
飛込み台
26日前
株式会社大林組
基礎構造
1か月前
株式会社大林組
測定方法
26日前
株式会社大林組
接合構造
14日前
株式会社大林組
仮設建築物
26日前
株式会社大林組
免震建築物
1か月前
株式会社大林組
建物の構造
13日前
株式会社大林組
ルーバー構造
1か月前
株式会社大林組
空調システム
1か月前
株式会社大林組
耐火被覆構造
2か月前
株式会社大林組
耐火被覆構造
1か月前
株式会社大林組
耐火被覆構造
2か月前
株式会社大林組
土壌改良方法
2か月前
株式会社大林組
監視システム
1か月前
株式会社大林組
建物の躯体構造
1か月前
株式会社大林組
積層材成型方法
2か月前
株式会社大林組
建物の躯体構造
1か月前
株式会社大林組
床板の設置方法
26日前
株式会社大林組
シャッター装置
2か月前
株式会社大林組
可搬式充電設備
13日前
株式会社大林組
リフトアップ装置
27日前
株式会社大林組
リフトアップ装置
27日前
株式会社大林組
地震損失評価方法
2か月前
株式会社大林組
安全支援システム
1か月前
株式会社大林組
作業支援システム
1か月前
株式会社大林組
鋼矢板の圧入方法
12日前
株式会社大林組
日射遮蔽発電装置
1か月前
株式会社大林組
梁段差部の仕口構造
2か月前
株式会社大林組
建築方法及び建築物
2か月前
株式会社大林組
建築物及び建築方法
27日前
株式会社大林組
新設床版の設置工法
1か月前
株式会社大林組
袋体付き排水パイプ
26日前
株式会社大林組
袋体付き排水パイプ
26日前
株式会社大林組
改良土の品質管理方法
2か月前
続きを見る
他の特許を見る