TOP
|
特許
|
意匠
|
商標
特許ウォッチ
Twitter
他の特許を見る
10個以上の画像は省略されています。
公開番号
2025128884
公報種別
公開特許公報(A)
公開日
2025-09-03
出願番号
2024025868
出願日
2024-02-22
発明の名称
硬化性樹脂の改質方法及び硬化方法、並びに、硬化性樹脂のプレキュア装置、改質処理システム及び硬化処理システム
出願人
ウシオ電機株式会社
代理人
弁理士法人ユニアス国際特許事務所
主分類
C08F
2/48 20060101AFI20250827BHJP(有機高分子化合物;その製造または化学的加工;それに基づく組成物)
要約
【課題】マット化処理の粗面化の程度を高精度に制御する。
【解決手段】硬化性樹脂の改質方法は、酸素濃度が0.3vol%以上21.0%以下の雰囲気下で、光源の発光スペクトルにおける主波長が200nm以上の第一光を、硬化性樹脂の表面に向けて照射する、プレキュア工程を含む。前記改質方法を実行するプレキュア装置は、発光スペクトルにおける主波長が200nm以上の第一光を出射する第一光源を備え、前記第一光を前記硬化性樹脂の表面に向けて照射する。
【選択図】図2
特許請求の範囲
【請求項1】
酸素濃度が0.3vol%以上21.0%以下の雰囲気下で、光源の発光スペクトルにおける主波長が200nm以上の第一光を、硬化性樹脂の表面に向けて照射する、プレキュア工程を含むことを特徴とする、硬化性樹脂の改質方法。
続きを表示(約 1,000 文字)
【請求項2】
前記第一光の前記主波長は、300nm以上450nm以下であることを特徴とする、請求項1に記載の改質方法。
【請求項3】
前記第一光の前記主波長の半値幅は、30nm以下であることを特徴とする、請求項1に記載の改質方法。
【請求項4】
前記第一光を照射するに先立って、表面改質後の前記表面の光沢度と、前記プレキュア工程の前記第一光の前記主波長、照射量、照度及び照射時間、並びに酸素濃度のうち、少なくとも一つのパラメータと、の関係を取得すること、及び
所望の前記光沢度と前記関係に基づいて、前記少なくとも一つのパラメータを設定すること、を含むことを特徴とする、請求項1に記載の改質方法。
【請求項5】
前記関係を取得するとき、前記硬化性樹脂ごとに前記関係を取得し、
前記少なくとも一つのパラメータを設定するとき、使用する前記硬化性樹脂に対応する前記関係に基いて行う、
ことを特徴とする、請求項4に記載の改質方法。
【請求項6】
前記プレキュア工程の後に、光源の発光スペクトルにおける主波長が200nm未満の第二光を前記表面に向けて照射し、前記表面を粗面化するマット化工程を含むことを特徴とする、請求項1~5のいずれか一項に記載の改質方法。
【請求項7】
前記第二光を放射する光源はエキシマランプであることを特徴とする、請求項6に記載の改質方法。
【請求項8】
前記硬化性樹脂は基板に塗布されており、
前記プレキュア工程における前記第一光の照射と、前記マット化工程における前記第二光の照射の、少なくともいずれか一つは、移動中の前記基板に対して行われることを特徴とする、請求項6に記載の改質方法。
【請求項9】
請求項6に記載の前記改質方法の後に、前記第一光及び前記第二光とは異なる電離放射線を前記表面に向けて照射し前記硬化性樹脂を硬化する、キュア工程を含む、硬化性樹脂の硬化方法。
【請求項10】
発光スペクトルにおける主波長が200nm以上の第一光を出射する第一光源を備え、
前記第一光を前記硬化性樹脂の表面に向けて照射し、前記硬化性樹脂の表層内部を予備硬化させる、プレキュア装置。
(【請求項11】以降は省略されています)
発明の詳細な説明
【技術分野】
【0001】
本発明は、硬化性樹脂の改質方法及び硬化方法、並びに、硬化性樹脂のプレキュア装置、改質処理システム及び硬化処理システムに関する。
続きを表示(約 1,900 文字)
【背景技術】
【0002】
建築物内装用材料(壁、天井、及び床等)、住宅設備、及び家具、並びに、車両用内装用材料及び外装用材料等の物品を保護するため、従来から、化粧材及び化粧シートと言われる保護材が使用されている。化粧材及び化粧シートには、耐擦傷性、耐汚染性及び耐候性といった表面特性や、加工特性などの、保護材としての物理的及び機械的特性に加えて、意匠性が要求されている。
【0003】
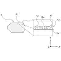
化粧材及び化粧シートの意匠性を向上させるため、化粧材及び化粧シートの表面の光沢度を下げて、つや消し効果を付与する処理が知られている。光沢度を下げて、つや消し効果を付与する処理のことをマット化処理という。化粧材及び化粧シートの表面をマット化処理すると、化粧材及び化粧シートの質感を高められる。マット化処理は樹脂の表面に凹凸を形成することにより行われる。マット化処理の具体例として、化粧材及び化粧シートの表面に塗布した光硬化樹脂に紫外光を照射し、塗布した樹脂を収縮させて、その表面に可視光を散乱させる凹凸(シワ)を形成することが知られている(例えば、特許文献1参照)。
【先行技術文献】
【特許文献】
【0004】
特開2021-137990号公報
【発明の概要】
【発明が解決しようとする課題】
【0005】
マット化処理には、密なシワ形成による光沢度の低下量の大きな処理から、粗いシワ形成による光沢度の低下量の小さな処理まで、様々な粗面化の程度がある。マット化処理の粗面化の程度を制御したいというニーズがある。そこで、硬化性樹脂のマット化処理の粗面化の程度を高精度に制御することを目的とする。
【課題を解決するための手段】
【0006】
当初、マット化処理の粗面化の程度を制御するため、シワ形成のための紫外光の照射量を変更することを検討した。しかしながら、シワ形成のための紫外光の照射量を変化させても、塗布膜の表面状態がほとんど変化しないことがわかった。次に、塗布膜に使用する塗料の種類を変更したり、配合を調整したりすることを検討した。しかしながら、塗料の種類を変更したり、配合を調整したりすることは時間が掛かり過ぎるうえ、粗面化の程度を高精度に制御することができなかった。塗布膜の表面状態を制御できないことは、所望の光沢度に制御できないことを意味する。そこで、本発明は、マット化処理の粗面化の程度を高精度に制御することを目的とする。
【0007】
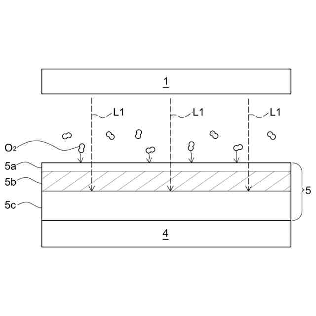
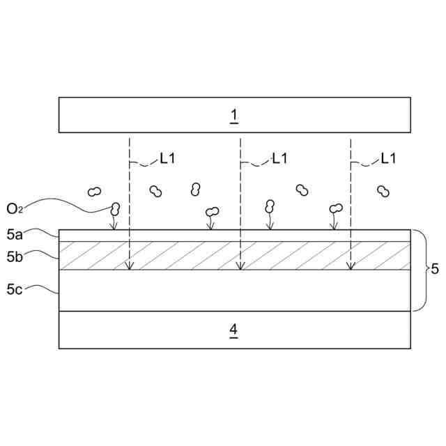
本発明の硬化性樹脂の改質方法は、酸素濃度が0.3vol%以上21.0%以下の雰囲気下で、光源の発光スペクトルにおける主波長が200nm以上の第一光を、硬化性樹脂の表面に向けて照射する、プレキュア工程を含む。
【0008】
詳細は「発明を実施するための形態」の項で説明するが、プレキュア工程について簡単に説明する。プレキュア工程は、マット化工程及びマット化工程に続くキュア工程に先立って行う工程である。プレキュア工程では、硬化性樹脂の表面に、酸素濃度が0.3vol%以上21.0%以下の雰囲気下で、光源の発光スペクトルにおける主波長が200nm以上の第一光を照射する。そうすると、前記硬化性樹脂の前記表層の内部では硬化が進む一方で、前記硬化性樹脂の表層中の最表面である極表面では硬化収縮があまり進まず、硬化性樹脂の表面にシワが形成されない。硬化性樹脂の表層の内部だけを選択的に硬化することにより、後のマット化工程におけるシワ形成時の硬化深さを制限できるようになる。本明細書では、プレキュア工程における硬化処理を「予備硬化」ということがある。予備硬化の制御パラメータとして、第一光の照射量、照度、照射時間及び酸素濃度等がある。これらの制御パラメータを制御することにより、表層内部における硬化深さを制御できる。つまり、第一光の照度や照射時間等の、予備硬化の制御パラメータを制御することにより、予備硬化における硬化深さを制御し、その結果、マット化工程におけるシワ形成時の硬化深さを調節できる。シワ形成時の硬化深さは、シワの粗密の程度、すなわち、マット化処理における粗面化の程度と関係する。それゆえ、予備硬化の制御パラメータを制御することで、マット化処理における粗面化の程度を高精度に制御できる。
【0009】
前記第一光の前記主波長は、300nm以上450nm以下であっても構わない。
【0010】
前記第一光の前記主波長の半値幅は、30nm以下であっても構わない。
(【0011】以降は省略されています)
この特許をJ-PlatPat(特許庁公式サイト)で参照する
関連特許
ウシオ電機株式会社
光源装置
1か月前
ウシオ電機株式会社
光源装置
1日前
ウシオ電機株式会社
光源装置
9日前
ウシオ電機株式会社
放電ランプ
1か月前
ウシオ電機株式会社
蛍光光源装置
25日前
ウシオ電機株式会社
紫外線治療器
24日前
ウシオ電機株式会社
紫外光照射装置
1日前
ウシオ電機株式会社
赤外LED素子
2日前
ウシオ電機株式会社
光源装置及び回転体
1日前
ウシオ電機株式会社
構造体、及び加工装置
1か月前
ウシオ電機株式会社
光源装置及び不活化装置
17日前
ウシオ電機株式会社
半導体レーザ素子および発光装置
1日前
ウシオ電機株式会社
半導体レーザ素子および発光装置
5日前
国立大学法人 東京大学
ガス処理方法
1日前
ウシオ電機株式会社
ワークステージ、露光装置、及び露光方法
1か月前
ウシオ電機株式会社
光処理方法、光処理装置及び光処理システム
1か月前
ウシオ電機株式会社
分布帰還型半導体レーザおよびその製造方法
5日前
ウシオ電機株式会社
半導体レーザ素子およびその製造方法、発光装置
1か月前
ウシオ電機株式会社
フィラメントランプ、及びフィラメントランプの製造方法
1か月前
ウシオ電機株式会社
偏光光照射ユニット、偏光光照射装置、及び偏光光照射方法
1か月前
ウシオ電機株式会社
改変ゲノムDNAを含む細胞の作製方法、遺伝子産物の生産方法
29日前
ウシオ電機株式会社
硬化性樹脂の改質方法及び硬化方法、並びに、硬化性樹脂のプレキュア装置、改質処理システム及び硬化処理システム
1か月前
東ソー株式会社
摺動部材
4か月前
東ソー株式会社
ゴム組成物
4か月前
ユニチカ株式会社
透明シート
5日前
株式会社カネカ
硬化性組成物
2か月前
ユニチカ株式会社
透明シート
1か月前
株式会社コバヤシ
成形体
2日前
東レ株式会社
熱硬化性樹脂組成物
1か月前
ユニチカ株式会社
ビスマレイミド
4か月前
東レ株式会社
ポリエステルフィルム
3か月前
東レ株式会社
ポリエステルフィルム
9日前
東レ株式会社
引抜成形品の製造方法
1か月前
住友精化株式会社
吸水剤の製造方法
15日前
丸住製紙株式会社
変性パルプ
5日前
愛知電機株式会社
加熱処理設備
3か月前
続きを見る
他の特許を見る