TOP
|
特許
|
意匠
|
商標
特許ウォッチ
Twitter
他の特許を見る
公開番号
2025135091
公報種別
公開特許公報(A)
公開日
2025-09-18
出願番号
2024032688
出願日
2024-03-05
発明の名称
コンクリート充填鋼管柱と鉄骨梁との接合部
出願人
株式会社鴻池組
代理人
弁護士法人クレオ国際法律特許事務所
,
個人
,
個人
主分類
E04B
1/58 20060101AFI20250910BHJP(建築物)
要約
【課題】CFT構造の柱梁接合部において、ダイアフラムを設けずに、耐力を補填するものであり、構造物全体の強度や耐久性を向上させることができるコンクリート充填鋼管柱と鉄骨梁との接合部を提供する。
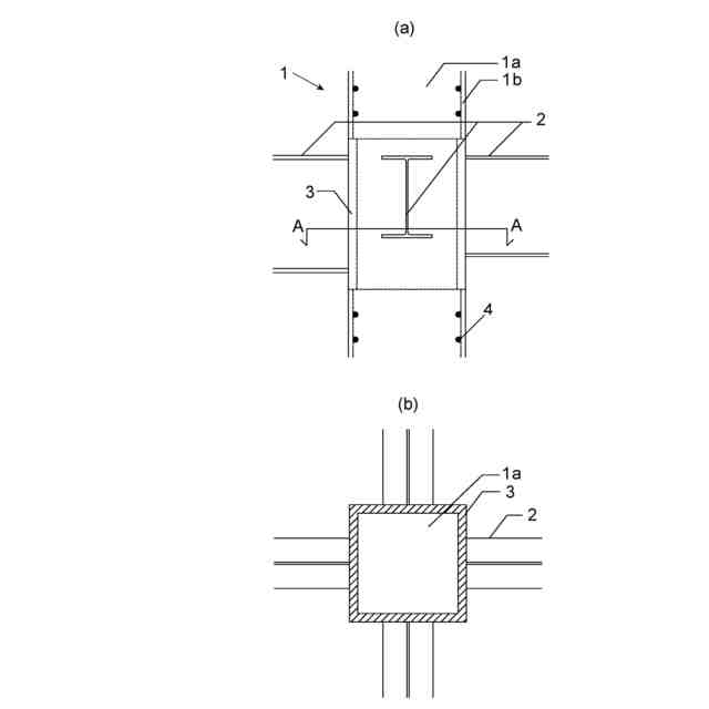
【解決手段】コンクリート充填鋼管柱と鉄骨梁2との接合部は、柱鋼管1bの内部にコンクリートを充填されるコンクリート充填鋼管柱と鉄骨梁2との接合部において、コンクリート充填鋼管柱の鉄骨梁2の端部が接合される区間に上下の柱鋼管1bより厚肉の接合部鋼管3が介在し、接合部鋼管3の下側に接続される柱鋼管1bの内面の上部所定区間に突起4が設けられている。コンクリート充填鋼管柱の鉄骨梁2の端部が接合される区間を柱鋼管1bよりも厚肉の接合部鋼管3にすることで、ダイアフラム7が不要となり、コンクリートが充填しやすい。また、柱鋼管1bの内面に設けた突起4を介して柱コンクリートに力を伝達することができる。
【選択図】図2
特許請求の範囲
【請求項1】
柱鋼管の内部にコンクリートが充填されるコンクリート充填鋼管柱と鉄骨梁との接合部おいて、前記コンクリート充填鋼管柱の前記鉄骨梁の端部が接合される区間に上下の柱鋼管より厚肉の接合部鋼管を介在させていることを特徴とするコンクリート充填鋼管柱と鉄骨梁との接合部。
続きを表示(約 730 文字)
【請求項2】
請求項1記載のコンクリート充填鋼管柱と鉄骨梁との接合部において、前記接合部鋼管は内側に厚くなっており、前記接合部鋼管と前記上下の柱鋼管の外面が面一であることを特徴とするコンクリート充填鋼管柱と鉄骨梁との接合部。
【請求項3】
請求項1記載のコンクリート充填鋼管柱と鉄骨梁との接合部において、
前記接合部鋼管の下側に接続される柱鋼管の内面の上部所定区間に突起が設けられていることを特徴とするコンクリート充填鋼管柱と鉄骨梁との接合部。
【請求項4】
請求項1記載のコンクリート充填鋼管柱と鉄骨梁との接合部において、前記接合部鋼管の上側に接続される柱鋼管の内面の下部所定区間にも突起が設けられていることを特徴とするコンクリート充填鋼管柱と鉄骨梁との接合部。
【請求項5】
請求項3または4記載のコンクリート充填鋼管柱と鉄骨梁との接合部において、前記接合部鋼管は外側に厚くなっており、前記接合部鋼管と前記上下の柱鋼管の内面が面一であることを特徴とするコンクリート充填鋼管柱と鉄骨梁との接合部。
【請求項6】
請求項3または4記載のコンクリート充填鋼管柱と鉄骨梁との接合部において、前記突起は溶接ビードまたは鉄筋溶接により形成されている突起または縞鋼板の内面突起であることを特徴とするコンクリート充填鋼管柱と鉄骨梁との接合部。
【請求項7】
請求項1~4の何れか1項に記載のコンクリート充填鋼管柱と鉄骨梁との接合部において、前記コンクリート充填鋼管柱の内部に主筋と帯筋とからなる鉄筋籠が挿入されていることを特徴とするコンクリート充填鋼管柱と鉄骨梁との接合部。
発明の詳細な説明
【技術分野】
【0001】
本発明は、コンクリート充填鋼管構造(以下、CFT構造という。)における柱梁接合部、特にコンクリート充填鋼管柱と鉄骨梁との接合部の構造に関するものである。
続きを表示(約 1,300 文字)
【背景技術】
【0002】
CFT構造において、柱鋼管に通しダイアフラムや内ダイアフラムを設けている場合、コンクリートを充填する際に通しダイアフラムや内ダイアフラムの下面には空隙が生じやすい。これに対して、ダイアフラムに空気抜き孔を設けて、空隙の発生を予防するのが通例である。
【0003】
また、1つの柱梁接合部に、ダイアフラムを3つ以上設置するのは、コンクリートの充填性の面からあまり好ましくない。また、複数のダイアフラムを設ける場合、ダイアフラムの最小間隔は、溶接に必要な寸法以上となる。こうした問題に対して、従来は、梁端部にテーパーを設け、柱梁接合部での梁せいを統一するなどの措置によって対応していたが、この措置には製造コストがアップするデメリットがあった。
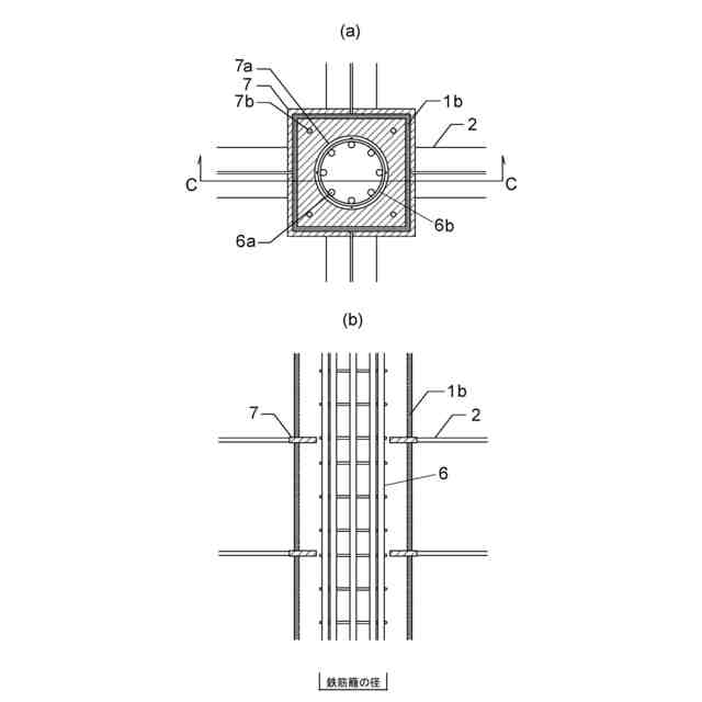
【0004】
一方で、CFT構造の柱に鉄筋籠を挿入することで、柱鋼管の板厚を薄くできる工法がある。この工法では、挿入する鉄筋籠の断面寸法(幅や径)が大きいほど、柱鋼管の板厚を薄くする効果を期待できる。そのため、通しダイアフラム形式と内ダイアフラム形式の場合は、外ダイアフラム形式の場合に比べて、鋼管の板厚を薄くする効果を期待することができない。しかし、外ダイアフラム形式の場合、ダイアフラムが大型化し、製造コストや意匠性が悪化しやすいため、通しダイアフラム形式が採用されることが少なくない。
【0005】
CFT構造の柱鋼管を薄くすると、大地震時に柱鋼管に局部座屈が発生し、柱耐力の低下が懸念される。その解決方法の一つとして、CFT構造に鉄筋籠を挿入することで、柱鋼管の局部座屈を抑制する方法がある。この場合も、鉄筋籠の断面寸法が大きいほど、柱鋼管の局部座屈を抑制する効果が高くなるが、ダイアフラムの形式によって、鉄筋籠の大きさが制限される問題がある。
【0006】
これに対し、例えば特許文献1、2では、CFT構造の柱梁接合部にダイアフラムを設けない構造が提案されている。
【0007】
特許文献1には、上鋼管柱と下鋼管柱の間に溶接により介装された厚肉の内面リブ付鋼管と、該内面リブ付き鋼管の内部に充填されたコンクリートと、前記内面リブ付鋼管の外面に突き合せ固定された梁とからなる鋼管コンクリート柱と梁の接合構造が開示されている。
【0008】
特許文献2には、上下の鋼管柱の間に介装された接合筒体と、前記鋼管柱の外面と一致された前記接合筒体の外面と、鋼管柱の内面より内方に位置する接合筒体の内面と、前記鋼管柱乃至接合筒体に充填されたコンクリートとからなる鋼管コンクリート柱と梁の接合構造が開示されている。
【先行技術文献】
【特許文献】
【0009】
特開平02-080729号公報
特開平04-106240号公報
【発明の概要】
【発明が解決しようとする課題】
【0010】
特許文献1記載の発明は、柱梁接合部に内面リブ付鋼管を用いて、柱梁接合部の鋼管柱とコンクリートの付着を確保しているが、柱梁接合部以外の部分の付着強度が相対的に低いという問題がある。
(【0011】以降は省略されています)
この特許をJ-PlatPat(特許庁公式サイト)で参照する
関連特許
株式会社鴻池組
外壁構造およびその施工方法
1か月前
株式会社鴻池組
コンクリート充填鋼管柱と鉄骨梁との接合部
14日前
株式会社鴻池組
コンクリート充填鋼管柱と鉄骨梁との接合部
14日前
白石工業株式会社
炭酸カルシウムの製造方法、生モルタルまたは生コンクリートの製造方法、地盤を改良する方法、地下空洞の充填方法および二酸化炭素の固定化方法
2か月前
個人
屋台
13日前
個人
野良猫ハウス
29日前
個人
フェンス
1か月前
個人
キャチクランプ
4か月前
個人
転落防止用手摺
23日前
個人
地下型マンション
3か月前
個人
居住車両用駐車場
1か月前
ニチハ株式会社
建築板
1か月前
積水樹脂株式会社
柵体
22日前
個人
筋交自動設定装置
3日前
個人
水害と共にある家
4か月前
株式会社タナクロ
テント
3か月前
個人
熱抵抗多層断熱建材
1か月前
個人
壁断熱パネル
3か月前
個人
鋼管結合資材
3か月前
個人
津波と共にある漁港
4か月前
個人
パーティション
4か月前
個人
補強部材
1か月前
個人
地滑りと共にある山荘
4か月前
個人
柵
1か月前
積水樹脂株式会社
フェンス
5か月前
鹿島建設株式会社
壁体
1か月前
個人
身体用シェルター
3日前
個人
循環流水式屋根融雪装置
3か月前
個人
身体用シェルター
3日前
成友建設株式会社
建物
29日前
三協立山株式会社
構造体
3日前
三協立山株式会社
構造体
3日前
三協立山株式会社
構造体
3か月前
三協立山株式会社
構造体
3日前
三協立山株式会社
構造体
3日前
株式会社熊谷組
木質材料
13日前
続きを見る
他の特許を見る