TOP
|
特許
|
意匠
|
商標
特許ウォッチ
Twitter
他の特許を見る
公開番号
2025136032
公報種別
公開特許公報(A)
公開日
2025-09-19
出願番号
2024034195
出願日
2024-03-06
発明の名称
物品搬送設備
出願人
株式会社ダイフク
代理人
弁理士法人R&C
主分類
G06Q
10/047 20230101AFI20250911BHJP(計算;計数)
要約
【課題】合理性の高い物品の搬送を実現する。
【解決手段】制御システムは、物品を保持していない複数の搬送車1の中から搬送処理を行わせる対象搬送車1を選択する場合に、搬送車1の移動時間に影響を及ぼす要因についての値であって移動時間が長くなるに従って大きくなるコストを用いて、それぞれの搬送車1の評価コストCxを算出し、評価コストCxが最も小さい搬送車1を、対象搬送車1として選択する選択処理を実行する。特定保持部が搬送元Fとされる場合の選択処理では、評価コストCxは、搬送車1の現在位置Pから搬送元Fまでの移動時間に対応する受取コストCrと、搬送車1の搬送元Fから搬送先Tまでの移動時間に対応する引渡コストCgと、の双方に基づいて算出される。
【選択図】図6
特許請求の範囲
【請求項1】
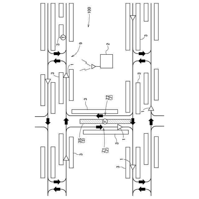
予め定められた移動経路に沿って移動して物品を搬送する複数の搬送車と、前記物品の搬送元と搬送先とが指定された搬送処理を前記搬送車に行わせる制御システムと、を備えた物品搬送設備であって、
前記移動経路に沿った複数箇所に、前記物品を保持可能であると共に前記搬送車が前記物品を受け渡し可能である物品保持部が配置され、
複数の前記物品保持部のうちの少なくとも1つが、前記移動経路における複数の特定区間のいずれに位置する前記搬送車からも前記物品の受け渡しが可能な特定保持部であり、
前記制御システムは、前記物品を保持していない複数の前記搬送車の中から前記搬送処理を行わせる前記搬送車である対象搬送車を選択する場合に、前記搬送車の移動時間に影響を及ぼす要因についての値であって前記移動時間が長くなるに従って大きくなるコストを用いて、それぞれの前記搬送車の評価コストを算出し、前記評価コストが最も小さい前記搬送車を、前記対象搬送車として選択する選択処理を実行するように構成され、
前記特定保持部が前記搬送元とされる場合の前記選択処理では、前記評価コストは、前記搬送車の現在位置から前記搬送元までの移動時間に対応する前記コストである受取コストと、前記搬送車の前記搬送元から前記搬送先までの移動時間に対応する前記コストである引渡コストと、の双方に基づいて算出される、物品搬送設備。
続きを表示(約 680 文字)
【請求項2】
前記特定保持部以外の前記物品保持部が前記搬送元とされる場合の前記選択処理では、前記評価コストは、前記搬送車の現在位置から前記搬送元までの移動時間に対応する前記コストである前記受取コストに基づいて算出される、請求項1に記載の物品搬送設備。
【請求項3】
複数の前記特定区間は、互いに並列に配置された第1特定区間および第2特定区間を含み、
前記第1特定区間において許容される前記搬送車の移動向きと、前記第2特定区間において許容される前記搬送車の移動向きとは、互いに異なる向きとなるように設定され、
前記第1特定区間と前記第2特定区間とは、接続区間を介して前記搬送車が移動可能に接続されている、請求項1又は2に記載の物品搬送設備。
【請求項4】
前記受取コスト及び前記引渡コストの算出には、
前記搬送車の移動距離が長くなるに従って大きくなる距離コストと、
前記搬送車の移動経路の構造に応じて前記搬送車の移動可能速度が低くなるに従って大きくなる構造コストと、
前記搬送車の移動経路に存在する渋滞の度合が高くなるに従って大きくなる渋滞コストと、
前記物品保持部との間及び前記搬送先との間のそれぞれにおいて前記搬送車が前記物品を受け渡す動作の時間が長くなるに従って大きくなる移載コストと、
前記搬送車の移動経路に存在する他の前記搬送車の台数が多くなるに従って大きくなる他車コストと、
の少なくとも1つが用いられる、請求項1又は2に記載の物品搬送設備。
発明の詳細な説明
【技術分野】
【0001】
本発明は、予め定められた移動経路に沿って移動して物品を搬送する複数の搬送車と、前記物品の搬送元と搬送先とが指定された搬送処理を前記搬送車に行わせる制御システムと、を備えた物品搬送設備に関する。
続きを表示(約 1,800 文字)
【背景技術】
【0002】
例えば特開2020-66499号公報(特許文献1)には、半導体製品を製造する工場に用いられる搬送システムが開示されている。このような搬送システムでは、物品に対して各種の処理を施すため、搬送車によって物品を工程間で搬送している。一般的には、システムを管理するシステムコントローラによってなされる搬送指令に基づいて、搬送車は、指定された物品がある搬送元で当該物品を受け取り、指定された搬送先まで当該物品を搬送する。
【先行技術文献】
【特許文献】
【0003】
特開2020-66499号公報
【発明の概要】
【発明が解決しようとする課題】
【0004】
ところで、物品を搬送させる搬送車を複数の搬送車の中から選択する場合には、搬送時間の観点等から物品を合理的に搬送するために、対象の物品が保管されている場所(搬送元)に最も近い位置にいる搬送車を選択することが多い。しかしながら、経路の構造が複雑である場合や経路上での搬送車の移動に制約がある場合等には、物品を受け取った後の搬送先までの搬送車の経路、すなわち、搬送元から搬送先までの経路が複数存在し得る。そのため、搬送元と搬送車との距離が、専ら物品を搬送させる搬送車を選択するための選択基準とされている場合には、合理的な物品の搬送を実現できないことがある。
【0005】
上記実状に鑑みて、合理性の高い物品の搬送を実現可能な物品搬送設備が望まれている。
【課題を解決するための手段】
【0006】
予め定められた移動経路に沿って移動して物品を搬送する複数の搬送車と、前記物品の搬送元と搬送先とが指定された搬送処理を前記搬送車に行わせる制御システムと、を備えた物品搬送設備であって、
前記移動経路に沿った複数箇所に、前記物品を保持可能であると共に前記搬送車が前記物品を受け渡し可能である物品保持部が配置され、
複数の前記物品保持部のうちの少なくとも1つが、前記移動経路における複数の特定区間のいずれに位置する前記搬送車からも前記物品の受け渡しが可能な特定保持部であり、
前記制御システムは、前記物品を保持していない複数の前記搬送車の中から前記搬送処理を行わせる前記搬送車である対象搬送車を選択する場合に、前記搬送車の移動時間に影響を及ぼす要因についての値であって前記移動時間が長くなるに従って大きくなるコストを用いて、それぞれの前記搬送車の評価コストを算出し、前記評価コストが最も小さい前記搬送車を、前記対象搬送車として選択する選択処理を実行するように構成され、
前記特定保持部が前記搬送元とされる場合の前記選択処理では、前記評価コストは、前記搬送車の現在位置から前記搬送元までの移動時間に対応する前記コストである受取コストと、前記搬送車の前記搬送元から前記搬送先までの移動時間に対応する前記コストである引渡コストと、の双方に基づいて算出される。
【0007】
本構成によれば、特定保持部が搬送車の搬送元とされる場合に、搬送車の現在位置から搬送元までの移動時間に対応するコストと、搬送車の搬送元から搬送先までの移動時間に対応するコストと、の双方に基づいて、搬送処理を行わせる対象搬送車を選択することができる。すなわち、搬送車が搬送元で物品を受け取った後の状況も、対象搬送車を選択するための基準とすることができる。従って、本構成によれば、合理性の高い物品の搬送を実現可能となる。
【0008】
本開示に係る技術のさらなる特徴と利点は、図面を参照して記述する以下の例示的かつ非限定的な実施形態の説明によってより明確になるであろう。
【図面の簡単な説明】
【0009】
物品搬送設備の平面図
物品保持部を示す正面図
特定保持部を示す正面図
受取コスト及び引渡コストを概念的に示す説明図
各搬送車について算出された評価コストを示す説明図
搬送車Aと搬送車Bとの評価コストの比較例を示す図
特定区間の他の例を示す図
【発明を実施するための形態】
【0010】
以下、物品搬送設備の実施形態について図面を参照して説明する。
(【0011】以降は省略されています)
この特許をJ-PlatPat(特許庁公式サイト)で参照する
関連特許
株式会社ダイフク
倉庫
1か月前
株式会社ダイフク
搬送車
2日前
株式会社ダイフク
作業設備
2日前
株式会社ダイフク
作業設備
2日前
株式会社ダイフク
作業設備
2日前
株式会社ダイフク
作業設備
2日前
株式会社ダイフク
作業設備
2日前
株式会社ダイフク
作業設備
2日前
株式会社ダイフク
搬送設備
1か月前
株式会社ダイフク
搬送設備
1か月前
株式会社ダイフク
洗浄装置
1か月前
株式会社ダイフク
洗浄装置
1か月前
株式会社ダイフク
搬送設備
12日前
株式会社ダイフク
作業設備
26日前
株式会社ダイフク
物品搬送設備
1か月前
株式会社ダイフク
物品搬送設備
22日前
株式会社ダイフク
物品搬送設備
12日前
株式会社ダイフク
物品搬送設備
12日前
株式会社ダイフク
搬送システム
6日前
株式会社ダイフク
自動倉庫システム
2日前
株式会社ダイフク
移動体清掃システム
20日前
株式会社ダイフク
手荷物保管システム
26日前
株式会社ダイフク
治具、および交換補助具
12日前
株式会社ダイフク
開閉機構およびカバー構造
1か月前
株式会社ダイフク
物品処理装置、及び、物品保管設備
1か月前
株式会社ダイフク
洗浄装置および洗浄装置管理システム
1か月前
株式会社ダイフク
搬送車、及び、搬送車を備えた搬送設備
1か月前
台湾大福高科技設備股分有限公司
物体搬送システム
2日前
台湾大福高科技設備股分有限公司
物体搬送システム
6日前
株式会社ダイフク
物品仕分け設備
1日前
個人
裁判のAI化
2か月前
個人
地球保全システム
今日
個人
フラワーコートA
1か月前
個人
情報処理システム
2か月前
個人
工程設計支援装置
1か月前
個人
検査システム
2か月前
続きを見る
他の特許を見る