TOP
|
特許
|
意匠
|
商標
特許ウォッチ
Twitter
他の特許を見る
10個以上の画像は省略されています。
公開番号
2025140168
公報種別
公開特許公報(A)
公開日
2025-09-29
出願番号
2024039368
出願日
2024-03-13
発明の名称
レーザ装置及びレーザ判定方法
出願人
浜松ホトニクス株式会社
代理人
個人
,
個人
,
個人
,
個人
主分類
H01S
5/068 20060101AFI20250919BHJP(基本的電気素子)
要約
【課題】簡易な構成によって戻り光の発生位置を判定することができるレーザ装置及びレーザ判定方法を提供する。
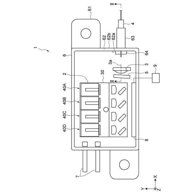
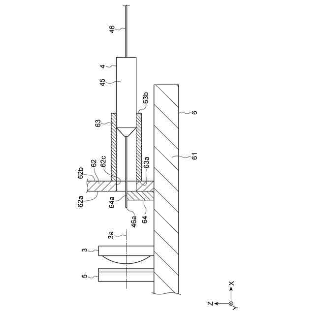
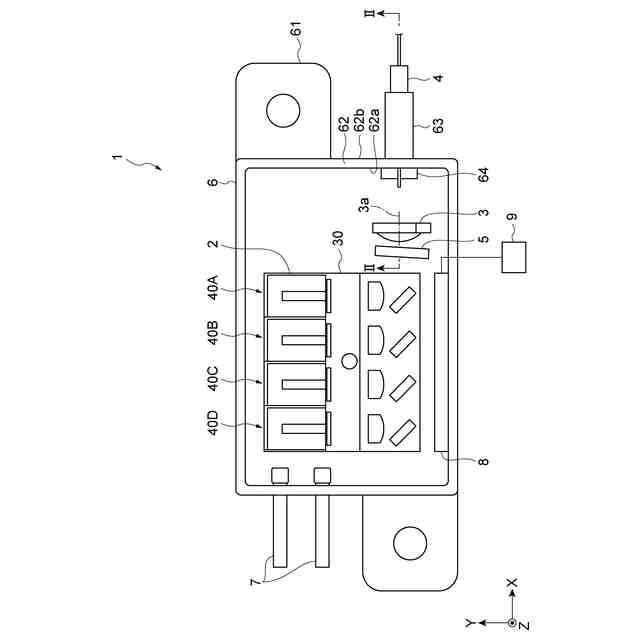
【解決手段】レーザ装置1は、複数のレーザ光を出射するレーザモジュール2と、複数のレーザ光のそれぞれを検出する光検出器8と、を備えている。レーザモジュール2は、レーザ光を出射するレーザユニット40A,40B,40C,40Dを有している。レーザユニット40A,40B,40C,40Dは、レーザ光を出射するレーザ光源と、レーザ光をX軸方向に沿って集光レンズ3側に反射する反射ミラー50A,50B,50C,50Dと、を含んでいる。光検出器8は、反射ミラー50A,50B,50C,50Dを介してレーザ光源に対向するように配置されている。光検出器8は、反射ミラー50A,50B,50C,50Dを透過したレーザ光を検出する。
【選択図】図1
特許請求の範囲
【請求項1】
第1方向に沿って並んだ複数のレーザ光を前記第1方向に交差する第2方向の一方の側に出射するレーザモジュールと、
前記第2方向に平行な光軸を有し、前記複数のレーザ光を集光する集光レンズと、
前記集光レンズの前記光軸に垂直な入射端面を有し、前記集光レンズによって集光された前記複数のレーザ光を伝播させる光ファイバと、
前記複数のレーザ光のそれぞれを検出する光検出器と、
前記レーザモジュール、前記集光レンズ及び前記光検出器を収容する筐体と、を備え、
前記レーザモジュールは、前記複数のレーザ光を出射する複数のレーザユニットと、支持体と、を有し、
前記複数のレーザユニットのそれぞれは、
前記第1方向及び前記第2方向の両方に交差する第3方向の一方の側に前記複数のレーザ光のうちの少なくとも一つのレーザ光を出射するレーザ光源と、
前記レーザ光の光路に配置され、前記レーザ光源から出射された前記レーザ光を前記第1方向に沿ったファスト軸方向においてコリメートするファスト軸コリメートレンズと、
前記ファスト軸コリメートレンズに対して前記光路の下流側に配置され、前記ファスト軸コリメートレンズから出射された前記レーザ光をスロー軸方向においてコリメートするスロー軸コリメートレンズと、
前記スロー軸コリメートレンズに対して前記光路の下流側に配置され、前記スロー軸コリメートレンズから出射された前記レーザ光を前記第2方向に沿って前記集光レンズ側に反射する反射ミラーと、を含み、
前記支持体は、前記第2方向において前記集光レンズから離れるほど前記第1方向における位置が高くなるように階段状に並んだ複数の載置面を含み、
前記複数のレーザユニットのそれぞれの前記レーザ光源は、前記複数の載置面のそれぞれに配置されており、
前記複数のレーザユニットのそれぞれの前記反射ミラーは、前記第1方向から見た場合に前記第2方向に沿って並んでおり、
前記光検出器は、前記第3方向において前記複数のレーザユニットのそれぞれの前記反射ミラーを介して前記複数のレーザユニットのそれぞれの前記レーザ光源に対向するように配置されており、前記複数のレーザユニットのそれぞれの前記反射ミラーを透過した前記複数のレーザ光のそれぞれを検出する、レーザ装置。
続きを表示(約 1,100 文字)
【請求項2】
前記光検出器によって検出された前記複数のレーザ光に対応する複数の検出結果に基づいて、前記レーザモジュールに入射する戻り光の発生位置を判定する信号処理部を更に備える、請求項1に記載のレーザ装置。
【請求項3】
前記信号処理部は、前記複数の検出結果のうちの少なくとも一つの検出結果が実質的に変動する場合には、前記戻り光が発生したと判定する、請求項2に記載のレーザ装置。
【請求項4】
前記信号処理部は、前記複数の検出結果のすべてが実質的に変動し且つ前記集光レンズへの前記複数のレーザ光のそれぞれの入射位置が前記光軸に近いほど前記複数の検出結果のそれぞれの変動幅が大きい傾向にある場合には、前記戻り光が前記光ファイバの入射端面に対して前記集光レンズとは反対側で発生したと判定する、請求項3に記載のレーザ装置。
【請求項5】
前記信号処理部は、前記複数の検出結果が実質的に変動する検出結果及び実質的に変動しない検出結果の両方を含んでいる場合、又は、前記複数の検出結果のすべてが実質的に変動し且つ前記集光レンズへの前記複数のレーザ光のそれぞれの入射位置が前記光軸に近いほど前記複数の検出結果のそれぞれの変動幅が大きい傾向にない場合には、前記戻り光が前記光ファイバの前記入射端面で発生したと判定する、請求項3に記載のレーザ装置。
【請求項6】
前記複数のレーザ光は、三つ以上のレーザ光であり、
前記信号処理部は、前記複数の検出結果に基づいて、前記複数のレーザユニットのそれぞれの前記反射ミラーを透過した前記複数のレーザ光の強度分布を算出する、請求項2に記載のレーザ装置。
【請求項7】
前記光検出器は、前記第2方向に沿って並んだ複数の光検出素子を有し、
前記複数の光検出素子のそれぞれは、前記複数のレーザユニットのそれぞれの前記反射ミラーを介して前記複数のレーザユニットのそれぞれの前記レーザ光源に対向している、請求項1に記載のレーザ装置。
【請求項8】
前記複数のレーザユニットと前記光ファイバとの間に配置され、前記複数のレーザユニットから出射された前記複数のレーザ光を透過させ且つ前記光ファイバから出射された光を反射する波長フィルタを更に備える、請求項1に記載のレーザ装置。
【請求項9】
前記光検出器は、前記第3方向に対して傾斜する光検出面を含んでいる、請求項1に記載のレーザ装置。
【請求項10】
前記光検出器は、前記支持体から離れた状態で前記筐体に取り付けられている、請求項1に記載のレーザ装置。
(【請求項11】以降は省略されています)
発明の詳細な説明
【技術分野】
【0001】
本発明は、レーザ装置及びレーザ判定方法に関する。
続きを表示(約 2,400 文字)
【背景技術】
【0002】
複数のレーザ光を出射するレーザ光源と、光ファイバとを備えるレーザ装置が知られている(例えば、特許文献1を参照)。このようなレーザ装置では、レーザ光源から出射された複数のレーザ光が集光レンズによって集光された後、光ファイバに入射する。
【先行技術文献】
【特許文献】
【0003】
特開2019-114657号公報
【発明の概要】
【発明が解決しようとする課題】
【0004】
上述したようなレーザ装置では、いわゆる戻り光が発生する場合があり、当該戻り光がレーザ光源に入射すると、レーザ光源が劣化してしまうおそれがある。戻り光に起因するレーザ光源の劣化を抑制するためには、戻り光の発生位置の判定が重要である。また、このようなレーザ装置には、構成の簡易化が求められる場合がある。
【0005】
本発明は、簡易な構成によって戻り光の発生位置を判定することができるレーザ装置及びレーザ判定方法を提供することを目的とする。
【課題を解決するための手段】
【0006】
本発明のレーザ装置は、[1]「第1方向に沿って並んだ複数のレーザ光を前記第1方向に交差する第2方向の一方の側に出射するレーザモジュールと、前記第2方向に平行な光軸を有し、前記複数のレーザ光を集光する集光レンズと、前記集光レンズの前記光軸に垂直な入射端面を有し、前記集光レンズによって集光された前記複数のレーザ光を伝播させる光ファイバと、前記複数のレーザ光のそれぞれを検出する光検出器と、前記レーザモジュール、前記集光レンズ及び前記光検出器を収容する筐体と、を備え、前記レーザモジュールは、前記複数のレーザ光を出射する複数のレーザユニットと、支持体と、を有し、前記複数のレーザユニットのそれぞれは、前記第1方向及び前記第2方向の両方に交差する第3方向の一方の側に前記複数のレーザ光のうちの少なくとも一つのレーザ光を出射するレーザ光源と、前記レーザ光の光路に配置され、前記レーザ光源から出射された前記レーザ光を前記第1方向に沿ったファスト軸方向においてコリメートするファスト軸コリメートレンズと、前記ファスト軸コリメートレンズに対して前記光路の下流側に配置され、前記ファスト軸コリメートレンズから出射された前記レーザ光をスロー軸方向においてコリメートするスロー軸コリメートレンズと、前記スロー軸コリメートレンズに対して前記光路の下流側に配置され、前記スロー軸コリメートレンズから出射された前記レーザ光を前記第2方向に沿って前記集光レンズ側に反射する反射ミラーと、を含み、前記支持体は、前記第2方向において前記集光レンズから離れるほど前記第1方向における位置が高くなるように階段状に並んだ複数の載置面を含み、前記複数のレーザユニットのそれぞれの前記レーザ光源は、前記複数の載置面のそれぞれに配置されており、前記複数のレーザユニットのそれぞれの前記反射ミラーは、前記第1方向から見た場合に前記第2方向に沿って並んでおり、前記光検出器は、前記第3方向において前記複数のレーザユニットのそれぞれの前記反射ミラーを介して前記複数のレーザユニットのそれぞれの前記レーザ光源に対向するように配置されており、前記複数のレーザユニットのそれぞれの前記反射ミラーを透過した前記複数のレーザ光のそれぞれを検出する、レーザ装置。」である。
【0007】
上記[1]に記載のレーザ装置は、複数のレーザユニットから出射された複数のレーザ光のそれぞれを検出する光検出器を備えている。これにより、光検出器によって検出された複数のレーザ光に対応する複数の検出結果に基づいて、レーザモジュールに入射する戻り光の発生位置を判定することができる。しかも、光検出器は、レーザ光源から出射されたレーザ光を集光レンズ側に反射する反射ミラーを介してレーザ光源に対向するように配置されており、反射ミラーを透過したレーザ光を検出する。これにより、レーザ光源から出射されたレーザ光を光検出器へ導くための部材等を省略することができる。そのため、構成の簡易化を実現することができる。よって、このレーザ装置によれば、簡易な構成によって戻り光の発生位置を判定することができる。
【0008】
本発明のレーザ装置は、[2]「前記光検出器によって検出された前記複数のレーザ光に対応する複数の検出結果に基づいて、前記レーザモジュールに入射する戻り光の発生位置を判定する信号処理部を更に備える、上記[1]に記載のレーザ装置。」であってもよい。これにより、レーザモジュールに入射する戻り光の発生位置を信号処理部によって判定することができる。
【0009】
本発明のレーザ装置は、[3]「前記信号処理部は、前記複数の検出結果のうちの少なくとも一つの検出結果が実質的に変動する場合には、前記戻り光が発生したと判定する、上記[2]に記載のレーザ装置。」であってもよい。これにより、戻り光の発生を好適に判定することができる。
【0010】
本発明のレーザ装置は、[4]「前記信号処理部は、前記複数の検出結果のすべてが実質的に変動し且つ前記集光レンズへの前記複数のレーザ光のそれぞれの入射位置が前記光軸に近いほど前記複数の検出結果のそれぞれの変動幅が大きい傾向にある場合には、前記戻り光が前記光ファイバの入射端面に対して前記集光レンズとは反対側で発生したと判定する、上記[3]に記載のレーザ装置。」であってもよい。これにより、戻り光の発生位置を具体的に判定することができる。
(【0011】以降は省略されています)
この特許をJ-PlatPat(特許庁公式サイト)で参照する
関連特許
日本発條株式会社
積層体
2日前
個人
防雪防塵カバー
2日前
ローム株式会社
半導体装置
今日
ローム株式会社
半導体装置
今日
ローム株式会社
半導体装置
今日
株式会社ティラド
面接触型熱交換器
13日前
株式会社GSユアサ
蓄電装置
2日前
個人
半導体パッケージ用ガラス基板
1日前
日本特殊陶業株式会社
保持装置
今日
日本特殊陶業株式会社
保持装置
2日前
マクセル株式会社
配列用マスク
13日前
トヨタ自動車株式会社
二次電池
2日前
ローム株式会社
電子装置
2日前
住友電装株式会社
コネクタ
2日前
住友電装株式会社
コネクタ
2日前
TDK株式会社
コイル部品
今日
個人
多層樹脂シート電池の電流制限方法
12日前
矢崎総業株式会社
コネクタ
5日前
ヒロセ電機株式会社
電気コネクタ
2日前
ローム株式会社
半導体装置
2日前
トヨタ自動車株式会社
電池パック
6日前
トヨタ自動車株式会社
電池パック
6日前
住友電装株式会社
コネクタ
2日前
トヨタ自動車株式会社
電池パック
6日前
住友電装株式会社
コネクタ
2日前
株式会社デンソー
電子装置
2日前
株式会社カネカ
正極活物質
2日前
ローム株式会社
半導体装置
2日前
日本航空電子工業株式会社
コネクタ
12日前
トヨタ自動車株式会社
セルスタック
5日前
大阪瓦斯株式会社
燃料電池システム
2日前
ノリタケ株式会社
金ペースト
2日前
株式会社オカムラ
モバイルバッテリ
2日前
株式会社半導体エネルギー研究所
二次電池
12日前
日本航空電子工業株式会社
コネクタ
12日前
日本航空電子工業株式会社
コネクタ
12日前
続きを見る
他の特許を見る