TOP
|
特許
|
意匠
|
商標
特許ウォッチ
Twitter
他の特許を見る
公開番号
2025135400
公報種別
公開特許公報(A)
公開日
2025-09-18
出願番号
2024033231
出願日
2024-03-05
発明の名称
半導体装置
出願人
ローム株式会社
代理人
弁理士法人太陽国際特許事務所
主分類
H10D
1/20 20250101AFI20250910BHJP()
要約
【課題】比較的小さい面積のノイズフィルタによって十分なノイズ抑制を効果得る。
【解決手段】半導体装置は、一端が第1のノードに接続され、他端が第2のノードに接続され、蛇行パターンを有する第1の配線と、一端が第1のノードに接続され、他端が第2のノードに接続され、蛇行パターンを有し、且つ第1の配線に隣接して設けられた第2の配線と、を有する。
【選択図】図2
特許請求の範囲
【請求項1】
一端が第1のノードに接続され、他端が第2のノードに接続され、蛇行パターンを有する第1の配線と、
一端が前記第1のノードに接続され、他端が前記第2のノードに接続され、蛇行パターンを有し、且つ前記第1の配線に隣接して設けられた第2の配線と、
を有する半導体装置。
続きを表示(約 340 文字)
【請求項2】
前記第1の配線及び前記第2の配線は、周期及び位相が互いに同じである蛇行パターンを有する
請求項1に記載の半導体装置。
【請求項3】
前記第1の配線及び前記第2の配線は、周期が互いに同じであり、位相が互いに逆である蛇行パターンを有する
請求項1に記載の半導体装置。
【請求項4】
前記第1のノードには電源電圧が供給され、前記第2のノードには、前記電源電圧の供給を受けて動作する回路に接続されている
請求項1に記載の半導体装置。
【請求項5】
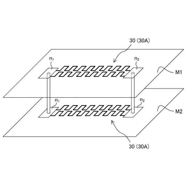
前記第1の配線及び前記第2の配線を含んで構成されるノイズフィルタが、複数の配線層の各々に設けられている
請求項1に記載の半導体装置。
発明の詳細な説明
【技術分野】
【0001】
開示の技術は、半導体装置に関する。
続きを表示(約 1,400 文字)
【背景技術】
【0002】
ミアンダ配線等の蛇行パターンを有する配線を備えた装置に関する技術として、以下の技術が知られている。例えば、特許文献1には、相互に隣接した少なくとも2本の配線(L1・L2)を有し、該配線(L1・L2)のそれぞれの末端にパッド(P1・P2)が設けられてなるテスト配線パターンが複数個設けられてなり、配線(L1・L2)が相互に隣接する距離は複数種類から選択されてなることを特徴とする半導体装置が記載されている。
【0003】
特許文献2には、二本の配線からなる差動配線をミアンダ配線とした構成が記載されている。
【0004】
特許文献3には、互いに積層された複数の絶縁層、および該複数の絶縁層同士の間の複数の層間を有する絶縁基板と、異なる層間にそれぞれ配置された複数のミアンダ状導体とを備え、該複数のミアンダ状導体は、平面透視において、積層方向に隣り合うもの同士が互いに直交し合うように配置されていることを特徴とする配線基板が記載されている。
【先行技術文献】
【特許文献】
【0005】
特開平5-144917号公報
特開2019-4130号公報
特開2015-206722号公報
【発明の概要】
【発明が解決しようとする課題】
【0006】
集積回路を搭載した半導体装置においては、EMS(Electromagnetic Susceptibility)が問題となる。EMSは、外部からの電磁波による妨害、干渉を受けても障害を起こさない能力又は耐性である。半導体装置における主なEMS対策は、グラウンディング、シールディング及びフィルタリングである。これらを実現する構造又は回路要素には、様々な形状及び構成が存在し、効果が背反しない限り併用も可能である。
【0007】
フィルタリングは、例えば、電源ライン等にノイズフィルタを挿入することにより実現される。ノイズフィルタは、電源ライン等に混入するノイズを遮断又は抑制する。ノイズフィルタとして、例えば、RCフィルタ又はミアンダインダクタが用いられる。しかしながら、RCフィルタを電源ラインに挿入すると、RCフィルタを構成する抵抗素子によって損失が発生し、電源の電流供給能力が低下するという問題がある。一方、ミアンダインダクタにおいて、十分なノイズ抑制効果を得るためには大面積を必要とする。
【0008】
開示の技術は上記の点に鑑みてなされたものであり、比較的小さい面積のノイズフィルタによって十分なノイズ抑制効果を得ることを目的とする。
【課題を解決するための手段】
【0009】
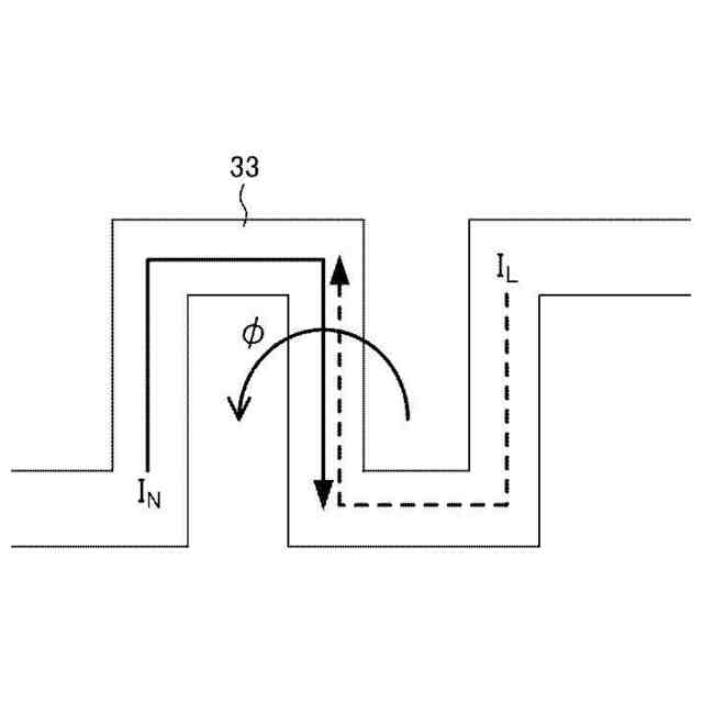
開示の技術に係る半導体装置は、一端が第1のノードに接続され、他端が第2のノードに接続され、蛇行パターンを有する第1の配線と、一端が前記第1のノードに接続され、他端が前記第2のノードに接続され、蛇行パターンを有し、且つ前記第1の配線に隣接して設けられた第2の配線と、を有する。
【発明の効果】
【0010】
本発明によれば、比較的小さい面積のノイズフィルタによって十分なノイズ抑制効果を得ることが可能となる。
【図面の簡単な説明】
(【0011】以降は省略されています)
この特許をJ-PlatPat(特許庁公式サイト)で参照する
関連特許
ローム株式会社
タイマ
6日前
ローム株式会社
電子装置
2日前
ローム株式会社
監視回路
2日前
ローム株式会社
発振回路
2日前
ローム株式会社
入出力回路
23日前
ローム株式会社
半導体装置
21日前
ローム株式会社
半導体装置
21日前
ローム株式会社
半導体装置
6日前
ローム株式会社
半導体装置
今日
ローム株式会社
半導体装置
2日前
ローム株式会社
半導体装置
2日前
ローム株式会社
半導体装置
21日前
ローム株式会社
半導体装置
12日前
ローム株式会社
メモリ装置
2日前
ローム株式会社
半導体装置
今日
ローム株式会社
半導体装置
13日前
ローム株式会社
半導体装置
22日前
ローム株式会社
基準電圧源
23日前
ローム株式会社
半導体装置
今日
ローム株式会社
半導体装置
今日
ローム株式会社
信号出力回路
12日前
ローム株式会社
信号出力回路
12日前
ローム株式会社
半導体記憶装置
5日前
ローム株式会社
電圧制御発振器
22日前
ローム株式会社
MEMSセンサ
22日前
ローム株式会社
定電圧生成回路
12日前
ローム株式会社
半導体集積回路
13日前
ローム株式会社
縦型ホール素子
2日前
ローム株式会社
半導体記憶装置
5日前
ローム株式会社
TVSダイオード
今日
ローム株式会社
窒化物半導体装置
20日前
ローム株式会社
TVSダイオード
今日
ローム株式会社
半導体モジュール
2日前
ローム株式会社
差動回路及び発振器
14日前
ローム株式会社
半導体集積回路装置
20日前
ローム株式会社
電界効果トランジスタ
2日前
続きを見る
他の特許を見る