TOP
|
特許
|
意匠
|
商標
特許ウォッチ
Twitter
他の特許を見る
10個以上の画像は省略されています。
公開番号
2025140980
公報種別
公開特許公報(A)
公開日
2025-09-29
出願番号
2024040657
出願日
2024-03-15
発明の名称
車両保険料の算出装置
出願人
トヨタ自動車株式会社
代理人
弁理士法人YKI国際特許事務所
主分類
G06Q
40/08 20120101AFI20250919BHJP(計算;計数)
要約
【課題】雹害時に保険会社による修理費用の負担軽減を図ることの可能な、車両保険料の算出装置が開示される。
【解決手段】算出装置10のプロセッサ11は、判定処理及び算出処理を実行する。判定処理では、車両20の上面に配置されたパネル材を覆う保護部品の有無を、プロセッサ11が判定する。算出処理では、パネル材が保護部品に覆われている場合に、パネル材が保護部品に覆われていない場合と比較して低額の保険料を、プロセッサ11が算出する。
【選択図】図7
特許請求の範囲
【請求項1】
プロセッサを備えた、車両保険料の算出装置であって、
前記プロセッサは、
車両の上面に配置されたパネル材を覆う保護部品の有無を判定する判定処理と、
前記パネル材が前記保護部品に覆われている場合に、前記パネル材が前記保護部品に覆われていない場合と比較して低額の保険料を算出する算出処理と、
を実行する、車両保険料の算出装置。
続きを表示(約 660 文字)
【請求項2】
請求項1に記載の、車両保険料の算出装置であって、
前記判定処理において、前記プロセッサは、前記保護部品に覆われる前記パネル材が、車両の骨格部品に溶接された前記パネル材からなるパネルグループに含まれるか否かを判定し、
前記パネルグループに含まれる前記パネル材が前記保護部品に覆われる場合に、前記算出処理において、前記プロセッサは、第一の保険料を算出し、
前記パネルグループには含まれない前記パネル材のみが前記保護部品に覆われる場合に、前記算出処理において、前記プロセッサは、第二の保険料を算出し、
前記第一の保険料は、前記第二の保険料よりも低額である、
車両保険料の算出装置。
【請求項3】
請求項2に記載の、車両保険料の算出装置であって、
前記算出処理において、前記プロセッサは、前記パネルグループに含まれるそれぞれの前記パネル材の、平面視面積の総和に対する、前記保護部品の平面視面積の割合を示すカバー率に基づいて、前記第一の保険料に対する割引率を算出する、
車両保険料の算出装置。
【請求項4】
請求項2に記載の、車両保険料の算出装置であって、
前記保護部品として、プロテクションフィルムが前記パネル材に貼り付けられ、
前記算出処理において、前記プロセッサは、前記プロテクションフィルムの積層枚数に基づいて、前記第一の保険料に対する割引率を算出する、
車両保険料の算出装置。
発明の詳細な説明
【技術分野】
【0001】
本明細書では、車両保険料の算出装置が開示される。
続きを表示(約 1,200 文字)
【0002】
特許文献1-3には、車両を覆う保護カバーが開示される。車両をカバーで覆うことで、降雹時における、車両上面の損傷が抑制できる。
【先行技術文献】
【特許文献】
【0003】
特開2019-529241号公報
特開2023-518289号公報
実用新案登録第3111152号公報
【発明の概要】
【発明が解決しようとする課題】
【0004】
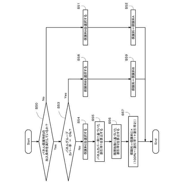
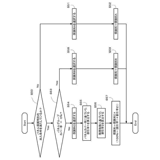
ところで、車両保険の対象となっている車両が、雹害等の自然災害により損傷した場合、保険会社が修理費用を負担する場合がある。そこで本明細書では、雹害時に保険会社による修理費用の負担軽減を図ることの可能な、車両保険料の算出装置が開示される。
【課題を解決するための手段】
【0005】
本明細書では、車両保険料の算出装置が開示される。この装置は、プロセッサを備える。プロセッサは、判定処理及び算出処理を実行する。判定処理では、車両の上面に配置されたパネル材を覆う保護部品の有無を、プロセッサが判定する。算出処理では、パネル材が保護部品に覆われている場合に、パネル材が保護部品に覆われていない場合と比較して低額の保険料を、プロセッサが算出する。
【0006】
上記構成によれば、保険料の値引きサービスを提供することで、車両の上面に配置されたパネル材を、保護部品で被覆する動機が得られる。
【0007】
また上記の判定処理において、プロセッサは、保護部品に覆われるパネル材が、パネルグループに含まれるか否かを判定してもよい。パネルグループは、車両の骨格部品に溶接されたパネル材から構成される。パネルグループに含まれるパネル材が保護部品に覆われる場合に、算出処理において、プロセッサは、第一の保険料を算出する。また、パネルグループには含まれないパネル材のみが保護部品に覆われる場合に、算出処理において、プロセッサは、第二の保険料を算出する。ここで、第一の保険料は、第二の保険料よりも低額である。
【0008】
パネルグループに含まれるパネル材を交換することで、車両にはいわゆる修復歴が付与される場合がある。修復歴が付与された車両は、市場価値が低下する。上記構成のような料金体系とすることで、車両の市場価値の低下が抑制できる。
【0009】
また上記の算出処理において、プロセッサは、カバー率に基づいて、第一の保険料に対する割引率を算出してもよい。カバー率は、パネルグループに含まれるそれぞれのパネル材の、平面視面積の総和に対する、保護部品の平面視面積の割合を示す。
【0010】
上記構成によれば、パネルグループに含まれるパネル材の保護面積を拡げるインセンティブが得られる。
(【0011】以降は省略されています)
この特許をJ-PlatPat(特許庁公式サイト)で参照する
関連特許
トヨタ自動車株式会社
車両
1日前
トヨタ自動車株式会社
車両
5日前
トヨタ自動車株式会社
車両
1日前
トヨタ自動車株式会社
電動車
3日前
トヨタ自動車株式会社
電動車
1日前
トヨタ自動車株式会社
電動車
1日前
トヨタ自動車株式会社
電動車
1日前
トヨタ自動車株式会社
ロータ
3日前
トヨタ自動車株式会社
回転子
1日前
トヨタ自動車株式会社
電解液
1日前
トヨタ自動車株式会社
蓄電装置
2日前
トヨタ自動車株式会社
蓄電装置
2日前
トヨタ自動車株式会社
電源装置
1日前
トヨタ自動車株式会社
制御装置
5日前
トヨタ自動車株式会社
塗布装置
3日前
トヨタ自動車株式会社
電動車両
1日前
トヨタ自動車株式会社
制御装置
1日前
トヨタ自動車株式会社
蓄電装置
3日前
トヨタ自動車株式会社
蓄電セル
3日前
トヨタ自動車株式会社
蓄電セル
3日前
トヨタ自動車株式会社
駆動装置
1日前
トヨタ自動車株式会社
切断装置
1日前
トヨタ自動車株式会社
育苗装置
2日前
トヨタ自動車株式会社
蓄電装置
1日前
トヨタ自動車株式会社
検査装置
5日前
トヨタ自動車株式会社
蓄電セル
1日前
トヨタ自動車株式会社
蓄電装置
5日前
トヨタ自動車株式会社
制御装置
5日前
トヨタ自動車株式会社
蓄電装置
5日前
トヨタ自動車株式会社
電極積層体
2日前
トヨタ自動車株式会社
電気自動車
1日前
トヨタ自動車株式会社
シフト機構
1日前
トヨタ自動車株式会社
電池パック
5日前
トヨタ自動車株式会社
電気自動車
5日前
トヨタ自動車株式会社
積層構造体
1日前
トヨタ自動車株式会社
高圧タンク
5日前
続きを見る
他の特許を見る