TOP
|
特許
|
意匠
|
商標
特許ウォッチ
Twitter
他の特許を見る
公開番号
2025141155
公報種別
公開特許公報(A)
公開日
2025-09-29
出願番号
2024040951
出願日
2024-03-15
発明の名称
水中モニタリングシステム、サーバー装置、画像処理方法、プログラム
出願人
株式会社リコー
,
神奈川県
代理人
個人
,
個人
主分類
H04N
7/18 20060101AFI20250919BHJP(電気通信技術)
要約
【課題】水棲生物の群レベルを取得できる技術を提供すること。
【解決手段】本発明は、上記課題に鑑み、水中を撮影する水中撮影システム15と、前記水中撮影システムと通信できるサーバー装置40と、を有する水中モニタリングシステム1であって、前記水中撮影システムは、水中が撮影された画像データを前記サーバー装置に送信し、前記サーバー装置は、前記水中撮影システムから前記画像データを受信する通信部と、前記水中撮影システムから受信した前記画像データに写っている水棲生物の種類と群レベルを判別する画像判別手段を有することを特徴とする。
【選択図】図2
特許請求の範囲
【請求項1】
水中を撮影する水中撮影システムと、前記水中撮影システムと通信できるサーバー装置と、を有する水中モニタリングシステムであって、
前記水中撮影システムは、
水中が撮影された画像データを前記サーバー装置に送信し、
前記サーバー装置は、
前記水中撮影システムから前記画像データを受信する通信部と、
前記水中撮影システムから受信した前記画像データに写っている水棲生物の種類と群レベルを判別する画像判別手段と、
を有することを特徴とする水中モニタリングシステム。
続きを表示(約 1,300 文字)
【請求項2】
前記画像判別手段は、画像データと、画像データに写っている水棲生物の種類との対応を学習した水棲生物の種類の判別モデルに基づいて、
前記水中撮影システムから受信した前記画像データに写っている水棲生物の種類を判別することを特徴とする請求項1に記載の水中モニタリングシステム。
【請求項3】
前記水棲生物の種類を判別した後に、
前記画像判別手段は、
画像データと、画像データに写っている水棲生物の数クラスとの対応を学習した数クラスの判別モデルに基づいて、前記水中撮影システムから受信した前記画像データに写っている数クラスを判別し、
前記水棲生物の種類と前記数クラスに前記群レベルが対応付けられた群レベル判別テーブルに基づいて、前記水中撮影システムから受信した前記画像データに写っている水棲生物の前記群レベルを判別することを特徴とする請求項2に記載の水中モニタリングシステム。
【請求項4】
前記水棲生物の種類を判別した後に、
前記画像判別手段は、画像データと、画像データに写っている水棲生物の群レベルとの対応を、前記水棲生物の種類ごとに学習した群レベルの判別モデルに基づいて、
前記水中撮影システムから受信した前記画像データに写っている前記群レベルを判別することを特徴とする請求項2に記載の水中モニタリングシステム。
【請求項5】
前記水中撮影システムは、全天球カメラを有することを特徴とする請求項1~4のいずれか1項に記載の水中モニタリングシステム。
【請求項6】
前記水中撮影システムは、蓄電装置と通信装置が搭載されたブイを更に有することを特徴とする請求項1に記載の水中モニタリングシステム。
【請求項7】
前記水棲生物の数クラスの判別モデルは、水棲生物の種類に関わらず異なる数クラスに分類された画像データを用いて学習されていることを特徴とする請求項3に記載の水中モニタリングシステム。
【請求項8】
前記水棲生物の群レベルの判別モデルは、水棲生物の種類ごとに群レベルが分類された画像データを用いて学習されていることを特徴とする請求項4に記載の水中モニタリングシステム。
【請求項9】
前記サーバー装置は、
予め設定された時間間隔ごとに前記水中撮影システムに対し水中の撮影を要求し、
前記水中撮影システムは、前記サーバー装置からの要求に応じて水中を撮影し、撮影した前記画像データを前記サーバー装置に送信することを特徴とする請求項1に記載の水中モニタリングシステム。
【請求項10】
前記サーバー装置とネットワークを介して通信できるユーザー端末装置を有し、
前記サーバー装置は、
前記ユーザー端末装置からの要求を処理するユーザー要求処理手段を有し、
前記ユーザー要求処理手段は、前記ユーザー端末装置からの前記要求を受けて、前記水棲生物の種類又は前記群レベルの判別結果の少なくとも一方を前記ユーザー端末装置に送信することを特徴とする請求項1に記載の水中モニタリングシステム。
(【請求項11】以降は省略されています)
発明の詳細な説明
【技術分野】
【0001】
本発明は、水中モニタリングシステム、サーバー装置、画像処理方法、及び、プログラムに関する。
続きを表示(約 2,200 文字)
【背景技術】
【0002】
水中に存在する水棲生物の種類や数などの情報を把握したい場合がある。例えば定置網や養殖生簀などで飼育されている魚の種類や数などの情報を得るための水中モニタリングシステムが知られている。また、天然資源としての水棲生物の個体数を把握したい場合もある。
【0003】
特許文献1には、海底よりも上の領域をスキャンし、魚の分布状態に関するデータを収集するためのソナーと、ソナーを所定の周期で作動させる制御部と、ソナーより得られるスキャンデータを記録する記録手段と、魚種に関するデータを収集するための撮影手段とを備える構成が開示されている。
【発明の概要】
【発明が解決しようとする課題】
【0004】
しかしながら、従来の技術では、水棲生物の群レベルを適切に判別していない。例えば、魚体の小さなイワシの群れと魚体の大きなマグロの群れでは群れの大きさが異なる。すなわち、魚の群れの数が同じでも、イワシとしては小さい群れだが、マグロとしては大きい群れと判別したい。このため、魚種ごとに魚群レベル(群れの大きさ)を定義することが考えられるが、特許文献2に開示の技術では、魚種と分布状態に関するデータが別の手段で収集されるので、データ分析が複雑な処理になる。また、特許文献2に開示の技術では、カメラとソナー(魚群探知機)という、異なる手段を用いてデータ収集が行われるので、システム構成が複雑になりやすい。
【0005】
本発明は、水棲生物の群レベルを取得できる技術を提供することを目的とする。
【課題を解決するための手段】
【0006】
本発明は、上記課題に鑑み、水中を撮影する水中撮影システムと、前記水中撮影システムと通信できるサーバー装置と、を有する水中モニタリングシステムであって、
前記水中撮影システムは、水中が撮影された画像データを前記サーバー装置に送信し、
前記サーバー装置は、前記水中撮影システムから前記画像データを受信する通信部と、
前記水中撮影システムから受信した前記画像データに写っている水棲生物の種類と群レベルを判別する画像判別手段と、を有することを特徴とする。
【発明の効果】
【0007】
本発明は、水棲生物の群レベルを取得できる技術を提供できる。
【図面の簡単な説明】
【0008】
魚種に応じて定義される魚群レベルの一例を示す図である。
水中モニタリングシステムの全体構成を模式的に示す図である。
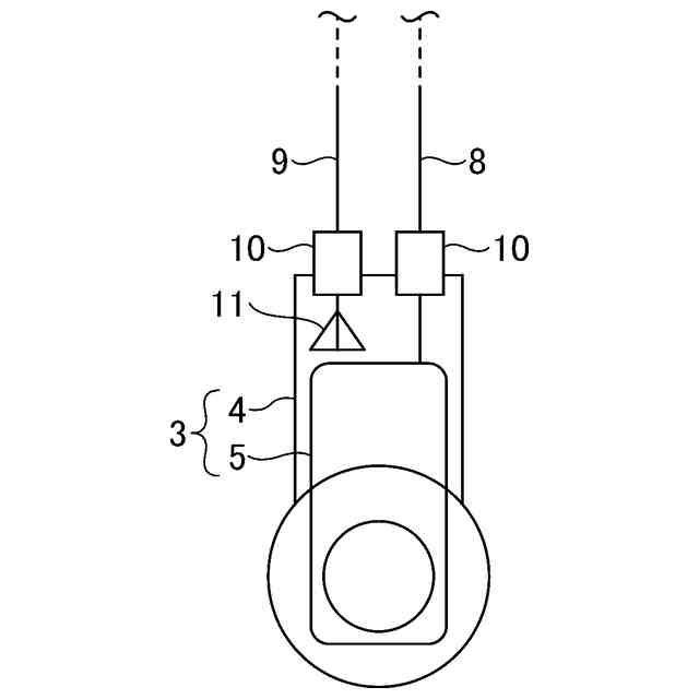
水中撮影システムのうち防水ブイの構成例を示す模式図である。
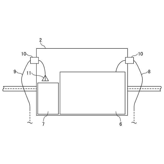
撮影装置の構成例を示す模式図である。
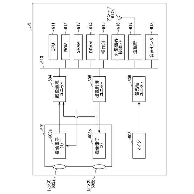
サーバー装置及びユーザー端末装置の一例のハードウェア構成を示す図である。
周囲360°の画像データを撮影可能なカメラのハードウェア構成図の一例である。
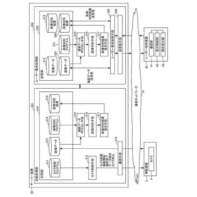
サーバー装置及びユーザー端末装置の機能ブロック図の一例である。
魚種判別の学習用画像の一例を示す図である。
魚数クラス判別の学習用画像の一例を示す図である。
CNNを用いた魚種の判別モデルの構成例を示す図である。
CNNを用いた魚数クラスの判別モデルの構成例を示す図である。
CNNを用いた魚群レベルの判別モデルの構成例を示す図である。
学習部の機能ブロック図の一例である。
魚群レベル判別テーブルの一例を示す図である。
水中モニタリングシステムが画像判別結果をユーザー端末装置に配信する処理を説明するシーケンス図の一例である。
ユーザーからの要求により、水中モニタリングシステムが画像判別結果をユーザー端末装置に配信する処理を説明するシーケンス図の一例である。
画像判別プログラムによる魚種の判別処理を説明するフローチャート図の一例である。
画像判別プログラムによる魚群レベルの判別処理を説明するフローチャート図の一例である。
ユーザー端末装置が表示する画像判別結果表示画面の一例を示す図である。
全天球カメラであるカメラによる魚群の観測を模式的に示す図である。
【発明を実施するための形態】
【0009】
以下、本発明を実施するための形態の一例として水中モニタリングシステムと、水中モニタリングシステムが行う画像処理方法について図面を参照しながら説明する。
【0010】
<本実施形態の水中モニタリングシステムの概略>
魚群密度の大きさやサイズ等のレベル(以下、魚群レベルという)は、魚の種類によって定義が変わってくる。例えば、大きな群れで行動するイワシと、小さな群れで行動するマグロとでは、魚群レベルに対する見解が変わってくる。つまり、魚種ごとに魚群レベルを定義するのが望ましいが、従来は、魚種と分布状態に関するデータが別の手段(カメラとソナー等)で収集されているので、データ分析が複雑な処理になるという不都合があった。つまり、魚群が検知された場合、魚群を構成する魚種を判別し、魚種に応じた魚群レベルを判断する必要があるが、魚群を検知するタイミングと魚種が分かるタイミングは同じではないので、人間が、どの魚群がどの魚種のものであるかを後から対応付ける作業が必要である。
(【0011】以降は省略されています)
この特許をJ-PlatPat(特許庁公式サイト)で参照する
関連特許
個人
店内配信予約システム
2か月前
WHISMR合同会社
収音装置
21日前
サクサ株式会社
中継装置
2か月前
キヤノン株式会社
撮像装置
3か月前
キヤノン株式会社
電子機器
2か月前
キヤノン株式会社
撮像装置
1か月前
アイホン株式会社
電気機器
15日前
株式会社リコー
画像形成装置
1か月前
キヤノン電子株式会社
画像読取装置
22日前
株式会社リコー
画像形成装置
1か月前
個人
ワイヤレスイヤホン対応耳掛け
13日前
株式会社リコー
画像形成装置
1か月前
電気興業株式会社
無線中継器
3か月前
キヤノン電子株式会社
モバイル装置
2か月前
ヤマハ株式会社
信号処理装置
3か月前
日本精機株式会社
画像投映システム
2か月前
ブラザー工業株式会社
読取装置
1か月前
株式会社ニコン
撮像装置
2か月前
キヤノン株式会社
通信システム
3か月前
キヤノン株式会社
撮像システム
15日前
パテントフレア株式会社
水中電波通信法
1か月前
株式会社松平商会
携帯機器カバー
24日前
大日本印刷株式会社
写真撮影装置
14日前
株式会社小糸製作所
画像照射装置
1か月前
DXO株式会社
情報処理システム
2か月前
キヤノン電子株式会社
シート材搬送装置
1か月前
沖電気工業株式会社
画像形成装置
3日前
パテントフレア株式会社
超高速電波通信
29日前
国立大学法人電気通信大学
小型光学装置
1か月前
株式会社オーディオテクニカ
受光器
2か月前
個人
外部ヘッダ変換通信装置および通信網
3か月前
テックス通信株式会社
電話システム
2か月前
日本無線株式会社
無線通信システム
1か月前
日本無線株式会社
無線通信システム
1か月前
株式会社大林組
監視システム
1か月前
株式会社JVCケンウッド
スピーカ
22日前
続きを見る
他の特許を見る