TOP
|
特許
|
意匠
|
商標
特許ウォッチ
Twitter
他の特許を見る
公開番号
2025145898
公報種別
公開特許公報(A)
公開日
2025-10-03
出願番号
2024046391
出願日
2024-03-22
発明の名称
半導体集積回路装置、モータ駆動装置、及びモータシステム
出願人
ローム株式会社
代理人
弁理士法人 佐野特許事務所
主分類
H02M
7/48 20070101AFI20250926BHJP(電力の発電,変換,配電)
要約
【課題】半導体集積回路装置の端子数を削減する。
【解決手段】半導体集積回路装置(1B)は、三相モータ(5)を駆動するインバータ(INV1)を制御する。前記半導体集積回路装置は、前記インバータのU,V,W相下側スイッチング素子(2L、3L、4L)を駆動するためのU,V,W相下側ゲート信号を出力するU,V,W相下側ゲートドライバ(15、17、19)と、前記三相モータのU,V,W相電流に応じた電圧を検出するU,V,W相検出回路(OP1~OP3、R4~R11)と、前記U相下側ゲートドライバの負側電源端子及び前記U相検出回路の入力端に接続される第1端子(URNF)と、前記V相下側ゲートドライバの負側電源端子及び前記V相検出回路の入力端に接続される第2端子(VRNF)と、前記W相下側ゲートドライバの負側電源端子及び前記W相検出回路の入力端に接続される第3端子(WRNF)と、を備える。
【選択図】図3
特許請求の範囲
【請求項1】
三相モータを駆動するように構成されたインバータを制御するように構成された半導体集積回路装置であって、
前記インバータのU相下側スイッチング素子を駆動するためのU相下側ゲート信号を出力するように構成されたU相下側ゲートドライバと、
前記三相モータのU相電流に応じた電圧を検出するように構成されたU相検出回路と、
前記U相下側ゲートドライバの負側電源端子及び前記U相検出回路の入力端に接続される第1端子と、
前記インバータのV相下側スイッチング素子を駆動するためのV相下側ゲート信号を出力するように構成されたV相下側ゲートドライバと、
前記三相モータのV相電流に応じた電圧を検出するように構成されたV相検出回路と、
前記V相下側ゲートドライバの負側電源端子及び前記V相検出回路の入力端に接続される第2端子と、
前記インバータのW相下側スイッチング素子を駆動するためのW相下側ゲート信号を出力するように構成されたW相下側ゲートドライバと、
前記三相モータのW相電流に応じた電圧を検出するように構成されたW相検出回路と、
前記W相下側ゲートドライバの負側電源端子及び前記W相検出回路の入力端に接続される第3端子と、
を備える、半導体集積回路装置。
続きを表示(約 980 文字)
【請求項2】
前記U相下側ゲートドライバの負側電源端子に接続される第1パッドと、
前記U相検出回路の入力端に接続される第2パッドと、
前記第1端子と前記第1パッドとを繋ぐ第1ワイヤと、
前記第1端子と前記第2パッドとを繋ぐ第2ワイヤと、
前記V相下側ゲートドライバの負側電源端子に接続される第3パッドと、
前記V相検出回路の入力端に接続される第4パッドと、
前記第2端子と前記第3パッドとを繋ぐ第3ワイヤと、
前記第2端子と前記第4パッドとを繋ぐ第4ワイヤと、
前記W相下側ゲートドライバの負側電源端子に接続される第5パッドと、
前記W相検出回路の入力端に接続される第6パッドと、
前記第3端子と前記第5パッドとを繋ぐ第5ワイヤと、
前記第3端子と前記第6パッドとを繋ぐ第6ワイヤと、
を備える、請求項1に記載の半導体集積回路装置。
【請求項3】
前記U相検出回路の出力端に接続される第4端子と、
前記V相検出回路の出力端に接続される第5端子と、
前記W相検出回路の出力端に接続される第6端子と、
を備える、請求項1に記載の半導体集積回路装置。
【請求項4】
第1抵抗と、
第2抵抗と、
第3抵抗と、
を備え、
前記第4端子は、前記第1抵抗を介して前記U相検出回路の出力端に接続され、
前記第5端子は、前記第2抵抗を介して前記V相検出回路の出力端に接続され、
前記第6端子は、前記第3抵抗を介して前記V相検出回路の出力端に接続される、請求項3に記載の半導体集積回路装置。
【請求項5】
前記第1抵抗に並列接続される第1スイッチと、
前記第2抵抗に並列接続される第2スイッチと、
前記第3抵抗に並列接続される第3スイッチと、
を備える、請求項4に記載の半導体集積回路装置。
【請求項6】
請求項1~5のいずれか一項に記載の半導体集積回路装置と、前記インバータと、を備える、モータ駆動装置。
【請求項7】
請求項6に記載のモータ駆動装置と、前記モータと、を備える、モータシステム。
発明の詳細な説明
【技術分野】
【0001】
本開示は、半導体集積回路装置、モータ駆動装置、及びモータシステムに関する。
続きを表示(約 1,600 文字)
【背景技術】
【0002】
従来、3シャント方式と呼ばれる電流検出方式が知られている(例えば特許文献1参照)。3シャント方式によると、U相、V相、W相の各電流を検出することができる。
【0003】
U相の電流が流れる第1シャント抵抗の両端電位差を検出するU相検出回路、V相の電流が流れる第2シャント抵抗の両端電位差を検出するV相検出回路、及びW相の電流が流れる第3シャント抵抗の両端電位差を検出するW相検出回路は、三相インバータを制御する半導体集積回路装置の内部又は外部に設けられる。
【先行技術文献】
【特許文献】
【0004】
特開2022-134631号公報
【0005】
[概要]
U相検出回路、V相検出回路、及びW相検出回路が半導体集積回路装置の内部に設けられる場合、U相検出回路の入力端に接続される端子、V相検出回路の入力端に接続される端子、及びW相検出回路の入力端に接続される端子を半導体集積回路装置に設ける必要がある。
【0006】
本開示に係る半導体集積回路装置は、三相モータを駆動するように構成されたインバータを制御するように構成された半導体集積回路装置である。前記半導体集積回路装置は、前記インバータのU相下側スイッチング素子を駆動するためのU相下側ゲート信号を出力するように構成されたU相下側ゲートドライバと、前記三相モータのU相電流に応じた電圧を検出するように構成されたU相検出回路と、前記U相下側ゲートドライバの負側電源端子及び前記U相検出回路の入力端に接続される第1端子と、を備える。前記半導体集積回路装置は、前記インバータのV相下側スイッチング素子を駆動するためのV相下側ゲート信号を出力するように構成されたV相下側ゲートドライバと、前記三相モータのV相電流に応じた電圧を検出するように構成されたV相検出回路と、前記V相下側ゲートドライバの負側電源端子及び前記V相検出回路の入力端に接続される第2端子と、を備える。前記半導体集積回路装置は、前記インバータのW相下側スイッチング素子を駆動するためのW相下側ゲート信号を出力するように構成されたW相下側ゲートドライバと、前記三相モータのW相電流に応じた電圧を検出するように構成されたW相検出回路と、前記W相下側ゲートドライバの負側電源端子及び前記W相検出回路の入力端に接続される第3端子と、を備える。
【0007】
本開示に係るモータ駆動装置は、上記構成の半導体集積回路装置と、前記インバータと、を備える。
【0008】
本開示に係るモータシステムは、上記構成のモータ駆動装置と、前記モータと、を備える。
【図面の簡単な説明】
【0009】
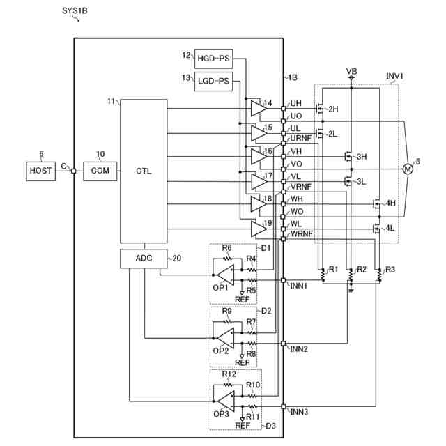
図1は、モータシステムの比較例を示す図である。
図2は、半導体集積回路装置の外観斜視図である。
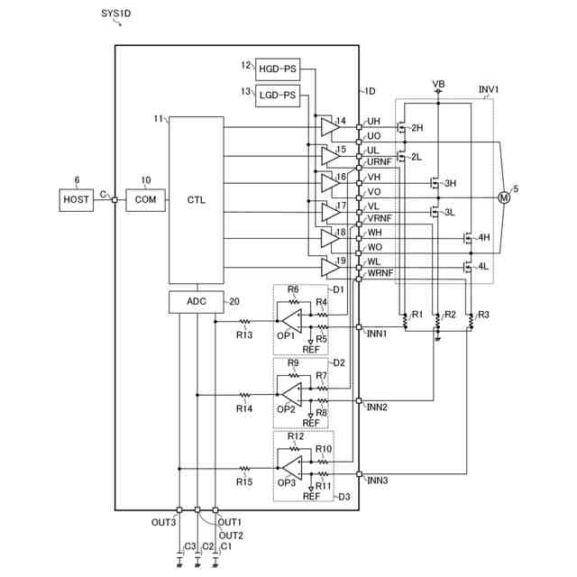
図3は、モータシステムの第1実施形態を示す図である。
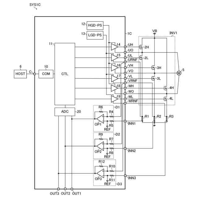
図4は、モータシステムの第2実施形態を示す図である。
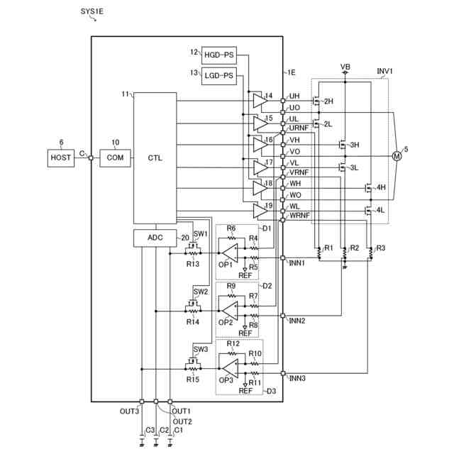
図5は、モータシステムの第3実施形態を示す図である。
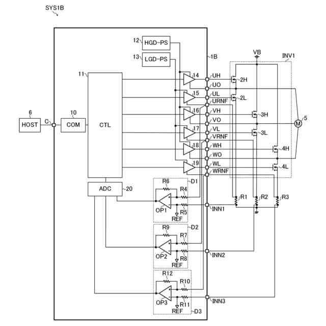
図6は、モータシステムの第4実施形態を示す図である。
図7は、ダブルワイヤの模式図である。
【0010】
[詳細な説明]
<モータシステム(比較例)>
図1は、モータシステムの比較例(=後出の実施形態と対比される一般的な構成)を示す図である。本比較例のモータシステムSYS1Aは、半導体集積回路装置1Aと、ハイサイドスイッチ2H~4Hと、ローサイドスイッチ2L~4Lと、シャント抵抗R1~R3と、三相モータ5と、ホスト装置6と、を備える。
(【0011】以降は省略されています)
この特許をJ-PlatPat(特許庁公式サイト)で参照する
関連特許
ローム株式会社
タイマ
11日前
ローム株式会社
発振回路
7日前
ローム株式会社
電子装置
7日前
ローム株式会社
監視回路
7日前
ローム株式会社
発振回路
1か月前
ローム株式会社
半導体装置
3日前
ローム株式会社
照度センサ
1か月前
ローム株式会社
半導体装置
5日前
ローム株式会社
半導体装置
5日前
ローム株式会社
半導体装置
1か月前
ローム株式会社
半導体装置
7日前
ローム株式会社
半導体装置
7日前
ローム株式会社
メモリ装置
7日前
ローム株式会社
半導体装置
11日前
ローム株式会社
半導体装置
3日前
ローム株式会社
半導体装置
5日前
ローム株式会社
半導体装置
17日前
ローム株式会社
半導体装置
18日前
ローム株式会社
圧電共振器
28日前
ローム株式会社
半導体装置
26日前
ローム株式会社
半導体装置
26日前
ローム株式会社
入出力回路
28日前
ローム株式会社
基準電圧源
28日前
ローム株式会社
半導体装置
26日前
ローム株式会社
半導体装置
5日前
ローム株式会社
半導体装置
27日前
ローム株式会社
半導体装置
3日前
ローム株式会社
半導体装置
3日前
ローム株式会社
メモリ装置
3日前
ローム株式会社
半導体装置
3日前
ローム株式会社
信号出力回路
17日前
ローム株式会社
信号出力回路
17日前
ローム株式会社
信号出力回路
3日前
ローム株式会社
縦型ホール素子
7日前
ローム株式会社
MEMSセンサ
27日前
ローム株式会社
電圧制御発振器
27日前
続きを見る
他の特許を見る