TOP
|
特許
|
意匠
|
商標
特許ウォッチ
Twitter
他の特許を見る
10個以上の画像は省略されています。
公開番号
2025165010
公報種別
公開特許公報(A)
公開日
2025-11-04
出願番号
2024068840
出願日
2024-04-22
発明の名称
生体モデル装置
出願人
朝日インテック株式会社
代理人
個人
主分類
G09B
23/30 20060101AFI20251027BHJP(教育;暗号方法;表示;広告;シール)
要約
【課題】 生体モデルを簡単に交換して、種々の生体モデルを使用した訓練を容易に実施することができ、また、異なる大きさの生体モデルであっても簡単に交換して、種々の生体モデルを使用した訓練を容易に実施することができる生体モデル装置を提供する。
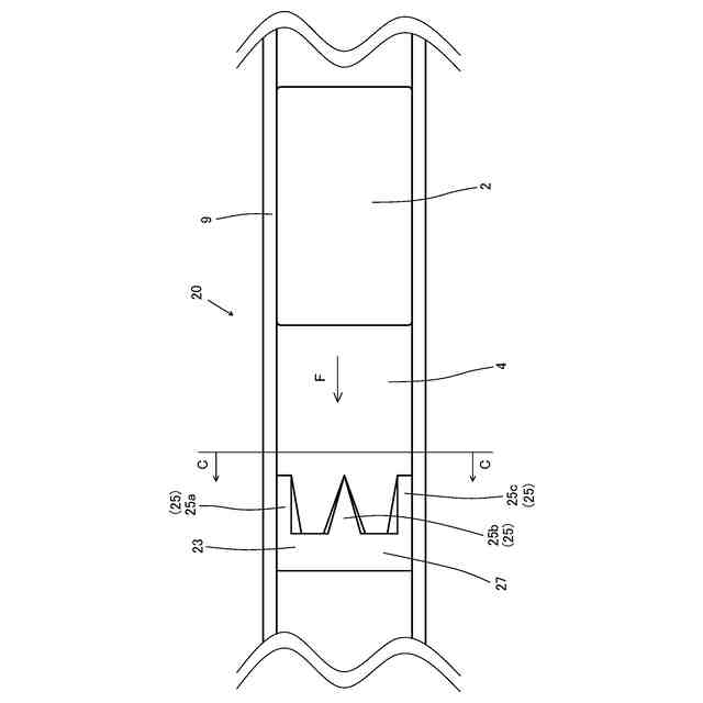
【解決手段】 生体モデル装置1は、長尺の管状部材9と、その管状部材9の内腔4に配置され、生体モデル2を着脱可能な生体モデル取付け部3と、を備える。
【選択図】 図2
特許請求の範囲
【請求項1】
長尺の管状部材と、
その管状部材の内腔に配置され、生体モデルを着脱可能な生体モデル取付け部と、
を備えたことを特徴とする生体モデル装置。
続きを表示(約 610 文字)
【請求項2】
前記生体モデル取付け部は、前記管状部材の横断面全体の内壁に沿って形成され、前記管状部材の長手方向に貫通孔を備えた取付け本体部を備えたことを特徴とする請求項1に記載の生体モデル装置。
【請求項3】
前記生体モデル取付け部は、前記取付け本体部から、前記管状部材の内壁に当接して、前記管状部材の長手方向に延びる複数の突起部を備えたことを特徴とする請求項2に記載の生体モデル装置。
【請求項4】
前記突起部は、前記管状部材の前記長手方向に対して垂直な方向における円周方向の長さを前記取付け本体部から離間する方向に向かって徐々に小さくしたことを特徴とする請求項3に記載の生体モデル装置。
【請求項5】
前記突起部は、前記管状部材の横断面中心からの長さを前記取付け本体部から離間する方向に向かって徐々に大きくしたことを特徴とする請求項3または請求項4に記載の生体モデル装置。
【請求項6】
前記突起部は、前記管状部材の横断面中心からの長さを前記取付け本体部から離間する方向に向かって段階的に大きくしたことを特徴とする請求項3または請求項4に記載の生体モデル装置。
【請求項7】
生体モデルを備え、
前記生体モデルは、前記突起部の形状に応じた形状の端部を備えたことを特徴とする請求項3乃至請求項6の何れかに記載の生体モデル装置。
発明の詳細な説明
【技術分野】
【0001】
本発明は、手技者の技術を向上させるための訓練に使用される生体モデル装置に関する。
続きを表示(約 1,100 文字)
【背景技術】
【0002】
従来から、患者に対して直接施す手技を安全に成功させるために、手技者の技術を向上させるための訓練が実行されてきており、その訓練の際に、患者自身の組織ではなく、生体モデルを使用することが知られている。
【0003】
例えば、特許文献1には、右冠動脈4の立体モデルを狭窄または閉塞した生体モデル21が記載され(図5等参照)、その生体モデル21の製造方法についても記載されていると認められる(図10等参照)。
【0004】
特許文献1に記載の生体モデル21を製造するには、先ず、外筒71と、その外筒71内で摺動可能であって、軸方向に貫通孔73を設けられた押し子72と、貫通孔73内に挿通されるワイヤ74と、を準備し、外筒71内に押し子72を挿入した状態で、ワイヤ74を貫通孔73および外筒71に挿通する。
【0005】
そして、病変モデル21の構成材料を含有する液状材料を、ワイヤ74および押し子72が挿入された状態の外筒71内に充填した後、固化させることにより、外筒71内に病変モデル21を製造することができる(図10等参照)。
【先行技術文献】
【特許文献】
【0006】
特開2010-178809号公報
【発明の概要】
【発明が解決しようとする課題】
【0007】
しかしながら、特許文献1に記載の生体モデル21は、外筒71内に製造されていることから、カテーテルまたはガイドワイヤを、一度右冠動脈4の立体モデル内に挿入させ、生体モデル21に挿入させた場合には、生体モデル21を取り替えることができず、生体モデル21を繰り返して使用できないという問題があった。
【0008】
一方、生体モデルの大きさは特定されていないことから、かかる訓練においては、種々の大きさの生体モデルについても簡単に訓練できるようにすることが望ましい。
【0009】
本発明は、従来技術が有する上述した問題に対応してなされたものであり、生体モデルを簡単に交換して、種々の生体モデルを使用した訓練を容易に実施することができ、また、異なる大きさの生体モデルであっても簡単に交換して、種々の生体モデルを使用した訓練を容易に実施することができる生体モデル装置を提供することを目的とする。
【課題を解決するための手段】
【0010】
上述した課題を解決するために、本発明の第1の態様の生体モデル装置は、長尺の管状部材と、その管状部材の内腔に配置され、生体モデルを着脱可能な生体モデル取付け部と、を備えたことを特徴とする。
(【0011】以降は省略されています)
この特許をJ-PlatPat(特許庁公式サイト)で参照する
関連特許
個人
教育のAI化
1日前
個人
英語教材
17日前
個人
回転式カード学習具
2か月前
日本精機株式会社
表示装置
2か月前
日本精機株式会社
表示装置
1か月前
個人
時刻表示機能つき手帳
3か月前
日本精機株式会社
表示装置
4日前
個人
計算用教具
1か月前
中国電力株式会社
標示旗
1か月前
日本精機株式会社
車両用表示装置
2か月前
日本精機株式会社
車両用表示装置
10日前
日本精機株式会社
車両用表示装置
3か月前
個人
インフィニティミラー
2日前
日本精機株式会社
車両用表示装置
3か月前
個人
微細構造を模した理科学習教材
23日前
個人
モデルで薔薇の花嫁様を描く為
2か月前
日本精機株式会社
車両用センサ装置
1か月前
日榮新化株式会社
対象物質感知シート
1日前
株式会社一弘社
情報表示板
2か月前
ニチレイマグネット株式会社
サイン器具
15日前
シャープ株式会社
表示装置
1か月前
株式会社ウメラボ
学習支援システム
1か月前
株式会社ウメラボ
学習支援システム
1か月前
個人
音楽教材
2か月前
ニチレイマグネット株式会社
磁着式電飾装置
1か月前
朝日インテック株式会社
ラベルシート
15日前
日本精機株式会社
表示装置及びその製造方法
4日前
株式会社半導体エネルギー研究所
半導体装置
3か月前
シャープ株式会社
表示装置
16日前
リンテック株式会社
表示体
29日前
株式会社イリオスNOTO
シート保管具
15日前
株式会社リコー
画像投射システム
1か月前
朝日インテック株式会社
生体モデル装置
4日前
株式会社サンゲツ
見本帳
2か月前
BEST株式会社
吊り下げ表示部材
2か月前
学校法人関西医科大学
腹腔鏡手術訓練装置
1か月前
続きを見る
他の特許を見る