TOP
|
特許
|
意匠
|
商標
特許ウォッチ
Twitter
他の特許を見る
公開番号
2025014245
公報種別
公開特許公報(A)
公開日
2025-01-30
出願番号
2023116629
出願日
2023-07-18
発明の名称
データ管理システム
出願人
日本放送協会
代理人
弁理士法人磯野国際特許商標事務所
主分類
G09C
1/00 20060101AFI20250123BHJP(教育;暗号方法;表示;広告;シール)
要約
【課題】暗号化データが正しく再暗号化されたことを検証する。
【解決手段】データ管理システム1は、マスター公開パラメータ及びマスター秘密鍵を生成する鍵生成装置10と、暗号化データをインデックスと紐づけて、インデックスDB32に蓄積するデータ保有者装置20と、暗号化データを再暗号化してサービス事業者装置40に送信するクラウドサーバ30と、暗号化データの検証を行って、所望のサービスを提供するサービス事業者装置40とを備える。
【選択図】図3
特許請求の範囲
【請求項1】
データ保有者が保有する複数のデータのそれぞれをIDベース検証可能プロキシ再暗号化で暗号化して各サービス事業者に提供するデータ管理システムであって、
所定のセキュリティパラメータを入力として、Setupアルゴリズムにより、マスター公開パラメータとマスター秘密鍵とを生成するセットアップ手段と、
前記マスター公開パラメータと前記マスター秘密鍵と前記データ保有者及び前記サービス事業者のIDとを入力として、KeyGenアルゴリズムにより、前記データ保有者及び前記サービス事業者の復号鍵を生成する復号鍵生成手段と、を備える鍵生成装置と、
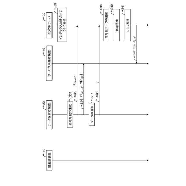
前記マスター公開パラメータと前記データ保有者のIDと前記データとを入力として、Encryptアルゴリズムにより、暗号化データを生成し、前記暗号化データのハッシュ値を算出して前記データのインデックスに紐付けたテーブルを生成する暗号化手段と、
前記マスター公開パラメータと前記データ保有者の復号鍵と前記データ保有者及び前記サービス事業者のIDとを入力として、RKGenアルゴリズムにより、再暗号化鍵及び再暗号化検証鍵を生成する再暗号化鍵生成手段と、
前記テーブルを参照し、前記暗号化データに対応するハッシュ値を出力するデータ出力手段と、を備えるデータ保有者装置と、
前記マスター公開パラメータと前記再暗号化鍵と前記インデックスに紐付いた暗号化データとを入力として、ReEncryptアルゴリズムにより、前記暗号化データを再暗号化した再暗号化データを生成する再暗号化手段、を備えるデータ管理装置と、
前記データ管理装置の暗号化データからハッシュ値を算出し、算出した前記ハッシュ値と前記データ保有者装置から受信したハッシュ値とが一致するか否かを検証するハッシュ値検証手段と、
前記マスター公開パラメータと前記再暗号化検証鍵と前記暗号化データと前記再暗号化データとを入力として、ReEncVerアルゴリズムにより、前記再暗号化データが前記暗号化データから再暗号化されたか否かを検証する再暗号化検証手段と、
前記マスター公開パラメータと前記サービス事業者の復号鍵と前記再暗号化データとを入力として、Decryptアルゴリズムにより、前記データを復号する復号手段と、を備えるサービス事業者装置と、
を備えることを特徴とするデータ管理システム。
続きを表示(約 540 文字)
【請求項2】
前記復号手段は、前記ハッシュ値検証手段で前記ハッシュ値が一致することが検証でき、かつ、前記再暗号化検証手段で前記再暗号化データが前記暗号化データから再暗号化されたことが検証できた場合、前記Decryptアルゴリズムにより、前記データを復号することを特徴とする請求項1に記載のデータ管理システム。
【請求項3】
前記暗号化手段は、予め設定されたハッシュ関数を用いて、前記Encryptアルゴリズムで生成した暗号化データからハッシュ値を算出し、
前記ハッシュ値検証手段は、前記暗号化手段と同一のハッシュ関数を用いて、前記データ管理装置の暗号化データからハッシュ値を算出することを特徴とする請求項1に記載のデータ管理システム。
【請求項4】
前記データ管理装置は、
前記インデックスに紐付いた暗号化データを蓄積するインデックスデータベースと、
再暗号化した前記暗号化データを蓄積するサービス事業者データベースと、をさらに備えることを特徴とする請求項1に記載のデータ管理システム。
【請求項5】
前記データ管理装置は、クラウドサーバであることを特徴とする請求項1又は請求項2に記載のデータ管理システム。
発明の詳細な説明
【技術分野】
【0001】
本発明は、IDベース検証可能プロキシ再暗号化及びハッシュ値を用いるデータ管理システムに関する。
続きを表示(約 2,300 文字)
【背景技術】
【0002】
近年、パーソナルデータストア(PDS)やデータ取引市場といった個人情報の管理及び提供を行うシステムが注目されている(例えば、非特許文献1)。例えば、PDSでは、ユーザ自身が、スマートフォンの位置情報や、オンラインショッピングの購入履歴などの個人情報をネットワーク上のデータ管理装置(例えば、クラウド)で管理する。そして、PDSでは、サービス事業者などの第三者に、ユーザが自らの意思でデータを提供することで、その提供したデータに基づいたサービスをユーザが享受できる。なお、PDSなどのシステムを活用し、ユーザの代わりにデータを管理及び提供を行うものを情報銀行と呼ぶ。
【0003】
また、様々なデータを管理及び提供するための仕組みとして、IDベースプロキシ再暗号化が提案されている(例えば、非特許文献2)。このIDベースプロキシ再暗号化は、任意のID(例えば、電子メールアドレス)を各ユーザの公開鍵とし、鍵生成センタ(PKG)と呼ばれる信頼された機関から得たマスター秘密鍵及びIDを用いて、各ユーザの秘密鍵を生成するものである。
【0004】
また、IDベースプロキシ再暗号化を拡張したIDベース検証可能プロキシ再暗号化(IB-VPRE)が提案されている(例えば、非特許文献3)。このIB-VPREは、再暗号化鍵の生成時に再暗号化検証鍵を生成し、その再暗号化検証鍵を用いて再暗号化データを検証するものである。このとき、再暗号化の検証には、元の暗号化データと再暗号化データのペアも必要となる。
【先行技術文献】
【非特許文献】
【0005】
「パーソナルデータストア・PDSの仕組み|メリットや情報銀行との違いを解説」、[online],[令和4年8月29日検索],インターネット<URL:https://privtech.co.jp/blog/data/pds_merit_structure.html>
Green, Matthew, and Ateniese, Giuseppe. "Identity-based proxy re-encryption." International Conference on Applied Cryptography and Network Security. Springer, Berlin, Heidelberg, 2007.
Li-qiang, W. , Xiao-yuan, Y. , Min-qing, Z. , and Xu-an, W. "IB-VPRE: adaptively secure identity-based proxy re-encryption scheme from LWE with re-encryption verifiability. " Journal of Ambient Intelligence and Humanized Computing, 1-14. 2021.
【発明の概要】
【発明が解決しようとする課題】
【0006】
ユーザ又は情報銀行がデータを管理するとき、利便性の観点からクラウドなどのデータ管理装置を利用することが多い。データ管理装置上で位置情報や購入履歴といったセンシティブなデータを管理するので、万一データが漏洩してもユーザのプライバシーを適切に保護できるように、データを暗号化する必要がある。しかし、AESなどの共通鍵暗号化方式によるデータの暗号化では、データ保有者であるユーザとデータ提供先であるサービス事業者が同一の鍵を保有する必要がある。このため、ユーザが複数のサービス事業者にデータを提供する場合、全てのサービス事業者とユーザが同一の鍵を共有しなければならない。従って、あるサービス事業者から鍵が漏洩した場合、データ管理装置で管理されている暗号化データも含め、ユーザの全データが漏洩する恐れがある。このことから、共通鍵暗号化方式の適用は、現実的でない。
【0007】
ここで、各サービス事業者に渡すデータを選択する場合、データ管理装置で管理されている暗号化データを一度復号してから、再び暗号化する必要がある。このとき、データ管理装置が不正アクセスを受けると、一度復号したデータが漏洩する恐れがある。このため、データ管理装置で管理されている暗号化データは、一度も復号することなく、再暗号化することが好ましい。
【0008】
そこで、データ管理装置にIB-VPREを適用することで、この問題を解決できるかを検討する。しかし、単にデータ管理装置にIB-VPREを適用するだけでは、異なる暗号化データを再暗号化する又は正しい再暗号化を実行しないなどの攻撃をクラウドが行った場合、サービス事業者がその攻撃を検知するのか困難である。
【0009】
そこで、本発明は、暗号化データが正しく再暗号化されたことを検証できるデータ管理システムを提供することを課題とする。
【課題を解決するための手段】
【0010】
前記課題を解決するため、本発明に係るデータ管理システムは、データ保有者が保有する複数のデータのそれぞれをIDベース検証可能プロキシ再暗号化で暗号化して各サービス事業者に提供するデータ管理システムであって、鍵生成装置と、データ保有者装置と、データ管理装置と、サービス事業者装置とを備える構成とした。
(【0011】以降は省略されています)
この特許をJ-PlatPat(特許庁公式サイト)で参照する
関連特許
日本放送協会
撮像装置
1か月前
日本放送協会
撮像装置
8か月前
日本放送協会
配線構造
4か月前
日本放送協会
収音装置
1か月前
日本放送協会
マイクロホン
6か月前
日本放送協会
アンテナ装置
1か月前
日本放送協会
無線通信装置
6か月前
日本放送協会
光学計測装置
7か月前
日本放送協会
基板固定装置
23日前
日本放送協会
光分布生成装置
1か月前
日本放送協会
磁性細線メモリ
5か月前
日本放送協会
磁性細線デバイス
8か月前
日本放送協会
無線伝送システム
8か月前
日本放送協会
レンズアダプター
11か月前
日本放送協会
広視野角撮像装置
5日前
日本放送協会
広視野角撮像装置
5日前
日本放送協会
映像伝送システム
4か月前
日本放送協会
角度選択フィルター
3か月前
日本放送協会
良撮影位置推定装置
3か月前
日本放送協会
3次元映像表示装置
1か月前
日本放送協会
データ管理システム
8か月前
日本放送協会
3次元映像表示装置
5か月前
日本放送協会
送信装置及び受信装置
23日前
日本放送協会
送信装置及び受信装置
7か月前
日本放送協会
衛星放送受信システム
10か月前
日本放送協会
送信装置及び受信装置
10か月前
日本放送協会
受信装置及び送出装置
9か月前
日本放送協会
送信装置及び受信装置
8か月前
日本放送協会
送信装置及び受信装置
7か月前
日本放送協会
同軸切替器の着脱機構
12か月前
日本放送協会
送信装置及び受信装置
11か月前
日本放送協会
受信装置及びプログラム
3か月前
日本放送協会
受信装置及びプログラム
1か月前
日本放送協会
受信装置及びプログラム
1か月前
日本放送協会
磁壁移動型空間光変調器
9か月前
日本放送協会
受信装置及びプログラム
10か月前
続きを見る
他の特許を見る