TOP
|
特許
|
意匠
|
商標
特許ウォッチ
Twitter
他の特許を見る
公開番号
2025044318
公報種別
公開特許公報(A)
公開日
2025-04-02
出願番号
2023151807
出願日
2023-09-20
発明の名称
油圧駆動装置
出願人
日立建機株式会社
代理人
弁理士法人開知
主分類
F15B
21/14 20060101AFI20250326BHJP(流体圧アクチュエータ;水力学または空気力学一般)
要約
【課題】油圧アクチュエータからの戻り油の油圧エネルギーをアキュムレータで効率良く回生することにより、作業機械全体のエネルギー効率を向上させることが可能な油圧駆動装置を提供する。
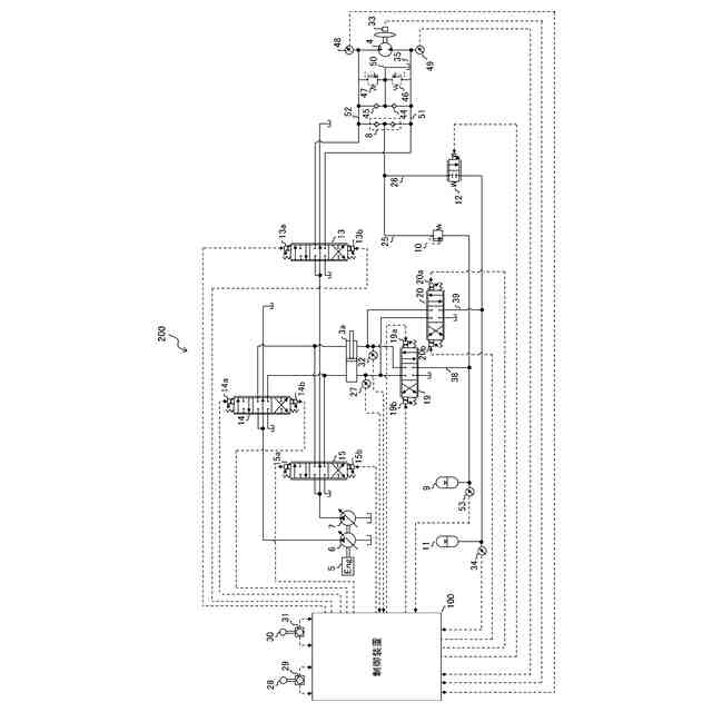
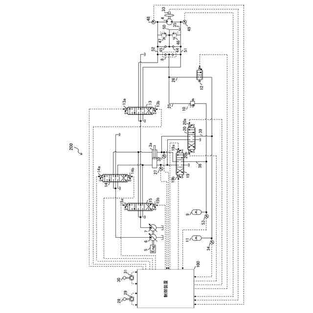
【解決手段】油圧駆動装置200は、第2蓄圧装置11と、第2管路25のうち第1油圧アクチュエータ4と第1蓄圧調整装置10とを接続する部分と第2蓄圧装置11とを接続する第3管路26と、第3管路26に設置され、第1油圧アクチュエータ4から第2蓄圧装置11への作動油の流れを調整する第2蓄圧調整装置12と、第1油圧アクチュエータ4の圧力を検出する第1圧力検出装置48,49とを備え、制御装置100は、第1操作量検出装置29が検出した操作量と第1圧力検出装置48,49が検出した圧力と第2蓄圧装置11の圧力とに応じて、第1流量制御弁13および第2蓄圧調整装置12の少なくとも一方を制御する。
【選択図】 図3
特許請求の範囲
【請求項1】
作動油を貯留する作動油タンクと、
前記作動油タンクから作動油を吸入して吐出する油圧ポンプと、
第1油圧アクチュエータと、
前記油圧ポンプと前記第1油圧アクチュエータとを接続する第1管路に設置され、前記油圧ポンプから前記第1油圧アクチュエータに供給される作動油の流量および前記第1油圧アクチュエータから前記作動油タンクに排出される作動油の流量を制御する第1流量制御弁と、
第1蓄圧装置と、
前記第1油圧アクチュエータと前記第1蓄圧装置とを接続する第2管路と、
前記第2管路に設置され、前記第1油圧アクチュエータから前記第1蓄圧装置への作動油の流れを調整する第1蓄圧調整装置と、
前記第1油圧アクチュエータの動作を指示する第1操作装置と、
前記第1操作装置の操作量を検出する第1操作量検出装置と、
前記第1操作量検出装置が検出した操作量が入力される制御装置とを備えた油圧駆動装置において、
第2蓄圧装置と、
前記第2管路のうち前記第1油圧アクチュエータと前記第1蓄圧調整装置とを接続する部分と前記第2蓄圧装置とを接続する第3管路と、
前記第3管路に設置され、前記第1油圧アクチュエータから前記第2蓄圧装置への作動油の流れを調整する第2蓄圧調整装置と、
前記第1油圧アクチュエータの圧力を検出する第1圧力検出装置とを備え、
前記制御装置は、前記第1操作量検出装置が検出した操作量と前記第1圧力検出装置が検出した圧力と前記第2蓄圧装置の圧力とに応じて、前記第1流量制御弁および前記第2蓄圧調整装置の少なくとも一方を制御する
ことを特徴とする油圧駆動装置。
続きを表示(約 1,500 文字)
【請求項2】
請求項1に記載の油圧駆動装置において、
前記第2蓄圧装置の設定圧力は、前記第1蓄圧装置の設定圧力よりも低く、
前記第1蓄圧調整装置は、入り口側の圧力を予め設定された圧力に調整する圧力制御弁であり、
前記第2蓄圧調整装置は、前記第1油圧アクチュエータから前記第2蓄圧装置に供給される圧油の流量を制御する第2流量制御弁である
ことを特徴とする油圧駆動装置。
【請求項3】
請求項2に記載の油圧駆動装置において、
前記第1油圧アクチュエータは、旋回モータであり、
前記油圧駆動装置は、前記旋回モータの左旋回ポートおよび右旋回ポートの高圧側を、前記第2管路のうち前記第3管路が分岐する部分に連通させる高圧選択弁をさらに備える
ことを特徴とする油圧駆動装置。
【請求項4】
請求項3に記載の油圧駆動装置において、
前記旋回モータの速度を検出する旋回速度検出装置をさらに備え、
前記制御装置は、
前記旋回速度検出装置の検出値と前記第1圧力検出装置の検出値とに基づいて前記旋回モータが減速中か否かを判定し、
前記旋回モータが減速中であると判定しかつ前記旋回モータの排出側圧力が前記第2蓄圧装置の圧力よりも低い場合は、前記第1操作装置の操作量に応じて前記第1流量制御弁の開口を制御し、
前記旋回モータが減速中であると判定しかつ前記旋回モータの排出側圧力が前記第2蓄圧装置の圧力よりも高くかつ予め設定された前記第1蓄圧調整装置の設定圧力よりも低い場合は、前記第1流量制御弁を閉じるとともに前記第1操作装置の操作量と前記旋回モータの排出側圧力と前記第2蓄圧装置の圧力とに応じて前記第2流量制御弁の開口を制御し、
前記旋回モータが減速中であると判定しかつ前記旋回モータの排出側圧力が前記第1蓄圧調整装置の設定圧力よりも高い場合は、前記第1流量制御弁と前記第2流量制御弁とを閉じる
ことを特徴とする油圧駆動装置。
【請求項5】
請求項3に記載の油圧駆動装置において、
前記旋回モータの速度を検出する旋回速度検出装置をさらに備え、
前記制御装置は、
前記旋回速度検出装置の検出値と前記第1圧力検出装置の検出値とに基づいて前記旋回モータが加速中か否かを判定し、
前記旋回モータが加速中であると判定した場合は、前記第2流量制御弁を閉じる
ことを特徴とする油圧駆動装置。
【請求項6】
請求項1に記載の油圧駆動装置において、
第2油圧アクチュエータと、
前記第2油圧アクチュエータの動作を指示する第2操作装置と、
前記第2操作装置の操作量を検出する第2操作量検出装置と、
前記第2管路のうち前記第1蓄圧装置と前記第1蓄圧調整装置とを接続する部分と前記第2油圧アクチュエータとを接続する第4管路と、
前記第4管路に設置され、前記第1蓄圧装置から前記第2油圧アクチュエータへの圧油の流れを調整する第1制御弁と、
前記第3管路のうち前記第2蓄圧装置と前記第2蓄圧調整装置とを接続する部分と前記第2油圧アクチュエータとを接続する第5管路と、
前記第5管路に設置され、前記第2蓄圧装置から前記第2油圧アクチュエータへの圧油の流れを調整する第2制御弁とをさらに備え、
前記制御装置は、前記第2操作量検出装置が検出した操作量と前記第1蓄圧装置の圧力と前記第2蓄圧装置の圧力とに応じて、前記第1制御弁および前記第2制御弁の少なくとも一方を制御する
ことを特徴とする油圧駆動装置。
発明の詳細な説明
【技術分野】
【0001】
本発明は、油圧ショベル等の作業機械に搭載される油圧駆動装置に関する。
続きを表示(約 1,900 文字)
【背景技術】
【0002】
作業装置が有する位置エネルギーをブームシリンダを介してアキュムレータに蓄えるとともに上部旋回体が有する運動エネルギーを旋回モータを介してアキュムレータに蓄えてエンジンパワーのアシストに利用することが可能な油圧駆動装置がある。そのような油圧駆動装置を開示する先行技術文献として、例えば特許文献1がある。
【0003】
上述した従来技術によれば、作業装置の位置エネルギーおよび上部旋回体の運動エネルギーが油圧エネルギーとして回生されるため、電気エネルギーとして回生する場合に比べてエネルギー変換ロスを低減することが可能となる。
【先行技術文献】
【特許文献】
【0004】
特開2015-90194号公報
【発明の概要】
【発明が解決しようとする課題】
【0005】
従来の油圧駆動装置の場合、油圧アクチュエータからの回生可能エネルギーをアキュムレータで効率良く回生するためには、アキュムレータの設定圧力を油圧アクチュエータの圧力に近い高い値に設定し、油圧アクチュエータとアキュムレータ間の圧力損失を小さくする必要がある。
【0006】
しかし、アキュムレータの設定圧力以下の圧力が油圧アクチュエータより発生した場合、油圧アクチュエータからの圧油のエネルギーをアキュムレータで回生することはできないので、圧力損失を小さくするためにアキュムレータの設定圧力を高くすると、様々な動作で駆動される作業機械において、アキュムレータでエネルギーを回生できる場面が減るという課題がある。
【0007】
本発明は、上記の課題に鑑みてなされたものであり、その目的は、油圧アクチュエータからの戻り油の油圧エネルギーをアキュムレータで効率良く回生することにより、作業機械全体のエネルギー効率を向上させることが可能な油圧駆動装置を提供することにある。
【課題を解決するための手段】
【0008】
上記目的を達成するために、本発明は、作動油を貯留する作動油タンクと、前記作動油タンクから作動油を吸入して吐出する油圧ポンプと、第1油圧アクチュエータと、前記油圧ポンプと前記第1油圧アクチュエータとを接続する第1管路に設置され、前記油圧ポンプから前記第1油圧アクチュエータに供給される作動油の流量および前記第1油圧アクチュエータから前記作動油タンクに排出される作動油の流量を制御する第1流量制御弁と、第1蓄圧装置と、前記第1油圧アクチュエータと前記第1蓄圧装置とを接続する第2管路と、前記第2管路に設置され、前記第1油圧アクチュエータから前記第1蓄圧装置への作動油の流れを調整する第1蓄圧調整装置と、前記第1油圧アクチュエータの動作を指示する第1操作装置と、前記第1操作装置の操作量を検出する第1操作量検出装置と、前記第1操作量検出装置が検出した操作量が入力される制御装置とを備えた油圧駆動装置において、第2蓄圧装置と、前記第2管路のうち前記第1油圧アクチュエータと前記第1蓄圧調整装置とを接続する部分と前記第2蓄圧装置とを接続する第3管路と、前記第3管路に設置され、前記第1油圧アクチュエータから前記第2蓄圧装置への作動油の流れを調整する第2蓄圧調整装置と、前記第1油圧アクチュエータの圧力を検出する第1圧力検出装置とを備え、前記制御装置は、前記第1操作量検出装置が検出した操作量と前記第1圧力検出装置が検出した圧力と前記第2蓄圧装置の圧力とに応じて、前記第1流量制御弁および前記第2蓄圧調整装置の少なくとも一方を制御するものとする。
【発明の効果】
【0009】
本発明によれば、油圧アクチュエータからの戻り油の油圧エネルギーをアキュムレータで効率良く回生することができるため、作業機械全体のエネルギー効率を向上させることが可能となる。
【図面の簡単な説明】
【0010】
本発明の実施形態に係る油圧駆動装置が搭載された油圧ショベルを示す斜視図である。
本発明の実施形態に係る油圧駆動装置の概略構成図である。
本発明の実施形態に係る油圧駆動装置のうち旋回モータおよびブームシリンダの駆動に関わる部分の詳細を示す図である。
本発明の実施形態における旋回動作時の旋回操作量、旋回速度、旋回モータの圧力、第1アキュムレータの圧力および第アキュムレータ11の圧力の変化を示す図である。
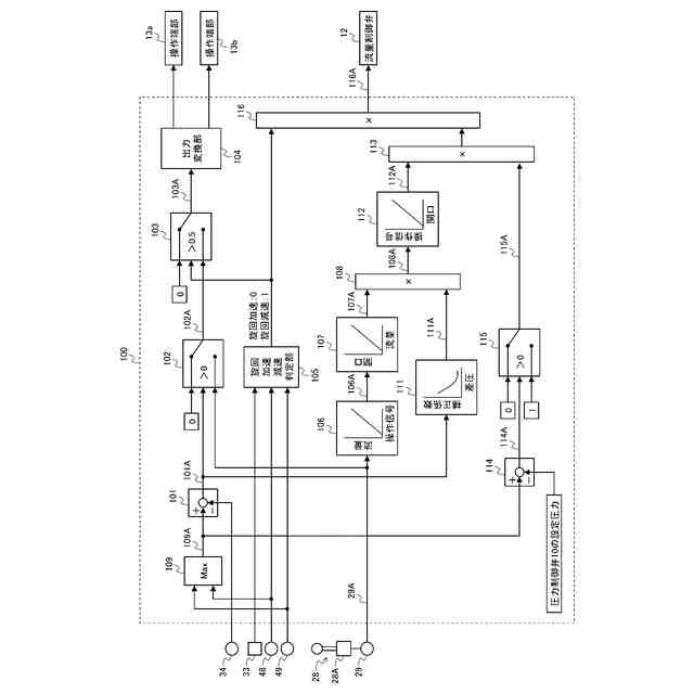
本発明の実施形態における旋回モータの駆動に関わる制御装置の機能ブロック図である。
【発明を実施するための形態】
(【0011】以降は省略されています)
この特許をJ-PlatPat(特許庁公式サイト)で参照する
関連特許
日立建機株式会社
作業機械
6日前
日立建機株式会社
油圧機器
10日前
日立建機株式会社
作業車両
4日前
日立建機株式会社
作業機械
4日前
日立建機株式会社
作業車両
10日前
日立建機株式会社
作業機械
14日前
日立建機株式会社
作業機械
4日前
日立建機株式会社
建設機械
14日前
日立建機株式会社
作業機械
10日前
日立建機株式会社
建設機械
10日前
日立建機株式会社
転圧機械
4日前
日立建機株式会社
建設機械
10日前
日立建機株式会社
建設機械
6日前
日立建機株式会社
建設機械
6日前
日立建機株式会社
油圧機器
5日前
日立建機株式会社
作業車両
6日前
日立建機株式会社
作業機械
6日前
日立建機株式会社
作業車両
6日前
日立建機株式会社
建設機械
10日前
日立建機株式会社
作業機械
4日前
日立建機株式会社
作業機械
6日前
日立建機株式会社
建設機械
4日前
日立建機株式会社
作業機械
3日前
日立建機株式会社
作業車両
3日前
日立建機株式会社
作業機械
3日前
日立建機株式会社
作業機械
10日前
日立建機株式会社
作業機械
10日前
日立建機株式会社
作業機械
11日前
日立建機株式会社
作業機械
3日前
日立建機株式会社
作業機械
1か月前
日立建機株式会社
変速装置
3日前
日立建機株式会社
作業機械
11日前
日立建機株式会社
作業機械
24日前
日立建機株式会社
作業機械
3日前
日立建機株式会社
作業機械
18日前
日立建機株式会社
作業機械
10日前
続きを見る
他の特許を見る