TOP
|
特許
|
意匠
|
商標
特許ウォッチ
Twitter
他の特許を見る
10個以上の画像は省略されています。
公開番号
2025098814
公報種別
公開特許公報(A)
公開日
2025-07-02
出願番号
2023215195
出願日
2023-12-20
発明の名称
電源制御回路、およびそれを備えた空調機
出願人
ダイキン工業株式会社
代理人
弁理士法人新樹グローバル・アイピー
主分類
H02M
7/48 20070101AFI20250625BHJP(電力の発電,変換,配電)
要約
【課題】本開示の目的は、1つのマイコンで2つのスイッチング回路を制御することができる電源制御回路を提供することにある。
【解決手段】 電源制御回路100では、第2スイッチング回路25Bの基準電位が第1スイッチング回路25Aと異なる。マイコン40は、第1スイッチング回路25Aに向けた第1制御信号PWM-1および第2スイッチング回路25Bに向けた第2制御信号PWM-2を出力する。第1電位変換部46Aは、第2制御信号PWM-2の電位を変換する。電源制御回路100では、2つの制御信号のいずれか一方の電位を第1電位変換部46Aによって変換することができるので、1つのマイコンで基準電位の異なる2つのスイッチング回路を制御することが可能となる。
【選択図】図1
特許請求の範囲
【請求項1】
三相交流を三相4線式で供給する交流電源からR相、S相、T相およびN相が入力されるように構成されたプリント配線板(10)に実装される電源制御回路であって、
R相、S相およびT相の交流電圧を整流する第1整流回路(20A)と、
R相、S相およびT相のいずれか1つとN相の交流電圧を整流する第2整流回路(20B)と、
前記第1整流回路(20A)に接続される第1スイッチング回路(25A)と、
前記第2整流回路(20B)に接続され、基準電位が前記第1スイッチング回路(25A)と異なる第2スイッチング回路(25B)と、
前記第1スイッチング回路(25A)に向けた第1制御信号、および前記第2スイッチング回路(25B)に向けた第2制御信号を出力するマイコン(40)と、
前記第1制御信号または前記第2制御信号の電位を変換する第1電位変換部(46A)と、
を備える、
電源制御回路(100)。
続きを表示(約 2,100 文字)
【請求項2】
前記第1電位変換部(46A)の伝送速度は、10Mbps以上である、
請求項1に記載の電源制御回路(100)。
【請求項3】
前記第1スイッチング回路(25A)の負荷電流を検出し、検出した電流値を第1電流検出信号として前記マイコン(40)に向けて出力する第1電流検出部(24A)と、
前記第2スイッチング回路(25B)の負荷電流を検出し、検出した電流値を第2電流検出信号として前記マイコン(40)に向けて出力する第2電流検出部(24B)と、
前記第1電流検出信号および第2電流検出信号のうち基準電位が前記マイコン(40)の基準電位と異なる方の信号の電位を変換する第3電位変換部(46C)と、
をさらに備える、
請求項1または請求項2に記載の電源制御回路(100)。
【請求項4】
前記第1整流回路(20A)からの出力電圧を平滑化する第1平滑コンデンサ(22A)の両端電圧を検出し、検出した電圧値を第1電圧検出信号として前記マイコン(40)に向けて出力する第1電圧検出部(23A)と、
前記第2整流回路(20B)からの出力電圧を平滑化する第2平滑コンデンサ(22B)の両端電圧を検出し、検出した電圧値を第2電圧検出信号として前記マイコン(40)に向けて出力する第2電圧検出部(23B)と、
前記第1電圧検出信号および第2電圧検出信号のうち基準電位が前記マイコン(40)の基準電位と異なる方の信号の電位を変換する第2電位変換部(46B)と、
をさらに備える、
請求項1または請求項2に記載の電源制御回路(100)。
【請求項5】
前記第1電位変換部(46A)から前記第1スイッチング回路(25A)までの最短距離、または前記第1電位変換部(46A)から前記第2スイッチング回路(25B)までの最短距離が、前記マイコン(40)から前記第1電位変換部(46A)までの最短距離よりも小さい、
請求項1または請求項2に記載の電源制御回路(100)。
【請求項6】
前記第1スイッチング回路(25A)および前記第2スイッチング回路(25B)の少なくとも一方は、直流電力を所定の周波数の交流電力へ変換する複数のスイッチング素子が1つのパッケージに内蔵されているパワーモジュールである、
請求項1または請求項2に記載の電源制御回路(100)。
【請求項7】
三相交流を三相4線式で供給する交流電源からR相、S相、T相およびN相が入力されるように構成されたプリント配線板(10)に実装される電源制御回路であって、
R相、S相およびT相の交流電圧を整流する第1整流回路(20A)と、
前記第1整流回路(20A)に接続される第1スイッチング回路(25A)と、
前記交流電源と前記第1整流回路(20A)との間に並列接続され、基準電位が前記第1スイッチング回路(25A)と異なる第3スイッチング回路(25C)と、
前記第1スイッチング回路(25A)に向けた第1制御信号、および前記第3スイッチング回路(25C)に向けた第3制御信号を出力するマイコン(40)と、
前記第1制御信号または前記第3制御信号の電位を変換する第1電位変換部(47A)と、
を備える、
電源制御回路(102)。
【請求項8】
前記第1電位変換部(47A)の伝送速度は、10Mbps以上である、
請求項7に記載の電源制御回路(102)。
【請求項9】
前記第1スイッチング回路(25A)の負荷電流を検出し、検出した電流値を第1電流検出信号として前記マイコン(40)に向けて出力する第1電流検出部(24A)と、
前記第3スイッチング回路(25C)の母線電流を検出し、検出した電流値を第3電流検出信号として前記マイコン(40)に向けて出力する第3電流検出部(57)と、
前記第1電流検出信号および第3電流検出信号のうち基準電位が前記マイコン(40)の基準電位と異なる方の信号の電位を変換する第3電位変換部(47C)と、
をさらに備える、
請求項7または請求項8に記載の電源制御回路(102)。
【請求項10】
前記第1整流回路(20A)からの出力電圧を平滑化する第1平滑コンデンサ(22A)の両端電圧を検出し、検出した電圧値を第1電圧検出信号として前記マイコン(40)に向けて出力する第1電圧検出部(23A)と、
前記第3スイッチング回路(25C)からの出力電圧を平滑する第3平滑コンデンサ(52)の両端電圧を検出し、検出した電圧値を第3電圧検出信号として前記マイコン(40)に向けて出力する第3電圧検出部(56)と、
前記第1電圧検出信号および第3電圧検出信号のうち基準電位が前記マイコン(40)の基準電位と異なる方の信号の電位を変換する第2電位変換部(47B)と、
をさらに備える、
請求項7または請求項8に記載の電源制御回路(102)。
(【請求項11】以降は省略されています)
発明の詳細な説明
【技術分野】
【0001】
三相4線400Vの空調機に搭載される電源制御回路に関する。
続きを表示(約 1,700 文字)
【背景技術】
【0002】
三相4線400Vの空調機において、AC400V系モータと、N相を利用したAC200V系モータを制御する装置として、例えば特許文献1(WO2017/200027)に開示の制御装置が公知である。当該制御装置では、マイコンから圧縮機モータを制御する信号と、ファンモータを制御する信号が出力される。但し、マイコンとファンモータとはグランドが共通ではないので、ファンモータを制御する信号はフォトカプラを介してファンモータに入力される。
【発明の概要】
【発明が解決しようとする課題】
【0003】
しかしながら、特許文献1に記載のファンモータはマイコン、駆動回路およびスイッチング回路を内蔵しており、実質、2つのマイコンが必要である。それゆえ、コスト低減の観点から、1つのマイコンで2つのスイッチング回路を制御することが望まれる。
【課題を解決するための手段】
【0004】
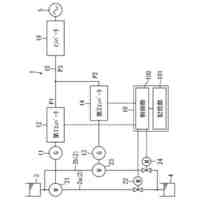
第1観点の電源制御回路は、三相交流を三相4線式で供給する交流電源からR相、S相、T相およびN相が入力されるように構成されたプリント配線板に実装される電源制御回路であって、第1整流回路と、第2整流回路と、第1スイッチング回路と、第2スイッチング回路と、マイコンと、第1電位変換部とを備える。第1整流回路は、R相、S相およびT相の交流電圧を整流する。第2整流回路は、R相、S相およびT相のいずれか1つとN相の交流電圧を整流する。第1スイッチング回路は、第1整流回路に接続される。第2スイッチング回路は、第2整流回路に接続され、基準電位が第1スイッチング回路と異なる。マイコンは、第1スイッチング回路に向けた第1制御信号、および第2スイッチング回路に向けた第2制御信号を出力する。第1電位変換部は、第1制御信号または第2制御信号の電位を変換する。
【0005】
従来、基準電位の異なる2つのスイッチング回路を制御する電源制御回路において、各スイッチング回路へ向けて出力される制御信号の電位が異なるので、各スイッチング回路に対応するマイコンが必要であった。
【0006】
しかし、この電源制御回路では、2つの制御信号のいずれか一方の電位を第1電位変換部によって変換することができるので、1つのマイコンで基準電位の異なる2つのスイッチング回路を制御することが可能となる。
【0007】
第2観点の電源制御回路は、第1観点の電源制御回路であって、第1電位変換部の伝送速度が10Mbps以上である。
【0008】
この電源制御回路では、第1電位変換部の動作時間に起因する伝送速度の遅延が抑制される。
【0009】
第3観点の電源制御回路は、第1観点または第2観点の電源制御回路であって、第1電流検出部と、第2電流検出部と、第3電位変換部とをさらに備える。第1電流検出部は、第1スイッチング回路の負荷電流を検出し、検出した電流値を第1電流検出信号としてマイコンに向けて出力する。第2電流検出部は、第2スイッチング回路の負荷電流を検出し、検出した電流値を第2電流検出信号としてマイコンに向けて出力する。第3電位変換部は、第1電流検出信号および第2電流検出信号のうち基準電位がマイコンの基準電位と異なる方の信号の電位を変換する。
【0010】
第4観点の電源制御回路は、第1観点または第2観点の電源制御回路であって、第1電圧検出部と、第2電圧検出部と、第2電位変換部とをさらに備える。第1電圧検出部は、第1整流回路からの出力電圧を平滑化する第1平滑コンデンサの両端電圧を検出し、検出した電圧値を第1電圧検出信号としてマイコンに向けて出力する。第2電圧検出部は、第2整流回路からの出力電圧を平滑化する第2平滑コンデンサの両端電圧を検出し、検出した電圧値を第2電圧検出信号としてマイコンに向けて出力する。第2電位変換部は、第1電圧検出信号および第2電圧検出信号のうち基準電位がマイコンの基準電位と異なる方の信号の電位を変換する。
(【0011】以降は省略されています)
この特許をJ-PlatPat(特許庁公式サイト)で参照する
関連特許
ダイキン工業株式会社
流体機械
今日
ダイキン工業株式会社
冷凍装置
1日前
ダイキン工業株式会社
固体冷凍装置
5日前
ダイキン工業株式会社
空気調和装置
5日前
ダイキン工業株式会社
熱交換器及び冷凍装置
7日前
ダイキン工業株式会社
熱源ユニット及び冷凍装置
1日前
ダイキン工業株式会社
スクロール圧縮機、及び冷凍装置
5日前
ダイキン工業株式会社
ベッド構造、及びベッド構造の製造方法
今日
ダイキン工業株式会社
半導体装置、電力変換装置、及び空気調和装置
今日
ダイキン工業株式会社
発電システムの制御装置、発電システム、水力発電システム
今日
ダイキン工業株式会社
冷媒を含む組成物、その使用、並びにそれを有する冷凍機及びその冷凍機の運転方法
7日前
ダイキン工業株式会社
故障診断システム、冷凍サイクルシステム、故障診断方法、故障診断プログラム及び空調機
9日前
ダイキン工業株式会社
環境推定装置、表示システム、空気調和システム、環境推定方法、プログラム、環境推定システム、および学習済みモデルの製造方法
5日前
ダイキン工業株式会社
フルオロポリマーの製造方法、ポリテトラフルオロエチレンの製造方法および組成物
8日前
ダイキン工業株式会社
フッ素系ポリマー組成物、電気化学デバイス用バインダー、電極合剤、電極、及び、二次電池
5日前
ダイキン工業株式会社
フルオロポリマーの製造方法、ポリテトラフルオロエチレンの製造方法、パーフルオロエラストマーの製造方法および組成物
5日前
個人
電源装置
20日前
個人
バッテリ内蔵直流電源
19日前
株式会社FUJI
制御盤
9日前
西部電機株式会社
充電装置
1日前
西部電機株式会社
充電装置
1日前
日本精機株式会社
サージ保護回路
1日前
オムロン株式会社
電源回路
13日前
オムロン株式会社
電源回路
13日前
オムロン株式会社
電源回路
13日前
トヨタ自動車株式会社
回転子
5日前
ニデック株式会社
モータの制御方法
27日前
トヨタ自動車株式会社
回転子
20日前
大豊工業株式会社
モータ
19日前
ミサワホーム株式会社
居住設備
9日前
東京応化工業株式会社
発電装置
13日前
個人
連続ガウス加速器形磁力増幅装置
1日前
株式会社リコー
拡張アンテナ装置
12日前
カヤバ株式会社
筒型リニアモータ
今日
東京瓦斯株式会社
通信装置
今日
株式会社ミツバ
ブラシレスモータ
今日
続きを見る
他の特許を見る