TOP
|
特許
|
意匠
|
商標
特許ウォッチ
Twitter
他の特許を見る
公開番号
2025136504
公報種別
公開特許公報(A)
公開日
2025-09-19
出願番号
2024035128
出願日
2024-03-07
発明の名称
内燃機関の制御装置
出願人
トヨタ自動車株式会社
代理人
個人
主分類
F01N
3/023 20060101AFI20250911BHJP(機械または機関一般;機関設備一般;蒸気機関)
要約
【課題】フィルタの再生機能の異常判定における誤判定を回避することを課題とする。
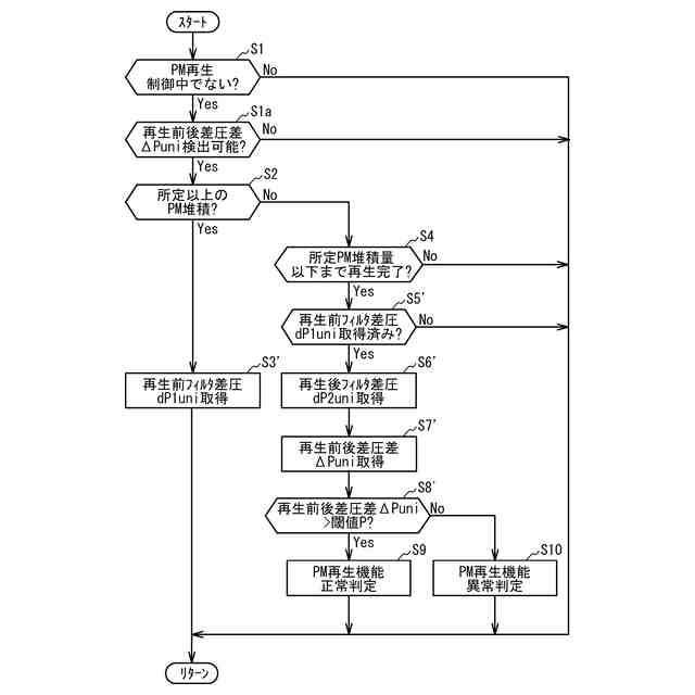
【解決手段】内燃機関の制御装置は、エンジン本体に接続された排気管にPMを捕集するフィルタが設けられ、前記PMを捕集した前記フィルタを再生するPM再生機能を備えた内燃機関の制御装置である。内燃機関の制御装置は、前記フィルタの前後差圧であるフィルタ差圧を取得するフィルタ差圧取得部と、前記フィルタの再生前に前記フィルタ差圧取得部によって取得された再生前フィルタ差圧と、前記フィルタの再生後に前記フィルタ差圧取得部によって取得された再生後フィルタ差圧との差分である再生前後差圧差を取得する再生前後差圧差取得部と、前記再生前後差圧差取得部によって取得された前記再生前後差圧差が予め設定された閾値以下であるときに、前記PM再生機能の異常判定を行うPM生成機能判定部と、を含む。
【選択図】図2
特許請求の範囲
【請求項1】
エンジン本体に接続された排気管にPMを捕集するフィルタが設けられ、前記PMを捕集した前記フィルタを再生するPM再生機能を備えた内燃機関の制御装置であって、
前記フィルタの前後差圧であるフィルタ差圧を取得するフィルタ差圧取得部と、
前記フィルタの再生前に前記フィルタ差圧取得部によって取得された再生前フィルタ差圧と、前記フィルタの再生後に前記フィルタ差圧取得部によって取得された再生後フィルタ差圧との差分である再生前後差圧差を取得する再生前後差圧差取得部と、
前記再生前後差圧差取得部によって取得された前記再生前後差圧差が予め設定された閾値以下であるときに、前記PM再生機能の異常判定を行うPM生成機能判定部と、
を含む、内燃機関の制御装置。
続きを表示(約 730 文字)
【請求項2】
前記フィルタ差圧取得部は、PM堆積量推定部によって推定されたPM堆積量が第1の所定値以上である場合に前記再生前フィルタ差圧を取得するとともに、前記PM再生機能の稼働開始後に前記PM堆積量推定部によって推定されたPM堆積量が前記第1の所定値よりも小さい第2の所定値以下である場合に前記再生後フィルタ差圧を取得する、
請求項1に記載の内燃機関の制御装置。
【請求項3】
前記再生前フィルタ差圧を取得したときの体積流量及び前記再生後フィルタ差圧を取得したときの体積流量を算出する体積流量算出部を含み、前記体積流量算出部によって算出された体積流量が同値となるように前記再生前フィルタ差圧と前記再生後フィルタ差圧を補正するフィルタ差圧補正部をさらに備え、
前記再生前後差圧差取得部は、前記フィルタ差圧補正部によってそれぞれ補正された前記再生前フィルタ差圧と前記再生後フィルタ差圧の差分を取得する、
請求項1に記載の内燃機関の制御装置。
【請求項4】
前記体積流量算出部は、前記再生前フィルタ差圧の取得時において前記フィルタを通過したガスの温度及び流量に基づいて前記再生前フィルタ差圧の取得時における体積流量を取得するとともに、前記再生後フィルタ差圧の取得時において前記フィルタを通過したガスの温度及び流量に基づいて前記再生後フィルタ差圧の取得時における体積流量を取得する、
請求項3に記載の内燃機関の制御装置。
【請求項5】
前記再生前後差圧差取得部は、体積流量が所定値以上となる領域で前記再生前後差圧差を取得する、
請求項3に記載の内燃機関の制御装置。
発明の詳細な説明
【技術分野】
【0001】
本発明は、内燃機関の制御装置に関する。
続きを表示(約 1,700 文字)
【背景技術】
【0002】
従来、内燃機関の排気通路に設けられ、排気中のPM(Particulate Matter)を捕集するフィルタを備えた内燃機関が知られている。所定のPMを捕集したフィルタは、再生処理に供される。フィルタは、再生処理中に高温に曝される。これにより、フィルタが破損したり、溶損したりすることがある。例えば、特許文献1は、再生処理が完了した状態で、フィルタの上流側と下流側の圧力差に基づいて、フィルタの故障の有無を判定することを提案している。
【先行技術文献】
【特許文献】
【0003】
特開2011-220233号公報
【発明の概要】
【発明が解決しようとする課題】
【0004】
ところで、内燃機関がPMの再生機能を備えている場合、この再生機能に異常が生じていないか否かの異常判定が必要となることある。再生機能の異常判定の手法の一つとして、特許文献1で開示されたフィルタの上流側と下流側の圧力差の利用が考えられる。しかしながら、フィルタの上流側と下流側の圧力差は、フィルタ製造時の公差のバラツキや、フィルタの経年変化の影響を受けることがある。フィルタの上流側と下流側の圧力差が上述のような公差のバラツキや経年変化の影響を受けると、再生機能の異常判定が誤判定される可能性がある。
【0005】
そこで、本明細書開示の発明は、フィルタの再生機能の異常判定における誤判定を回避することを課題とする。
【課題を解決するための手段】
【0006】
上記課題は、エンジン本体に接続された排気管にPMを捕集するフィルタが設けられ、前記PMを捕集した前記フィルタを再生するPM再生機能を備えた内燃機関の制御装置であって、前記フィルタの前後差圧であるフィルタ差圧を取得するフィルタ差圧取得部と、前記フィルタの再生前に前記フィルタ差圧取得部によって取得された再生前フィルタ差圧と、前記フィルタの再生後に前記フィルタ差圧取得部によって取得された再生後フィルタ差圧との差分である再生前後差圧差を取得する再生前後差圧差取得部と、前記再生前後差圧差取得部によって取得された前記再生前後差圧差が予め設定された閾値以下であるときに、前記PM再生機能の異常判定を行うPM生成機能判定部と、を含む内燃機関の制御装置によって達成される。
【0007】
前記フィルタ差圧取得部は、PM堆積量推定部によって推定されたPM堆積量が第1の所定値以上である場合に前記再生前フィルタ差圧を取得するとともに、前記PM再生機能の稼働開始後に前記PM堆積量推定部によって推定されたPM堆積量が前記第1の所定値よりも小さい第2の所定値以下である場合に前記再生後フィルタ差圧を取得する態様とすることができる。
【0008】
前記再生前フィルタ差圧を取得したときの体積流量及び前記再生後フィルタ差圧を取得したときの体積流量を算出する体積流量算出部を含み、前記体積流量算出部によって算出された体積流量が同値となるように前記再生前フィルタ差圧と前記再生後フィルタ差圧を補正するフィルタ差圧補正部をさらに備え、前記再生前後差圧差取得部は、前記フィルタ差圧補正部によってそれぞれ補正された前記再生前フィルタ差圧と前記再生後フィルタ差圧の差分を取得する態様とすることができる。
【0009】
前記体積流量算出部は、前記再生前フィルタ差圧の取得時において前記フィルタを通過したガスの温度及び流量に基づいて前記再生前フィルタ差圧の取得時における体積流量を取得するとともに、前記再生後フィルタ差圧の取得時において前記フィルタを通過したガスの温度及び流量に基づいて前記再生後フィルタ差圧の取得時における体積流量を取得する態様とすることができる。
【0010】
前記再生前後差圧差取得部は、体積流量が所定値以上となる領域で前記再生前後差圧差を取得する態様とすることができる。
【発明の効果】
(【0011】以降は省略されています)
この特許をJ-PlatPat(特許庁公式サイト)で参照する
関連特許
トヨタ自動車株式会社
車両
13日前
トヨタ自動車株式会社
装置
23日前
トヨタ自動車株式会社
装置
23日前
トヨタ自動車株式会社
車両
3日前
トヨタ自動車株式会社
車両
24日前
トヨタ自動車株式会社
車両
22日前
トヨタ自動車株式会社
電池
3日前
トヨタ自動車株式会社
回転子
14日前
トヨタ自動車株式会社
モータ
14日前
トヨタ自動車株式会社
電動車
1日前
トヨタ自動車株式会社
ロータ
1日前
トヨタ自動車株式会社
サーバ
7日前
トヨタ自動車株式会社
電動車
13日前
トヨタ自動車株式会社
蓄電装置
3日前
トヨタ自動車株式会社
加熱装置
13日前
トヨタ自動車株式会社
蓄電装置
3日前
トヨタ自動車株式会社
制御装置
13日前
トヨタ自動車株式会社
制御装置
13日前
トヨタ自動車株式会社
内燃機関
13日前
トヨタ自動車株式会社
蓄電装置
13日前
トヨタ自動車株式会社
電動車両
22日前
トヨタ自動車株式会社
電動車両
22日前
トヨタ自動車株式会社
給電装置
13日前
トヨタ自動車株式会社
電動車両
22日前
トヨタ自動車株式会社
蓄電装置
3日前
トヨタ自動車株式会社
制御装置
3日前
トヨタ自動車株式会社
蓄電装置
3日前
トヨタ自動車株式会社
蓄電装置
7日前
トヨタ自動車株式会社
制御装置
3日前
トヨタ自動車株式会社
蓄電装置
3日前
トヨタ自動車株式会社
冷却構造
6日前
トヨタ自動車株式会社
二次電池
3日前
トヨタ自動車株式会社
電源装置
24日前
トヨタ自動車株式会社
電動車両
13日前
トヨタ自動車株式会社
電動車両
13日前
トヨタ自動車株式会社
冷却装置
13日前
続きを見る
他の特許を見る