TOP
|
特許
|
意匠
|
商標
特許ウォッチ
Twitter
他の特許を見る
10個以上の画像は省略されています。
公開番号
2025140450
公報種別
公開特許公報(A)
公開日
2025-09-29
出願番号
2024039860
出願日
2024-03-14
発明の名称
監視装置、監視システム、監視方法及び監視プログラム
出願人
三菱電機株式会社
代理人
個人
,
個人
,
個人
主分類
G05B
23/02 20060101AFI20250919BHJP(制御;調整)
要約
【課題】操作者にとって快適な操作が可能な画面となるよう支援するもので、操作者へ適切な監視画面を提示する監視装置、監視システム、監視方法及び監視プログラムを提供する。
【解決手段】監視装置20は、作成済の監視画面に紐づけられた熟練度を含む監視画面情報を取得する取得部21と、監視画面情報から評価対象の監視画面にある部品に対する配置要否の判断を行う判断部22と、部品に対する配置要否を評価対象の監視画面上に示す評価画像を生成する生成部24と、を備える。
【選択図】図2
特許請求の範囲
【請求項1】
作成済の監視画面に紐づけられた熟練度を含む監視画面情報を取得する取得部と、
前記取得部により取得された前記監視画面情報から評価対象の監視画面にある部品に対する配置要否の判断を行う判断部と、
前記部品に対する配置要否を前記評価対象の監視画面上に示す評価画像を生成する生成部と、
を備える、監視装置。
続きを表示(約 860 文字)
【請求項2】
前記評価対象の監視画面は新たに作成する監視画面である、請求項1に記載の監視装置。
【請求項3】
前記判断部は、前記評価対象の監視画面にある前記部品に対する配置要否を前記監視画面情報における配置重要度から判断する、
ことを特徴とする、請求項1に記載の監視装置。
【請求項4】
前記判断部は、前記評価対象の監視画面にある前記部品に対する配置要否を前記監視画面情報における配置頻度から判断する、
ことを特徴とする、請求項1に記載の監視装置。
【請求項5】
前記判断部は、前記評価対象の監視画面にある前記部品に対する配置要否を前記監視画面情報を学習させた学習済みモデルを用いて判断する、
ことを特徴とする、請求項1に記載の監視装置。
【請求項6】
前記生成部は、前記部品ごとの配置要否が判別可能となるよう色分けをした前記評価画像を生成する、
ことを特徴とする、請求項1に記載の監視装置。
【請求項7】
前記生成部は、前記部品の配置要否に加えて判断の根拠となる監視画面の例示をあわせて示す前記評価画像を生成する、
ことを特徴とする、請求項1に記載の監視装置。
【請求項8】
前記評価対象の監視画面は前記作成済みの監視画面である、請求項1に記載の監視装置。
【請求項9】
前記判断部は、前記監視画面情報および前記作成済の監視画面を操作したユーザーの熟練度を含む操作履歴情報から評価対象の前記監視画面に配置されている部品の配置要否の判断を行う、
ことを特徴とする、請求項1に記載の監視装置。
【請求項10】
前記判断部は、評価対象の前記監視画面に配置されている部品の配置要否の判断を行うこととあわせて配置されていない前記部品の追加の判断を行う、
ことを特徴とする、請求項1に記載の監視装置。
(【請求項11】以降は省略されています)
発明の詳細な説明
【技術分野】
【0001】
本開示は、監視画面により監視対象の監視および制御を行う監視装置、監視システム、監視方法及び監視プログラムに関する。
続きを表示(約 2,300 文字)
【背景技術】
【0002】
従来、監視対象である水処理施設の監視を行う監視装置が知られている。これらの監視装置では、監視対象の複数の設備の状態を示す監視画面を作成して、画面装置を介して操作者へ提示を行う。操作者は監視画面を確認することで、実際に監視対象に所在していなくても設備の状態を知ることが可能となる。
【0003】
特許文献1においては、水処理施設における複数の測定装置の測定データに基づき、水質を示す水質値に関する測定値、推定値、予測値又は正常値を線で表示する技術が開示されていた。これにより操作者は、監視画面を確認することで水質を直感的に把握することが可能となっていた。
【先行技術文献】
【特許文献】
【0004】
特開2022-68357号(第9頁、0045)
【発明の概要】
【発明が解決しようとする課題】
【0005】
一方で、操作者は監視画面を確認して監視対象の監視と制御を実施するが、画面に配置された部品の配置によっては、操作性に不便を感じることがあった。この部品とは、監視画面上に配置された動作を指示するためのパネルなどを指し、操作することで設備を稼働したり、新たな情報を表示させたりし、監視員が監視制御作業を実施するために使用するものである。操作者が感じる操作性の不便として、例えば経験の浅い操作者においては配置された部品の種類が足りていないと感じたり、熟練の操作者においては使用しない部品が配置されていて冗長に感じたりすることがあった。従来技術においては、操作者が快適に操作できる監視画面を提供することができていなかった。
【0006】
本開示は上述した課題を解決するためになされたものであり、監視画面の作成において操作者にとって快適な操作が可能な画面となるよう支援することで、操作者へ適切な監視画面を提示することを目的とするものである。
【課題を解決するための手段】
【0007】
上述した課題を解決させるため、本開示の監視装置は、作成済の監視画面に紐づけられた熟練度を含む監視画面情報を取得する取得部と、取得部により取得された監視画面情報から評価対象の監視画面にある部品に対する配置要否の判断を行う判断部と、部品に対する配置要否を評価対象の監視画面上に示す評価画像を生成する生成部と、を備える。
【発明の効果】
【0008】
本開示にかかる監視装置は、監視画面に紐づけられた熟練度を含む監視画面情報から、監視画面にある部品に対する配置要否を提示することが可能となり、操作者にとって快適な操作が可能な画面を作成する支援を行う。これにより、操作者へ適切な監視画面の提示を提示することが可能となり、監視および制御の作業効率の改善に繋がる。
【図面の簡単な説明】
【0009】
実施の形態1にかかる監視システムの構成例を示す図
実施の形態1にかかる監視装置の構成例を示す図
実施の形態1にかかる端末装置へ表示される監視画面の作成中の画面の例を示す図
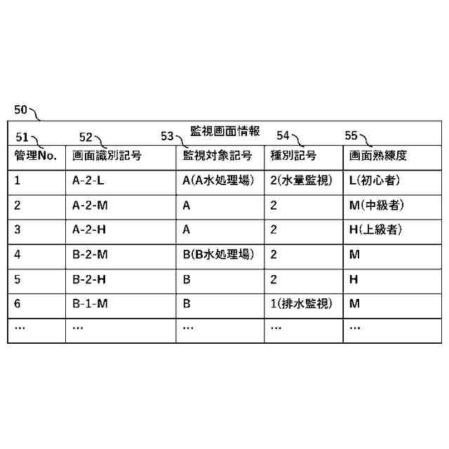
実施の形態1にかかる作成済みの監視画面の監視画面情報のデータテーブルの例を示す図
実施の形態1にかかる作成済みの監視画面に配置された部品の部品情報のデータテーブルの例を示す図
実施の形態1にかかる作成中の監視画面の情報と作成済みの監視画面の監視画面情報と部品情報を組み合わせた評価結果情報のデータテーブルの例を示す図
実施の形態1にかかる端末装置へ表示される評価対象の監視画面上に示される不要部品を配置時に注意を促す評価画面の例を示す図
実施の形態1にかかる端末装置へ表示される評価対象の監視画面上に示される不要部品を配置時に監視画面の例示を示す評価画面の例を示す図
実施の形態1にかかる監視装置の評価画像の生成にかかる処理の動作手順を示すフローチャート
実施の形態1にかかる監視装置による必要部品の判断を行う動作手順を示すフローチャート
実施の形態1にかかる監視装置による不要部品の判断を行う動作手順を示すフローチャート
実施の形態2にかかる作成済みの監視画面の操作履歴情報のデータテーブルの例を示す図
実施の形態2にかかる作成済みの監視画面の監視画面情報と操作履歴情報と部品情報を組み合わせた評価結果情報のデータテーブルの例を示す図
実施の形態2にかかる端末装置へ表示される評価対象の監視画面上に示される評価画面の例を示す図
実施の形態2にかかる監視装置の評価画像の生成にかかる処理の動作手順を示すフローチャート
実施の形態2にかかる監視装置による部品の配置要否の判断を行う動作手順を示すフローチャート
監視装置のハードウェア構成例を示す図
端末装置のハードウェア構成例を示す図
【発明を実施するための形態】
【0010】
以下に、本開示の実施の形態にかかる監視装置、監視システム、監視方法及び監視プログラムを図面に基づいて詳細に説明する。なお、各実施の形態により本開示が限定されるものではなく、各実施の形態を組み合わせたり適宜変更したりすることができる。また、複数の図面において同等の構成を有している場合には、その説明を省略する。
(【0011】以降は省略されています)
この特許をJ-PlatPat(特許庁公式サイト)で参照する
関連特許
三菱電機株式会社
給湯機
2か月前
三菱電機株式会社
冷蔵庫
1か月前
三菱電機株式会社
計測器
1か月前
三菱電機株式会社
照明器具
1か月前
三菱電機株式会社
回転電機
13日前
三菱電機株式会社
照明装置
13日前
三菱電機株式会社
照明装置
1か月前
三菱電機株式会社
照明装置
2か月前
三菱電機株式会社
照明装置
1か月前
三菱電機株式会社
回転電機
3日前
三菱電機株式会社
照明装置
24日前
三菱電機株式会社
送風装置
1か月前
三菱電機株式会社
回転電機
27日前
三菱電機株式会社
照明装置
1か月前
三菱電機株式会社
照明装置
1か月前
三菱電機株式会社
照明器具
1か月前
三菱電機株式会社
電子機器
1か月前
三菱電機株式会社
回転電機
1か月前
三菱電機株式会社
照明装置
2か月前
三菱電機株式会社
照明器具
1か月前
三菱電機株式会社
回転電機
1か月前
三菱電機株式会社
換気装置
1か月前
三菱電機株式会社
半導体装置
1か月前
三菱電機株式会社
半導体装置
23日前
三菱電機株式会社
半導体装置
1か月前
三菱電機株式会社
半導体装置
1か月前
三菱電機株式会社
加熱調理器
1か月前
三菱電機株式会社
回路遮断器
1か月前
三菱電機株式会社
加熱調理器
1か月前
三菱電機株式会社
半導体装置
13日前
三菱電機株式会社
半導体装置
1か月前
三菱電機株式会社
半導体装置
1か月前
三菱電機株式会社
回路遮断器
1か月前
三菱電機株式会社
半導体装置
1か月前
三菱電機株式会社
加熱調理器
1か月前
三菱電機株式会社
半導体装置
1か月前
続きを見る
他の特許を見る