TOP
|
特許
|
意匠
|
商標
特許ウォッチ
Twitter
他の特許を見る
10個以上の画像は省略されています。
公開番号
2025146479
公報種別
公開特許公報(A)
公開日
2025-10-03
出願番号
2024047289
出願日
2024-03-22
発明の名称
高周波モジュール及び通信装置
出願人
株式会社村田製作所
代理人
弁理士法人北斗特許事務所
主分類
H04B
1/38 20150101AFI20250926BHJP(電気通信技術)
要約
【課題】送信用部品と電子部品との間のアイソレーションを向上できる高周波モジュールを提供する。
【解決手段】高周波モジュール1は、実装基板70と、送信用部品75と、電子部品76と、金属部材72,73と、を備える。送信用部品75は、実装基板70に配置されている。電子部品76は、実装基板70に配置されて、送信用部品75で発生する送信信号の高調波成分の周波数帯域と少なくとも一部が重なる周波数帯域の信号を扱う。金属部材72,73は、送信用部品75及び電子部品76の少なくとも一方の部品の近傍に配置されて、上記高調波成分の波長の1/2倍又は1/4倍の電気長を有する。
【選択図】図2
特許請求の範囲
【請求項1】
実装基板と、
前記実装基板に配置された送信用部品と、
前記実装基板に配置されて、前記送信用部品で発生する送信信号の高調波成分の周波数帯域と少なくとも一部が重なる周波数帯域の信号を扱う電子部品と、
前記送信用部品及び前記電子部品の少なくとも一方の部品の近傍に配置されて、前記高調波成分の波長の1/2倍又は1/4倍の電気長を有する金属部材と、を備える、
高周波モジュール。
続きを表示(約 800 文字)
【請求項2】
前記送信用部品は、パワーアンプである、
請求項1に記載の高周波モジュール。
【請求項3】
前記少なくとも一方の部品の表面に設けられた樹脂部材を更に備え、
前記金属部材は、前記樹脂部材の表面に配置されている、
請求項1に記載の高周波モジュール。
【請求項4】
前記金属部材は、前記少なくとも一方の部品と接触した状態で配置されている、
請求項1に記載の高周波モジュール。
【請求項5】
前記金属部材は、前記高調波成分の波長の1/2倍の電気長を有し、両端が開放された線状部材である、
請求項3又は4に記載の高周波モジュール。
【請求項6】
前記金属部材は、前記高調波成分の波長の1/4倍の電気長を有し、一方端が前記実装基板に設けられたグランド電極と接続されている線状部材である、
請求項3又は4に記載の高周波モジュール。
【請求項7】
前記金属部材は、前記少なくとも一方の部品の外周面に直接に又は樹脂部材を介して配置される第1部分を有し、
前記第1部分は、前記少なくとも一方の部品の厚さ方向に沿って直線状に延びている、
請求項6に記載の高周波モジュール。
【請求項8】
前記金属部材を含む複数の金属部材を備える、
請求項1~4のいずれか1項に記載の高周波モジュール。
【請求項9】
前記複数の金属部材は、互いに異なる電気長を有する2つ以上の金属部材を含む、
請求項8に記載の高周波モジュール。
【請求項10】
前記複数の金属部材は、互いに同じ電気長を有する2つ以上の金属部材を含む、
請求項8に記載の高周波モジュール。
(【請求項11】以降は省略されています)
発明の詳細な説明
【技術分野】
【0001】
本発明は、一般に、高周波モジュール及び通信装置に関し、より詳細には、送信用部品及び電子部品を備える高周波モジュール、及び、上記高周波システムを備える通信装置に関する。
続きを表示(約 1,800 文字)
【背景技術】
【0002】
特許文献1に記載のフロントエンドモジュールは、モジュール基板(実装基板)と、3GPP規格のLB(Low Band)用のパワーアンプ(送信用部品)と、3GPP規格のMB(Mid Band)用のローノイズアンプ(電子部品)と、を備える。LB用のパワーアンプ及びMB用のローノイズアンプは、同一のモジュール基板に配置されている。このフロントエンドモジュールでは、キャリアアグリゲーションにおいて、LB帯の送信信号の送信とMB帯の受信信号の受信とが同時に行われる場合がある。
【先行技術文献】
【特許文献】
【0003】
米国特許出願公開第2019/0115946号明細書
【発明の概要】
【発明が解決しようとする課題】
【0004】
特許文献1に記載のフロントエンドモジュールでは、LB用のパワーアンプ及びMB用のローノイズアンプは、同一のモジュール基板において互いに近接して配置される場合がある。このような配置において、LB帯の送信信号の送信とMB帯の受信信号の受信とが同時に行われると、例えば、LB用のパワーアンプから周囲にLB帯の送信信号の2倍波又は3倍波(高調波成分)が発信される。そして、発信された2倍波又は3倍波は、MB用のローノイズアンプを流れるMB帯の受信信号にノイズとして重畳する。この結果、MB帯の受信信号の受信感度が劣化する。
【0005】
本発明は、上記の問題を鑑みて、送信用部品と電子部品との間のアイソレーションを向上できる高周波モジュール、及び、通信装置を提供することを目的とする。
【課題を解決するための手段】
【0006】
本発明の一態様に係る高周波モジュールは、実装基板と、送信用部品と、電子部品と、金属部材と、を備える。前記送信用部品は、前記実装基板に配置されている。前記電子部品は、前記実装基板に配置されて、前記送信用部品で発生する送信信号の高調波成分の周波数帯域と少なくとも一部が重なる周波数帯域の信号を扱う。前記金属部材は、前記送信用部品及び前記電子部品の少なくとも一方の部品の近傍に配置されて、前記高調波成分の波長の1/2倍又は1/4倍の電気長を有する。
【0007】
本発明の一態様に係る通信装置は、前記高周波モジュールと、信号処理回路と、を備える。前記信号処理回路は、前記高周波モジュールと接続されており、高周波信号を信号処理する。
【発明の効果】
【0008】
本発明に係る高周波モジュール及び通信装置によれば、送信用部品と電子部品との間のアイソレーションを向上できる、という利点がある。
【図面の簡単な説明】
【0009】
図1は、実施形態1に係る高周波モジュール及び通信装置のブロック図である。
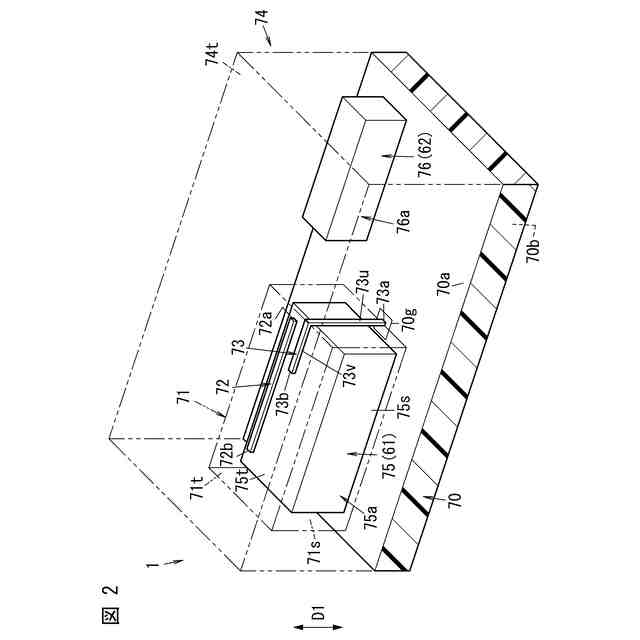
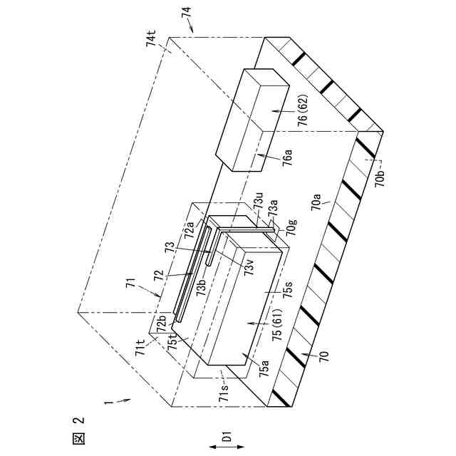
図2は、同上の高周波モジュールの要部の配置の一例を説明する説明図である。
図3は、実施形態1の変形例6に係る高周波モジュールの要部の配置の一例を説明する説明図である。
図4は、同上の高周波モジュールにおける金属部材とグランド電極との間に接続された回路の一例を説明する説明図である。
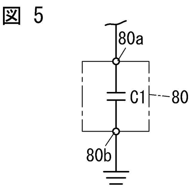
図5は、同上の高周波モジュールにおける金属部材とグランド電極との間に接続された回路の別の例を説明する説明図である。
図6は、同上の高周波モジュールにおける金属部材とグランド電極との間に接続された回路の別の例を説明する説明図である。
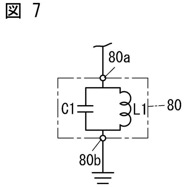
図7は、同上の高周波モジュールにおける金属部材とグランド電極との間に接続された回路の別の例を説明する説明図である。
図8は、実施形態1の変形例7の金属部材を説明するための説明図である。
図9は、実施形態1の変形例8の金属部材を説明するための説明図である。
図10は、実施形態2に係る高周波モジュールの主要な構成要素の配置の一例を説明する説明図である。
【発明を実施するための形態】
【0010】
(実施形態1)
実施形態1に係るパワーアンプを備える高周波モジュール1及び通信装置100について、図面を参照して詳しく説明する。
(【0011】以降は省略されています)
この特許をJ-PlatPat(特許庁公式サイト)で参照する
関連特許
株式会社村田製作所
電池
10日前
株式会社村田製作所
釣り具
9日前
株式会社村田製作所
電子部品
2日前
株式会社村田製作所
噴霧ノズル
4日前
株式会社村田製作所
コイル部品
16日前
株式会社村田製作所
フィルタ回路
6日前
株式会社村田製作所
流体制御装置
17日前
株式会社村田製作所
グラビア印刷版
24日前
株式会社村田製作所
積層インダクタ
6日前
株式会社村田製作所
弾性波フィルタ
16日前
株式会社村田製作所
インダクタ部品
16日前
株式会社村田製作所
複合型電子部品
2日前
株式会社村田製作所
呼吸検出システム
6日前
株式会社村田製作所
多層基板及び電子機器
6日前
株式会社村田製作所
多層基板及び電子機器
6日前
株式会社村田製作所
積層セラミック電子部品
18日前
株式会社村田製作所
積層セラミック電子部品
18日前
株式会社村田製作所
積層セラミック電子部品
3日前
株式会社村田製作所
積層セラミック電子部品
3日前
株式会社村田製作所
積層セラミック電子部品
25日前
株式会社村田製作所
積層セラミック電子部品
2日前
株式会社村田製作所
光学的パターン表示物品
2日前
株式会社村田製作所
積層セラミック電子部品
18日前
株式会社村田製作所
積層セラミックコンデンサ
18日前
株式会社村田製作所
積層コイル部品の製造方法
18日前
株式会社村田製作所
積層セラミックコンデンサ
9日前
株式会社村田製作所
積層セラミックコンデンサ
1か月前
株式会社村田製作所
積層セラミックコンデンサ
6日前
株式会社村田製作所
タブおよび電池モジュール
2日前
株式会社村田製作所
樹脂多層基板及び電子機器
6日前
株式会社村田製作所
積層セラミックコンデンサ
6日前
株式会社村田製作所
電池および電池の製造方法
2日前
株式会社村田製作所
積層セラミックコンデンサ
4日前
株式会社村田製作所
積層セラミックコンデンサ
3日前
株式会社村田製作所
積層インダクタの製造方法
2日前
株式会社村田製作所
樹脂多層基板及び電子機器
6日前
続きを見る
他の特許を見る