TOP
|
特許
|
意匠
|
商標
特許ウォッチ
Twitter
他の特許を見る
10個以上の画像は省略されています。
公開番号
2025151182
公報種別
公開特許公報(A)
公開日
2025-10-09
出願番号
2024052474
出願日
2024-03-27
発明の名称
二次電池
出願人
トヨタ自動車株式会社
,
株式会社豊田自動織機
代理人
弁理士法人太陽国際特許事務所
主分類
H01M
10/04 20060101AFI20251002BHJP(基本的電気素子)
要約
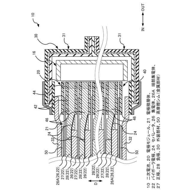
【課題】電極積層体において通常施されている表面処理へ影響を及ぼすことなく外装部材内における電極積層体の動きを抑制することができる二次電池を得る。
【解決手段】二次電池10は、正極層27と負極層28とがセパレータ24を介して複数積層された電極積層体21を含む電極モジュール20と、電極モジュール20を包む外装部材30と、電極モジュール20と外装部材30との間に配設され、電極モジュール20の電極積層体21における積層方向Dの両端の外側表面及び外装部材30の内側表面よりも表面硬度が高く、かつ表面粗さが大きい金属部材50と、を有する。
【選択図】図1
特許請求の範囲
【請求項1】
正極層と負極層とがセパレータを介して複数積層された電極積層体を含む電極モジュールと、
当該電極モジュールを包む外装部材と、
前記電極モジュールと前記外装部材との間に配設され、前記電極モジュールの前記電極積層体における積層方向の両端の外側表面及び前記外装部材の内側表面よりも表面硬度が高く、かつ表面粗さが大きい金属部材と、
を有する二次電池。
続きを表示(約 460 文字)
【請求項2】
前記電極積層体は、集電体の一面に前記正極層が形成されると共に他面に前記負極層が形成されたバイポーラ電極が、前記セパレータを介して複数積層されて構成されており、
前記電極モジュールは、当該電極積層体の前記積層方向の両端に各々積層された端部集電体を備えている請求項1に記載の二次電池。
【請求項3】
前記金属部材は、前記端部集電体の少なくとも一部と前記外装部材との間に配設されている請求項2に記載の二次電池。
【請求項4】
前記外装部材は、フィルム材を重ね合わせて形成されたラミネートフィルムであり、
当該ラミネートフィルムの前記電極モジュール側の内側フィルムと、前記電極積層体における積層方向の両端の外側表面とが同じ材質で構成されている請求項1に記載の二次電池。
【請求項5】
前記金属部材は、
表面に研磨加工層を有する金属箔と、
当該金属箔の厚さ方向両端側の表面に設けられた表面硬化層と、を有する請求項1に記載の二次電池。
発明の詳細な説明
【技術分野】
【0001】
本発明は、二次電池に関する。
続きを表示(約 1,900 文字)
【背景技術】
【0002】
特許文献1には、電極積層体の最外層とラミネートフィルム外装部材の内層との間の実効静止摩擦係数μeffと、正極とセパレータとの間の静止摩擦係数、及び負極とセパレータとの間の静止摩擦係数のうちの大きい方の静止摩擦係数μ1との間にμeff<μ1の関係を有する電極モジュールが開示されている。
【先行技術文献】
【特許文献】
【0003】
国際公開2014/034350号
【発明の概要】
【発明が解決しようとする課題】
【0004】
電極積層体の最外層とラミネートフィルム外装部材の内層との間の実効静止摩擦係数μeffを所定の値に調整することで、電極積層体の振動によるラミネートフィルム外装部材の破損を抑制することは可能である。しかしながら、電極積層体の最外層が例えばAl(アルミニウム)で構成されている場合、Al表面に摩擦係数を大きくするための処理をした際に、通常必要とされるAl表面への腐食防止処理やシール強度向上のための処理に何らかの影響を及ぼしてしまう可能性があり、改善の余地がある。
【0005】
本発明は上記事実を考慮し、電極積層体において通常施されている表面処理へ影響を及ぼすことなく外装部材内における電極積層体の動きを抑制することができる二次電池を提供することを目的とする。
【課題を解決するための手段】
【0006】
請求項1に記載の本発明に係る二次電池は、正極層と負極層とがセパレータを介して複数積層された電極積層体を含む電極モジュールと、当該電極モジュールを包む外装部材と、前記電極モジュールと前記外装部材との間に配設され、前記電極モジュールの前記電極積層体における積層方向の両端の外側表面及び前記外装部材の内側表面よりも表面硬度が高く、かつ表面粗さが大きい金属部材と、を有する。
【0007】
請求項1に記載の本発明に係る二次電池では、電極モジュールと電極モジュールを包む外装部材との間に、電極モジュールの電極積層体における積層方向の両端の外側表面及び前記外装部材の内側表面よりも表面硬度が高く、かつ表面粗さが大きい金属部材が配設されている。そのため、金属部材の表面の凹凸が電極モジュールの外側表面及び外装部材の内側表面に各々食い込むことにより、金属部材の表面との接触面における摩擦力を金属部材が介在しない場合と比較して大きくすることができる。これにより、外装部材内における電極モジュールの動きを抑制することができる。また、電極モジュールの外側表面に処理を施していないので、電極モジュールにおいて通常施されている表面処理へ影響を及ぼすことはない。
【0008】
請求項2に記載の本発明に係る二次電池は、請求項1に記載の構成において、前記電極積層体は、集電体の一面に前記正極層が形成されると共に他面に前記負極層が形成されたバイポーラ電極が、前記セパレータを介して複数積層されて構成されており、前記電極モジュールは、当該電極積層体の前記積層方向の両端に各々積層された端部集電体を備えている。
【0009】
従来、バイポーラ電極を有する電極モジュールにおいて、例えば端部集電体がAlで構成されている場合、端部集電体の外側表面であるAl表面に腐食防止処理やシール強度向上のための処理が施されている。バイポーラ電極を有する電極モジュールにおいては、一般的な電極積層体を有する電極モジュールとは異なり、端部集電体の主平面の通電機能を確保しながら電極モジュールと外装部材との間の摩擦力をより大きくする必要がある。例えば、バイポーラ電極を有する電極モジュールにおいて、樹脂接着剤を使用する等のAl表面に摩擦力を大きくするための処理をした際に、Al表面へ施されている上記処理に何らかの影響を与えてしまう可能性がある。
【0010】
そこで、請求項2に記載の本発明に係る二次電池では、電極積層体は、バイポーラ電極がセパレータを介して複数積層されて構成されており、電極モジュールが、当該電極積層体の積層方向の両端に各々積層された端部集電体を備えている。そのため、電極モジュールと外装部材との間に配設された上記金属部材により、端部集電体の外側表面及び外装部材の内側表面と、金属部材の表面との間の摩擦力を大きくすることができる。これにより、端部集電体の主平面における通電機能を阻害することなく、外装部材内における電極モジュールの動きを抑制することができる。
(【0011】以降は省略されています)
この特許をJ-PlatPat(特許庁公式サイト)で参照する
関連特許
トヨタ自動車株式会社
車両
7日前
トヨタ自動車株式会社
車両
1日前
トヨタ自動車株式会社
電池
2日前
トヨタ自動車株式会社
電池
3日前
トヨタ自動車株式会社
車両
7日前
トヨタ自動車株式会社
車両
今日
トヨタ自動車株式会社
固定子
1日前
トヨタ自動車株式会社
加熱器
今日
トヨタ自動車株式会社
ケース
2日前
トヨタ自動車株式会社
電動車
3日前
トヨタ自動車株式会社
ロータ
9日前
トヨタ自動車株式会社
電動車
9日前
トヨタ自動車株式会社
電動車
7日前
トヨタ自動車株式会社
電動車
7日前
トヨタ自動車株式会社
電動車
7日前
トヨタ自動車株式会社
電解液
7日前
トヨタ自動車株式会社
回転子
7日前
トヨタ自動車株式会社
切断装置
7日前
トヨタ自動車株式会社
電動車両
7日前
トヨタ自動車株式会社
監視装置
1日前
トヨタ自動車株式会社
製造装置
1日前
トヨタ自動車株式会社
二次電池
1日前
トヨタ自動車株式会社
蓄電装置
8日前
トヨタ自動車株式会社
塗工装置
1日前
トヨタ自動車株式会社
バッテリ
1日前
トヨタ自動車株式会社
バッテリ
1日前
トヨタ自動車株式会社
蓄電セル
9日前
トヨタ自動車株式会社
蓄電セル
9日前
トヨタ自動車株式会社
蓄電装置
9日前
トヨタ自動車株式会社
蓄電セル
7日前
トヨタ自動車株式会社
路側装置
2日前
トヨタ自動車株式会社
制御装置
2日前
トヨタ自動車株式会社
蓄電装置
2日前
トヨタ自動車株式会社
制御装置
7日前
トヨタ自動車株式会社
塗布装置
9日前
トヨタ自動車株式会社
蓄電装置
8日前
続きを見る
他の特許を見る