TOP
|
特許
|
意匠
|
商標
特許ウォッチ
Twitter
他の特許を見る
10個以上の画像は省略されています。
公開番号
2025118310
公報種別
公開特許公報(A)
公開日
2025-08-13
出願番号
2024013564
出願日
2024-01-31
発明の名称
磁気センサ
出願人
TDK株式会社
代理人
インフォート弁理士法人
,
弁理士法人イトーシン国際特許事務所
主分類
H10N
50/80 20230101AFI20250805BHJP()
要約
【課題】磁気抵抗効果素子の近傍に形成され且つ所定の機能を有する機能層を効果的に用いて、所望の機能を実現できるようにした磁気センサを実現する。
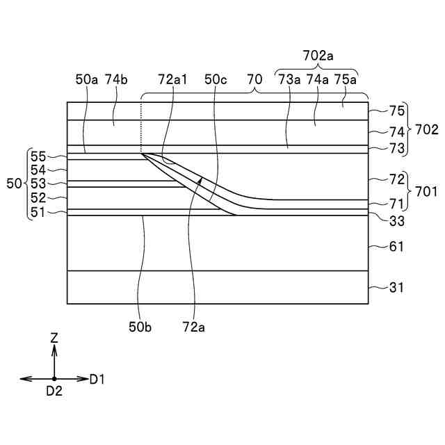
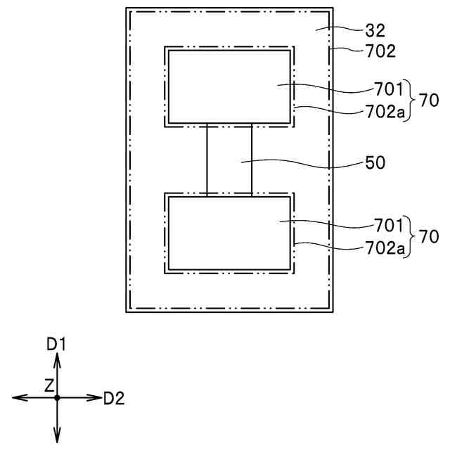
【解決手段】磁気センサ1は、MR素子50と、第1の方向D1から見たときにMR素子50と重なるように配置された強磁性層72と、第2の方向D2においてMR素子50の両側に配置された絶縁層32と、MR素子50、強磁性層72および絶縁層32の上に配置された下地層73と、下地層73の上に配置された反強磁性層74とを備えている。反強磁性層74は、下地層73を介して強磁性層72に対向する反強磁性部74aと、下地層73を介してMR素子50および絶縁層32には対向するが強磁性層72には対向しない非対向部分74bとを含んでいる。
【選択図】図9
特許請求の範囲
【請求項1】
積層された複数の磁性膜を含む少なくとも1つの磁気抵抗効果素子と、
強磁性材料よりなり、前記複数の磁性膜の積層方向に直交する第1の方向から見たときに前記少なくとも1つの磁気抵抗効果素子と重なるように配置された第1の強磁性層と、
絶縁材料よりなり、前記積層方向および前記第1の方向の各々に直交する第2の方向において前記少なくとも1つの磁気抵抗効果素子の両側に配置された絶縁層と、
前記少なくとも1つの磁気抵抗効果素子、前記第1の強磁性層および前記絶縁層の上に配置された下地層と、
前記下地層の上に配置された反強磁性層とを備え、
前記反強磁性層は、前記下地層を介して前記第1の強磁性層に対向する第1の反強磁性部と、前記下地層を介して前記少なくとも1つの磁気抵抗効果素子および前記絶縁層には対向するが前記第1の強磁性層には対向しない非対向部分とを含むことを特徴とする磁気センサ。
続きを表示(約 1,200 文字)
【請求項2】
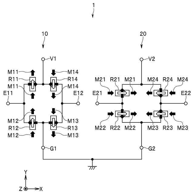
前記第1の強磁性層と前記第1の反強磁性部は、前記少なくとも1つの磁気抵抗効果素子に印加される磁界を発生する磁界発生体を構成することを特徴とする請求項1記載の磁気センサ。
【請求項3】
前記下地層は、強磁性材料よりなり、
前記下地層のうち、前記第1の強磁性層と前記第1の反強磁性部との間に位置する部分は、前記第1の強磁性層および前記第1の反強磁性部と共に前記磁界発生体を構成することを特徴とする請求項2記載の磁気センサ。
【請求項4】
前記少なくとも1つの磁気抵抗効果素子は、第1の磁気抵抗効果素子と第2の磁気抵抗効果素子であり、
前記第1の磁気抵抗効果素子と前記第2の磁気抵抗効果素子は、前記反強磁性層を介して直列に接続されていることを特徴とする請求項1記載の磁気センサ。
【請求項5】
前記第1の磁気抵抗効果素子と前記第2の磁気抵抗効果素子は、前記第1の方向に沿って並んでいることを特徴とする請求項4記載の磁気センサ。
【請求項6】
前記第1の磁気抵抗効果素子と前記第2の磁気抵抗効果素子は、前記第2の方向に沿って並んでいることを特徴とする請求項4記載の磁気センサ。
【請求項7】
更に、強磁性材料よりなり、前記第1の方向において前記第1の強磁性層との間に前記少なくとも1つの磁気抵抗効果素子を挟む位置に配置された第2の強磁性層を備え、
前記反強磁性層は、更に、前記下地層を介して前記第2の強磁性層に対向する第2の反強磁性部を含み、
前記第1の強磁性層と前記第1の反強磁性部は、前記少なくとも1つの磁気抵抗効果素子に印加される第1の磁界を発生する第1の磁界発生体を構成し、
前記第2の強磁性層と前記第2の反強磁性部は、前記少なくとも1つの磁気抵抗効果素子に印加される第2の磁界を発生する第2の磁界発生体を構成することを特徴とする請求項1記載の磁気センサ。
【請求項8】
前記少なくとも1つの磁気抵抗効果素子は、第1の磁気抵抗効果素子と第2の磁気抵抗効果素子であり、
前記第1の磁気抵抗効果素子と前記第2の磁気抵抗効果素子は、回路構成上並列に接続されていることを特徴とする請求項7記載の磁気センサ。
【請求項9】
前記積層方向における前記第1の強磁性層の最大の寸法は、前記積層方向における前記下地層の最大の寸法よりも大きいことを特徴とする請求項1記載の磁気センサ。
【請求項10】
前記複数の磁性膜は、対象磁界に応じて方向が変化可能な磁化を有する自由層を含み、
前記積層方向における前記自由層の最大の寸法は、前記積層方向における前記下地層の最大の寸法よりも大きいことを特徴とする請求項1記載の磁気センサ。
(【請求項11】以降は省略されています)
発明の詳細な説明
【技術分野】
【0001】
本発明は、磁気抵抗効果素子にバイアス磁界を印加できるように構成された磁気センサに関する。
続きを表示(約 1,800 文字)
【背景技術】
【0002】
近年、種々の用途で、磁気センサが利用されている。磁気センサとしては、基板上に設けられたスピンバルブ型の磁気抵抗効果素子を用いたものが知られている。スピンバルブ型の磁気抵抗効果素子は、方向が固定された磁化を有する磁化固定層と、対象磁界の方向に応じて方向が変化可能な磁化を有する自由層と、磁化固定層と自由層の間に配置されたギャップ層とを有している。
【0003】
磁気センサには、磁気抵抗効果素子に対してバイアス磁界を印加する手段を備えたものがある。バイアス磁界は、例えば、対象磁界の強度の変化に対して磁気抵抗効果素子が線形に応答するようにするために用いられる。また、スピンバルブ型の磁気抵抗効果素子を用いた磁気センサでは、バイアス磁界は、対象磁界がないときに、自由層を単磁区化し、且つ自由層の磁化の方向を一定の方向に向かせるためにも用いられる。
【0004】
バイアス磁界を発生する手段としては、反強磁性層と強磁性層を積層した磁界発生体が知られている。特許文献1,2には、磁気抵抗効果素子と、磁気抵抗効果素子を挟むように配置された2つの磁界発生体とを備えた磁気センサが開示されている。
【先行技術文献】
【特許文献】
【0005】
特開2015-125020号公報
特開2016-176911号公報
【発明の概要】
【発明が解決しようとする課題】
【0006】
磁気抵抗効果素子に印加されるバイアス磁界の強度を大きくするためには、磁気抵抗効果素子と磁界発生体との間隔を小さくすることが好ましい。磁気抵抗効果素子と磁界発生体との間隔が小さくなるように磁界発生体を形成する方法としては、例えば、磁気抵抗効果素子の側面に薄い絶縁膜を形成し、この絶縁膜を介して磁気抵抗効果素子の側面に隣接するように磁界発生体を形成することが考えられる。
【0007】
一般的に、磁気抵抗効果素子の側面はテーパーになる。そのため、上述の方法によって磁界発生体を形成すると、磁界発生体は、磁気抵抗効果素子の側面に乗り上げるように形成される。この場合、磁界発生体を構成する各層の、磁気抵抗効果素子の側面に乗り上げた部分の膜厚は、磁気抵抗効果素子に近づくほど小さくなる。その結果、磁界発生体を構成する各層を効果的に用いることができなくなり、所望の特性を実現することができなくなるという問題が発生する。
【0008】
本発明はかかる問題点に鑑みてなされたもので、その目的は、磁気抵抗効果素子の近傍に形成され且つ所定の機能を有する機能層を効果的に用いて、所望の機能を実現できるようにした磁気センサを提供することにある。
【課題を解決するための手段】
【0009】
本発明の磁気センサは、積層された複数の磁性膜を含む少なくとも1つの磁気抵抗効果素子と、強磁性材料よりなり、複数の磁性膜の積層方向に直交する第1の方向から見たときに少なくとも1つの磁気抵抗効果素子と重なるように配置された第1の強磁性層と、絶縁材料よりなり、積層方向および第1の方向の各々に直交する第2の方向において少なくとも1つの磁気抵抗効果素子の両側に配置された絶縁層と、少なくとも1つの磁気抵抗効果素子、第1の強磁性層および絶縁層の上に配置された下地層と、下地層の上に配置された反強磁性層とを備えている。反強磁性層は、下地層を介して第1の強磁性層に対向する第1の反強磁性部と、下地層を介して少なくとも1つの磁気抵抗効果素子および絶縁層には対向するが第1の強磁性層には対向しない非対向部分とを含んでいる。
【発明の効果】
【0010】
本発明の磁気センサでは、下地層が、少なくとも1つの磁気抵抗効果素子、第1の強磁性層および絶縁層の上に配置され、反強磁性層が、下地層の上に配置されている。反強磁性層は、下地層を介して第1の強磁性層に対向する第1の反強磁性部と、下地層を介して少なくとも1つの磁気抵抗効果素子および絶縁層には対向するが第1の強磁性層には対向しない非対向部分とを含んでいる。これにより、本発明によれば、機能層である反強磁性層を効果的に用いて、所望の機能を実現することが可能になるという効果を奏する。
【図面の簡単な説明】
(【0011】以降は省略されています)
この特許をJ-PlatPat(特許庁公式サイト)で参照する
関連特許
TDK株式会社
電子部品
24日前
TDK株式会社
電子部品
3日前
TDK株式会社
電子部品
1か月前
TDK株式会社
電子部品
1か月前
TDK株式会社
電子部品
24日前
TDK株式会社
電子部品
1か月前
TDK株式会社
電子部品
2か月前
TDK株式会社
太陽電池
2か月前
TDK株式会社
電子部品
2か月前
TDK株式会社
電子部品
3日前
TDK株式会社
電子部品
1か月前
TDK株式会社
フィルタ
3日前
TDK株式会社
コイル部品
1か月前
TDK株式会社
磁気センサ
1か月前
TDK株式会社
磁気センサ
1か月前
TDK株式会社
ガスセンサ
3日前
TDK株式会社
磁気センサ
23日前
TDK株式会社
コイル部品
1か月前
TDK株式会社
コイル部品
24日前
TDK株式会社
センサ装置
今日
TDK株式会社
磁気センサ
1か月前
TDK株式会社
ガスセンサ
1か月前
TDK株式会社
コイル部品
1か月前
TDK株式会社
コイル装置
1か月前
TDK株式会社
コイル装置
1か月前
TDK株式会社
光検知装置
今日
TDK株式会社
磁気センサ
1か月前
TDK株式会社
コイル部品
1日前
TDK株式会社
ガスセンサ
今日
TDK株式会社
温度センサ
14日前
TDK株式会社
コイル部品
7日前
TDK株式会社
コイル部品
3日前
TDK株式会社
コイル部品
3日前
TDK株式会社
コイル部品
3日前
TDK株式会社
磁気センサ
1か月前
TDK株式会社
コイル装置
7日前
続きを見る
他の特許を見る