TOP
|
特許
|
意匠
|
商標
特許ウォッチ
Twitter
他の特許を見る
公開番号
2025140469
公報種別
公開特許公報(A)
公開日
2025-09-29
出願番号
2024039897
出願日
2024-03-14
発明の名称
制御装置及び鍵情報秘匿方法
出願人
Astemo株式会社
代理人
弁理士法人桐朋
主分類
H04L
9/08 20060101AFI20250919BHJP(電気通信技術)
要約
【課題】車載コンピュータシステムに備えられたハードウェアセキュリティモジュールに鍵情報を格納する場合に、鍵情報を良好に秘匿する制御装置及び鍵情報秘匿方法を提供する。
【解決手段】制御装置10は、制御部22と、記憶部16と、ハードウェアセキュリティモジュール18と、を含み、制御部による鍵情報秘匿方法は、ハードウェアセキュリティモジュールを有効化する有効化処理S1と、有効化処理を行う前から記憶部に記憶されている鍵情報32Aに対応する鍵情報32Bを、有効化処理の後にハードウェアセキュリティモジュールに書き込む書込処理S2と、記憶部に記憶されている鍵情報を、書込処理の後に削除する削除処理S3と、を実行する。
【選択図】図3
特許請求の範囲
【請求項1】
制御部と、
記憶部と、
ハードウェアセキュリティモジュールと、
を備え、
前記制御部は、
前記ハードウェアセキュリティモジュールを有効化する有効化処理と、
前記有効化処理を行う前から前記記憶部に記憶されている鍵情報に対応する鍵情報を、前記有効化処理の後に前記ハードウェアセキュリティモジュールに書き込む書込処理と、
前記記憶部に記憶されている前記鍵情報を、前記書込処理の後に削除する削除処理と、
を実行する、制御装置。
続きを表示(約 980 文字)
【請求項2】
請求項1に記載の制御装置において、
前記削除処理では、前記記憶部に記憶された検査プログラムを、前記記憶部に記憶された前記鍵情報とともに削除する、制御装置。
【請求項3】
請求項2に記載の制御装置において、
前記検査プログラムは、検査装置による前記記憶部に対するリードライトを可能とするためのプログラムを含み、
前記検査プログラムが削除されることにより、前記検査装置による前記記憶部に対する前記リードライトが不可能となる、制御装置。
【請求項4】
請求項2に記載の制御装置において、
前記検査プログラムは、検査装置による制御入出力を可能とするためのプログラムを含み、
前記検査プログラムが削除されることにより、前記検査装置による前記制御入出力が不可能となる、制御装置。
【請求項5】
請求項2記載の制御装置において、
デバッグポートを更に備え、
前記制御部は、前記デバッグポートを無効化する無効化処理を更に実行する、制御装置。
【請求項6】
請求項1に記載の制御装置において、
前記記憶部に記憶される前記鍵情報は、バイナリデータとして暗号化されている、制御装置。
【請求項7】
請求項1に記載の制御装置において、
前記記憶部に記憶される前記鍵情報は、秘密鍵情報である、制御装置。
【請求項8】
請求項1に記載の制御装置において、
前記記憶部に記憶される前記鍵情報は、メッセージ認証コード鍵情報である、制御装置。
【請求項9】
請求項1に記載の制御装置において、
前記記憶部に記憶される前記鍵情報は、共通鍵情報である、制御装置。
【請求項10】
ハードウェアセキュリティモジュールを有効化する有効化ステップと、
前記有効化ステップを行う前から記憶部に記憶されている鍵情報に対応する鍵情報を、前記有効化ステップの後に前記ハードウェアセキュリティモジュールに書き込む書込ステップと、
前記記憶部に記憶されている前記鍵情報を、前記書込ステップの後に削除する削除ステップと、
を有する、鍵情報秘匿方法。
発明の詳細な説明
【技術分野】
【0001】
本開示は、制御装置及び鍵情報秘匿方法に関する。
続きを表示(約 1,100 文字)
【背景技術】
【0002】
特許文献1には、車載コンピュータシステムに備えられたハードウェアセキュリティモジュールに鍵情報を格納することが開示されている。
【先行技術文献】
【特許文献】
【0003】
特開2018-23162号公報
【発明の概要】
【発明が解決しようとする課題】
【0004】
特許文献1は、ハードウェアセキュリティモジュールに鍵情報を格納することを単に開示しているに過ぎない。鍵情報を良好に秘匿し得る技術が待望されている。
【0005】
本開示は、前述した課題を解決することを目的とする。
【課題を解決するための手段】
【0006】
本開示の一態様による制御装置は、ハードウェアセキュリティモジュールを有効化する有効化処理と、前記有効化処理を行う前から記憶部に記憶されている鍵情報に対応する鍵情報を、前記有効化処理の後に前記ハードウェアセキュリティモジュールに書き込む書込処理と、前記記憶部に記憶されている前記鍵情報を、前記書込処理の後に削除する削除処理と、を実行する制御部を備える。
【0007】
本開示の他の態様による鍵情報秘匿方法は、ハードウェアセキュリティモジュールを有効化する有効化ステップと、前記有効化ステップを行う前から記憶部に記憶されている鍵情報に対応する鍵情報を、前記有効化ステップの後に前記ハードウェアセキュリティモジュールに書き込む書込ステップと、前記記憶部に記憶されている前記鍵情報を、前記書込ステップの後に削除する削除ステップと、を有する。
【発明の効果】
【0008】
本開示によれば、鍵情報を良好に秘匿し得る制御装置及び鍵情報秘匿方法を提供することができる。
【図面の簡単な説明】
【0009】
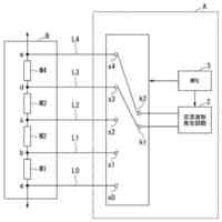
図1は、一実施形態による制御装置の構成を示すブロック図である。
図2は、一実施形態による制御装置の状態の遷移を示す図である。
図3は、一実施形態による鍵情報秘匿方法の例を示すフローチャートである。
【発明を実施するための形態】
【0010】
制御装置を検査する際には、検査装置と制御装置との間で暗号化通信が行われ得る。検査装置と制御装置とが暗号化通信を行うためには、制御装置に鍵情報が記憶されていることを要する。一方、鍵情報が記憶された制御装置を単に出荷した場合には、鍵情報が第三者に漏洩する虞がある。本開示は、鍵情報を良好に秘匿することに寄与し得る。
(【0011】以降は省略されています)
この特許をJ-PlatPat(特許庁公式サイト)で参照する
関連特許
Astemo株式会社
電圧検出装置
今日
Astemo株式会社
電池管理システム
今日
Astemo株式会社
回転電機のロータ構造
今日
Astemo株式会社
インジェクタ駆動装置
今日
Astemo株式会社
インジェクタ故障検出装置
今日
Astemo株式会社
温度検出装置及び電圧検出装置
今日
Astemo株式会社
電池監視装置及び電池管理システム
今日
Astemo株式会社
半導体装置
今日
Astemo株式会社
被牽引車用制御装置及び被牽引車バッテリ充電率調整システム
今日
WHISMR合同会社
収音装置
22日前
アイホン株式会社
電気機器
16日前
個人
ワイヤレスイヤホン対応耳掛け
14日前
株式会社リコー
画像形成装置
1か月前
株式会社リコー
画像形成装置
1か月前
キヤノン電子株式会社
画像読取装置
23日前
キヤノン株式会社
撮像システム
16日前
パテントフレア株式会社
超高速電波通信
1か月前
有限会社フィデリックス
マイクロフォン
今日
株式会社松平商会
携帯機器カバー
25日前
株式会社JVCケンウッド
通信システム
今日
大日本印刷株式会社
写真撮影装置
15日前
株式会社小糸製作所
画像照射装置
1か月前
沖電気工業株式会社
画像形成装置
4日前
株式会社大林組
監視システム
1か月前
日本無線株式会社
無線通信システム
8日前
株式会社JVCケンウッド
スピーカ
23日前
株式会社国際電気
遠隔監視システム
1か月前
日本無線株式会社
無線通信システム
25日前
株式会社セガ
写真シール作成機
25日前
日本信号株式会社
可視光通信システム
4日前
日本放送協会
広視野角撮像装置
4日前
株式会社村田製作所
高周波回路
1か月前
トヨタ自動車株式会社
通信装置
1か月前
株式会社デンソー
装置及び方法
23日前
日本放送協会
広視野角撮像装置
4日前
株式会社デンソー
装置および方法
1か月前
続きを見る
他の特許を見る