TOP
|
特許
|
意匠
|
商標
特許ウォッチ
Twitter
他の特許を見る
公開番号
2025145298
公報種別
公開特許公報(A)
公開日
2025-10-03
出願番号
2024045401
出願日
2024-03-21
発明の名称
温度検出装置及び電圧検出装置
出願人
Astemo株式会社
代理人
弁理士法人志賀国際特許事務所
主分類
H01M
10/48 20060101AFI20250926BHJP(基本的電気素子)
要約
【課題】検出線温度を適切に検出することが可能な温度検出装置及び電圧検出装置を提供する。
【解決手段】バッテリにおける複数のバッテリセルと接続する複数の電圧検出線の温度を検出線温度として検出する温度検出装置であって、バッテリの温度を検出線温度として取得する温度取得部を備える。
【選択図】図1
特許請求の範囲
【請求項1】
バッテリにおける複数のバッテリセルと接続する複数の電圧検出線の温度を検出線温度として検出する温度検出装置であって、
前記バッテリの温度を前記検出線温度として取得する温度取得部を備えることを特徴とする温度検出装置。
続きを表示(約 530 文字)
【請求項2】
前記温度取得部は、
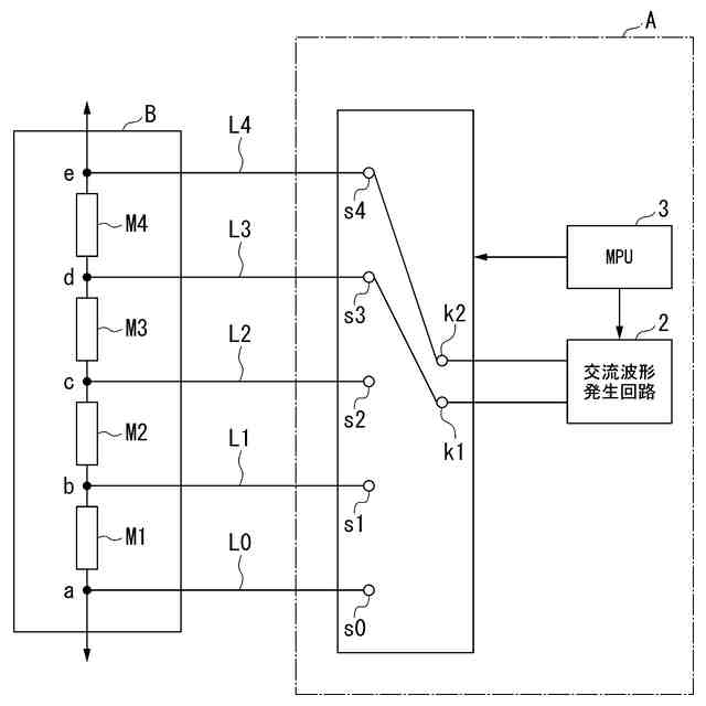
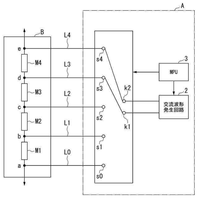
交流インピーダンス法に基づいて前記バッテリの内部インピーダンスを取得するインピーダンス取得部と、
前記内部インピーダンスを前記検出線温度に変換する温度変換部とを備えることを特徴とする請求項1に記載の温度検出装置。
【請求項3】
前記バッテリは、複数のバッテリモジュールを直列接続したものであり、
前記温度取得部は、前記バッテリモジュール毎に前記検出線温度を取得することを特徴とする請求項2に記載の温度検出装置。
【請求項4】
前記インピーダンス取得部は、複数の前記バッテリモジュールに交流波形を所定の順番で順次印加する選択スイッチを備え、前記交流波形の印加によって前記バッテリモジュールから得られる応答信号に基づいて前記バッテリモジュール毎に前記内部インピーダンスを取得することを特徴とする請求項3に記載の温度検出装置。
【請求項5】
請求項1~4のいずれか一項に記載の温度検出装置と、
該温度検出装置が検出した前記検出線温度に基づいて複数の前記バッテリセルのセル電圧を補正する電圧補正部と
を備えることを特徴とする電圧検出装置。
発明の詳細な説明
【技術分野】
【0001】
本発明は、温度検出装置及び電圧検出装置に関する。
続きを表示(約 1,500 文字)
【背景技術】
【0002】
下記特許文献1には、バッテリセルの充電状態を精度よく推定することが可能なバッテリシステムが開示されている。このバッテリシステムは、バッテリセル及び充電状態推定装置を備え、充電状態推定装置は、充放電期間の前後における非充放電期間でのバッテリセルの端子電圧に基づいて充放電期間におけるバッテリセルの充電状態を算出し、充放電期間でバッテリセルに流れる電流、充放電期間におけるバッテリセルの端子電圧及び算出された充放電期間における充電状態に基づいて充放電期間におけるバッテリセルの内部インピーダンスを算出し、充放電期間におけるバッテリセルの温度及び算出された内部インピーダンスに基づいて記憶部に記憶される内部インピーダンス情報を更新するものである。
【先行技術文献】
【特許文献】
【0003】
特開2014-231988号公報
【発明の概要】
【発明が解決しようとする課題】
【0004】
ところで、バッテリセルの端子電圧(電極電圧)に基づいてバッテリセルの電極間電圧(セル電圧)を精度良く検出するためには、バッテリにおける複数のバッテリセルと各バッテリセルのセル電圧を検出する電圧検出装置との間に設けられた複数の電圧検出線(ハーネス)の温度(検出線温度)を精度良く検出する必要がある。
【0005】
しかしながら、細経化及びFPC化されたハーネスについては、ハーネスの熱容量が小さいこと等に起因して熱電対等の温度センサを用いた場合に検出線温度を適切に検出できない。そして、この結果として、バッテリセルの電極電圧に適切な温度補正を施すことができないという問題がある。
【0006】
本発明は、上述した事情に鑑みてなされたものであり、検出線温度を適切に検出することが可能な温度検出装置及び電圧検出装置の提供を目的とする。
【課題を解決するための手段】
【0007】
上記目的を達成するために、本発明では、温度検出装置に係る第1の解決手段として、バッテリにおける複数のバッテリセルと接続する複数の電圧検出線の温度を検出線温度として検出する温度検出装置であって、前記バッテリの温度を前記検出線温度として取得する温度取得部を備える、という手段を採用する。
【0008】
本発明では、温度検出装置に係る第2の解決手段として、上記第1の解決手段において、前記温度取得部は、交流インピーダンス法に基づいて前記バッテリの内部インピーダンスを取得するインピーダンス取得部と、前記内部インピーダンスを前記検出線温度に変換する温度変換部とを備える、という手段を採用する。
【0009】
本発明では、温度検出装置に係る第3の解決手段として、上記第2の解決手段において、前記バッテリは、複数のバッテリモジュールを直列接続したものであり、前記温度取得部は、前記バッテリモジュール毎に前記検出線温度を取得する、という手段を採用する。
【0010】
本発明では、温度検出装置に係る第4の解決手段として、上記第3の解決手段において、前記インピーダンス取得部は、複数の前記バッテリモジュールに交流波形を所定の順番で順次印加する選択スイッチを備え、前記交流波形の印加によって前記バッテリモジュールから得られる応答信号に基づいて前記バッテリモジュール毎に前記内部インピーダンスを取得する、という手段を採用する。
(【0011】以降は省略されています)
この特許をJ-PlatPat(特許庁公式サイト)で参照する
関連特許
Astemo株式会社
電圧検出装置
1日前
Astemo株式会社
電池管理システム
1日前
Astemo株式会社
回転電機のロータ構造
1日前
Astemo株式会社
インジェクタ駆動装置
1日前
Astemo株式会社
インジェクタ故障検出装置
1日前
Astemo株式会社
放電装置及び電力変換装置
2日前
Astemo株式会社
温度検出装置及び電圧検出装置
1日前
Astemo株式会社
ナット部材、緩衝装置、加圧工具
2日前
Astemo株式会社
電池監視装置及び電池管理システム
1日前
Astemo株式会社
半導体装置
1日前
Astemo株式会社
被牽引車用制御装置及び被牽引車バッテリ充電率調整システム
1日前
個人
安全なNAS電池
29日前
東レ株式会社
多孔質炭素シート
24日前
日本発條株式会社
積層体
5日前
ローム株式会社
半導体装置
3日前
キヤノン株式会社
電子機器
24日前
ローム株式会社
半導体装置
3日前
ローム株式会社
半導体装置
3日前
ローム株式会社
半導体装置
1日前
ローム株式会社
半導体装置
24日前
エイブリック株式会社
半導体装置
26日前
エイブリック株式会社
半導体装置
26日前
個人
防雪防塵カバー
5日前
株式会社GSユアサ
蓄電装置
1か月前
ニチコン株式会社
コンデンサ
17日前
ニチコン株式会社
コンデンサ
17日前
東レ株式会社
ガス拡散層の製造方法
24日前
株式会社ティラド
面接触型熱交換器
16日前
株式会社GSユアサ
蓄電装置
5日前
個人
半導体パッケージ用ガラス基板
4日前
株式会社GSユアサ
蓄電装置
1日前
株式会社ホロン
冷陰極電子源
1日前
オムロン株式会社
電磁継電器
1か月前
太陽誘電株式会社
全固体電池
1日前
株式会社ヨコオ
コネクタ
26日前
トヨタ自動車株式会社
二次電池
5日前
続きを見る
他の特許を見る