TOP
|
特許
|
意匠
|
商標
特許ウォッチ
Twitter
他の特許を見る
公開番号
2025143763
公報種別
公開特許公報(A)
公開日
2025-10-02
出願番号
2024043181
出願日
2024-03-19
発明の名称
圃場作業装置
出願人
スガノ農機株式会社
代理人
個人
主分類
A01B
35/04 20060101AFI20250925BHJP(農業;林業;畜産;狩猟;捕獲;漁業)
要約
【課題】均平板の昇降調整及び畦際における接地輪の跳ね上げのための機構を、トラクタ側ではなく、トラクタで牽引される圃場作業装置側に設け、トラクタの機種に適合して圃場作業装置を設計、製作することを不要とする。
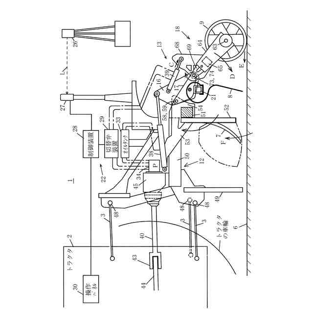
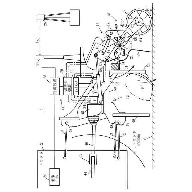
【解決手段】トラクタ2に牽引される圃場作業装置1は、均平板7を備えた作業機本体12と、接地部18を備え作業機本体12に対して上下方向に回動可能な畦際跳ね上げアッセンブリ13と、を有し、畦際跳ね上げアッセンブリ13は、作業機本体12に対して第1の枢支軸58.59を中心に第1シリンダ38の伸縮によって回動可能な第1回動板16及び三角回動片17と、第1回動板16及び三角回動片17に対して第2シリンダ39の伸縮によって第2の枢支軸73、74を中心に回動可能な接地部18と、を備え、接地部18は、接地輪支持フレーム杆65を介して接地輪(鎮圧輪9)が設けられている。
【選択図】図1
特許請求の範囲
【請求項1】
トラクタに3点リンク機構を介し連結して牽引され、均平板を有する作業機本体と、作業機本体に対して上下方向に回動可能な畦際跳ね上げアッセンブリと、を備え、均平板の上下位置を調整可能とし、圃場の地表面の均平作業を行う圃場作業装置であって、
畦際跳ね上げアッセンブリは、作業機本体に対して第1の枢支軸を中心に回動可能な第1回動板と、接地部と、を備え、
接地部は、第1回動板に対して第2の枢支軸を中心に回動可能な第2回動板と、第2回動板に固定された接地輪支持フレーム杆と、接地輪支持フレーム杆を介して取り付けられた接地輪と、を備え、
作業機本体と第1回動板の間に設けられた油圧で動作する第1シリンダの作動によって、畦際跳ね上げアッセンブリは、作業機本体に対して第1の枢支軸を中心に上下方向に回動可能であり、
第1回動板と第2回動板の間に設けられた油圧で動作する第2シリンダの作動によって、接地部は、第1回動板に対して第2の枢支軸を中心に上下方向に回動可能である構成を特徴とする圃場作業装置。
続きを表示(約 1,100 文字)
【請求項2】
トラクタに3点リンク機構を介し連結して牽引され、均平板を有する作業機本体と、作業機本体に対して上下方向に回動可能な畦際跳ね上げアッセンブリと、を備え、均平板の上下位置を調整可能とし、圃場の地表面の均平作業を行う圃場作業装置であって、
畦際跳ね上げアッセンブリは、作業機本体に対して第1の枢支軸を中心に回動可能な第1回動板及び三角回動片と、接地部と、を備え、
接地部は、第1回動板及び三角回動片に対してそれぞれ第2の枢支軸を中心に回動可能な第2回動板及びリンク板と、第2回動板及びリンク板と直交するように固定された横幅方向に水平に延びる接地輪支持フレーム杆と、接地輪支持フレーム杆の両端に固定された左右の側板と、左右側板に回転可能に取り付けられた接地輪回転軸と、接地輪回転軸に取り付けられた接地輪と、を備え、
作業機本体と第1回動板の間には、油圧でピストンロッドが伸縮する第1シリンダが設けられており、第1シリンダの作動によって、畦際跳ね上げアッセンブリは、作業機本体に対して第1の枢支軸を中心に上下方向に回動可能であり、
第1回動板と第2回動板の間には、油圧でピストンロッドが伸縮する第2シリンダが設けられており、第2シリンダの作動により、接地部は、第1回動板及び三角回動片に対して第2の枢支軸を中心に上下方向に回動可能である構成を特徴とする圃場作業装置。
【請求項3】
作業機本体には、横幅方向に水平に延びる均平板取付けフレームが設けられており、該均平板取付けフレームにはその長手方向に間隔をおいて、均平板が取り付けられている構成を特徴とする請求項1又は2に記載の圃場作業装置。
【請求項4】
第1回動板及び三角回動片には、横幅方向に水平に延びるタイン取付フレーム杆が固定されており、該タイン取付フレーム杆にはその長手方向に間隔をおいて、タインが取り付けられている構成を特徴とする請求項2に記載の圃場作業装置。
【請求項5】
接地輪は、鎮圧輪又はタイヤ輪である構成を特徴とする請求項1又は2に記載の圃場作業装置。
【請求項6】
作業機本体には、第1シリンダ及び第2シリンダに油を送給するための油タンク、油圧ポンプ、切替弁装置及び切替弁装置を制御する制御装置が設けられており、
油圧ポンプとトラクタのPTO軸の間に、トラクタ側から油圧ポンプへの動力を伝達する伝動軸が配置されており、
制御装置は、トラクタ側に設けられた操作部からの操作信号と、レーザ高さ測定装置又はGPS測位装置からの高さ測定データに基づいて、切替弁装置に切り換え制御信号を送る手段である構成を特徴とする請求項1又は2に記載の圃場作業装置。
発明の詳細な説明
【技術分野】
【0001】
本発明は、高低差のある圃場の地表面を均一平面にする均平作業機を備えた圃場作業装置に関し、特に、圃場の地表面の高さを、基準高さにあるレーザ発光機からのレーザ光を受光器で受光して検出し、又はGPS受信機で検出し、この検出した高さデータを基に、圃場の均平基準高さを決めて、この均平基準高さになるように圃場の均平作業を行う圃場作業装置に関する。
続きを表示(約 1,100 文字)
【背景技術】
【0002】
従来、凹凸のある圃場の面を均平にするために、圃場外にセットされた発光器の出すレーザ光を基準として均平作業機の均平板を一定の作業基準高さに保ちながら圃場内をくまなく運土し、最終的にレーザ光と平行な均平面とする技術が知られている(特許文献1、2参照)。
【0003】
トラクタと作業機により圃場を均平にするための作業装置であって、特にGPS衛星からの信号を利用して圃場表面を基準面と平行な面、言い換えると、作業機の作業高さを制御する高さ位置制御装置を装備した圃場用作業装置が知られている(特許文献2、3参照)。
【0004】
なお、均平板と鎮圧輪を備えた圃場用作業装置において、シリンダを作動して鎮圧輪をリフト可能とし、均平板が畦際に接近する際に、鎮圧輪が畦と干渉しないようにする構成は、知られている(特許文献4参照)。
【0005】
さらに、鎮圧輪を備え均平板の作業高さを制御する油圧シリンダを、圃場作業装置側に設けた構成は知られている(特許文献5参照)。
【0006】
また、ゲージホイール(タイヤ輪)を備え均平板の作業高さを制御する油圧シリンダを、圃場作業装置側に設けた構成は知られている(特許文献6参照)。
【先行技術文献】
【特許文献】
【0007】
特開平10-108508号公報
特開2001-8505号公報
特許第6623060号公報
特許第3791955号公報
特許第3565458号公報
特開2001-314103号公報
【発明の概要】
【発明が解決しようとする課題】
【0008】
上記特許文献1~6に記載された圃場作業装置は、それぞれ均平作業を効率的で安全に行うためにはきわめて有用な技術である。しかし、本発明者は、この技術について次のような改良すべき課題があるという知見を得た。
【0009】
即ち、特許文献1~4に記載の従来の鎮圧輪と均平を備えた圃場作業装置は、いずれも、圃場表面に対する作業機の均平板の作業高さを制御するためのシリンダとシリンダにより作動するリンク機構が、圃場作業装置を牽引するトラクタ側(圃場作業装置を連結する3点リンクのトラクタ側)に設けられている。
【0010】
特許文献5、6には、鎮圧輪又はタイヤ輪を有する圃場作業装置側に設けた油圧シリンダの動作で均平板の作業高さを制御する構成は開示されているが、併せて圃場作業装置に、油圧シリンダによって鎮圧輪又はタイヤ輪が畦と干渉しないよう跳ね上げる畦跳ね上げ機構を備えた構成は開示されていない。
(【0011】以降は省略されています)
この特許をJ-PlatPat(特許庁公式サイト)で参照する
関連特許
スガノ農機株式会社
圃場作業装置
5日前
個人
虫捕り器
8日前
個人
巻糸係止具
29日前
個人
刈込鋏保持具
4日前
個人
後付巻降ろし器
8日前
個人
虫の生け捕り具
1か月前
個人
飼育容器
18日前
個人
植物栽培用培地
1か月前
個人
植木鉢用台
1か月前
個人
イカ釣り用ヤエン
8日前
個人
釣り仕掛け処理具
1か月前
株式会社丹勝
緑化工法
5日前
井関農機株式会社
作業車両
8日前
岡部株式会社
浮魚礁
1か月前
株式会社シマノ
釣竿
8日前
井関農機株式会社
作業車両
8日前
井関農機株式会社
作業車両
6日前
個人
水耕栽培システム
18日前
井関農機株式会社
圃場作業機
29日前
個人
苔玉スタンド
1か月前
井関農機株式会社
収穫作業車両
1か月前
井関農機株式会社
作業車両
4日前
井関農機株式会社
作業車両
18日前
中国電力株式会社
巣撤去具
1か月前
松山株式会社
農作業機
18日前
松山株式会社
農作業機
1か月前
松山株式会社
農作業機
1か月前
松山株式会社
農作業機
1か月前
個人
伸縮する草刈り機の可動装置。
8日前
個人
妻面トラス梁付き園芸用ハウス
20日前
株式会社シマノ
ルアー
1か月前
松山株式会社
農作業機
4日前
みのる産業株式会社
苗植付装置
1か月前
みのる産業株式会社
苗植付装置
1か月前
トヨタ自動車株式会社
育苗装置
5日前
個人
給水方法及びこれを用いた給水装置
1か月前
続きを見る
他の特許を見る