TOP
|
特許
|
意匠
|
商標
特許ウォッチ
Twitter
他の特許を見る
10個以上の画像は省略されています。
公開番号
2025147036
公報種別
公開特許公報(A)
公開日
2025-10-03
出願番号
2025130140,2024052539
出願日
2025-08-04,2013-11-18
発明の名称
撮像素子及び撮像装置
出願人
株式会社ニコン
代理人
個人
,
個人
,
個人
,
個人
主分類
H04N
25/70 20230101AFI20250926BHJP(電気通信技術)
要約
【課題】ダイナミックレンジの拡大を可能としつつ、高感度読出し時のSN比を向上させる。
【解決手段】固体撮像素子4は、1つの光電変換部PD、ノードP、及び、1つの光電変換部PDに対応して設けられ前記光電変換部PDからノードPに電荷を転送する1つの転送スイッチTXを有する複数の画素ブロックBLと、1つの画素ブロックBLのノードPと他の1つの画素ブロックBLのノードPとの間に設けられた電気的な接続部と、前記接続部中に設けられた画素ブロックBLの1つ当たり複数の連結スイッチSWa,SWbと、を備える。
【選択図】図2
特許請求の範囲
【請求項1】
光を電荷に変換する第1光電変換部と、
光を電荷に変換する第2光電変換部と、
前記第1光電変換部で変換された電荷が転送される第1拡散部と、
前記第2光電変換部で変換された電荷が転送される第2拡散部と、
前記第1拡散部と電気的に接続される第1トランジスタと、
前記第2拡散部と電気的に接続されるトランジスタであって、前記第1拡散部と前記第2拡散部とを電気的に接続するための接続経路で前記第1トランジスタと直列に接続される第2トランジスタと、
所定電圧が供給される供給部と電気的に接続されるトランジスタであって、前記第1トランジスタと1つの拡散部を共有して形成される第3トランジスタと
を備える撮像素子。
続きを表示(約 980 文字)
【請求項2】
請求項1に記載の撮像素子において、
前記第3トランジスタは、前記供給部と電気的に接続される第3拡散部と、前記第1トランジスタと共有する第4拡散部とを有する、
撮像素子。
【請求項3】
請求項2に記載の撮像素子において、
前記第1拡散部は、前記第4拡散部を介して前記供給部と電気的に接続される、
撮像素子。
【請求項4】
請求項1から請求項3のいずれか一項に記載の撮像素子において、
前記第1拡散部と電気的に接続されるゲート部を有する第4トランジスタと、
前記第4トランジスタと1つの拡散部を共有して形成される第5トランジスタと
を備える撮像素子。
【請求項5】
請求項4に記載の撮像素子において、
前記第1トランジスタのゲート部と前記第3トランジスタのゲート部とは、第1方向に沿って互いに隣り合って配置され、
前記第4トランジスタのゲート部と前記第5トランジスタのゲート部とは、前記第1方向に沿って互いに隣り合って配置される、
撮像素子。
【請求項6】
請求項4または請求項5に記載の撮像素子において、
前記第1トランジスタのゲート部は、前記第4トランジスタのゲート部よりも小さい、
撮像素子。
【請求項7】
請求項6に記載の撮像素子において、
前記第1トランジスタのゲート幅は、前記第4トランジスタのゲート幅よりも小さい、
撮像素子。
【請求項8】
請求項6または請求項7に記載の撮像素子において、
前記第1トランジスタのゲート長は、前記第4トランジスタのゲート長よりも小さい、
撮像素子。
【請求項9】
請求項4から請求項8のいずれか一項に記載の撮像素子において、
前記第3トランジスタのゲート部は、前記第4トランジスタのゲート部よりも小さい、
撮像素子。
【請求項10】
請求項9に記載の撮像素子において、
前記第3トランジスタのゲート幅は、前記第4トランジスタのゲート幅よりも小さい、
撮像素子。
(【請求項11】以降は省略されています)
発明の詳細な説明
【技術分野】
【0001】
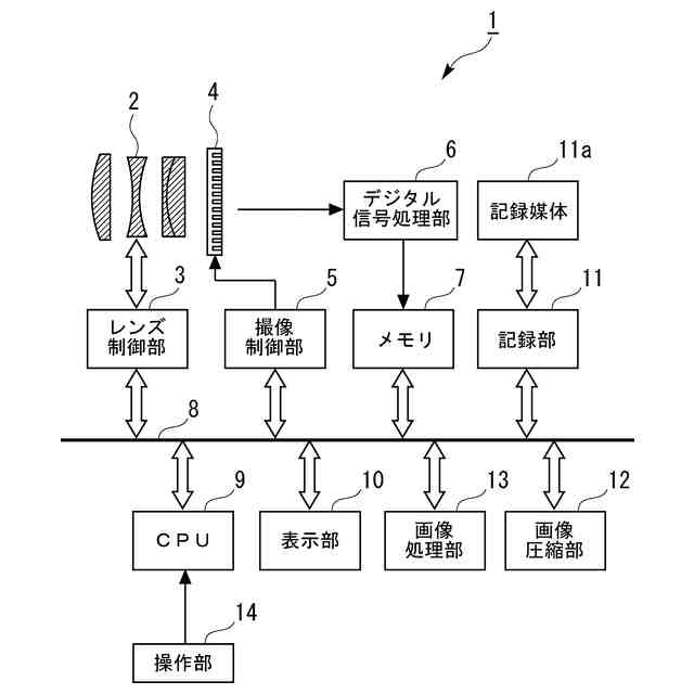
本発明は、固体撮像素子及びこれを用いた撮像装置に関するものである。
続きを表示(約 1,300 文字)
【背景技術】
【0002】
下記特許文献1には、複数の画素であって少なくとも2つの画素がそれぞれ(a)フォトディテクタ、(b)フローティング容量部をなす電荷電圧変換領域及び(c)増幅器への入力部を含む複数の画素と、前記電荷電圧変換領域同士を選択的に接続する連結スイッチとを備えた固体撮像素子が開示されている。
【先行技術文献】
【特許文献】
【0003】
特表2008-546313号公報
【発明の概要】
【発明が解決しようとする課題】
【0004】
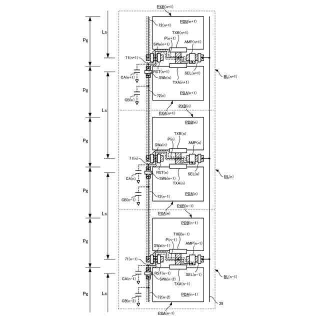
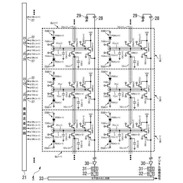
前記従来の固体撮像素子において、前記連結スイッチをオンして前記電荷電圧変換領域同士を接続することによって、接続された全体の電荷電圧変換領域での飽和電子数が拡大されるため、ダイナミックレンジを拡大させることができる。
【0005】
また、前記従来の固体撮像素子において、前記連結スイッチをオフして前記電荷電圧変換領域を他の電荷電圧変換領域から切り離すことによって、電荷電圧変換容量が小さくなってその電荷電圧変換係数が大きくなるため、高感度読出し時のSN比が高くなる。
【0006】
しかし、前記従来の固体撮像素子では、前記連結スイッチをオフにしても、高感度読み出し時のSN比をさほど高くすることはできなかった。
【0007】
本発明は、このような事情に鑑みてなされたもので、ダイナミックレンジを拡大させることができるとともに、高感度読出し時のSN比を向上させることができる固体撮像素子、及び、これを用いた撮像装置を提供することを目的とする。
【課題を解決するための手段】
【0008】
前記課題を解決するための手段として、以下の各態様を提示する。第1の態様による固体撮像素子は、1つの光電変換部、ノード、及び、前記1つの光電変換部に対応して設けられ前記光電変換部から前記ノードに電荷を転送する1つの転送スイッチを有する複数の画素ブロックと、1つの前記画素ブロックの前記ノードと他の1つの前記画素ブロックの前記ノードとの間に設けられた電気的な接続部と、前記接続部中に設けられた前記画素ブロック1つ当たり複数の連結スイッチと、を備えたものである。
【0009】
前記画素ブロックは、前記光電変換部を1つのみ有していて1つの画素で構成されたものでもよいし、前記光電変換部を2つ以上有していて複数の画素で構成されたものでもよい。この点は、後述する各態様についても同様である。
【0010】
第2の態様による固体撮像素子は、前記第1の態様において、前記連結スイッチを制御する制御部を備え、前記制御部は、第1の動作モードにおいて、前記画素ブロックの前記ノードに対して前記接続部が電気的に切断された状態となるように、前記連結スイッチを制御し、前記制御部は、第2の動作モードにおいて、前記画素ブロックの前記ノードに対して前記接続部が電気的に接続された状態となるように、前記連結スイッチを制御するものである。
(【0011】以降は省略されています)
この特許をJ-PlatPat(特許庁公式サイト)で参照する
関連特許
株式会社ニコン
撮像素子および撮像装置
6日前
株式会社ニコン
顕微鏡、方法、及びプログラム
16日前
株式会社ニコン
変倍光学系、光学機器、および変倍光学系の製造方法
16日前
株式会社ニコンビジョン
観察光学系、光学機器、および観察光学系の製造方法
4日前
株式会社ニコン
変倍光学系、光学機器、および変倍光学系の製造方法
16日前
株式会社ニコン
変倍光学系、光学機器、および変倍光学系の製造方法
16日前
株式会社ニコン
撮像装置
6日前
株式会社ニコン
撮像素子
2日前
株式会社ニコン
交換レンズ
6日前
株式会社ニコン
光学系および光学機器
5日前
株式会社ニコン
撮像素子及び撮像装置
2日前
株式会社ニコン
カバー装置及び撮像装置
10日前
株式会社ニコン
レンズ鏡筒及び撮像装置
16日前
株式会社ニコン
変倍光学系および光学機器
4日前
株式会社ニコン
変倍光学系および光学機器
5日前
株式会社ニコン
固体撮像素子及び撮像装置
5日前
株式会社ニコン
パルス光生成装置、パルス光生成方法及び加工装置
10日前
株式会社ニコン
診断支援装置、学習装置、診断支援方法、学習方法及びプログラム
10日前
個人
店内配信予約システム
2か月前
サクサ株式会社
中継装置
2か月前
WHISMR合同会社
収音装置
24日前
アイホン株式会社
電気機器
18日前
キヤノン株式会社
撮像装置
1か月前
キヤノン株式会社
電子機器
2か月前
キヤノン株式会社
撮像装置
3か月前
電気興業株式会社
無線中継器
3か月前
個人
ワイヤレスイヤホン対応耳掛け
16日前
ヤマハ株式会社
信号処理装置
3か月前
キヤノン電子株式会社
モバイル装置
2か月前
日本精機株式会社
画像投映システム
3か月前
株式会社リコー
画像形成装置
1か月前
株式会社リコー
画像形成装置
1か月前
株式会社リコー
画像形成装置
1か月前
キヤノン電子株式会社
画像読取装置
25日前
株式会社ニコン
撮像装置
2か月前
キヤノン株式会社
撮像システム
18日前
続きを見る
他の特許を見る