TOP
|
特許
|
意匠
|
商標
特許ウォッチ
Twitter
他の特許を見る
公開番号
2025157188
公報種別
公開特許公報(A)
公開日
2025-10-15
出願番号
2025061128
出願日
2025-04-02
発明の名称
表示装置
出願人
三星ディスプレイ株式會社
,
Samsung Display Co.,Ltd.
代理人
個人
主分類
G09F
9/30 20060101AFI20251007BHJP(教育;暗号方法;表示;広告;シール)
要約
【課題】大面積化された表示装置において、画素に均一な駆動電圧を提供することができる表示装置を提供することを課題の一つとする。
【解決手段】表示装置は、非表示領域に配置される検出ラインと、画素に連結されて第1駆動電圧を提供する第1電源ラインと、画素に第2駆動電圧を画素に提供する第2電源ラインとを含み、検出ラインは、表示領域を間に挟んで離隔される延長ラインと、第1電源ラインと連結されるブリッジラインと、いずれか一つの延長ラインとブリッジラインの一端及び他の一つの延長ラインと前記ブリッジラインの他端を連結する連結ラインとを含み、平面上において、第2電源ラインは連結ラインと交差する。
【選択図】図8
特許請求の範囲
【請求項1】
表示領域と前記表示領域を囲む非表示領域とを含む基板と、
前記基板の上に配置される絶縁層と、
前記表示領域に配置される画素と、
第1方向に沿って配列され、それぞれが前記第1方向と交差する第2方向に沿って延長され、前記画素に連結されて第1駆動電圧を提供する第1電源ラインと、
前記表示領域に配置されて前記画素に連結される第1ライン、及び前記第1ラインと連結されて前記非表示領域に配置される第2ライン、前記第1駆動電圧より低いレベルの第2駆動電圧を提供する第2電源ラインと、
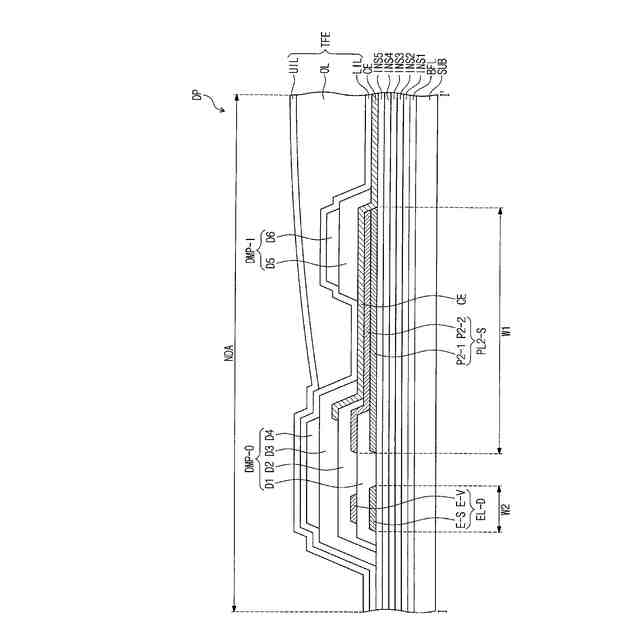
前記非表示領域に配置されて前記表示領域の少なくとも一部を囲む検出ラインと、を含み、
前記検出ラインは、
それぞれが前記第2方向に沿って延長され、前記表示領域を間に挟んで前記第1方向に沿って離隔される延長ラインと、
前記第1方向に沿って延長され、前記第1電源ラインと連結されるブリッジラインと、
いずれか一つの前記延長ラインと前記ブリッジラインの一端及び他の一つの前記延長ラインと前記ブリッジラインの他端を連結する連結ラインと、を含み、
平面上において、前記第2ラインは前記連結ラインと交差する表示装置。
続きを表示(約 1,200 文字)
【請求項2】
前記延長ラインは前記第2ラインより前記表示領域から離隔され、
前記ブリッジラインは前記第2ラインより前記表示領域に隣接する請求項1に記載の表示装置。
【請求項3】
前記延長ラインそれぞれは、
センシングパターンと、前記センシングパターンの上に配置されて前記センシングパターンと連結される電源パターンとを含む請求項1に記載の表示装置。
【請求項4】
前記非表示領域に配置され、前記表示領域の少なくとも一部を囲む外側ダムと、前記外側ダムと前記表示領域との間に配置される内側ダムとを更に含み、
前記外側ダムは前記絶縁層の上で順次に積層される第1乃至第4ダムパターンを含み、
前記内側ダムは前記絶縁層の上で順次に積層される第5及び第6ダムパターンを含む請求項3に記載の表示装置。
【請求項5】
前記センシングパターンは前記第1ダムパターンによってカバーされ、前記電源パターンは前記第1ダムパターンの上に配置されて前記第2ダムパターンによってカバーされ、
前記電源パターンは前記第1ダムパターンを貫通する少なくとも一つのコンタクト孔を介して前記センシングパターンと連結される請求項4に記載の表示装置。
【請求項6】
前記センシングパターン及び前記電源パターンそれぞれは順次に積層される第1乃至第3導電パターンを含み、前記第1及び第3導電パターンはチタンを含み、前記第2導電パターンはアルミニウムを含み、
前記第2導電パターンの側面は前記第1及び第3導電パターンそれぞれの側面より内側に窪む請求項5に記載の表示装置。
【請求項7】
前記第1及び第2ダムパターンは有機物質を含み、
前記第1ダムパターンは前記センシングパターンの前記第1乃至第3導電パターンそれぞれの側面をカバーし、
前記第2ダムパターンは前記電源パターンの導電パターンそれぞれの側面をカバーする請求項6に記載の表示装置。
【請求項8】
前記第2ラインは前記内側ダムの内部から前記外側ダムの内部まで延長され、
前記第2ラインは前記センシングパターンと同じ物質を含む第1パターンと、前記電源パターンと同じ物質を含む第2パターンとを含む請求項4に記載の表示装置。
【請求項9】
前記第1パターン及び前記第2パターンは前記内側ダムの内部で互いに接触し、
前記外側ダムの内部で前記第1ダムパターンを間に挟んで互いに離隔される請求項8に記載の表示装置。
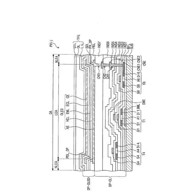
【請求項10】
前記画素それぞれは、アノードと、前記アノードの上に配置されるカソードと、前記アノードと前記カソードとの間に配置される発光層とを含み、
前記カソードは前記非表示領域に延長されて前記第2パターンと接触する請求項9に記載の表示装置。
(【請求項11】以降は省略されています)
発明の詳細な説明
【技術分野】
【0001】
本発明は、表示装置に関し、より詳しくは、表示品質が改善された表示装置に関する。
続きを表示(約 1,500 文字)
【背景技術】
【0002】
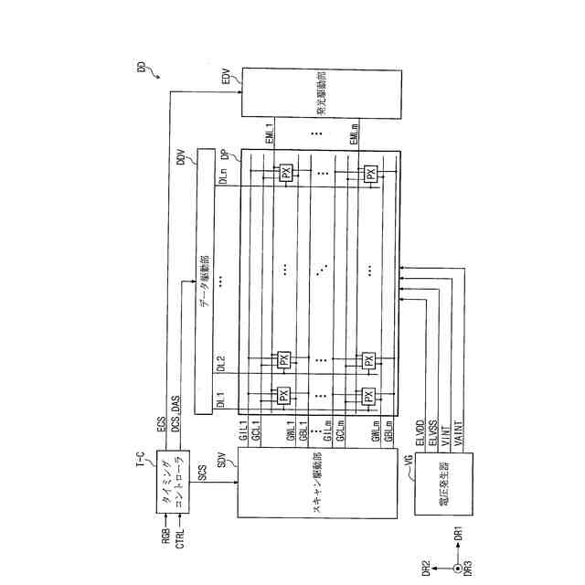
一般に、ユーザに映像を提供するスマートフォン、デジタルカメラ、ノートパソコン、ナビゲーション、及びスマートテレビなどの電子機器は、映像を表示するための表示装置を含む。表示装置は、映像を生成し、生成された映像を表示画面を介してユーザに提供する。
【0003】
表示装置は、映像を生成するための複数個の画素及び前記画素に連結される複数個のラインを含む。画素は、ラインによって駆動信号を受信して駆動される。
【0004】
タブレットやスマートテレビなどのように大面積化された中大型の表示装置は、下端から提供される駆動電圧と上端に伝達される駆動電圧の差が発生する場合があり、それを補償する設計が求められる。
【発明の概要】
【発明が解決しようとする課題】
【0005】
本発明は、大面積化された表示装置において、画素に均一な駆動電圧を提供することができる表示装置を提供することを目的とする。
【課題を解決するための手段】
【0006】
本発明による表示装置は、表示領域と前記表示領域を囲む非表示領域とを含む基板と、前記基板の上に配置される絶縁層と、前記表示領域に配置される画素と、第1方向に沿って配列され、それぞれが前記第1方向と交差する第2方向に沿って延長され、前記画素に連結されて第1駆動電圧を提供する第1電源ラインと、前記表示領域に配置されて前記画素に連結される第1ライン、及び前記第1ラインと連結されて前記非表示領域に配置される第2ライン、前記第1駆動電圧より低いレベルの第2駆動電圧を提供する第2電源ラインと、前記非表示領域に配置されて前記表示領域の少なくとも一部を囲む検出ラインと、を含み、前記検出ラインは、それぞれが前記第2方向に沿って延長され、前記表示領域を間に挟んで前記第1方向に沿って離隔される延長ラインと、前記第1方向に沿って延長され、前記第1電源ラインと連結されるブリッジラインと、いずれか一つの前記延長ラインと前記ブリッジラインの一端及び他の一つの前記延長ラインと前記ブリッジラインの他端を連結する連結ラインと、を含み、平面上において、前記第2ラインは前記連結ラインと交差する。
【0007】
前記延長ラインは、前記第2ラインより前記表示領域から離隔され、前記ブリッジラインは前記第2ラインより前記表示領域に隣接することを特徴とし得る。
【0008】
前記延長ラインそれぞれは、センシングパターンと、前記センシングパターンの上に配置されて前記センシングパターンと連結される電源パターンとを含むことを特徴とし得る。
【0009】
前記非表示領域に配置され、前記表示領域の少なくとも一部を囲む外側ダムと、前記外側ダムと前記表示領域との間に配置される内側ダムとを更に含み、前記外側ダムは前記絶縁層の上で順次に積層される第1乃至第4ダムパターンを含み、前記内側ダムは前記絶縁層の上で順次に積層される第5及び第6ダムパターンを含むことを特徴とし得る。
【0010】
前記センシングパターンは前記第1ダムパターンによってカバーされ、前記電源パターンは前記第1ダムパターンの上に配置されて前記第2ダムパターンによってカバーされ、前記電源パターンは前記第1ダムパターンを貫通する少なくとも一つのコンタクト孔を介して前記センシングパターンと連結されることを特徴とし得る。
(【0011】以降は省略されています)
この特許をJ-PlatPat(特許庁公式サイト)で参照する
関連特許
個人
回転式カード学習具
1か月前
日本精機株式会社
表示装置
26日前
日本精機株式会社
表示装置
2か月前
個人
時刻表示機能つき手帳
2か月前
個人
計算用教具
22日前
中国電力株式会社
標示旗
1か月前
日本精機株式会社
車両用表示装置
2か月前
日本精機株式会社
車両用表示装置
2か月前
日本精機株式会社
車両用表示装置
2か月前
個人
モデルで薔薇の花嫁様を描く為
1か月前
日本精機株式会社
車両用センサ装置
22日前
個人
微細構造を模した理科学習教材
5日前
トヨタ自動車株式会社
評価方法
3か月前
株式会社一弘社
情報表示板
1か月前
シャープ株式会社
表示装置
1か月前
個人
口唇閉鎖の訓練具
3か月前
個人
音楽教材
2か月前
株式会社ウメラボ
学習支援システム
12日前
株式会社ウメラボ
学習支援システム
18日前
株式会社半導体エネルギー研究所
半導体装置
2か月前
ニチレイマグネット株式会社
磁着式電飾装置
1か月前
株式会社ノジマ
応対体験システム
3か月前
リンテック株式会社
表示体
11日前
株式会社リコー
画像投射システム
1か月前
個人
サインポスト
2か月前
BEST株式会社
吊り下げ表示部材
2か月前
株式会社サンゲツ
見本帳
2か月前
シチズンファインデバイス株式会社
液晶表示装置
2か月前
学校法人関西医科大学
腹腔鏡手術訓練装置
1か月前
シチズンファインデバイス株式会社
液晶表示装置
1か月前
シャープ株式会社
表示装置
2か月前
個人
ピアノの指トレーニング器具及び練習方法
3か月前
シャープ株式会社
表示装置
2か月前
ニデックインスツルメンツ株式会社
情報処理装置
2か月前
セイコーエプソン株式会社
表示方法
1か月前
セイコーエプソン株式会社
表示方法
1か月前
続きを見る
他の特許を見る