TOP
|
特許
|
意匠
|
商標
特許ウォッチ
Twitter
他の特許を見る
公開番号
2025088441
公報種別
公開特許公報(A)
公開日
2025-06-11
出願番号
2023203146
出願日
2023-11-30
発明の名称
遠心圧縮機
出願人
株式会社豊田自動織機
代理人
個人
,
個人
主分類
F04D
29/42 20060101AFI20250604BHJP(液体用容積形機械;液体または圧縮性流体用ポンプ)
要約
【課題】大型化を抑制しつつも、生産性の向上を図ることができる遠心圧縮機を提供する。
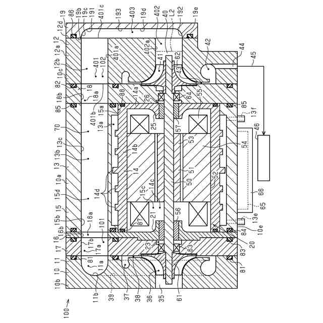
【解決手段】接続路70は、第1インペラハウジング10b、モータハウジング10a、及び第2インペラハウジング10cにより構成されている。このため、例えば、ハウジング10とは別部材である配管をハウジング10に取り付けることにより、第1吐出口39と第2吸入口40とを接続する構成のように、遠心圧縮機100において、ハウジング10と配管との間に隙間が形成されることが無い。第1インペラハウジング10b、モータハウジング10a、及び第2インペラハウジング10cを回転軸50の軸方向に順次積層するだけで接続路70が構成される。よって、配管をハウジング10に取り付ける際にハウジング10と配管との間に生じる寸法公差を吸収する構造を、例えば、配管に設ける等の工夫が必要無くなる。
【選択図】図1
特許請求の範囲
【請求項1】
回転軸と、
前記回転軸を回転させるモータと、
流体を圧縮するために前記回転軸と一体的に回転する第1インペラと、
前記回転軸に対して前記モータを間に挟んで前記第1インペラとは反対側に設けられ、前記回転軸と一体的に回転する第2インペラと、
前記第1インペラを収容する第1インペラ室を画定し、前記第1インペラ室に流体を吸入する第1吸入口、及び前記第1インペラの回転によって圧縮された流体を吐出する第1吐出口を有する第1インペラハウジング、前記モータを収容するモータ室を画定するモータハウジング、及び前記第2インペラを収容する第2インペラ室を画定し、前記第2インペラ室に流体を吸入する第2吸入口、及び前記第2インペラの回転によって圧縮された流体を吐出する第2吐出口を有する第2インペラハウジングを有するハウジングと、
前記第1吐出口と前記第2吸入口とを、前記第1吐出口から前記第2吸入口に向けて流体が流れるように接続する接続路と、を備える遠心圧縮機であって、
前記接続路は、前記第1インペラハウジングに設けられ、前記第1吐出口に接続される第1インペラハウジング接続路と、前記第2インペラハウジングに設けられ、前記第2吸入口に接続される第2インペラハウジング接続路と、前記モータハウジングに貫通形成され、前記第1インペラハウジング接続路と前記第2インペラハウジング接続路とを接続するモータハウジング接続路と、を有し、
前記接続路は、前記第1インペラハウジング、前記モータハウジング、及び前記第2インペラハウジングが前記回転軸の軸方向に順次積層されて構成されていることを特徴とする遠心圧縮機。
続きを表示(約 790 文字)
【請求項2】
前記モータハウジングは、前記モータを冷却する冷却媒体が流れる冷却媒体路を備え、
前記冷却媒体路は、前記回転軸の径方向において前記モータと前記モータハウジング接続路との間に設けられていることを特徴とする請求項1に記載の遠心圧縮機。
【請求項3】
前記モータは、円筒状のステータと、前記回転軸に設けられ、前記回転軸と一体的に回転するロータと、を有し、
前記モータハウジングは、内周面に前記ステータが固定された第1モータハウジングと、
前記モータハウジング接続路が貫通形成された第2モータハウジングと、を有し、
前記冷却媒体路は、前記第1モータハウジングと前記第2モータハウジングとの間に冷却媒体が流れるように画定されていることを特徴とする請求項2に記載の遠心圧縮機。
【請求項4】
前記第2インペラハウジングは、前記モータハウジング接続路と対向して前記軸方向に流体を吸入する第3吸入口、及び前記第3吸入口から前記軸方向に吸入された流体を前記第2吸入口に近づくように前記回転軸の径方向にガイドし、前記径方向に流れる流体を前記第2吸入口に向けてさらに前記軸方向にガイドするガイド部を有することを特徴とする請求項1に記載の遠心圧縮機。
【請求項5】
前記第2インペラハウジングは、前記第3吸入口、前記第2吸入口、及び前記第2吐出口が開口し、且つ前記第3吸入口から吸入した流体を前記ガイド部に向けて吐出するように開口する第3吐出口が開口する第2インペラハウジング基部と、
前記第3吐出口と前記第2吸入口とを接続し、流体を前記第3吐出口から前記第2吸入口に向けて流すように開口する溝状の前記ガイド部が形成された第2インペラハウジング蓋部と、を有することを特徴とする請求項4に記載の遠心圧縮機。
発明の詳細な説明
【技術分野】
【0001】
本発明は、遠心圧縮機に関する。
続きを表示(約 2,600 文字)
【背景技術】
【0002】
遠心圧縮機は、回転軸と、モータと、ハウジングと、を備えている。モータは、回転軸を回転させる。また、遠心圧縮機は、第1インペラと、第2インペラと、を備えている場合がある。第1インペラは、流体を圧縮するために回転軸と一体的に回転する。第2インペラは、回転軸に対してモータを間に挟んで第1インペラとは反対側に設けられている場合がある。
【0003】
ハウジングには、第1インペラ室、第2インペラ室、第1吸入口、第1吐出口、第2吸入口、及び第2吐出口を有している。第1インペラ室は、第1インペラを収容する。第2インペラ室は、第2インペラを収容する。第1吸入口は、第1インペラ室に流体を吸入する。第1吐出口は、第1インペラの回転によって圧縮された流体を吐出する。第2吸入口は、第2インペラ室に流体を吸入する。遠心圧縮機は、接続路を備えている。第2吐出口は、第2インペラの回転によって圧縮された流体を吐出する。接続路は、第1吐出口と第2吸入口とを、第1吐出口から第2吸入口に向けて流体が流れるように接続する。接続路は、例えば特許文献1のように、ハウジングとは別部材である配管により形成されている。そして、配管をハウジングに取り付けることにより、第1吐出口と第2吸入口とが接続路によって接続されている。
【先行技術文献】
【特許文献】
【0004】
特開2015-209845号公報
【発明の概要】
【発明が解決しようとする課題】
【0005】
ところで、特許文献1のように、ハウジングとは別部材である配管をハウジングに取り付けることにより第1吐出口と第2吸入口とを接続路によって接続する構成では、遠心圧縮機において、ハウジングと配管との間に隙間が形成される。このハウジングと配管との間に形成される隙間は、遠心圧縮機においてデッドスペースになっている。したがって、遠心圧縮機は、ハウジングと配管との間に形成される隙間の分だけ無駄に大型化してしまっている。
【0006】
また、ハウジングと配管との間には寸法公差が生じる。このため、配管をハウジングに取り付ける際にハウジングと配管との間に生じる寸法公差を吸収できる構造を、例えば、配管に設ける等の工夫が必要であるため、遠心圧縮機の生産性を低下させる要因となっている。したがって、遠心圧縮機の大型化を抑制しつつも、生産性の向上を図ることが望まれている。
【課題を解決するための手段】
【0007】
上記課題を解決するための遠心圧縮機は、回転軸と、前記回転軸を回転させるモータと、流体を圧縮するために前記回転軸と一体的に回転する第1インペラと、前記回転軸に対して前記モータを間に挟んで前記第1インペラとは反対側に設けられ、前記回転軸と一体的に回転する第2インペラと、前記第1インペラを収容する第1インペラ室を画定し、前記第1インペラ室に流体を吸入する第1吸入口、及び前記第1インペラの回転によって圧縮された流体を吐出する第1吐出口を有する第1インペラハウジング、前記モータを収容するモータ室を画定するモータハウジング、及び前記第2インペラを収容する第2インペラ室を画定し、前記第2インペラ室に流体を吸入する第2吸入口、及び前記第2インペラの回転によって圧縮された流体を吐出する第2吐出口を有する第2インペラハウジングを有するハウジングと、前記第1吐出口と前記第2吸入口とを、前記第1吐出口から前記第2吸入口に向けて流体が流れるように接続する接続路と、を備える遠心圧縮機であって、前記接続路は、前記第1インペラハウジングに設けられ、前記第1吐出口に接続される第1インペラハウジング接続路と、前記第2インペラハウジングに設けられ、前記第2吸入口に接続される第2インペラハウジング接続路と、前記モータハウジングに貫通形成され、前記第1インペラハウジング接続路と前記第2インペラハウジング接続路とを接続するモータハウジング接続路と、を有し、前記接続路は、前記第1インペラハウジング、前記モータハウジング、及び前記第2インペラハウジングが前記回転軸の軸方向に順次積層されて構成されていることを要旨とする。
【0008】
これによれば、接続路は、ハウジングが有する第1インペラハウジング、モータハウジング、及び第2インペラハウジングにより構成されている。つまり、接続路は、ハウジングの内部に形成されている。このため、例えば、ハウジングとは別部材である配管をハウジングに取り付けることにより、第1吐出口と第2吸入口とを接続路によって接続する構成のように、遠心圧縮機において、ハウジングと配管との間に隙間が形成されることが無い。したがって、遠心圧縮機が、ハウジングと配管との間に形成される隙間の分だけ無駄に大型化してしまうことが無い。その結果、遠心圧縮機の大型化を抑制することができる。また、第1インペラハウジング、モータハウジング、及び第2インペラハウジングを回転軸の軸方向に順次積層するだけで接続路を構成することができる。よって、配管をハウジングに取り付ける際にハウジングと配管との間に生じる寸法公差を吸収できる構造を、例えば、配管に設ける等の工夫が必要無くなる。このため、遠心圧縮機の生産性の向上を図ることができる。以上より、遠心圧縮機の大型化を抑制しつつも、生産性の向上を図ることができる。
【0009】
上記遠心圧縮機において、前記モータハウジングは、前記モータを冷却する冷却媒体が流れる冷却媒体路を備え、前記冷却媒体路は、前記回転軸の径方向において前記モータと前記モータハウジング接続路との間に設けられていてもよい。
【0010】
これによれば、冷却媒体路を流れる冷却媒体によって、モータに加えて、モータハウジング接続路を流れる流体も冷却することができる。したがって、冷却媒体によって冷却された流体を、モータハウジング接続路、第2インペラハウジング接続路、及び第2吸入口を介して第2インペラ室に吸入することができる。その結果、第2インペラの回転に伴う流体の圧縮効率を向上させることができる。
(【0011】以降は省略されています)
特許ウォッチbot のツイートを見る
この特許をJ-PlatPat(特許庁公式サイト)で参照する
関連特許
株式会社豊田自動織機
産業車両
24日前
株式会社豊田自動織機
荷役装置
4日前
株式会社豊田自動織機
操作装置
12日前
株式会社豊田自動織機
トランス
12日前
株式会社豊田自動織機
電力変換器
24日前
株式会社豊田自動織機
車両制御装置
10日前
株式会社豊田自動織機
電力変換装置
24日前
株式会社豊田自動織機
双方向充電器
17日前
株式会社豊田自動織機
排気浄化装置
13日前
株式会社豊田自動織機
電磁ブレーキ装置
24日前
株式会社豊田自動織機
燃料電池ユニット
10日前
株式会社豊田自動織機
ターボチャージャ
4日前
株式会社豊田自動織機
エンジン式産業車両
25日前
株式会社豊田自動織機
スクロール型圧縮機
25日前
株式会社豊田自動織機
スクロール型圧縮機
26日前
株式会社豊田自動織機
織機用異常検知装置
4日前
株式会社豊田自動織機
スクロール型圧縮機
24日前
株式会社豊田自動織機
ねじりコイルばね装置
20日前
株式会社豊田自動織機
スクロール型電動圧縮機
24日前
株式会社豊田自動織機
インバータ一体型電動機
24日前
株式会社豊田自動織機
繊維機械の検査システム
4日前
株式会社豊田自動織機
内燃機関の制御システム
20日前
株式会社豊田自動織機
車両のルーフサイド構造
13日前
株式会社豊田自動織機
ローリングピストン型圧縮機
25日前
株式会社豊田自動織機
内燃機関の吸気温度制御システム
4日前
株式会社豊田自動織機
繊維構造体、及び繊維強化複合材
4日前
トヨタ自動車株式会社
塗工装置
25日前
トヨタ自動車株式会社
二次電池
25日前
株式会社豊田自動織機
ローリングピストン型電動圧縮機
25日前
株式会社豊田自動織機
ローリングピストン型電動圧縮機
25日前
株式会社豊田自動織機
ローリングピストン型電動圧縮機
25日前
株式会社豊田自動織機
ローリングピストン型電動圧縮機
25日前
株式会社豊田自動織機
ローリングピストン型電動圧縮機
25日前
株式会社豊田自動織機
産業車両及び産業車両の冷却装置
25日前
株式会社豊田自動織機
燃料電池システム及びフォークリフト
19日前
株式会社豊田自動織機
ACインバータ及び絶縁抵抗低下検知方法
25日前
続きを見る
他の特許を見る