TOP
|
特許
|
意匠
|
商標
特許ウォッチ
Twitter
他の特許を見る
10個以上の画像は省略されています。
公開番号
2025139497
公報種別
公開特許公報(A)
公開日
2025-09-26
出願番号
2024038466
出願日
2024-03-12
発明の名称
ブリッジ回路のハイサイドドライバ回路、ローサイドドライバ回路
出願人
ローム株式会社
代理人
個人
,
個人
主分類
H02M
1/08 20060101AFI20250918BHJP(電力の発電,変換,配電)
要約
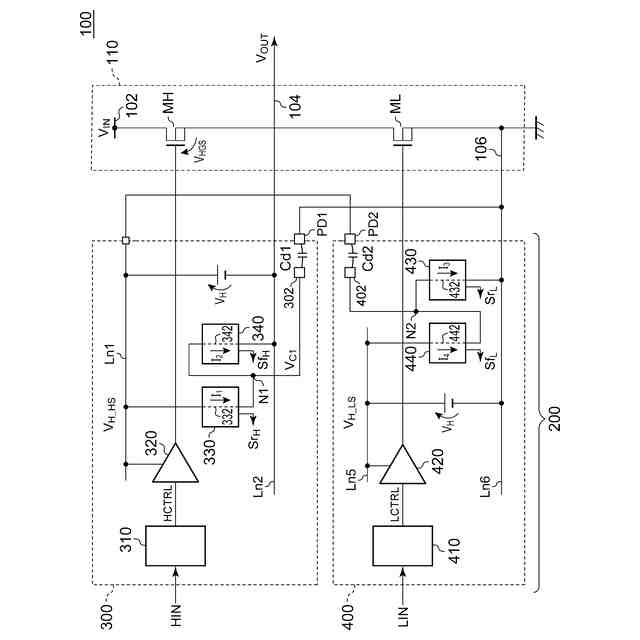
【課題】出力電圧の遷移を検出可能なドライバ回路を提供する。
【解決手段】ハイサイドゲートドライバ320は、ハイサイド制御信号HCTRLに応じてハイサイドトランジスタMHのゲート電圧を制御する。パッドPD1は接地される。下層配線302はパッドPD1とオーバーラップして形成され、パッドPD1との間に容量を形成する。ソースライズ遷移検出回路330は、第1ラインLn1から下層配線302に至る経路に流れる電流I
1
にもとづいて、ブリッジ回路110の出力電圧V
OUT
のライズ遷移に関連するライズ遷移検出信号Sr
H
を生成する。
【選択図】図1
特許請求の範囲
【請求項1】
ローサイドトランジスタとともにブリッジ回路を構成するハイサイドトランジスタを駆動するハイサイドドライバ回路であって、
前記ハイサイドトランジスタのゲートに印加すべきハイ電圧が発生する第1ラインと、
前記ブリッジ回路の出力と接続される第2ラインと、
ハイサイド制御信号に応じて前記ハイサイドトランジスタのゲート電圧を制御するハイサイドゲートドライバと、
前記ハイサイド制御信号を生成するハイサイド制御回路と、
接地されるべきパッドと、
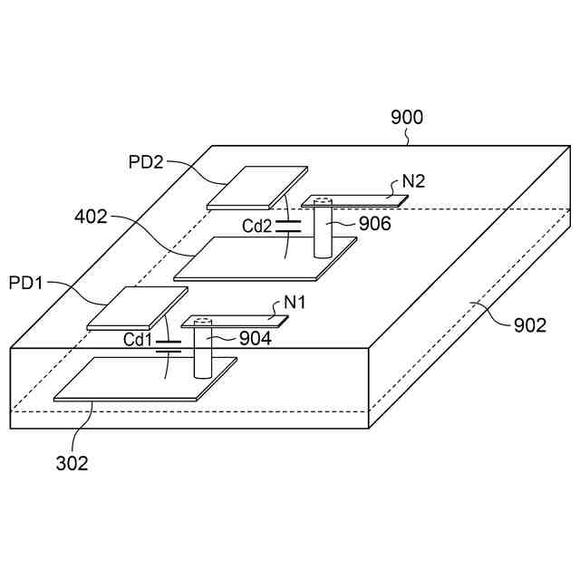
前記パッドとオーバーラップして形成され、前記パッドとの間に容量を形成する下層配線と、
前記ブリッジ回路がソースモードで動作するときに、前記第1ラインから前記下層配線に至る経路に流れる電流にもとづいて、前記ブリッジ回路の出力電圧のライズ遷移に関連するライズ遷移検出信号を生成するソースライズ遷移検出回路と、
を備える、ハイサイドドライバ回路。
続きを表示(約 1,900 文字)
【請求項2】
前記下層配線は、最下層の配線層に形成される、請求項1に記載のハイサイドドライバ回路。
【請求項3】
前記ソースライズ遷移検出回路は、
ソースが前記第1ラインと接続され、ゲートおよびドレインが前記下層配線と接続された第1トランジスタと、
ソースが前記第1ラインと接続され、ゲートが前記第1トランジスタのゲートと接続された第2トランジスタと、
前記第1ラインよりも低い電圧が発生する第3ラインと、
前記第2トランジスタのドレインと前記第3ラインの間に接続された、第1抵抗または第1キャパシタである第1インピーダンス素子と、
を含み、
前記ライズ遷移検出信号は、前記第1インピーダンス素子の両端間電圧と第1しきい値電圧の比較結果に応じたレベルを有する、請求項1または2に記載のハイサイドドライバ回路。
【請求項4】
前記ソースライズ遷移検出回路は、
ソースが前記第3ラインと接続され、ゲートが前記第2トランジスタのドレインと接続された第3トランジスタをさらに含み、前記ライズ遷移検出信号は、前記第3トランジスタのオン、オフに応じたレベルを有する、請求項3に記載のハイサイドドライバ回路。
【請求項5】
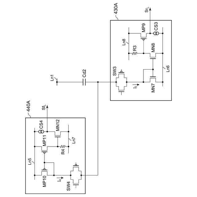
前記ブリッジ回路がソースモードで動作するときに、前記下層配線から前記第2ラインに至る経路に流れる電流にもとづいて、前記ブリッジ回路の出力電圧のフォール遷移に関連するフォール遷移検出信号を生成するソースフォール遷移検出回路をさらに備える、請求項1または2に記載のハイサイドドライバ回路。
【請求項6】
前記ソースフォール遷移検出回路は、
ソースが前記第2ラインと接続され、ゲートおよびドレインが前記下層配線と接続された第4トランジスタと、
ソースが前記第2ラインと接続され、ゲートが前記第4トランジスタのゲートと接続された第5トランジスタと、
前記第2ラインよりも高い電圧が発生する第4ラインと、
前記第5トランジスタのドレインと前記第4ラインの間に接続された、第2抵抗または第2キャパシタである第2インピーダンス素子と、
を含み、
前記フォール遷移検出信号は、前記第2インピーダンス素子の両端間電圧と第2しきい値電圧との比較結果に応じている、請求項5に記載のハイサイドドライバ回路。
【請求項7】
前記ソースフォール遷移検出回路は、
ソースが前記第4ラインと接続され、ゲートが前記第5トランジスタのドレインと接続された第6トランジスタをさらに含み、前記フォール遷移検出信号は、前記第6トランジスタのオン、オフに応じたレベルを有する、請求項6に記載のハイサイドドライバ回路。
【請求項8】
前記ハイサイドゲートドライバは、電流駆動型であり、
前記ハイサイド制御回路は、前記ライズ遷移検出信号の変化に応答して、前記ハイサイドゲートドライバの出力電流を変化させる、請求項1または2に記載のハイサイドドライバ回路。
【請求項9】
前記ハイサイドトランジスタのゲートソース間電圧と判定しきい値電圧の比較結果を示すハイサイドセンス信号を生成するハイサイドセンサをさらに備え、
前記ハイサイド制御回路は、前記ハイサイドセンス信号の変化に応答して、前記ハイサイドゲートドライバの出力電流を変化させる、請求項1または2に記載のハイサイドドライバ回路。
【請求項10】
ハイサイドトランジスタとともにブリッジ回路を構成するローサイドトランジスタを駆動するローサイドドライバ回路であって、
前記ローサイドトランジスタのゲートに印加すべきハイ電圧が発生する第5ラインと、
接地される第6ラインと、
ローサイド制御信号に応じて前記ローサイドトランジスタのゲート電圧を制御するローサイドゲートドライバと、
前記ローサイド制御信号を生成するローサイド制御回路と、
前記ハイサイドトランジスタに印加すべきハイ電圧が発生する第1ラインと接続されるべきパッドと、
前記パッドとオーバーラップして形成され、前記パッドとの間に容量を形成する下層配線と、
前記ブリッジ回路がシンクモードで動作するときに、前記第5ラインから前記下層配線に至る経路に流れる電流にもとづいて、前記ブリッジ回路の出力電圧のライズ遷移に関連するライズ遷移検出信号を生成するシンクライズ遷移検出回路と、
を備える、ローサイドドライバ回路。
(【請求項11】以降は省略されています)
発明の詳細な説明
【技術分野】
【0001】
本開示は、ブリッジ回路のドライバ回路に関する。
続きを表示(約 2,000 文字)
【背景技術】
【0002】
モータドライバ回路やDC/DCコンバータ、電力変換装置などにおいて、パワートランジスタを用いたハーフブリッジ回路、Hブリッジ回路、三相ブリッジ回路(以下、ブリッジ回路と総称する)が多用されている。
【0003】
ブリッジ回路は、入力ラインINと出力ラインOUTの間に設けられた上アームと、出力ラインOUTと接地ラインの間に設けられた下アームを備える。上アームは、並列に接続されるハイサイドトランジスタおよびフライホイルダイオードを含む。下アームは、並列に接続されるローサイドトランジスタおよびフライホイルダイオードを含む。
【0004】
ブリッジ回路は、ハイサイドトランジスタがオン、ローサイドトランジスタがオフであるハイ出力状態、ハイサイドトランジスタがオフ、ローサイドトランジスタがオンであるロー出力状態が切替可能である。ハイ出力状態では、出力ラインOUTには、入力ラインの電圧V
IN
と実質的に同じ電圧レベルの出力電圧V
OUT
が発生する。ロー出力状態では、出力ラインOUTには、接地ラインの電圧と実質的に同じ電圧レベルの出力電圧V
OUT
が発生する。
【先行技術文献】
【特許文献】
【0005】
国際公開WO2022/259780号公報
【0006】
ハイサイドトランジスタを駆動するハイサイドドライバや、ローサイドトランジスタを駆動するローサイドドライバの制御に、出力電圧V
OUT
の状態が参照される場合がある。具体的には、入力電圧V
IN
と出力電圧V
OUT
の電位差、つまりハイサイドトランジスタの両端間電圧を監視することにより、出力電圧V
OUT
がハイに遷移したことを検出する場合がある。反対に、出力電圧V
OUT
と接地電圧0Vの電位差、つまりローサイドトランジスタの両端間電圧を監視することにより、出力電圧がローに遷移したことを検出する場合がある。
【0007】
ところが入力電圧V
IN
が数百Vあるいは1000Vの高電圧のアプリケーションでは、出力電圧V
OUT
を直接監視すること難しい。
【0008】
[概要]
本開示は係る課題に鑑みてなされたものあり、そのある態様の例示的な目的のひとつは、出力電圧の遷移を検出可能なドライバ回路の提供にある。
【0009】
本開示のある態様は、ローサイドトランジスタとともにブリッジ回路を構成するハイサイドトランジスタを駆動するハイサイドドライバ回路に関する。ハイサイドドライバ回路は、ハイサイドトランジスタのゲートに印加すべきハイ電圧が発生する第1ラインと、ブリッジ回路の出力と接続される第2ラインと、ハイサイド制御信号に応じてハイサイドトランジスタのゲート電圧を制御するハイサイドゲートドライバと、ハイサイド制御信号を生成するハイサイド制御回路と、接地されるべきパッドと、パッドとオーバーラップして形成され、パッドとの間に容量を形成する下層配線と、ブリッジ回路がソースモードで動作するときに、第1ラインから下層配線に至る経路に流れる電流にもとづいて、ブリッジ回路の出力電圧のライズ遷移に関連するライズ遷移検出信号を生成するソースライズ遷移検出回路と、を備える。
【0010】
本開示の別の態様は、ローサイドドライバ回路は、ハイサイドトランジスタとともにブリッジ回路を構成するローサイドトランジスタを駆動するローサイドドライバ回路に関する。ローサイドドライバ回路は、ローサイドトランジスタのゲートに印加すべきハイ電圧が発生する第5ラインと、接地される第6ラインと、ローサイド制御信号に応じてローサイドトランジスタのゲート電圧を制御するローサイドゲートドライバと、ローサイド制御信号を生成するローサイド制御回路と、一端がハイサイドトランジスタに印加すべきハイ電圧が発生する第1ラインと接続された第2検出キャパシタの他端と接続されるべき第2接続ノードと、ハイサイドトランジスタに印加すべきハイ電圧が発生する第1ラインと接続されるべきパッドと、パッドとオーバーラップして形成され、パッドとの間に容量を形成する下層配線と、ブリッジ回路がシンクモードで動作するときに、第5ラインから下層配線に至る経路に流れる電流にもとづいて、ブリッジ回路の出力電圧のライズ遷移に関連するライズ遷移検出信号を生成するシンクライズ遷移検出回路と、を備える。
(【0011】以降は省略されています)
この特許をJ-PlatPat(特許庁公式サイト)で参照する
関連特許
ローム株式会社
タイマ
6日前
ローム株式会社
監視回路
2日前
ローム株式会社
発振回路
2日前
ローム株式会社
電子装置
2日前
ローム株式会社
半導体装置
今日
ローム株式会社
半導体装置
12日前
ローム株式会社
メモリ装置
2日前
ローム株式会社
半導体装置
13日前
ローム株式会社
半導体装置
2日前
ローム株式会社
半導体装置
2日前
ローム株式会社
半導体装置
21日前
ローム株式会社
半導体装置
6日前
ローム株式会社
半導体装置
21日前
ローム株式会社
半導体装置
21日前
ローム株式会社
半導体装置
今日
ローム株式会社
半導体装置
今日
ローム株式会社
半導体装置
今日
ローム株式会社
信号出力回路
12日前
ローム株式会社
信号出力回路
12日前
ローム株式会社
縦型ホール素子
2日前
ローム株式会社
定電圧生成回路
12日前
ローム株式会社
半導体記憶装置
5日前
ローム株式会社
半導体記憶装置
5日前
ローム株式会社
半導体集積回路
13日前
ローム株式会社
TVSダイオード
今日
ローム株式会社
TVSダイオード
今日
ローム株式会社
窒化物半導体装置
20日前
ローム株式会社
半導体モジュール
2日前
ローム株式会社
差動回路及び発振器
14日前
ローム株式会社
半導体集積回路装置
20日前
ローム株式会社
半導体装置および車両
13日前
ローム株式会社
電界効果トランジスタ
2日前
ローム株式会社
アナログデジタル変換装置
20日前
ローム株式会社
電源回路用の電子負荷装置
6日前
ローム株式会社
ソースドライバ及び表示装置
21日前
ローム株式会社
半導体装置、電子機器、車両
13日前
続きを見る
他の特許を見る