TOP
|
特許
|
意匠
|
商標
特許ウォッチ
Twitter
他の特許を見る
10個以上の画像は省略されています。
公開番号
2025145321
公報種別
公開特許公報(A)
公開日
2025-10-03
出願番号
2024045430
出願日
2024-03-21
発明の名称
メモリシステム
出願人
キオクシア株式会社
代理人
弁理士法人鈴榮特許綜合事務所
主分類
G06F
13/16 20060101AFI20250926BHJP(計算;計数)
要約
【課題】データ転送の処理能力を向上するメモリシステムを提供する。
【解決手段】メモリシステム1は、データの送受信に用いられる第1端子群及びパケットの受信に用いられる第2端子群を含むメモリチップ11と、メモリチップとデータの送受信及びパケット送信を実行するメモリコントローラ20と、を含む。メモリコントローラは、データの転送動作を1回実行する場合、メモリチップに、データ転送の開始を示す第1パケットと、データ転送の終了を示す第2パケットとを送信し、データの転送動作を2回連続して実行する場合、メモリチップに、1回目のデータ転送と2回目のデータ転送との間に2回目のデータ転送に対応する第1パケットを送信し、1回目のデータ転送に対応する第2パケットを送信しない。
【選択図】図1
特許請求の範囲
【請求項1】
データの送受信に用いられる第1端子群及びパケットの受信に用いられる第2端子群を含み、前記データを不揮発に記憶するように構成されたメモリチップと、
前記メモリチップを制御し、前記第1端子群を介して前記メモリチップと前記データを送受信し、前記第2端子群を介して前記メモリチップに前記パケットを送信するように構成されたメモリコントローラと
を備え、
前記メモリコントローラは、前記メモリチップと、前記データの転送動作を1回実行する場合、前記メモリチップに、前記データの転送の開始を示す第1パケットと、前記データの転送の終了を示す第2パケットとを送信し、前記メモリチップと前記データの前記転送動作を2回連続して実行する場合、前記メモリチップに、1回目の前記データの転送と2回目の前記データの転送との間に前記2回目の前記データの転送に対応する前記第1パケットを送信し、前記1回目の前記データの転送に対応する前記第2パケットを送信しない、
メモリシステム。
続きを表示(約 2,200 文字)
【請求項2】
前記メモリコントローラは、前記メモリチップと前記データの前記転送動作を2回連続して実行する場合、前記メモリチップに、前記1回目の前記データの転送の前に前記1回目の前記データの転送に対応する前記第1パケットを送信し、前記2回目の前記データの転送の後に前記2回目の前記データの転送に対応する前記第2パケットを送信する、
請求項1に記載のメモリシステム。
【請求項3】
前記メモリコントローラは、前記メモリチップへの前記第1パケットまたは前記第2パケットの送信の一部と、前記メモリチップとの前記データの送受信の一部とを、並列に実行する、
請求項1に記載のメモリシステム。
【請求項4】
各々が、データの送受信に用いられる第1端子群及びパケットの受信に用いられる第2端子群を含み、前記データを不揮発に記憶するように構成された第1メモリチップ及び第2メモリチップと、
第1チャネルを介して前記第1メモリチップの前記第1端子群及び前記第2端子群に接続され、第2チャネルを介して前記第2メモリチップの前記第1端子群及び前記第2端子群に接続されたブリッジチップと、
前記ブリッジチップに接続され、前記ブリッジチップを介して、前記第1メモリチップ及び前記第2メモリチップと前記データを送受信するメモリコントローラと
を備え、
前記メモリコントローラは、前記ブリッジチップと前記データの転送動作を1回実行する場合、前記ブリッジチップに、前記データの転送の開始を示す第1パケットと、前記データの転送の終了を示す第2パケットを送信し、前記ブリッジチップと前記データの前記転送動作を2回連続して実行する場合、前記ブリッジチップに、1回目の前記データの転送と2回目の前記データの転送との間に前記2回目の前記データの転送に対応する前記第1パケットを送信し、前記1回目の前記データの転送に対応する前記第2パケットを送信しない、
メモリシステム。
【請求項5】
前記メモリコントローラは、前記ブリッジチップと前記データの前記転送動作を2回連続して実行する場合、前記ブリッジチップに、前記1回目の前記データの転送の前に前記1回目の前記データの転送に対応する前記第1パケットを送信し、前記2回目の前記データの転送の後に前記2回目の前記データの転送に対応する前記第2パケットを送信する、
請求項4に記載のメモリシステム。
【請求項6】
前記メモリコントローラは、前記ブリッジチップへの前記第1パケットまたは前記第2パケットの送信の一部と、前記ブリッジチップとの前記データの送受信の一部とを、並列に実行する、
請求項4に記載のメモリシステム。
【請求項7】
前記ブリッジチップは、前記第1メモリチップと前記データの前記転送動作を2回連続して実行する場合、前記第1メモリチップに、1回目の前記データの転送と2回目の前記データの転送との間に前記1回目の前記データの転送に対応する前記第2パケット及び前記2回目の前記データの転送に対応する前記第1パケットを送信する、
請求項4に記載のメモリシステム。
【請求項8】
前記ブリッジチップは、前記第1メモリチップとの前記データの前記転送動作の一部と、前記第2メモリチップとの前記データの前記転送動作の一部とを、並列に実行する、
請求項4に記載のメモリシステム。
【請求項9】
各々が、データの送受信に用いられる第1端子群及びパケット及びアドレスの受信に用いられる第2端子群を含み、前記データを不揮発に記憶するように構成された第1メモリチップ及び第2メモリチップと、
第1チャネルを介して前記第1メモリチップの前記第1端子群及び前記第2端子群に接続され、第2チャネルを介して前記第2メモリチップの前記第1端子群及び前記第2端子群に接続されたブリッジチップと、
前記ブリッジチップに接続され、前記ブリッジチップを介して、前記第1メモリチップ及び前記第2メモリチップと前記データを送受信するメモリコントローラと
を備え、
前記ブリッジチップは、
前記メモリコントローラからデータ転送の開始を示す第1パケットを受信したか判定する判定部と、
転送データのデータサイズを設定する設定部と、
前記転送データをカウントするカウンタと、
前記第1チャネルに対応する第1メモリと、
前記第2チャネルに対応する第2メモリと、
前記第1メモリ及び前記第2メモリの一方と前記メモリコントローラとを接続し、前記転送データのカウント数に基づいて、前記第1メモリ及び前記第2メモリの他方に接続を切り替える切替器と
を含む、
メモリシステム。
【請求項10】
前記第1メモリチップとの第1データの転送動作と前記第2メモリチップとの第2データの前記転送動作とを連続して実行する場合、前記カウンタは、前記第1データのカウント数が設定されたデータサイズに達した場合、前記切替器に前記メモリコントローラとの接続を前記第1メモリから前記第2メモリに切り替えるように指示する、
請求項9に記載のメモリシステム。
(【請求項11】以降は省略されています)
発明の詳細な説明
【技術分野】
【0001】
本発明の実施形態は、メモリシステムに関する。
続きを表示(約 2,200 文字)
【背景技術】
【0002】
メモリシステムとして、NAND型フラッシュメモリのような不揮発性メモリを搭載したSSD(Solid State Drive)が知られている。
【先行技術文献】
【特許文献】
【0003】
特開2022-154323号公報
特開2023-91307号公報
【発明の概要】
【発明が解決しようとする課題】
【0004】
本発明の一実施形態では、データ転送の処理能力を向上できるメモリシステムを提供する。
【課題を解決するための手段】
【0005】
実施形態に係るメモリシステムは、データの送受信に用いられる第1端子群及びパケットの受信に用いられる第2端子群を含み、データを不揮発に記憶するように構成されたメモリチップと、メモリチップを制御し、第1端子群を介してメモリチップとデータを送受信し、第2端子群を介してメモリチップにパケットを送信するように構成されたメモリコントローラと、を含む。メモリコントローラは、メモリチップと、データの転送動作を1回実行する場合、メモリチップに、データの転送の開始を示す第1パケットと、データの転送の終了を示す第2パケットを送信する。メモリコントローラは、メモリチップとデータの転送動作を2回連続して実行する場合、メモリチップに、1回目のデータの転送と2回目のデータの転送との間に2回目のデータの転送に対応する第1パケットを送信し、1回目のデータの転送に対応する第2パケットを送信しない。
【図面の簡単な説明】
【0006】
第1実施形態に係るメモリシステムの全体構成の一例を示すブロック図。
第1実施形態に係るメモリシステムの備えるメモリチップの構成の一例を示すブロック図。
第1実施形態に係るメモリシステムの備えるメモリセルアレイの回路図。
第1実施形態に係るメモリシステムにおけるコマンド及びアドレスの入力動作のシーケンスの一例を示す図。
第1実施形態に係るメモリシステムにおけるステータス情報の出力動作のシーケンスの一例を示す図。
第1実施形態に係るメモリシステムにおけるデータの入力動作のシーケンスの一例を示す図。
第1実施形態に係るメモリシステムにおけるデータの出力動作のシーケンスの一例を示す図。
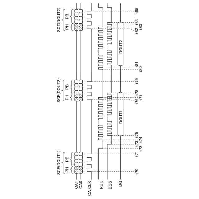
第1実施形態に係るメモリシステムにおけるデータの入力動作を2回連続して実行する場合のシーケンスの一例を示す図。
第1実施形態に係るメモリシステムにおけるデータの出力動作を2回連続して実行する場合のシーケンスの一例を示す図。
第1実施形態に係るメモリシステムにおけるデータの入力動作と出力動作とを連続して実行する場合のシーケンスの一例を示す図。
第1実施形態に係るメモリシステムにおけるデータの出力動作と入力動作とを連続して実行する場合のシーケンスの一例を示す図。
第2実施形態に係るメモリシステムの全体構成の一例を示すブロック図。
第2実施形態に係るメモリシステムの備えるブリッジチップのチャネルCH0aに接続されたメモリチップとチャネルCH0bに接続されたメモリチップとにおけるデータの出力動作が複数回連続して実行される場合のシーケンスの一例を示す図。
第3実施形態に係るメモリシステムの全体構成の一例を示すブロック図。
第3実施形態に係るメモリシステムにおけるブリッジチップからメモリコントローラに出力データを出力する場合の一例を示す図。
第3実施形態に係るメモリシステムにおけるブリッジチップからメモリコントローラに出力データを出力する場合の一例を示す図。
【発明を実施するための形態】
【0007】
以下、図面を参照して実施形態について説明する。なお、以下の説明において、同一の機能及び構成を有する構成要素については、共通する参照符号を付す。また、共通する参照符号を有する複数の構成要素を区別する場合、当該共通する参照符号に添え字を付して区別する。なお、複数の構成要素について特に区別を要さない場合、当該複数の構成要素には、共通する参照符号のみが付され、添え字は付さない。ここで、添え字は、下付き文字や上付き文字に限らず、例えば、参照符号の末尾に添加される小文字のアルファベット、及び配列を意味するインデックス等を含む。
【0008】
1.第1実施形態
第1実施形態に係るメモリシステムについて説明する。
【0009】
1.1 構成
1.1.1 メモリシステムの構成
まず、図1を参照して、メモリシステム1の構成の一例について説明する。図1は、メモリシステム1の全体構成の一例を示すブロック図である。なお、図1に示す例では、各構成要素間の接続の一部を矢印線で示しているが、各構成要素間の接続はこれらに限定されない。
【0010】
図1に示すように、メモリシステム1は、例えば、SSD(Solid State Drive)である。メモリシステム1は、図示せぬホストデバイスに接続される。例えば、ホストデバイスにより、メモリシステム1は制御される。
(【0011】以降は省略されています)
この特許をJ-PlatPat(特許庁公式サイト)で参照する
関連特許
キオクシア株式会社
記憶装置
6日前
キオクシア株式会社
記憶装置
12日前
キオクシア株式会社
記憶装置
8日前
キオクシア株式会社
記憶装置
4日前
キオクシア株式会社
記憶装置
6日前
キオクシア株式会社
半導体装置
6日前
キオクシア株式会社
半導体装置
12日前
キオクシア株式会社
半導体装置
5日前
キオクシア株式会社
半導体装置
4日前
キオクシア株式会社
半導体装置
5日前
キオクシア株式会社
基板ユニット
8日前
キオクシア株式会社
通信システム
6日前
キオクシア株式会社
磁気記憶装置
6日前
キオクシア株式会社
磁気記憶装置
8日前
キオクシア株式会社
磁気記憶装置
8日前
キオクシア株式会社
磁気記憶装置
5日前
キオクシア株式会社
磁気記憶装置
6日前
キオクシア株式会社
メモリデバイス
6日前
キオクシア株式会社
半導体記憶装置
6日前
キオクシア株式会社
半導体記憶装置
5日前
キオクシア株式会社
メモリシステム
5日前
キオクシア株式会社
半導体記憶装置
19日前
キオクシア株式会社
半導体記憶装置
6日前
キオクシア株式会社
半導体記憶装置
8日前
キオクシア株式会社
半導体記憶装置
8日前
キオクシア株式会社
半導体記憶装置
8日前
キオクシア株式会社
半導体記憶装置
8日前
キオクシア株式会社
メモリデバイス
11日前
キオクシア株式会社
半導体記憶装置
18日前
キオクシア株式会社
半導体記憶装置
18日前
キオクシア株式会社
メモリシステム
18日前
キオクシア株式会社
半導体記憶装置
5日前
キオクシア株式会社
半導体記憶装置
6日前
キオクシア株式会社
メモリシステム
4日前
キオクシア株式会社
半導体記憶装置
4日前
キオクシア株式会社
メモリデバイス
4日前
続きを見る
他の特許を見る