TOP
|
特許
|
意匠
|
商標
特許ウォッチ
Twitter
他の特許を見る
10個以上の画像は省略されています。
公開番号
2025163483
公報種別
公開特許公報(A)
公開日
2025-10-29
出願番号
2024066781
出願日
2024-04-17
発明の名称
接続用配線基板
出願人
日本放送協会
代理人
個人
,
個人
,
個人
,
個人
主分類
H05K
1/02 20060101AFI20251022BHJP(他に分類されない電気技術)
要約
【課題】屈曲又は伸縮に対する優れた耐久性及び接続信頼性を得ることを可能とした接続用配線基板を提供する。
【解決手段】屈曲自在又は伸縮自在な樹脂基板2と、樹脂基板2の少なくとも一方の面側に並んで設けられた伸縮自在な複数の配線層3と、樹脂基板2の少なくとも一方の面側の一端側に並んで設けられた複数の第1の電極層4aと、樹脂基板2の少なくとも一方の面側の他端側に並んで設けられた複数の第2の電極層4bとを備え、配線層3は、液体金属に金属粒子を分散させた流動性金属材料により形成されており、第1の電極層4aは、配線層3の一端側と電気的に接続され、第2の電極層4bは、配線層3の他端側と電気的に接続されている。
【選択図】図1
特許請求の範囲
【請求項1】
屈曲自在又は伸縮自在な樹脂基板と、
前記樹脂基板の少なくとも一方の面側に並んで設けられた伸縮自在な複数の配線層と、
前記樹脂基板の少なくとも一方の面側の一端側に並んで設けられた複数の第1の電極層と、
前記樹脂基板の少なくとも一方の面側の他端側に並んで設けられた複数の第2の電極層とを備え、
前記配線層は、液体金属に金属粒子を分散させた流動性金属材料により形成されており、
前記第1の電極層は、前記配線層の一端側と電気的に接続され、
前記第2の電極層は、前記配線層の他端側と電気的に接続されていることを特徴とする接続用配線基板。
続きを表示(約 1,200 文字)
【請求項2】
前記配線層は、前記樹脂基板に埋め込まれた状態で配置されていることを特徴とする請求項1に記載の接続用配線基板。
【請求項3】
前記樹脂基板の前記複数の配線層が設けられた面側を覆う屈曲自在又は伸縮自在な樹脂層を備えることを特徴とする請求項1に記載の接続用配線基板。
【請求項4】
前記樹脂層の面上に並んで設けられた伸縮自在な複数の上部配線層と、
前記樹脂層の一端側に並んで設けられた複数の第3の電極層と、
前記樹脂層の他端側に並んで設けられた複数の第4の電極層とを備え、
前記上部配線層は、液体金属に金属粒子を分散させた流動性金属材料により形成されており、
前記第3の電極層は、前記上部配線層の一端側と電気的に接続されると共に、前記第1の電極層との間で電気的に接続され、
前記第4の電極層は、前記上部配線層の他端側と電気的に接続されると共に、前記第2の電極層との間で電気的に接続されていることを特徴とする請求項3に記載の接続用配線基板。
【請求項5】
前記第3の電極層は、前記樹脂層の端縁部に沿って設けられた第1の端部電極を介して前記第1の電極層と電気的に接続され、
前記第4の電極層は、前記樹脂層の端縁部に沿って設けられた第2の端部電極を介して前記第2の電極層と電気的に接続されていることを特徴とする請求項4に記載の接続用配線基板。
【請求項6】
前記第3の電極層は、前記樹脂層を貫通する第1の貫通電極を介して前記第1の電極層と電気的に接続され、
前記第4の電極層は、前記樹脂層を貫通する第2の貫通電極を介して前記第2の電極層と電気的に接続されていることを特徴とする請求項4に記載の接続用配線基板。
【請求項7】
前記上部配線層は、前記樹脂層に埋め込まれた状態で配置されていることを特徴とする請求項4に記載の接続用配線基板。
【請求項8】
前記樹脂基板の前記複数の上部配線層が設けられた面側を覆う屈曲自在又は伸縮自在な樹脂層を備えることを特徴とする請求項4に記載の接続用配線基板。
【請求項9】
前記配線層は、その一端側及び他端側が接続部を介して前記第1の電極層及び前記第2の電極層と電気的に接続されており、
前記接続部は、前記配線層側に前記液体金属と合金化し易い第1の金属膜と、前記電極層側に前記液体金属と合金化し難い第2の金属膜とを含む少なくとも2層以上の積層膜により構成されていることを特徴とする請求項1に記載の接続用配線基板。
【請求項10】
前記配線層は、その下層側が上層側よりも前記流動性金属材料の流動性が低い層構造を有することを特徴とする請求項1に記載の接続用配線基板。
(【請求項11】以降は省略されています)
発明の詳細な説明
【技術分野】
【0001】
本発明は、接続用配線基板に関する。
続きを表示(約 3,600 文字)
【背景技術】
【0002】
例えば、ディスプレイデバイスやウェアラブルデバイスなどの電子デバイスと外部駆動基板との接続には、屈曲自在なフレキシブル配線基板(FPC)などの接続用配線基板が用いられている。また、電子デバイスの小型化や軽量化に伴い、FPCの折り畳まれた状態での接続が行われている。
【0003】
しかしながら、小さな筐体内にFPCを折り畳んで収納するためには、小さい曲率半径で連続的に繰り返しFPCを屈曲させる必要がある。このため、FPCの折り畳みによる断線などが生じないように、FPCに対してより厳しい屈曲性能が求められている。また、過度な折り畳みに耐えられるように、FPCの基材の柔軟性の付与や通常用いられる銅箔の配向度や表面粗さの最適化などが行われている。(例えば、下記特許文献1を参照。)。
【先行技術文献】
【特許文献】
【0004】
特開2020-143321号公報
【発明の概要】
【発明が解決しようとする課題】
【0005】
しかしながら、FPCの配線に銅箔を用いた場合、過度な屈曲や繰り返しの折り畳み動作により銅箔にクラックが発生することがある。この場合、断線によって電気的な接続を維持することが困難となる。また、FPCを屈曲自在とするだけでなく、伸縮自在とするためには、基材及び配線に伸縮性を持たせる必要がある。
【0006】
本発明は、このような従来の事情に鑑みて提案されたものであり、屈曲又は伸縮に対する優れた耐久性及び接続信頼性を得ることを可能とした接続用配線基板を提供することを目的とする。
【課題を解決するための手段】
【0007】
上記目的を達成するために、本発明は以下の手段を提供する。
〔1〕 屈曲自在又は伸縮自在な樹脂基板と、
前記樹脂基板の少なくとも一方の面側に並んで設けられた伸縮自在な複数の配線層と、
前記樹脂基板の少なくとも一方の面側の一端側に並んで設けられた複数の第1の電極層と、
前記樹脂基板の少なくとも一方の面側の他端側に並んで設けられた複数の第2の電極層とを備え、
前記配線層は、液体金属に金属粒子を分散させた流動性金属材料により形成されており、
前記第1の電極層は、前記配線層の一端側と電気的に接続され、
前記第2の電極層は、前記配線層の他端側と電気的に接続されていることを特徴とする接続用配線基板。
〔2〕 前記配線層は、前記樹脂基板に埋め込まれた状態で配置されていることを特徴とする前記〔1〕に記載の接続用配線基板。
〔3〕 前記樹脂基板の前記複数の配線層が設けられた面側を覆う屈曲自在又は伸縮自在な樹脂層を備えることを特徴とする前記〔1〕に記載の接続用配線基板。
〔4〕 前記樹脂層の面上に並んで設けられた伸縮自在な複数の上部配線層と、
前記樹脂層の一端側に並んで設けられた複数の第3の電極層と、
前記樹脂層の他端側に並んで設けられた複数の第4の電極層とを備え、
前記上部配線層は、液体金属に金属粒子を分散させた流動性金属材料により形成されており、
前記第3の電極層は、前記上部配線層の一端側と電気的に接続されると共に、前記第1の電極層との間で電気的に接続され、
前記第4の電極層は、前記上部配線層の他端側と電気的に接続されると共に、前記第2の電極層との間で電気的に接続されていることを特徴とする前記〔3〕に記載の接続用配線基板。
〔5〕 前記第3の電極層は、前記樹脂層の端縁部に沿って設けられた第1の端部電極を介して前記第1の電極層と電気的に接続され、
前記第4の電極層は、前記樹脂層の端縁部に沿って設けられた第2の端部電極を介して前記第2の電極層と電気的に接続されていることを特徴とする前記〔4〕に記載の接続用配線基板。
〔6〕 前記第3の電極層は、前記樹脂層を貫通する第1の貫通電極を介して前記第1の電極層と電気的に接続され、
前記第4の電極層は、前記樹脂層を貫通する第2の貫通電極を介して前記第2の電極層と電気的に接続されていることを特徴とする前記〔4〕に記載の接続用配線基板。
〔7〕 前記上部配線層は、前記樹脂層に埋め込まれた状態で配置されていることを特徴とする前記〔4〕に記載の接続用配線基板。
〔8〕 前記樹脂基板の前記複数の上部配線層が設けられた面側を覆う屈曲自在又は伸縮自在な樹脂層を備えることを特徴とする前記〔4〕に記載の接続用配線基板。
〔9〕 前記配線層は、その一端側及び他端側が接続部を介して前記第1の電極層及び前記第2の電極層と電気的に接続されており、
前記接続部は、前記配線層側に前記液体金属と合金化し易い第1の金属膜と、前記電極層側に前記液体金属と合金化し難い第2の金属膜とを含む少なくとも2層以上の積層膜により構成されていることを特徴とする前記〔1〕に記載の接続用配線基板。
〔10〕 前記配線層は、その下層側が上層側よりも前記流動性金属材料の流動性が低い層構造を有することを特徴とする前記〔1〕に記載の接続用配線基板。
〔11〕 前記上部配線層は、その一端側及び他端側が接続部を介して前記第3の電極層及び前記第4の電極層と電気的に接続されており、
前記接続部は、前記上部配線層側に前記液体金属と合金化し易い第1の金属膜と、前記第3の電極層及び前記第4の電極層側に前記液体金属と合金化し難い第2の金属膜とを含む少なくとも2層以上の積層膜により構成されていることを特徴とする前記〔4〕に記載の接続用配線基板。
〔12〕 前記上部配線層は、その下層側が上層側よりも前記流動性金属材料の流動性が低い層構造を有することを特徴とする前記〔4〕に記載の接続用配線基板。
【発明の効果】
【0008】
以上のように、本発明によれば、屈曲又は伸縮に対する優れた耐久性及び接続信頼性を得ることを可能とした接続用配線基板が提供される。
【図面の簡単な説明】
【0009】
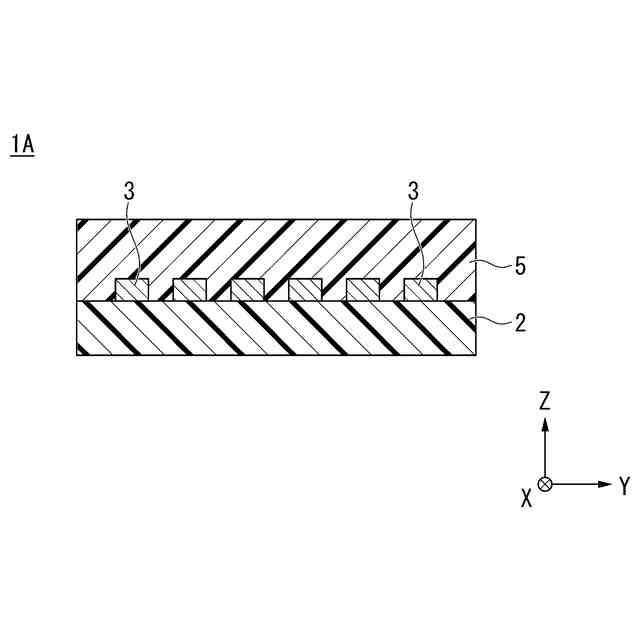
本発明の第1の実施形態に係る接続用配線基板の構成を示す平面図である。
図1中に示す線分A-Aによる接続用配線基板の断面図である。
図1中に示す線分B-Bによる接続用配線基板の断面図である。
本発明の第2の実施形態に係る接続用配線基板の構成を示す平面図である。
図4中に示す線分A-Aによる接続用配線基板の断面図である。
図4中に示す線分B-Bによる接続用配線基板の断面図である。
本発明の第3の実施形態に係る接続用配線基板において、図1中に示す線分A-Aに対応した断面図である。
図7に示す接続用配線基板において、図1中に示す線分B-Bに対応した断面図である。
本発明の第4の実施形態に係る接続用配線基板の構成を示す平面図である。
図9中に示す線分C-Cによる接続用配線基板の断面図である。
図9中に示す線分D-Dによる接続用配線基板の断面図である。
図9中に示す線分E-Eによる接続用配線基板の断面図である。
図9に示す接続用配線基板を構成する1層目の配線基板の構成を示す平面図である。
図9に示す接続用配線基板を構成する2層目の配線基板の構成を示す平面図である。
本発明の第5の実施形態に係る接続用配線基板において、図9中に示す線分D-Dに対応した断面図である。
図15に示す接続用配線基板において、図9中に示す線分E-Eに対応した断面図である。
配線層と電極層との別の接続構造を示し、図1中に示す線分B-Bに対応した断面図である。
配線層と電極層との別の接続構造を示し、図1中に示す線分B-Bに対応した断面図である。
配線層と電極層との別の接続構造を示し、図1中に示す線分B-Bに対応した断面図である。
【発明を実施するための形態】
【0010】
以下、本発明の実施形態について、図面を参照して詳細に説明する。
なお、以下の説明で用いる図面は、特徴をわかりやすくするために、便宜上特徴となる部分を拡大して示している場合があり、各構成要素の寸法比率などが実際と同じであるとは限らない。また、以下の説明において例示される材料、寸法等は一例であって、本発明はそれらに必ずしも限定されるものではなく、その要旨を変更しない範囲で適宜変更して実施することが可能である。
(【0011】以降は省略されています)
この特許をJ-PlatPat(特許庁公式サイト)で参照する
関連特許
日本放送協会
撮像装置
9か月前
日本放送協会
配線構造
5か月前
日本放送協会
撮像装置
2か月前
日本放送協会
収音装置
2か月前
日本放送協会
無線通信装置
7か月前
日本放送協会
基板固定装置
1か月前
日本放送協会
マイクロホン
7か月前
日本放送協会
表示システム
8日前
日本放送協会
光学計測装置
7か月前
日本放送協会
アンテナ装置
2か月前
日本放送協会
接続用配線基板
3日前
日本放送協会
光分布生成装置
2か月前
日本放送協会
磁性細線メモリ
6か月前
日本放送協会
映像伝送システム
5か月前
日本放送協会
広視野角撮像装置
1か月前
日本放送協会
無線伝送システム
9か月前
日本放送協会
磁性細線デバイス
9か月前
日本放送協会
広視野角撮像装置
1か月前
日本放送協会
レンズアダプター
11か月前
日本放送協会
データ管理システム
9か月前
日本放送協会
良撮影位置推定装置
4か月前
日本放送協会
3次元映像表示装置
2か月前
日本放送協会
3次元映像表示装置
6か月前
日本放送協会
角度選択フィルター
4か月前
日本放送協会
送信装置及び受信装置
8か月前
日本放送協会
受信装置及び送出装置
10か月前
日本放送協会
衛星放送受信システム
11か月前
日本放送協会
送信装置及び受信装置
8か月前
日本放送協会
送信装置及び受信装置
11か月前
日本放送協会
送信装置及び受信装置
9か月前
日本放送協会
送信装置及び受信装置
1か月前
日本放送協会
受信装置及びプログラム
11か月前
日本放送協会
縮小装置及びプログラム
3か月前
日本放送協会
受信装置及びプログラム
4か月前
日本放送協会
端末装置及びプログラム
10か月前
日本放送協会
磁壁移動型空間光変調器
10か月前
続きを見る
他の特許を見る