TOP
|
特許
|
意匠
|
商標
特許ウォッチ
Twitter
他の特許を見る
10個以上の画像は省略されています。
公開番号
2025120515
公報種別
公開特許公報(A)
公開日
2025-08-18
出願番号
2024015327
出願日
2024-02-05
発明の名称
配索構造
出願人
矢崎総業株式会社
代理人
弁理士法人虎ノ門知的財産事務所
主分類
H02G
3/32 20060101AFI20250808BHJP(電力の発電,変換,配電)
要約
【課題】プロテクタに対して固定部材を所望の回転位置で仮固定できる配索構造を提供する。
【解決手段】配索構造1は、電線Wが挿通される筒状のプロテクタ2と、プロテクタを保持し、かつ車両の車体110に固定される固定部材3と、を備え、固定部材は、プロテクタの外周面に装着されてプロテクタを保持する筒状の保持部31と、車体に固定される固定部32と、を有し、プロテクタの外周面および保持部の内周面のうち一方の面は、周方向に並ぶ複数の第一突起6を有し、プロテクタの外周面および保持部の内周面のうち他方の面は、第一突起6によって仮係止されてプロテクタに対する保持部の回転位置を決める第二突起7を有する。
【選択図】図6
特許請求の範囲
【請求項1】
電線が挿通される筒状のプロテクタと、
前記プロテクタを保持し、かつ車両の車体に固定される固定部材と、
を備え、
前記固定部材は、前記プロテクタの外周面に装着されて前記プロテクタを保持する筒状の保持部と、前記車体に固定される固定部と、を有し、
前記プロテクタの外周面および前記保持部の内周面のうち一方の面は、周方向に並ぶ複数の第一突起を有し、
前記プロテクタの外周面および前記保持部の内周面のうち他方の面は、前記第一突起によって仮係止されて前記プロテクタに対する前記保持部の回転位置を決める第二突起を有する
ことを特徴とする配索構造。
続きを表示(約 310 文字)
【請求項2】
前記プロテクタおよび前記保持部の軸方向と直交する断面における前記第一突起の断面形状および前記第二突起の断面形状は、先細形状である
請求項1に記載の配索構造。
【請求項3】
前記プロテクタおよび前記保持部の軸方向と直交する断面における前記第一突起の断面形状および前記第二突起の断面形状は、半円形状である
請求項1に記載の配索構造。
【請求項4】
前記第一突起および前記第二突起の形状は、半球状の形状であり、
複数の前記第一突起は、前記周方向に加えて、前記プロテクタおよび前記保持部の軸方向に並べて配置される
請求項1に記載の配索構造。
発明の詳細な説明
【技術分野】
【0001】
本発明は、配索構造に関する。
続きを表示(約 2,000 文字)
【背景技術】
【0002】
従来、クランプの取り付け位置を調整可能とする技術がある。特許文献1には、コルゲートチューブに対するクランプの取り付け位置を簡単に徴調整できるようにしたワイヤハーネスのコルゲートチューブのクランプ構造が開示されている。特許文献1の構造では、クランプを回転させながらコルゲートチューブに対して軸方向へ移動させることができる。
【先行技術文献】
【特許文献】
【0003】
特開平9-178049号公報
【発明の概要】
【発明が解決しようとする課題】
【0004】
特許文献1の構造では、回転によるクランプの角度調整は可能ではあるものの、任意の角度で固定することが出来ない。取り付け対象のプロテクタに対して、クランプ等の固定部材を所望の回転位置で仮固定できることが望まれている。
【0005】
本発明の目的は、プロテクタに対して固定部材を所望の回転位置で仮固定できる配索構造を提供することである。
【課題を解決するための手段】
【0006】
本発明の配索構造は、電線が挿通される筒状のプロテクタと、前記プロテクタを保持し、かつ車両の車体に固定される固定部材と、を備え、前記固定部材は、前記プロテクタの外周面に装着されて前記プロテクタを保持する筒状の保持部と、前記車体に固定される固定部と、を有し、前記プロテクタの外周面および前記保持部の内周面のうち一方の面は、周方向に並ぶ複数の第一突起を有し、前記プロテクタの外周面および前記保持部の内周面のうち他方の面は、前記第一突起によって仮係止されて前記プロテクタに対する前記保持部の回転位置を決める第二突起を有することを特徴とする。
【発明の効果】
【0007】
本発明に係る配索構造は、プロテクタと、プロテクタを保持し、かつ車両の車体に固定される固定部材と、を備え、固定部材は、プロテクタの外周面に装着されてプロテクタを保持する筒状の保持部を有する。プロテクタの外周面および保持部の内周面のうち一方の面は、周方向に並ぶ複数の第一突起を有し、プロテクタの外周面および保持部の内周面のうち他方の面は、第一突起によって仮係止されてプロテクタに対する保持部の回転位置を決める第二突起を有する。本発明に係る配索構造によれば、プロテクタに対して固定部材を所望の回転位置で仮固定できるという効果を奏する。
【図面の簡単な説明】
【0008】
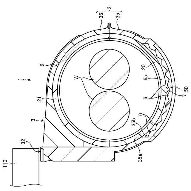
図1は、実施形態に係る配索構造の斜視図である。
図2は、実施形態に係る配索構造の側面図である。
図3は、実施形態に係るプロテクタの斜視図である。
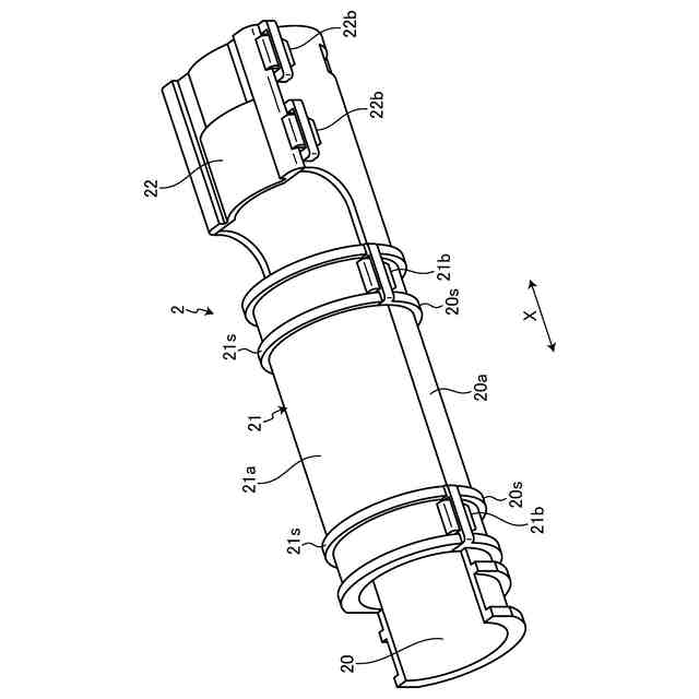
図4は、実施形態に係る固定部材の斜視図である。
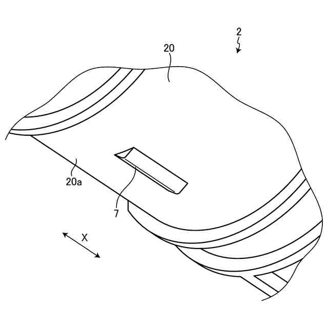
図5は、実施形態に係る第二突起の斜視図である。
図6は、実施形態に係る配索構造の断面図である。
図7は、実施形態に係る配索構造の断面図である。
図8は、実施形態に係る配索構造の断面図である。
図9は、実施形態に係る他の固定部材の斜視図である。
図10は、実施形態に係る他の第二突起の斜視図である。
図11は、実施形態に係る配索構造の断面図である。
図12は、実施形態に係る配索構造の断面図である。
図13は、実施形態に係る他の固定部材の斜視図である。
図14は、実施形態に係る他の第一突起の平面図である。
図15は、実施形態に係る他の第二突起の斜視図である。
図16は、実施形態に係る配索構造の断面図である。
図17は、実施形態に係る配索構造の説明図である。
図18は、実施形態に係る配索構造の説明図である。
【発明を実施するための形態】
【0009】
以下に、本発明の実施形態に係る配索構造につき図面を参照しつつ詳細に説明する。なお、この実施形態によりこの発明が限定されるものではない。また、下記の実施形態における構成要素には、当業者が容易に想定できるものあるいは実質的に同一のものが含まれる。
【0010】
[実施形態]
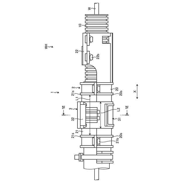
図1から図18を参照して、実施形態について説明する。本実施形態は、配索構造に関する。図1は、実施形態に係る配索構造の斜視図、図2は、実施形態に係る配索構造の側面図、図3は、実施形態に係るプロテクタの斜視図、図4は、実施形態に係る固定部材の斜視図、図5は、実施形態に係る第二突起の斜視図、図6から図8は、実施形態に係る配索構造の断面図、図9は、実施形態に係る他の固定部材の斜視図、図10は、実施形態に係る他の第二突起の斜視図である。
(【0011】以降は省略されています)
この特許をJ-PlatPat(特許庁公式サイト)で参照する
関連特許
矢崎総業株式会社
端子
1か月前
矢崎総業株式会社
電線
2か月前
矢崎総業株式会社
端子
1か月前
矢崎総業株式会社
箱状体
1か月前
矢崎総業株式会社
箱状体
1か月前
矢崎総業株式会社
雌端子
1か月前
矢崎総業株式会社
バスバ
1か月前
矢崎総業株式会社
導電体
2か月前
矢崎総業株式会社
導電体
2か月前
矢崎総業株式会社
照明灯
23日前
矢崎総業株式会社
コネクタ
28日前
矢崎総業株式会社
コネクタ
28日前
矢崎総業株式会社
コネクタ
23日前
矢崎総業株式会社
コネクタ
28日前
矢崎総業株式会社
コネクタ
1か月前
矢崎総業株式会社
コネクタ
23日前
矢崎総業株式会社
コネクタ
1か月前
矢崎総業株式会社
コネクタ
1か月前
矢崎総業株式会社
コネクタ
23日前
矢崎総業株式会社
コネクタ
16日前
矢崎総業株式会社
コネクタ
2か月前
矢崎総業株式会社
配索構造
1か月前
矢崎総業株式会社
コネクタ
1か月前
矢崎総業株式会社
コネクタ
1か月前
矢崎総業株式会社
コネクタ
14日前
矢崎総業株式会社
照明装置
1か月前
矢崎総業株式会社
コネクタ
1か月前
矢崎総業株式会社
コネクタ
2か月前
矢崎総業株式会社
コネクタ
2か月前
矢崎総業株式会社
コネクタ
2か月前
矢崎総業株式会社
コネクタ
2か月前
矢崎総業株式会社
コネクタ
2か月前
矢崎総業株式会社
コネクタ
2か月前
矢崎総業株式会社
巻付装置
2か月前
矢崎総業株式会社
コネクタ
2か月前
矢崎総業株式会社
コネクタ
2か月前
続きを見る
他の特許を見る