TOP
|
特許
|
意匠
|
商標
特許ウォッチ
Twitter
他の特許を見る
公開番号
2025132877
公報種別
公開特許公報(A)
公開日
2025-09-10
出願番号
2024030730
出願日
2024-02-29
発明の名称
衝撃センサ
出願人
株式会社サトー
代理人
弁理士法人後藤特許事務所
主分類
G01P
15/135 20060101AFI20250903BHJP(測定;試験)
要約
【課題】衝撃の誤検知を低減する衝撃センサを提供する。
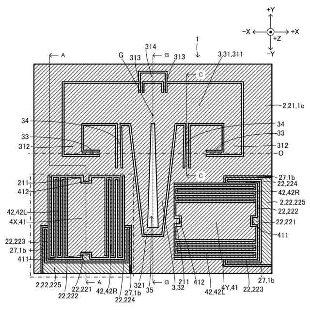
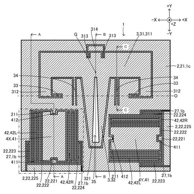
【解決手段】枠部2と、枠部2に対して軸部33を介して支持され軸部33を回転軸Oとして回転可能な回転可動子3と、回転可動子3に配置された第1可動電極と、第1可動電極に対向する位置に配置された固定電極と、を含み、回転可動子3が、回転可動子3の重心Gが回転軸から離間するように軸部33に支持され、回転可動子3の半径方向に垂直な方向の衝撃を受けることで回転軸Oを中心として回転する態様で変位可能であり、第1可動電極が、回転軸Oから離間した位置に配置され、回転可動子3の変位により第1可動電極と固定電極とが接触することで衝撃を検知する衝撃センサ300であって、回転可動子3と枠部2は、回転軸方向に交差する方向を長手方向とする梁部34により連結され、梁部34は、回転可動子3の変位に伴って変形可能である。
【選択図】図2
特許請求の範囲
【請求項1】
固定子と、
前記固定子に対して軸部を介して支持され前記軸部を回転軸として回転可能な第1可動子と、
前記第1可動子に配置された第1可動電極と、
前記第1可動電極に対向する位置に配置された固定電極と、を含み、
前記第1可動子が、前記第1可動子の重心が前記回転軸から離間するように前記軸部に支持され、前記第1可動子の回転軸方向と、前記回転軸方向に交差する方向のうち前記回転軸と前記重心とを結ぶ半径方向と、に垂直な方向の衝撃を受けることで前記回転軸を中心として回転する態様で変位可能であり、
前記第1可動電極が、前記回転軸から離間した位置に配置され、
前記第1可動子の変位により前記第1可動電極と前記固定電極とが接触することで前記衝撃を検知する衝撃センサであって、
前記第1可動子と前記固定子は、前記回転軸方向に交差する方向を長手方向とする梁部により連結され、
前記梁部は、前記第1可動子の変位に伴って変形可能である衝撃センサ。
続きを表示(約 1,600 文字)
【請求項2】
前記第1可動子は、
前記重心を含む第1回転可動子と、
前記第1回転可動子から前記重心の前記回転軸を挟んだ反対側に延出した第2回転可動子と、を含み、
前記梁部は、前記第1回転可動子と前記固定子とを連結するとともに、前記第1回転可動子の変位に伴って変形可能である請求項1に記載の衝撃センサ。
【請求項3】
前記第1可動電極は、
前記第1回転可動子に配置された第1回転可動電極を含み、
前記固定電極は、
前記第1回転可動電極に対向する位置に配置された第1固定電極を含み、
前記第1回転可動電極が前記第1固定電極に向けて変位するときに前記第1回転可動電極は前記第1固定電極と接触する請求項2に記載の衝撃センサ。
【請求項4】
前記第1可動電極は、
前記第2回転可動子に配置された第2回転可動電極を含み、
前記固定電極は、
前記第2回転可動電極に対向する位置に配置された第2固定電極を含み、
前記第2回転可動電極が前記第2固定電極に向けて変位するときに前記第2回転可動電極は前記第2固定電極と接触する請求項2に記載の衝撃センサ。
【請求項5】
前記第1可動電極は、
前記第1回転可動子に配置された第1回転可動電極と、
前記第2回転可動子に配置された第2回転可動電極と、を含み、
前記固定電極は、
前記第1回転可動電極に対向する位置に配置された第1固定電極と、
前記第2回転可動電極に対向する位置に配置された第2固定電極と、を含み、
前記第1回転可動電極が前記第1固定電極に向けて変位するときに前記第1回転可動電極は前記第1固定電極と接触するとともに前記第2回転可動電極は前記第2固定電極から離間し、
前記第2回転可動電極が前記第2固定電極に向けて変位するときに前記第1回転可動電極は前記第1固定電極から離間するとともに前記第2回転可動電極は前記第2固定電極と接触する請求項2に記載の衝撃センサ。
【請求項6】
前記梁部の前記長手方向の両端部は、前記回転軸方向から見て前記回転軸を挟むように配置されている請求項1又は請求項2に記載の衝撃センサ。
【請求項7】
前記梁部の前記回転軸方向の幅は、前記固定子から前記第1可動子に向かうにつれて狭くなる請求項1又は請求項2に記載の衝撃センサ。
【請求項8】
前記第2回転可動子の前記回転軸方向の幅は、前記第1回転可動子の前記回転軸方向の幅よりも狭く、
前記梁部は、前記第2回転可動子を前記回転軸方向から挟むように一対で配置され、
前記軸部は、
一対の前記梁部を前記回転軸方向から挟むように一対で配置されるとともに前記第1回転可動子に接続されている請求項2に記載の衝撃センサ。
【請求項9】
前記第2回転可動子の前記回転軸方向の幅は、前記第1回転可動子の前記回転軸方向の幅よりも狭く、
前記軸部は、前記第2回転可動子を前記回転軸方向から挟むように一対で配置され、
前記梁部は、
一対の前記軸部を前記回転軸方向から挟むように一対で配置されている請求項2に記載の衝撃センサ。
【請求項10】
前記第1可動電極は、
前記第1回転可動子に配置された第1回転可動電極と、
前記第2回転可動子に配置された第2回転可動電極と、を含み、
前記第1回転可動電極及び前記第2回転可動電極は、前記回転軸方向において一対の前記梁部の間となる位置に配置されている請求項8に記載の衝撃センサ。
(【請求項11】以降は省略されています)
発明の詳細な説明
【技術分野】
【0001】
本発明は、衝撃センサに関する。
続きを表示(約 2,700 文字)
【背景技術】
【0002】
特許文献1は、トーションバーが錘を支持し、所定値以上の衝撃(加速度)が印加されたときに錘が回転(変位)し、錘に配置された電極と錘に対向する位置に配置された電極とが接触することで当該衝撃を検知する内容を開示している。
【先行技術文献】
【特許文献】
【0003】
特開2016-161500号公報
【発明の概要】
【発明が解決しようとする課題】
【0004】
しかし、特許文献1の構成では、錘の変位方向とは異なる方向から衝撃が印加された場合でも錘が回転(変位)して電極同士が接触し、当該変位方向から衝撃があったものとして誤検知するおそれがある。
【0005】
そこで、本発明の一つの態様は、他軸の衝撃による誤検知を低減する衝撃センサを提供することを目的とする。
【課題を解決するための手段】
【0006】
本発明の一つの態様によれば、固定子と、固定子に対して軸部を介して支持され軸部を回転軸として回転可能な第1可動子と、第1可動子に配置された第1可動電極と、第1可動電極に対向する位置に配置された固定電極と、を含み、第1可動子が、第1可動子の重心が回転軸から離間するように軸部に支持され、第1可動子の回転軸方向と、回転軸方向に交差する方向のうち回転軸と重心とを結ぶ半径方向と、に垂直な方向の衝撃を受けることで回転軸を中心として回転する態様で変位可能であり、第1可動電極が、回転軸から離間した位置に配置され、第1可動子の変位により第1可動電極と固定電極とが接触することで衝撃を検知する衝撃センサであって、第1可動子と固定子は、回転軸方向に交差する方向を長手方向とする梁部により連結され、梁部は、第1可動子の変位に伴って変形可能である衝撃センサが提供される。
【発明の効果】
【0007】
本発明の一つの態様によれば、梁部は、回転軸方向に直交する方向を長手方向とする部材であるため、回転軸方向に直交する方向の衝撃(加速度)による第1可動子の変位を抑制できる。よって、回転軸方向及び回転軸方向に直交する方向の衝撃(加速度)に対する第1可動子の変位を抑制することで、厚み方向以外の方向の衝撃(加速度)を厚み方向の衝撃として誤検知することを低減できる。また、梁部は、第1可動子が回転軸を中心として回転する態様で変位する際に、当該変位に伴って変形するので、復元力を第1可動子に付与することができる。したがって、厚み方向から大きな衝撃(加速度)が印加された場合であっても当該復元力により第1可動子の変位及び変位速度を低減し、第1可動子に対するダメージを低減できる。
【図面の簡単な説明】
【0008】
図1は、本実施形態の衝撃センサの斜視図である。
図2は、本実施形態に係る衝撃センサの基板の平面図である。
図3は、本実施形態に係る衝撃センサの基板の裏面図である。
図4は、本実施形態に係る衝撃センサの蓋部の平面図である。
図5は、図2乃至図4のA-A線断面図である。
図6は、図2乃至図4のB-B線断面図であって衝撃センサが-Z方向の衝撃を受ける前の回転可動子の状態、又は+Z方向の衝撃を受ける前の回転可動子の状態を示す図である。
図7は、図2乃至図4のB-B線断面図であって衝撃センサが-Z方向の衝撃を受けたときの回転可動子の状態を示す図である。
図8は、図2乃至図4のB-B線断面図であって衝撃センサが+Z方向の衝撃を受けたときの回転可動子の状態を示す図である。
図9は、図2乃至図4のC-C線断面図であって衝撃センサが-Z方向の衝撃を受ける前の梁部の状態、又は+Z方向の衝撃を受ける前の梁部の状態を示す図である。
図10は、図2乃至図4のC-C線断面図であって衝撃センサが-Z方向の衝撃を受けたときの梁部の状態を示す図である。
図11は、図2乃至図4のC-C線断面図であって衝撃センサが+Z方向の衝撃を受けたときの梁部の状態を示す図である。
図12は、図2の部分詳細図である。
図13は、図12に示す配置においてX方向から衝撃を受けた場合であって、並進可動子が第1部材(緩衝電極)に接触したときを示す図である。
図14は、図12に示す配置においてX方向から衝撃を受けた場合であって、図13の状態から並進可動子が第1部材(緩衝電極)を更に押圧し、第1部材及び第2部材を支持する第3部材及び第4部材を変形させることで、並進可動子が第1部材(緩衝電極)とともに更に変位してストッパに接触した状態を示す。
図15は、本実施形態に係る衝撃センサの基板の第1変形例の平面図である。
図16は、本実施形態に係る衝撃センサの基板の第2変形例の平面図である。
図17は、本実施形態に係る衝撃センサを包含する電子タグの概略構成図である。
図18は、電子タグを構成するラッチ回路の一例を示す回路図である。
図19は、電子タグの作動の流れを示すフローチャートである。
図20は、電子タグの使用方法について説明するための図である。
【発明を実施するための形態】
【0009】
以下に記載する形態は、図面の簡単な説明により説明される図面に限定されるものではない。
【0010】
本発明の第1の態様は、固定子と、前記固定子に対して軸部を介して支持され前記軸部を回転軸として回転可能な第1可動子と、前記第1可動子に配置された第1可動電極と、前記第1可動電極に対向する位置に配置された固定電極と、を含み、前記第1可動子が、前記第1可動子の重心が前記回転軸から離間するように前記軸部に支持され、前記第1可動子の回転軸方向と、前記回転軸方向に交差する方向のうち前記回転軸と前記重心とを結ぶ半径方向と、に垂直な方向の衝撃を受けることで前記回転軸を中心として回転する態様で変位可能であり、前記第1可動電極が、前記回転軸から離間した位置に配置され、前記第1可動子の変位により前記第1可動電極と前記固定電極とが接触することで前記衝撃を検知する衝撃センサであって、前記第1可動子と前記固定子は、前記回転軸方向に交差する方向を長手方向とする梁部により連結され、前記梁部は、前記第1可動子の変位に伴って変形可能である衝撃センサである。
(【0011】以降は省略されています)
この特許をJ-PlatPat(特許庁公式サイト)で参照する
関連特許
株式会社サトー
プリンタ
5日前
株式会社サトー
衝撃センサ
24日前
株式会社サトー
衝撃センサ
24日前
株式会社サトー
衝撃センサ
24日前
株式会社サトー
識別バンド
3日前
株式会社サトー
プリンタ、方法
8日前
株式会社サトー
プリンタ、プリンタの制御方法、プログラム
8日前
株式会社サトー
情報処理システム、情報処理方法、プログラム
15日前
株式会社サトー
情報処理システム、プログラム、情報処理方法
8日前
株式会社サトー
情報処理システム、情報処理方法、プログラム
23日前
株式会社サトー
情報処理システム、情報処理方法、プログラム
15日前
株式会社サトー
プリンタ、プリンタの情報処理方法、プログラム
8日前
株式会社サトー
プリンタ、プログラム、プリンタの情報処理方法
8日前
株式会社サトー
プリンタ
1か月前
株式会社サトー
プリンタ
1か月前
株式会社サトー
RFID媒体、RFID媒体の使用方法及び検出システム
1か月前
株式会社サトー
プリンタ
1か月前
株式会社サトー
情報処理装置、情報処理システム、情報処理方法及びプログラム
1日前
株式会社サトー
プリンタ、プリンタの情報処理方法、プログラム、情報処理システム
8日前
株式会社サトー
導電パターンを備えた基材、電子デバイス、電磁波シールドフィルムおよび面状発熱体
5日前
株式会社サトー
導電パターンを備えた基材、電子デバイス、電磁波シールドフィルムおよび面状発熱体
5日前
株式会社サトー
導電性膜、導電性基材、電子デバイス、RFタグ、電磁波シールドフィルムおよび面状発熱体
5日前
株式会社サトー
RFIDラベル及びRFIDラベルの使用方法
1か月前
株式会社サトー
スクリーンメッシュ、スクリーンマスク、導電パターンの製造方法、および導電性基材の製造方法
1か月前
株式会社サトー
スクリーンメッシュ、スクリーンマスク、導電パターンの製造方法、および導電性基材の製造方法
1か月前
株式会社サトー
ラベル貼付装置、ラベル貼付方法及びプログラム
1か月前
株式会社サトー
導電性基材の製造方法、電子デバイスの製造方法、および電磁波シールドフィルムの製造方法、面状発熱体の製造方法
5日前
株式会社サトー
導電性基材の製造方法、電子デバイスの製造方法、および電磁波シールドフィルムの製造方法、面状発熱体の製造方法
5日前
株式会社サトー
導電性基材の製造方法、電子デバイスの製造方法、電磁波シールドフィルムの製造方法、および面状発熱体の製造方法
5日前
株式会社サトー
導電性基材の製造方法、電子デバイスの製造方法、電磁波シールドフィルムの製造方法、および面状発熱体の製造方法
5日前
株式会社サトー
導電パターンを備えた基材の製造方法、電子デバイスの製造方法、電磁波シールドフィルムの製造方法、面状発熱体の製造方法および導電パターンを備えた基材
5日前
株式会社サトー
導電パターンを備えた基材の製造方法、電子デバイスの製造方法、電磁波シールドフィルムの製造方法、面状発熱体の製造方法および導電パターンを備えた基材
5日前
株式会社サトー
導電パターンを備えた基材の製造方法、電子デバイスの製造方法、電磁波シールドフィルムの製造方法、面状発熱体の製造方法および導電パターンを備えた基材の製造用の物品
5日前
株式会社サトー
導電パターンを備えた基材の製造方法、電子デバイスの製造方法、電磁波シールドフィルムの製造方法、面状発熱体の製造方法、導電パターンを備えた基材の製造のための中間構造体および導電パターンを備えた基材
5日前
個人
計量スプーン
25日前
個人
微小振動検出装置
1か月前
続きを見る
他の特許を見る