TOP
|
特許
|
意匠
|
商標
特許ウォッチ
Twitter
他の特許を見る
10個以上の画像は省略されています。
公開番号
2025145910
公報種別
公開特許公報(A)
公開日
2025-10-03
出願番号
2024046415
出願日
2024-03-22
発明の名称
判別システム、判別方法、および判別プログラム
出願人
ニデック株式会社
代理人
弁理士法人酒井国際特許事務所
主分類
G05B
19/418 20060101AFI20250926BHJP(制御;調整)
要約
【課題】生産対象物の判別を容易に行うことができる技術を提供する。
【解決手段】本開示の一態様による判別システムは、検知部と、算出部と、判別部とを備える。検知部は、生産対象物の生産を行う生産設備において用いられる1種類以上のパルス信号を検知する。算出部は、検知部による検知結果に基づいて、1種類以上のパルス信号のパルス間隔、パルス幅、およびパルス回数のうちの少なくとも1つを算出する。判別部は、算出部による算出結果に基づいて、生産対象物の種類を判別する。
【選択図】図2
特許請求の範囲
【請求項1】
生産対象物の生産を行う生産設備において用いられる1種類以上のパルス信号を検知する検知部と、
前記検知部による検知結果に基づいて、前記1種類以上のパルス信号のパルス間隔、パルス幅、およびパルス回数のうちの少なくとも1つを算出する算出部と、
前記算出部による算出結果に基づいて、前記生産対象物の種類を判別する判別部と、を備える、判別システム。
続きを表示(約 1,400 文字)
【請求項2】
前記1種類以上のパルス信号は、
前記生産設備を制御するパルス信号および前記生産設備の動作を示すパルス信号のうちの少なくとも一方を含む、請求項1に記載の判別システム。
【請求項3】
前記検知結果は、
前記1種類以上のパルス信号の検知時刻を示す情報、前記1種類以上のパルス信号が検知されたときのカウンタの値を示す情報、または前記1種類以上のパルス信号の検知を示す情報を含む、請求項1に記載の判別システム。
【請求項4】
前記判別部は、
判別基準となるパルス間隔、パルス幅、およびパルス回数のうちの少なくとも1つの情報である判別基準情報を前記生産対象物の種類毎に含むマスタ情報と、前記算出部による算出結果とを比較する比較処理部と、
前記比較処理部による比較結果に基づいて、前記生産対象物の種類を判別する判別処理部と、を備える、請求項1から3のいずれか1つに記載の判別システム。
【請求項5】
前記検知部は、
前記1種類以上のパルス信号の立ち上がりおよび立ち下がりのうちの少なくとも一方を検知する、請求項1から3のいずれか1つに記載の判別システム。
【請求項6】
前記検知部は、
複数種類のパルス信号を前記1種類以上のパルス信号として検知し、
前記算出部は、
前記複数種類のパルス信号の各々の間隔および前記複数種類のパルス信号間の間隔のうちの少なくとも一方を前記パルス間隔として算出する、請求項1から3のいずれか1つに記載の判別システム。
【請求項7】
前記検知部によって検知された前記1種類以上のパルス信号と前記1種類以上のパルス信号の検知時刻またはパルス回数との関係を示すパルス情報と、前記判別部による判別結果を示す判別情報とを含む情報を、表示部に表示させる表示処理部を備える、請求項1から3のいずれか1つに記載の判別システム。
【請求項8】
前記判別部による判別結果を示す判別情報を表示部に表示させる表示処理部を備え、
前記判別処理部は、
前記生産対象物の種類を1つに絞り込めない場合、前記比較処理部による比較結果に基づいて、2以上の種類の候補を判別し、
前記表示処理部は、
前記判別部によって判別された前記2以上の種類の候補のうちの1種類の候補を選択可能に前記2以上の種類の候補を示す情報を前記表示部に表示させる、請求項4に記載の判別システム。
【請求項9】
前記算出部は、
前記パルス間隔、前記パルス幅、およびパルス回数のうちの少なくとも1つの平均値、分布、分散、および標準偏差のうちの1以上を前記パルス信号の種類毎に算出し、
前記表示処理部は、
前記算出部によって算出された前記平均値、分布、分散、および標準偏差のうちの1以上を示す情報を前記表示部に表示させる、請求項8に記載の判別システム。
【請求項10】
前記判別部は、
前記1種類以上のパルス信号のうちの少なくとも1種類のパルス信号のパルス間隔が閾値以上になった後に、前記算出部による算出結果に基づいて、前記生産対象物の種類を判別する、請求項1から3のいずれか1つに記載の判別システム。
(【請求項11】以降は省略されています)
発明の詳細な説明
【技術分野】
【0001】
本開示は、判別システム、判別方法、および判別プログラムに関する。
続きを表示(約 1,900 文字)
【背景技術】
【0002】
従来、生産設備の稼働状態を特定する技術が知られている。例えば、1つの生産対象物に対する生産処理の開始から終了までを1サイクルの時系列データを用いて、生産対象物の種別を判別する技術が提案されている(例えば、特許文献1参照)。かかる技術では、生産対象物の種別を判別ために用いられる上記時系列データとして、生産設備が処理を実行するときに消費する電力や電流または発生する振動といった連続する物理量の時系列データが用いられる。
【先行技術文献】
【特許文献】
【0003】
特開2010-250382号公報
【発明の概要】
【発明が解決しようとする課題】
【0004】
上記特許文献1に記載の技術では、生産設備が生産処理を実行するときに消費する電力や電流または発生する振動から生産対象物の種別を判別するため、必要となる1サイクルの時系列データのデータ量が多く、生産対象物の判別を容易に行うことが難しい。
【0005】
本開示は、生産対象物の判別を容易に行うことができる技術を提供する。
【課題を解決するための手段】
【0006】
本開示の一態様による判別システムは、検知部と、算出部と、判別部とを備える。検知部は、生産対象物の生産を行う生産設備において用いられる1種類以上のパルス信号を検知する。算出部は、検知部による検知結果に基づいて、1種類以上のパルス信号のパルス間隔、パルス幅、およびパルス回数のうちの少なくとも1つを算出する。判別部は、算出部による算出結果に基づいて、生産対象物の種類を判別する。
【発明の効果】
【0007】
本開示によれば、生産対象物の判別を容易に行うことができる。
【図面の簡単な説明】
【0008】
図1は、判別システムによる処理の一例を説明するための図である。
図2は、実施形態に係る判別システムにおけるサーバの構成例を示す図である。
図3は、実施形態に係るサーバの記憶部に記憶されるマスタ情報の一例を示す図である。
図4は、実施形態に係るサーバの記憶部に記憶されるマスタ情報の他の例を示す図である。
図5は、実施形態に係るサーバの記憶部に記憶されるマスタ情報の別の例を示す図である。
図6は、実施形態に係るサーバの記憶部に記憶されるマスタ情報のさらに別の例を示す図である。
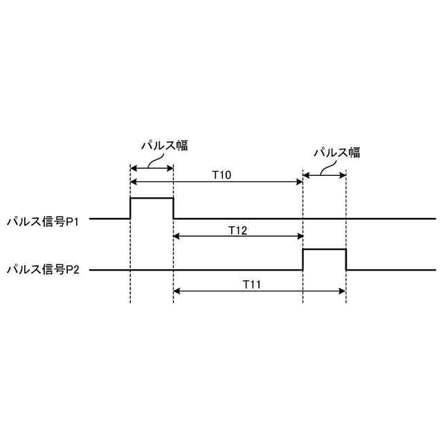
図7は、実施形態に係るサーバの処理部における算出部によって算出される同一種類のパルス信号のパルス間隔およびパルス幅を説明するための図である。
図8は、実施形態に係るサーバの処理部における算出部によって算出される複数種類のパルス信号のパルス間隔およびパルス幅を説明するための図である。
図9は、実施形態に係るサーバの処理部における算出部によってパルス間隔およびパルス幅が算出される複数種類のパルス信号の一例を示す図である。
図10は、実施形態に係るサーバの処理部における表示処理部によって表示装置に表示される管理画面の一例を示す図である。
図11は、実施形態に係るサーバの処理部における表示処理部によって表示装置に表示される管理画面の他の例を示す図である。
図12は、実施形態に係るサーバの処理部における表示処理部によって表示装置に表示される管理画面のさらに他の例を示す図である。
図13は、実施形態に係るPLCによる情報処理の一例を示すフローチャートである。
図14は、実施形態に係るサーバの処理部による情報処理の一例を示すフローチャートである。
図15は、実施形態に係るサーバの処理部による種類判別処理の一例を示すフローチャートである。
図16は、実施形態に係るサーバにおける処理部のハードウェアの構成例を示す図である。
【発明を実施するための形態】
【0009】
以下に、本願の開示する判別システム、判別方法、および判別プログラムの実施形態を図面に基づいて詳細に説明する。なお、この実施形態により開示技術が限定されるものではない。
【0010】
<1.判別処理の一例>
図1を用いて、実施形態に係る判別システムによる処理について説明する。図1は、判別システムによる処理の一例を説明するための図である。
(【0011】以降は省略されています)
特許ウォッチbot のツイートを見る
この特許をJ-PlatPat(特許庁公式サイト)で参照する
関連特許
ニデック株式会社
モータ
今日
ニデック株式会社
駆動装置
今日
ニデック株式会社
生産管理システム
12日前
ニデック株式会社
モータの制御方法
27日前
ニデック株式会社
送風装置および掃除機
9日前
ニデック株式会社
モータ及びモータ製造方法
12日前
ニデック株式会社
判別システム、判別方法、および判別プログラム
5日前
ニデック株式会社
画像検査装置、画像分割方法、および画像分割プログラム
5日前
ニデック株式会社
外観検査装置、外観検査方法、および外観検査プログラム
6日前
ニデック株式会社
画像検査装置、再調整要否提示方法および再調整要否提示プログラム
6日前
ブルースカイテクノロジー株式会社
放電抵抗回路監視付き電圧センサ
8日前
個人
生産早送り装置
1か月前
株式会社豊田自動織機
産業車両
1か月前
株式会社FUJI
工作機械
3か月前
株式会社カネカ
製造システム
1か月前
オムロン株式会社
スレーブ装置
9日前
株式会社ダイヘン
移動体
3か月前
ローム株式会社
基準電圧源
1か月前
株式会社FUJI
加工機械ライン
2か月前
愛知製鋼株式会社
車両用システム
1か月前
株式会社熊谷組
障害物の検出方法
今日
個人
作業車両自動化システム
2か月前
愛知製鋼株式会社
目標軌跡の設定方法
2か月前
豊田合成株式会社
機器制御装置
5日前
トヨタ自動車株式会社
生産管理システム
2か月前
株式会社ダイフク
搬送設備
1か月前
株式会社ダイフク
搬送設備
19日前
株式会社ダイフク
搬送設備
3か月前
トヨタ自動車株式会社
移動制御システム
1か月前
株式会社ダイフク
搬送設備
2か月前
株式会社鷺宮製作所
制御装置
3か月前
キヤノン電子株式会社
加工装置、及び、制御方法
3か月前
株式会社オプトン
制御プログラム生成装置
3か月前
トヨタ自動車株式会社
減圧弁
2か月前
キヤノン株式会社
配送システム
1か月前
トヨタ自動車株式会社
制御装置
9日前
続きを見る
他の特許を見る