TOP
|
特許
|
意匠
|
商標
特許ウォッチ
Twitter
他の特許を見る
10個以上の画像は省略されています。
公開番号
2025158103
公報種別
公開特許公報(A)
公開日
2025-10-16
出願番号
2025060994
出願日
2025-04-02
発明の名称
表示装置及び電子機器
出願人
三星ディスプレイ株式會社
,
Samsung Display Co.,Ltd.
代理人
個人
主分類
G09F
9/30 20060101AFI20251008BHJP(教育;暗号方法;表示;広告;シール)
要約
【課題】表示装置を提供する。
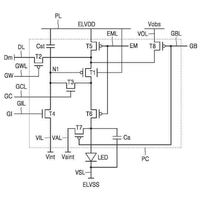
【解決手段】基板上に配置された駆動トランジスタ及び第1キャパシタをそれぞれ含み、第1方向に沿って隣接した第1画素回路及び第2画素回路と、第1画素回路に電気的に連結された第1発光ダイオードと、第2画素回路に電気的に連結された第2発光ダイオードと、第1方向に沿って延び第1画素回路の駆動トランジスタ及び第1発光ダイオードの画素電極と電気的に連結された第1トランジスタの半導体層に電気的に連結された第1水平電圧線と、第1方向に沿って延び第2画素回路の駆動トランジスタ及び第2発光ダイオードの画素電極と電気的に連結された第2トランジスタの半導体層に電気的に連結された第2水平電圧線を含み、第1水平電圧線と第2水平電圧線は、互いに異なる層上に配置されるが、平面視において、互いに重畳する、表示装置を開示する。
【選択図】図16
特許請求の範囲
【請求項1】
基板上に配置された駆動トランジスタ及び第1キャパシタをそれぞれ含み、第1方向に沿って隣接した、第1画素回路及び第2画素回路と、
前記第1画素回路に電気的に連結された第1発光ダイオードと、
前記第2画素回路に電気的に連結された第2発光ダイオードと、
前記第1方向に沿って延び、前記第1画素回路の前記駆動トランジスタ及び前記第1発光ダイオードの画素電極と電気的に連結された第1トランジスタの半導体層に電気的に連結された第1水平電圧線と、
前記第1方向に沿って延び、前記第2画素回路の前記駆動トランジスタ及び前記第2発光ダイオードの画素電極と電気的に連結された第2トランジスタの半導体層に電気的に連結された第2水平電圧線と、
前記第1方向に沿って延び、前記第1画素回路の前記第1トランジスタのゲート電極及び前記第2画素回路の前記第2トランジスタのゲート電極にそれぞれに電気的に連結された第1ゲート線と、を含み、
前記第1水平電圧線と前記第2水平電圧線は、互いに異なる層上に配置されるが、平面視において、互いに重畳する、表示装置。
続きを表示(約 1,100 文字)
【請求項2】
前記第2水平電圧線は、前記第1ゲート線と同一層上に配置される、請求項1に記載の表示装置。
【請求項3】
前記基板の上面と前記第1画素回路の前記駆動トランジスタとの間、前記基板の前記上面と前記第2画素回路の前記駆動トランジスタとの間に介在される下部金属層をさらに含み、
前記下部金属層は、
前記第1画素回路の前記駆動トランジスタのチャネル領域に重畳する第1メイン部分と、
前記第2画素回路の前記駆動トランジスタのチャネル領域に重畳する第2メイン部分と、
前記第1メイン部分及び前記第2メイン部分を互いに連結するように前記第1方向に延びた第1ブランチ部と、
前記第1メイン部分及び前記第2メイン部分それぞれに連結され、第2方向に延びた第2ブランチ部と、を含む、請求項1に記載の表示装置。
【請求項4】
前記第2ブランチ部は、
平面視において、前記第1水平電圧線及び前記第2水平電圧線と交差する、請求項3に記載の表示装置。
【請求項5】
前記第1画素回路の前記駆動トランジスタ及び前記第2画素回路の前記駆動トランジスタと重畳し、前記第1方向に沿って延びた水平駆動電圧線をさらに含み、
前記水平駆動電圧線は、前記第1ブランチ部と重畳する、請求項3に記載の表示装置。
【請求項6】
前記第1画素回路及び前記第2画素回路それぞれは、
補償半導体層及び補償ゲート電極を含み、前記駆動トランジスタと電気的に連結された補償トランジスタをさらに含み、
前記第1水平電圧線は、前記補償トランジスタの前記補償ゲート電極と同一層上に配置される、請求項3に記載の表示装置。
【請求項7】
前記第1画素回路の前記補償トランジスタの前記補償半導体層と前記第1画素回路の前記駆動トランジスタの駆動ゲート電極を電気的に連結する第1連結電極をさらに含み、
前記第1連結電極は、前記下部金属層の前記第2ブランチ部のうち1つと重畳する、請求項6に記載の表示装置。
【請求項8】
前記第1画素回路を通るように前記第1方向に交差する第2方向に沿って延びた駆動電圧線をさらに含む、請求項7に記載の表示装置。
【請求項9】
前記駆動電圧線は、
前記第1画素回路に対応する前記下部金属層の前記第2ブランチ部のうち前記1つ及び前記第1連結電極に重畳する、請求項8に記載の表示装置。
【請求項10】
前記駆動電圧線は、
平面視において、前記第1画素回路の前記補償ゲート電極と重畳する、請求項8に記載の表示装置。
(【請求項11】以降は省略されています)
発明の詳細な説明
【技術分野】
【0001】
本発明は、表示装置及びそれを含む電子機器に関する。
続きを表示(約 1,300 文字)
【背景技術】
【0002】
最近、表示装置は、その用途が多様化されている。また、表示装置の使用の範囲が広範囲になることにより、高解像度の表示装置に対する要求が高まりつつある。高解像度の表示装置を製造するには、狭い領域に多様な構成の電子要素を配置する必要がある。
【先行技術文献】
【特許文献】
【0003】
韓国公開特許第2023-0106789号公報
【発明の概要】
【発明が解決しようとする課題】
【0004】
本発明は、表示装置の構造を提供する。
【課題を解決するための手段】
【0005】
本発明の一実施形態は、基板上に配置された駆動トランジスタ及び第1キャパシタをそれぞれ含み、第1方向に沿って隣接した第1画素回路及び第2画素回路;前記第1画素回路に電気的に連結された第1発光ダイオード;前記第2画素回路に電気的に連結された第2発光ダイオード;前記第1方向に沿って延び、前記第1画素回路の前記駆動トランジスタ及び前記第1発光ダイオードの画素電極と電気的に連結された第1トランジスタの半導体層に電気的に連結された第1水平電圧線;前記第1方向に沿って延び、前記第2画素回路の前記駆動トランジスタ及び前記第2発光ダイオードの画素電極と電気的に連結された第2トランジスタの半導体層に電気的に連結された第2水平電圧線;及び前記第1方向に沿って延び、前記第1画素回路の前記第1トランジスタのゲート電極及び前記第2画素回路の前記第2トランジスタのゲート電極にそれぞれに電気的に連結された第1ゲート線;を含み、前記第1水平電圧線と前記第2水平電圧線は、互いに異なる層上に配置されるが、平面視において、互いに重畳する、表示装置を開示する。
【0006】
前記第2水平電圧線は、前記第1ゲート線と同一層上に配置されうる。
【0007】
前記基板の上面と前記第1画素回路の前記駆動トランジスタとの間、前記基板の前記上面と前記第2画素回路の前記駆動トランジスタとの間に介在される下部金属層をさらに含みうる。
【0008】
前記下部金属層は、前記第1画素回路の前記駆動トランジスタのチャネル領域に重畳する第1メイン部分;前記第2画素回路の前記駆動トランジスタのチャネル領域に重畳する第2メイン部分;前記第1メイン部分及び前記第2メイン部分を互いに連結するように前記第1方向に延びた第1ブランチ部;及び前記第1メイン部分及び前記第2メイン部分それぞれに連結され、第2方向に延びた第2ブランチ部;を含みうる。
【0009】
前記第2ブランチ部は、平面視において、前記第1水平電圧線及び前記第2水平電圧線と交差しうる。
【0010】
前記第1画素回路の前記駆動トランジスタ及び前記第2画素回路の前記駆動トランジスタと重畳し、前記第1方向に沿って延びた水平駆動電圧線をさらに含み、前記水平駆動電圧線は、前記第1ブランチ部と重畳しうる。
(【0011】以降は省略されています)
この特許をJ-PlatPat(特許庁公式サイト)で参照する
関連特許
日本精機株式会社
表示装置
26日前
個人
計算用教具
22日前
中国電力株式会社
標示旗
1か月前
個人
微細構造を模した理科学習教材
5日前
日本精機株式会社
車両用センサ装置
22日前
シャープ株式会社
表示装置
1か月前
株式会社ウメラボ
学習支援システム
12日前
株式会社ウメラボ
学習支援システム
18日前
ニチレイマグネット株式会社
磁着式電飾装置
1か月前
リンテック株式会社
表示体
11日前
株式会社リコー
画像投射システム
1か月前
学校法人関西医科大学
腹腔鏡手術訓練装置
1か月前
リンテック株式会社
粘着ラベル
12日前
ローム株式会社
暗号化装置
12日前
TOPPANホールディングス株式会社
ラベル
22日前
キヤノン株式会社
発光装置
25日前
公立大学法人札幌市立大学
化学構造模型
13日前
セイコーエプソン株式会社
投射型表示装置
12日前
株式会社JVCケンウッド
液晶表示装置および制御方法
7日前
アルプスアルパイン株式会社
表示装置
今日
アルプスアルパイン株式会社
情報処理システム
13日前
株式会社半導体エネルギー研究所
表示装置、画像データの処理方法
22日前
株式会社小糸製作所
照明表示装置
11日前
日本放送協会
情報提示システム、領域抽出装置及びプログラム
11日前
セイコーエプソン株式会社
表示装置及び電子機器
12日前
大日本印刷株式会社
学習支援装置及びプログラム
13日前
リンテック株式会社
擬似接着ラベル
22日前
日本電気株式会社
予兆検出システム、予兆検出方法及びプログラム
18日前
セイコーエプソン株式会社
プロジェクターの制御方法
6日前
TOPPANインフォメディア株式会社
ラベル
14日前
株式会社ジャパンディスプレイ
表示装置
1か月前
株式会社ジャパンディスプレイ
表示装置
1か月前
東洋紡株式会社
フォルダブルディスプレイ用易接着性ポリエステルフィルム
11日前
株式会社フジシール
ラベルロールおよびラベル
11日前
キヤノン株式会社
発光装置、表示装置、撮像装置及び電子機器
13日前
東京ケーブルネットワーク株式会社
コミュニケーションデジタルサイネージ
18日前
続きを見る
他の特許を見る