TOP
|
特許
|
意匠
|
商標
特許ウォッチ
Twitter
他の特許を見る
10個以上の画像は省略されています。
公開番号
2025161272
公報種別
公開特許公報(A)
公開日
2025-10-24
出願番号
2024064320
出願日
2024-04-12
発明の名称
履歴情報管理システムおよび装置
出願人
株式会社 日立産業制御ソリューションズ
代理人
ポレール弁理士法人
主分類
G05B
23/02 20060101AFI20251017BHJP(制御;調整)
要約
【課題】
複数の設備により実行される製造に関する設定履歴を効率的に収集すること。
【解決手段】
製造物を製造するための複数の設備4を制御する複数の制御装置3と、複数の制御装置3と接続する履歴情報管理装置1を有し、制御装置3は、利用者から入力される設定値に従い、設備4を制御する制御部331と、複数の記憶領域を有し、設定履歴情報341を記憶する記憶部34と、前記複数の記憶領域のうち所定の記憶領域に、前記製造物の品質に影響を及ぼす重要設定履歴を記憶させる設定管理部332を有し、履歴情報管理装置1は、複数の制御装置3と接続する入力部11と、入力部11を介して、複数の制御装置3から、前記所定の記憶領域に記録された重要設定履歴を収集する設定履歴収集部121と、収集された前記重要設定履歴を記憶する記憶部15を有する履歴情報管理システム。
【選択図】 図7
特許請求の範囲
【請求項1】
製造物を製造に関する製造履歴情報を管理するための履歴情報管理システムにおいて、
前記製造物を製造するための複数の設備を制御する複数の制御装置と、
前記複数の制御装置と接続する履歴情報管理装置を有し、
前記制御装置は、
利用者から入力される設定値に従い、前記設備を制御する制御部と、
複数の記憶領域を有し、前記製造履歴情報を記憶する記憶部と、
前記複数の記憶領域のうち所定の記憶領域に、前記製造物の品質に影響を及ぼす重要設定履歴を記憶させる設定管理部を有し、
前記履歴情報管理装置は、
前記複数の制御装置と接続する入力部と、
前記入力部を介して、前記複数の制御装置から、前記所定の記憶領域に記録された重要設定履歴を収集する設定履歴収集部と、
収集された前記重要設定履歴を記憶する記憶部を有する履歴情報管理システム。
続きを表示(約 1,100 文字)
【請求項2】
請求項1に記載の履歴情報管理システムおいて、
前記重要設定履歴は、意味を有する平文データで構成される履歴情報管理システム。
【請求項3】
請求項2に記載の履歴情報管理システムにおいて、
前記平文データは、設定された時期、稼働の主体、前記主体に対する制御もしくは稼働の内容および設定の理由の各項目で構成される履歴情報管理システム。
【請求項4】
請求項3に記載の履歴情報管理システムおいて、
前記重要設定履歴は、前記製造物の品質に影響を及ぼす設定履歴である履歴情報管理システム。
【請求項5】
請求項3に記載の履歴情報管理システムにおいて、
前記設定管理部は、前記項目ごとに定められた前記所定の記憶領域に、前記重要設定履歴を記憶する履歴情報管理システム。
【請求項6】
請求項1に記載の履歴情報管理システムにおいて、
前記設定履歴収集部は、前記入力部を介して、前記所定の記憶領域から前記重要設定履歴を読み出す履歴情報管理システム。
【請求項7】
請求項1に記載の履歴情報管理システムにおいて、
前記入力部は、記憶された前記製造履歴情報を受け付け、
前記設定履歴収集部は、受け付けた前記製造履歴情報から、前記重要設定履歴を抽出する履歴情報管理システム。
【請求項8】
請求項1に記載の履歴情報管理システムにおいて、
さらに、前記制御装置と接続し、前記利用者からの入力を受け付ける端末装置を有する履歴情報管理システム。
【請求項9】
請求項3に記載の履歴情報管理システムにおいて、
前記履歴情報管理装置は、さらに、前記項目を含む検索条件を用いて、前記複数の制御装置から取得された前記重要設定履歴を検索する設定履歴検索部を有する履歴情報管理システム。
【請求項10】
製造物を製造に関する製造履歴情報を管理するための履歴情報管理装置において、
前記製造物の製造工程を実行する設備の稼働についての設定履歴を受け付ける入力部であって、前記設定履歴に従い、前記設備を制御する制御部と、複数の記憶領域を有し、前記製造履歴情報を記憶する記憶部と、前記複数の記憶領域のうち所定の記憶領域に、前記製造物の品質に影響を及ぼす重要設定履歴を記憶させる設定管理部を有する制御装置と接続する入力部と、
前記入力部を介して、前記所定の記憶領域に記録された重要設定履歴を取得する設定履歴収集部と、
収集された前記重要設定履歴を記憶する記憶部を有する履歴情報管理装置。
発明の詳細な説明
【技術分野】
【0001】
本発明は、医薬品等の製造物を製造するための機器、機械、設備(以下、単に設備)の稼働の管理に関する。その中でも特に、設備における監査証跡を含む製造履歴情報を管理するための技術に関する。
続きを表示(約 2,500 文字)
【背景技術】
【0002】
現在、IoT(Internet of Things)の普及に伴い、設備の稼働履歴や設定履歴といった製造履歴情報の収集等、その管理が行われている。例えば、データインテグリティの一環として、医薬や食品等の製造においては、制御やこのための設定の変更などのイベントが生じた際に、その内容を記録することが求められている。より具体的には、医薬品製造ではGMP(Good Manufacturing Practice)基準などで製造の記録保存が義務付けられ、監査証跡の管理を行うことが求められている。
【0003】
このような監査証跡の管理について、特許文献1が提案されている。特許文献1には、「医薬品、飲料又は食品を製造する処理装置と、前記処理装置を制御するPLC10と、設定画面を表示するとともに、利用者による操作を受け付けるタッチパネル20とを備え、タッチパネル20は、PLC10の設定値を変更するための設定画面を表示し、設定画面を介して入力した設定入力値を取得する設定値取得手段24と、設定値を変更する理由を選択的に入力するための理由入力画面を表示し、理由入力画面を介して入力された理由を取得する理由取得手段25と、設定入力値及び理由を記録する記録手段26と、を備える」監査証跡の管理システムが記載されている。
【先行技術文献】
【特許文献】
【0004】
特開2019-220127号公報
【発明の概要】
【発明が解決しようとする課題】
【0005】
ここで、設備の稼働管理においては、利用者からの設定に関して、「いつ」「だれが」「なにを」「どうした」「その理由」といった設定履歴を記録する必要がある。コンピュータシステムを用いて、これらの設定履歴について、都度記憶してしまうと、記憶のための処理負荷が増大したり、記憶量が膨大になり、必要な情報が埋もれたりする恐れがある。また、複数の設備を利用して製造物を製造することが一般的である。このため、製造についての総合的な管理を行うためには、複数の設備それぞれの履歴情報を集約する必要がある。このため、本発明では、複数の設備により実行される製造の製造履歴情報、特に、より適切な設定履歴を効率的に収集することを課題とする。
【課題を解決するための手段】
【0006】
上記の課題を解決するために、本発明では、複数の設備により実行される製造における製造履歴情報の管理において、設備に対する設定を受け付け、設定に応じて、前記設備を制御し、設定履歴を含む製造における製造履歴情報を収集し、これを利用することを可能とする。
【0007】
この一態様として、本発明には、製造物を製造に関する製造履歴情報を管理するための履歴情報管理システムにおいて、前記製造物を製造するための複数の設備を制御する複数の制御装置と、前記複数の制御装置と接続する履歴情報管理装置を有し、前記制御装置は、利用者から入力される設定値に従い、前記設備を制御する制御部と、複数の記憶領域を有し、前記製造履歴情報を記憶する記憶部と、前記複数の記憶領域のうち所定の記憶領域に、前記製造物の品質に影響を及ぼす重要設定履歴を記憶させる設定管理部を有し、前記履歴情報管理装置は、前記複数の制御装置と接続する入力部と、前記入力部を介して、前記複数の制御装置から、前記所定の記憶領域に記録された重要設定履歴を収集する設定履歴収集部と、収集された前記重要設定履歴を記憶する記憶部を有する履歴情報管理システムが含まれる。また、本発明には、履歴情報管理システムを構成する履歴情報管理装置も含まれる。
【0008】
さらに、本発明には、履歴情報管理装置や履歴情報管理システムが実行する履歴情報管理方法も含まれる。さらに、本発明には、履歴情報管理装置をコンピュータとして機能させるためのプログラムやこれを格納した記憶媒体も含まれる。
【発明の効果】
【0009】
本発明によれば、複数の設備により実行される製造の製造履歴情報を効率的に管理でき、より適切な製造管理を実現できる。
【図面の簡単な説明】
【0010】
本発明の一実施形態における考え方を示す図である。
本発明の一実施形態における製造システムを示すシステム構成図である。
本発明の一実施形態で用いられる製造履歴情報151を示す図である。
本発明の一実施形態で用いられる影響範囲特定ルール152を示す図である。
本発明の一実施形態で用いられる設備情報153を示す図である。
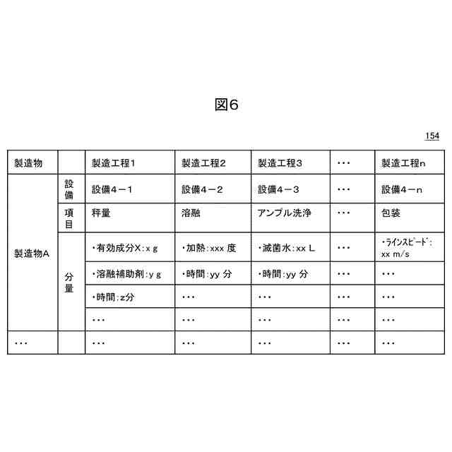
本発明の一実施形態で用いられる製造物情報154を示す図である。
実施例1および2における製造システムを示すシステム構成図である。
実施例1および2における端末装置2の機能ブロック図である。
実施例1および2における制御装置3の機能ブロック図である。
実施例1および2における履歴情報管理装置1の実装例を示す構成図である。
実施例1および2で用いられる設定履歴情報1511を示す図である。
実施例1および2で用いられる設定履歴情報341を示す図である。
実施例1における処理フローを示すフローチャートである。
実施例1における設定値入力画面250-aを示す図である。
実施例1における設定値入力画面250-bを示す図である。
実施例2における処理フローを示すフローチャートである。
実施例3における製造システムを示すシステム構成図である。
実施例3における履歴情報管理装置1の実装例を示す構成図である。
実施例3における処理フローを示すフローチャートである。
【発明を実施するための形態】
(【0011】以降は省略されています)
この特許をJ-PlatPat(特許庁公式サイト)で参照する
関連特許
個人
生産早送り装置
2か月前
株式会社豊田自動織機
産業車両
2か月前
株式会社カネカ
製造システム
2か月前
オムロン株式会社
スレーブ装置
1か月前
ローム株式会社
基準電圧源
1か月前
愛知製鋼株式会社
車両用システム
2か月前
株式会社FUJI
加工機械ライン
3か月前
株式会社熊谷組
障害物の検出方法
27日前
新電元工業株式会社
作業用ロボット
25日前
株式会社クボタ
作業車
5日前
個人
作業車両自動化システム
3か月前
豊田合成株式会社
機器制御装置
1か月前
愛知製鋼株式会社
目標軌跡の設定方法
3か月前
株式会社ダイフク
搬送設備
1か月前
トヨタ自動車株式会社
移動制御システム
2か月前
株式会社ダイフク
搬送設備
2か月前
株式会社ダイフク
搬送設備
2か月前
トヨタ自動車株式会社
生産管理システム
3か月前
トヨタ自動車株式会社
減圧弁
3か月前
トヨタ自動車株式会社
制御装置
1か月前
キヤノン株式会社
配送システム
2か月前
株式会社ダイフク
物品搬送設備
1か月前
トヨタ自動車株式会社
クラッチペダル
2か月前
マーク ヘイリー
消防ロボット
3か月前
エイブリック株式会社
電流補償回路及び半導体装置
21日前
株式会社ダイフク
物品搬送設備
6日前
カヤバ株式会社
減圧弁
1か月前
株式会社CAOS
移動体の制御システム
1か月前
ルネサスエレクトロニクス株式会社
半導体装置
2か月前
村田機械株式会社
搬送車システム
26日前
株式会社アマダ
工作機械制御装置
26日前
株式会社TMEIC
安全性診断装置
1か月前
日野自動車株式会社
自動運転装置
26日前
愛知製鋼株式会社
マーカシステム及び制御方法
2か月前
キヤノン電子株式会社
加工システム、及び、加工装置
2か月前
株式会社テイエルブイ
減圧弁の制御装置
3か月前
続きを見る
他の特許を見る