TOP
|
特許
|
意匠
|
商標
特許ウォッチ
Twitter
他の特許を見る
10個以上の画像は省略されています。
公開番号
2025142760
公報種別
公開特許公報(A)
公開日
2025-10-01
出願番号
2024042300
出願日
2024-03-18
発明の名称
車両用制御装置、制御方法及び鞍乗型車両
出願人
本田技研工業株式会社
代理人
弁理士法人大塚国際特許事務所
主分類
F02D
29/02 20060101AFI20250924BHJP(燃焼機関;熱ガスまたは燃焼生成物を利用する機関設備)
要約
【課題】エンジンの自動停止後の再始動性を向上する技術を提供すること。
【解決手段】車両に搭載されたエンジンの始動を補助可能な電動機を、前記エンジンの始動の際、前記エンジンが第一の規定回転数に達するまで駆動する通常補助制御を実行する補助制御手段を備えた車両用制御装置であって、前記エンジンは、アイドルストップ条件が成立した場合に自動停止され、かつ、再始動条件が成立した場合に再始動され、前記補助制御手段は、前記エンジンの再始動において、前記エンジンが前記第一の規定回転数よりも高い第二の規定回転数に達するまで前記電動機を駆動する再始動補助制御を実行可能である。
【選択図】図12
特許請求の範囲
【請求項1】
車両(100)に搭載されたエンジン(30)の始動を補助可能な電動機(34)を、前記エンジン(30)の始動の際、前記エンジン(30)が第一の規定回転数(NL)に達するまで駆動する通常補助制御を実行する補助制御手段(11)を備えた車両用制御装置(10)であって、
前記エンジン(30)は、アイドルストップ条件が成立した場合に自動停止され、かつ、再始動条件が成立した場合に再始動され、
前記補助制御手段(11)は、
前記エンジン(30)の再始動において、前記エンジン(30)が前記第一の規定回転数(NL)よりも高い第二の規定回転数(NH)に達するまで前記電動機(34)を駆動する再始動補助制御を実行可能である、
ことを特徴とする車両用制御装置。
続きを表示(約 2,200 文字)
【請求項2】
請求項1に記載の車両用制御装置(10)であって、
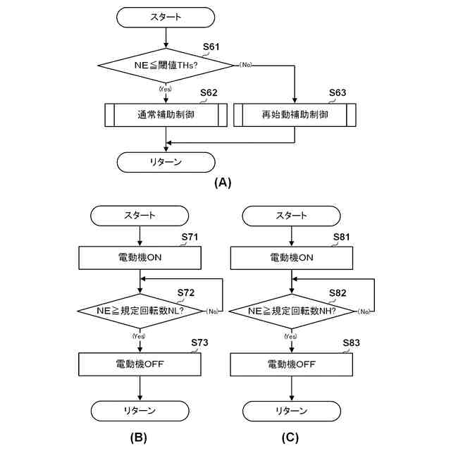
前記通常補助制御は、前記エンジン(30)の回転数が閾値(THs)以下の場合に実行され、
前記再始動補助制御は、前記エンジン(30)の回転数が前記閾値(THs)を超える場合に実行される、
ことを特徴とする車両用制御装置。
【請求項3】
請求項1に記載の車両用制御装置(10)であって、
前記アイドルストップ条件は、前記車両(100)の走行中に成立し得る条件であり、
前記再始動条件は、前記車両(100)の走行中に成立し得る条件である、
ことを特徴とする車両用制御装置。
【請求項4】
請求項1に記載の車両用制御装置(10)であって、
前記エンジン(30)を制御するエンジン(30)の自動停止及び再始動を制御する自動停止制御手段(11)を備え、
前記自動停止制御手段(11)は、
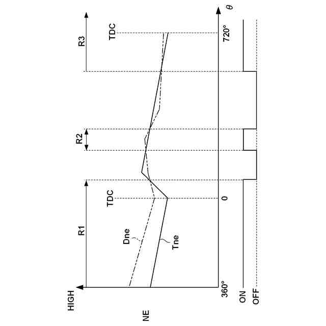
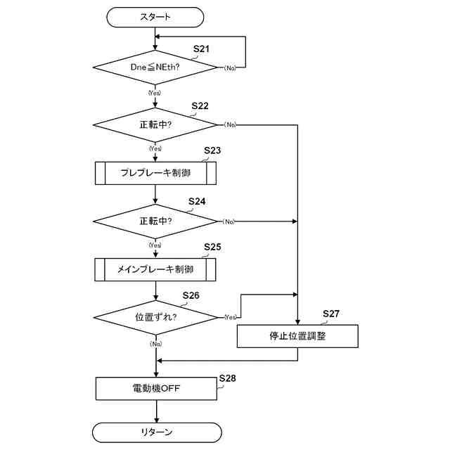
前記アイドルストップ条件が成立した場合に、前記エンジン(30)の自動停止と、惰性で回転する前記エンジン(30)のクランク軸(30a)を前記電動機(34)の駆動力で制動して所定位置(P)に停止させる停止位置制御とを実行し、
前記停止位置制御は、
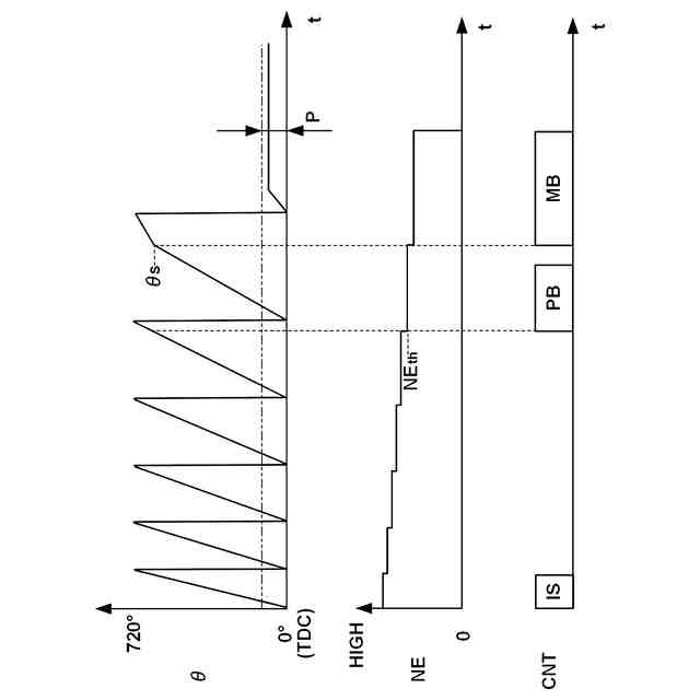
前記クランク軸(30a)の回転数が予め定めた目標推移情報(Tne)に従って低下するように前記電動機(34)を制御するプレブレーキ制御と、
前記プレブレーキ制御後、前記クランク軸(30a)が前記所定位置(P)に停止するように前記電動機を制御するメインブレーキ制御と、を含む、
ことを特徴とする車両用制御装置。
【請求項5】
請求項4に記載の車両用制御装置(10)であって、
前記プレブレーキ制御は、前記エンジン(30)の回転数が前記第一の規定回転数(NL)よりも高く、前記第二の規定回転数(NH)よりも低い所定の回転数に低下すると開始される、
ことを特徴とする車両用制御装置。
【請求項6】
請求項4に記載の車両用制御装置(10)であって、
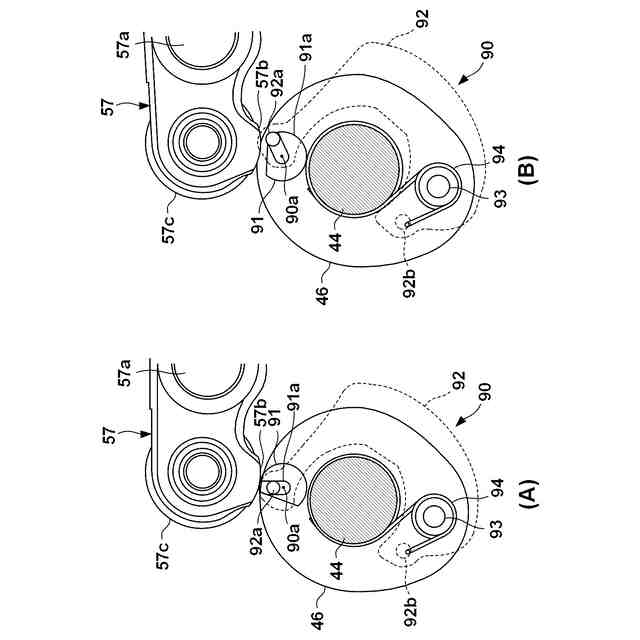
前記エンジン(30)には、前記エンジン(30)の始動時に、前記エンジン(30)のバルブを開弁して圧縮トルクを低減するデコンプ機構(90)が設けられており、
前記自動停止制御手段(11)は、
前記メインブレーキ制御中に前記再始動条件が成立した場合、前記エンジン(30)の回転数が前記デコンプ機構(90)による前記圧縮トルクの低減機能が作用する回転数を下回ってから、前記エンジン(30)の再始動を開始する、
ことを特徴とする車両用制御装置。
【請求項7】
請求項4に記載の車両用制御装置(10)であって、
前記エンジン(30)には、前記エンジン(30)の始動時に、前記エンジン(30)のバルブを開弁して圧縮トルクを低減するデコンプ機構(90)が設けられており、
前記自動停止制御手段(11)は、
前記メインブレーキ制御中に前記再始動条件が成立した場合、前記メインブレーキ制御の開始から所定時間の経過後に前記エンジン(30)の再始動を開始する、
ことを特徴とする車両用制御装置。
【請求項8】
車両に搭載されたエンジン(30)及び前記エンジン(30)の始動を補助可能な電動機(34)を制御する制御方法であって、
前記エンジン(30)の始動の際、前記エンジン(30)が第一の規定回転数(NL)に達するまで駆動する通常補助制御工程と、
アイドルストップ条件が成立した場合に、前記エンジン(30)を自動停止する自動停止工程と、
再始動条件が成立した場合に、自動停止された前記エンジン(30)を再始動する再始動工程と、を備え、
前記再始動工程では、前記エンジン(30)が前記第一の規定回転数(NL)よりも高い第二の規定回転数(NH)に達するまで前記電動機(34)を駆動する再始動補助制御工程を実行可能である、
ことを特徴とする制御方法。
【請求項9】
エンジン(30)と、
前記エンジン(30)のクランク軸(30a)を回転可能な電動機(34)と、
前記エンジン(30)及び前記電動機(34)を制御する制御手段(11)と、
を備えた鞍乗型車両(100)であって、
前記制御手段(11)は、
ライダの始動操作に基づいて前記エンジン(30)を始動し、前記エンジン(30)が第一の規定回転数(NL)に達するまで前記電動機を駆動する通常始動制御と、
アイドルストップ条件が成立した場合に、前記エンジン(30)を自動停止する自動停止制御と、
再始動条件が成立した場合に、自動停止された前記エンジン(30)を再始動する再始動制御と、を実行可能であり、
前記制御手段(11)は、前記再始動制御において、前記エンジン(30)が前記第一の規定回転数(NL)よりも高い第二の規定回転数(NH)に達するまで前記電動機を駆動する再始動補助制御を実行可能である、
ことを特徴とする鞍乗型車両。
発明の詳細な説明
【技術分野】
【0001】
本発明は、車両用制御装置、制御方法及び鞍乗型車両に関する。
続きを表示(約 1,900 文字)
【背景技術】
【0002】
近年、持続可能かつ先進的なエネルギへのアクセスを確保できるようにするため、エネルギ効率化に貢献する研究開発が行われている。そのような研究開発の中で、環境への配慮や省エネルギの観点からアイドルストップ機能を備えた車両が提案されている。こうした車両は、車両が信号待ちで一時停止した場合にエンジンが自動停止されるため、燃費の向上の点で有利であり、限られた資源の有効活用に貢献し得る。エンジンの自動停止後の再始動は、迅速に車両を発進できるように円滑に行われることが望ましい。特許文献1や特許文献2には、エンジンを自動停止した際に、惰性で回転するクランク軸を再始動し易い位置に停止する位置制御を行い、再始動性を向上する技術が提案されている。
【先行技術文献】
【特許文献】
【0003】
特許第6070669号公報
特開2008-120373号公報
【発明の概要】
【発明が解決しようとする課題】
【0004】
エンジンの自動停止後、直ちに再始動が要求される場合がある。特許文献1や特許文献2に開示されたクランク軸の位置制御が完了する前に再始動が要求された場合、直ちに再始動要求に対応できない場合がある。
【0005】
本発明の目的は、エンジンの自動停止後の再始動性を向上する技術を提供することにある。
【課題を解決するための手段】
【0006】
本発明によれば、
車両(100)に搭載されたエンジン(30)の始動を補助可能な電動機(34)を、前記エンジン(30)の始動の際、前記エンジン(30)が第一の規定回転数(NL)に達するまで駆動する通常補助制御を実行する補助制御手段(11)を備えた車両用制御装置(10)であって、
前記エンジン(30)は、アイドルストップ条件が成立した場合に自動停止され、かつ、再始動条件が成立した場合に再始動され、
前記補助制御手段(11)は、
前記エンジン(30)の再始動において、前記エンジン(30)が前記第一の規定回転数(NL)よりも高い第二の規定回転数(NH)に達するまで前記電動機(34)を駆動する再始動補助制御を実行可能である、
ことを特徴とする車両用制御装置が提供される。
【発明の効果】
【0007】
本発明によれば、エンジンの自動停止後の再始動性を向上する技術を提供することができる。
【図面の簡単な説明】
【0008】
本発明の実施形態に係る鞍乗型車両の左側面図。
図1の鞍乗型車両の制御装置及び駆動系並びに操作系のブロック図。
(A)及び(B)はデコンプ機構の動作説明図。
処理部が実行する処理例を示すフローチャート。
処理部が実行する処理例を示すフローチャート。
停止位置制御におけるクランク角、エンジン回転数及び制御状態の各変遷例を示すタイミングチャート。
プレブレーキ制御におけるクランク角に対するエンジン回転数及び電動機の駆動状態の各変遷例を示すタイミングチャート。
処理部が実行する処理例を示すフローチャート。
処理部が実行する処理例を示すフローチャート。
処理部が実行する処理例を示すフローチャート。
処理部が実行する処理例を示すフローチャート。
(A)~(C)は処理部が実行する処理例を示すフローチャート。
処理部が実行する処理例を示すフローチャート。
【発明を実施するための形態】
【0009】
以下、添付図面を参照して実施形態を詳しく説明する。尚、以下の実施形態は特許請求の範囲に係る発明を限定するものではなく、また実施形態で説明されている特徴の組み合わせの全てが発明に必須のものとは限らない。実施形態で説明されている複数の特徴のうち二つ以上の特徴が任意に組み合わされてもよい。また、同一若しくは同様の構成には同一の参照番号を付し、重複した説明は省略する。
【0010】
<鞍乗型車両の概要>
図1は、本発明の一実施形態に係る鞍乗型車両(以下単に車両ともいう)100の左側面図である。なお、図1において、矢印D1は車両100の前後方向を示し、Fが前側、Bが後側を示す。矢印D2は車両1の車幅方向を示し、車両100の前進方向で見て、Lが左側、Rが右側を示す。D1方向及びD2方向は水平方向である。矢印D3は車両100の上下方向を示し、Uが上側、Dが下側を示す。
(【0011】以降は省略されています)
この特許をJ-PlatPat(特許庁公式サイト)で参照する
関連特許
本田技研工業株式会社
保持装置
今日
本田技研工業株式会社
バッテリ
今日
本田技研工業株式会社
バッテリ
今日
本田技研工業株式会社
鞍乗り型車両
今日
本田技研工業株式会社
遠心ファン構造
今日
本田技研工業株式会社
遠心ファン構造
今日
本田技研工業株式会社
燃料電池システム
今日
本田技研工業株式会社
バッテリシステム
今日
本田技研工業株式会社
コンテンツ再生装置
今日
本田技研工業株式会社
コンテンツ再生装置
今日
本田技研工業株式会社
再生型燃料電池システム
今日
本田技研工業株式会社
選別装置、及び選別方法
今日
本田技研工業株式会社
選別装置、及び選別方法
今日
本田技研工業株式会社
車両用コミュニケーション装置
今日
本田技研工業株式会社
車両用コミュニケーション装置
今日
本田技研工業株式会社
処理方法、選別装置、及び破砕片
今日
本田技研工業株式会社
プレス加工方法及びプレス加工設備
今日
本田技研工業株式会社
電源システムおよび電源システムの制御方法
今日
本田技研工業株式会社
情報処理装置、情報処理方法、システム及びプログラム
今日
横河電機株式会社
情報処理装置、更新方法及び更新プログラム
今日
本田技研工業株式会社
二酸化炭素処理装置、二酸化炭素処理方法及び炭素化合物の製造方法
今日
本田技研工業株式会社
二酸化炭素処理装置、二酸化炭素処理方法及び炭素化合物の製造方法
今日
本田技研工業株式会社
コンテンツ出力制御装置、コンテンツ出力制御方法、及びプログラム
今日
ダイハツ工業株式会社
車両
22日前
トヨタ自動車株式会社
車両
29日前
トヨタ自動車株式会社
車両
27日前
トヨタ自動車株式会社
車両
24日前
ダイハツ工業株式会社
制御装置
21日前
スズキ株式会社
車両の制御装置
15日前
ダイハツ工業株式会社
制御装置
21日前
ダイハツ工業株式会社
制御装置
21日前
スズキ株式会社
内燃機関の制御装置
24日前
トヨタ自動車株式会社
内燃機関
13日前
トヨタ自動車株式会社
車両の制御装置
13日前
個人
疑似可変サイクルジェットエンジン機構
1か月前
株式会社SUBARU
エンジン制御装置
15日前
続きを見る
他の特許を見る