TOP
|
特許
|
意匠
|
商標
特許ウォッチ
Twitter
他の特許を見る
公開番号
2025143802
公報種別
公開特許公報(A)
公開日
2025-10-02
出願番号
2024043241
出願日
2024-03-19
発明の名称
印刷装置
出願人
セイコーエプソン株式会社
代理人
個人
,
個人
,
個人
主分類
B41J
2/01 20060101AFI20250925BHJP(印刷;線画機;タイプライター;スタンプ)
要約
【課題】付勢手段により開閉ドアが付勢されることで開閉ドアのがたつきが抑えられるが、付勢手段の構造が複雑になる。
【解決手段】印刷装置は、媒体に液体を吐出するヘッドと、ヘッドを移動させるキャリッジと、開閉可能にヘッドを覆うキャリッジカバーと、を備え、キャリッジは、キャリッジカバーの一方端を支持する支持部と、キャリッジカバーの他方端を締結する締結部と、を有し、キャリッジカバーはキャリッジよりも撓みやすく、キャリッジカバーとキャリッジとの間には、キャリッジカバーが支持部で支持され、かつ、締結部で締結されたときに、キャリッジカバーを撓ませる反力発生部が配置される。
【選択図】図3
特許請求の範囲
【請求項1】
媒体に液体を吐出するヘッドと、
前記ヘッドを移動させるキャリッジと、
開閉可能に前記ヘッドを覆うキャリッジカバーと、
を備え、
前記キャリッジは、前記キャリッジカバーの一方端を支持する支持部と、前記キャリッジカバーの他方端を締結する締結部と、を有し、前記キャリッジカバーは前記キャリッジよりも撓みやすく、前記キャリッジカバーと前記キャリッジとの間には、前記キャリッジカバーが前記支持部で支持され、かつ、前記締結部で締結されたときに、前記キャリッジカバーを撓ませる反力発生部が配置されることを特徴とする印刷装置。
続きを表示(約 200 文字)
【請求項2】
前記反力発生部は、前記締結部よりも前記支持部寄りに配置される、
請求項1に記載の印刷装置。
【請求項3】
前記反力発生部は、前記キャリッジカバーと前記キャリッジとの間に隙間を生じさせる、
請求項1に記載の印刷装置。
【請求項4】
前記反力発生部は、前記キャリッジに設けられている突起である、
請求項1に記載の印刷装置。
発明の詳細な説明
【技術分野】
【0001】
本開示は、印刷装置に関する。
続きを表示(約 1,900 文字)
【背景技術】
【0002】
従来、特許文献1に示すように、開閉ドアを閉じる際に、開閉ドアを閉じる方向と反対方向に付勢する付勢手段を有する画像形成装置が知られている。画像形成装置は、印刷装置の一例である。
【先行技術文献】
【特許文献】
【0003】
特開2013-242535号公報
【発明の概要】
【発明が解決しようとする課題】
【0004】
特許文献1に記載の印刷装置では、付勢手段により開閉ドアが付勢されることで開閉ドアのがたつきが抑えられるが、付勢手段の構造が複雑になるという課題がある。
【課題を解決するための手段】
【0005】
印刷装置は、媒体に液体を吐出するヘッドと、前記ヘッドを移動させるキャリッジと、開閉可能に前記ヘッドを覆うキャリッジカバーと、を備え、前記キャリッジは、前記キャリッジカバーの一方端を支持する支持部と、前記キャリッジカバーの他方端を締結する締結部と、を有し、前記キャリッジカバーは前記キャリッジよりも撓みやすく、前記キャリッジカバーと前記キャリッジとの間には、前記キャリッジカバーが前記支持部で支持され、かつ、前記締結部で締結されたときに、前記キャリッジカバーを撓ませる反力発生部が配置される。
【図面の簡単な説明】
【0006】
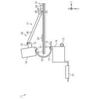
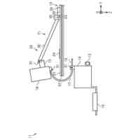
印刷装置の概略構成を示す断面図。
キャリッジとキャリッジカバーとを示す分解斜視図。
キャリッジとキャリッジカバーとが締結された状態を示す側面図。
キャリッジカバーをキャリッジに対して開いた状態を示す側面図。
図3中のA部を示す拡大図。
【発明を実施するための形態】
【0007】
図1に示すように、印刷装置1は、印刷部3と、制御ユニット13と、を備える。印刷部3は、媒体2にインクを付着させることによって印刷を行う。制御ユニット13は、印刷装置1を制御するコントローラーである。印刷装置1は、搬送される用紙等の媒体2に対して、液体の一例であるインクを吐出することにより、媒体2に文字や写真等の画像を印刷するインクジェット式のプリンターである。印刷部3は、媒体2の幅方向に往復移動しながら印刷を行うシリアルタイプである。印刷部3は、媒体2の幅方向に亘って設けられるラインタイプとして構成されてもよい。
【0008】
図1には、X軸、Y軸、及びZ軸が付されている。X軸、Y軸、及びZ軸は、相互に直交する座標軸である。これ以降に示す図についても必要に応じてX軸、Y軸、及びZ軸が付される。この場合、各図におけるX軸、Y軸、及びZ軸は、図1におけるX軸、Y軸、及びZ軸に対応する。図1は、X軸とY軸とによって規定されるXY平面に印刷装置1を配置した状態を示す。本実施形態では、XY平面を水平な平面に一致させた状態で印刷装置1をXY平面に配置したときの状態が、印刷装置1の使用状態である。また、本実施形態では、水平面に一致させたXY平面に印刷装置1を配置したときの印刷装置1の姿勢を、印刷装置1の使用姿勢と呼ぶ。
【0009】
以下において、印刷装置1の構成部品やユニットを示す図や説明にX軸、Y軸、及びZ軸が表記されている場合には、その構成部品やユニットを印刷装置1に組み込んだ状態でのX軸、Y軸、及びZ軸を意味する。また、本実施形態では、印刷装置1の使用姿勢における各構成部品やユニットの姿勢を、それらの構成部品やユニットの使用姿勢と呼ぶ。そして、以下において、印刷装置1や、その構成部品、ユニット等の説明では、特にことわりがないときには、それぞれの使用姿勢での説明とする。
【0010】
なお、印刷装置1が実際に使用される場面では、水平面は、実質的に水平な面であればよい。実質的な水平には、例えば、印刷装置1が使用されるときに載置される面について許容される傾斜範囲内で傾斜が含まれる。このようなことから、実質的な水平面は、例えば、高精度に形成された定盤などの面に限定されない。実質的な水平面には、例えば、印刷装置1が使用されるときに載置される机や、台、棚、床などの種々の面が含まれる。また、鉛直方向は、厳密に重力方向に沿った方向に限定されず、実質的な水平面に対する垂直方向も含まれる。このため、実質的な水平面が、例えば、机や、台、棚、床などの面であるときには、鉛直方向は、これらの面に対する垂直方向を指す。
(【0011】以降は省略されています)
この特許をJ-PlatPat(特許庁公式サイト)で参照する
関連特許
セイコーエプソン株式会社
印刷装置
1日前
セイコーエプソン株式会社
印刷装置
1日前
セイコーエプソン株式会社
印刷装置
1日前
セイコーエプソン株式会社
印刷装置
1日前
セイコーエプソン株式会社
液体収容容器
1日前
セイコーエプソン株式会社
プロジェクター
1日前
セイコーエプソン株式会社
プロジェクター
1日前
セイコーエプソン株式会社
回路装置及び電子機器
1日前
セイコーエプソン株式会社
偏心揺動装置及び射出成形装置
1日前
セイコーエプソン株式会社
液体噴射ヘッド及び液体噴射装置
1日前
セイコーエプソン株式会社
ヘッドユニット及び液体吐出装置
1日前
セイコーエプソン株式会社
液体容器、印刷装置、印刷システム
1日前
セイコーエプソン株式会社
表示装置および表示装置の制御方法
1日前
セイコーエプソン株式会社
液体吐出装置、及びヘッドユニット
1日前
セイコーエプソン株式会社
射出成形システム、及び成形品押出方法
1日前
セイコーエプソン株式会社
分光装置、分光装置の校正方法および分光方法
1日前
セイコーエプソン株式会社
軟磁性粉末、圧粉磁心、磁性素子および電子機器
1日前
セイコーエプソン株式会社
情報処理方法、サーバー装置、及び情報処理装置
1日前
セイコーエプソン株式会社
流量調節装置、三次元造形装置および射出成形装置
1日前
セイコーエプソン株式会社
印刷システム、プログラム、及び、印刷特性調整方法
1日前
セイコーエプソン株式会社
印刷制御プログラム、印刷システム、及び印刷物生産方法
1日前
セイコーエプソン株式会社
印刷制御プログラム、印刷システム、及び印刷物生産方法
1日前
セイコーエプソン株式会社
容量性負荷駆動回路、液体吐出装置、及びヘッドユニット
1日前
セイコーエプソン株式会社
液体吐出装置、ヘッドユニット及びヘッドユニット接続方法
1日前
セイコーエプソン株式会社
液体吐出装置、ヘッドユニット及びヘッドユニット接続方法
1日前
セイコーエプソン株式会社
絶縁物被覆軟磁性粉末、圧粉磁心、磁性素子および電子機器
1日前
セイコーエプソン株式会社
画像形成システム、画像形成システムの制御方法、及び、画像形成装置
1日前
セイコーエプソン株式会社
画像形成装置、ソフトウェア更新方法、及びソフトウェア更新システム
1日前
個人
箔熱転写装置
24日前
シヤチハタ株式会社
印判
4か月前
東レ株式会社
凸版印刷版原版
9か月前
三菱製紙株式会社
感熱記録材料
10か月前
シヤチハタ株式会社
反転式印判
8か月前
キヤノン株式会社
記録装置
17日前
三光株式会社
感熱記録材料
6か月前
独立行政法人 国立印刷局
印刷物
6か月前
続きを見る
他の特許を見る