TOP
|
特許
|
意匠
|
商標
特許ウォッチ
Twitter
他の特許を見る
10個以上の画像は省略されています。
公開番号
2025146275
公報種別
公開特許公報(A)
公開日
2025-10-03
出願番号
2024046957
出願日
2024-03-22
発明の名称
印刷装置
出願人
セイコーエプソン株式会社
代理人
弁理士法人クシブチ国際特許事務所
主分類
B41J
2/01 20060101AFI20250926BHJP(印刷;線画機;タイプライター;スタンプ)
要約
【課題】搬送負荷の増大による搬送不良を防ぎ、媒体を精度よく搬送することができる印刷装置を提供する。
【解決手段】印刷装置1は、媒体供給部3による印刷媒体Sの搬送が停止している停止状態から、印刷部5による印刷媒体Sへの印刷処理を開始する際に、記停止状態になってからの経過時間である停止時間が所定時間以上である場合は、予備搬送動作を実施した後に間欠搬送を実施し、停止時間が所定時間未満である場合は、予備搬送動作を実施することなく、間欠搬送を実施し、予備搬送動作は、間欠搬送時に前記媒体を搬送する搬送力よりも強い搬送力で前記媒体を搬送する前記制御部100を備える。
【選択図】図1
特許請求の範囲
【請求項1】
媒体を所定距離だけ搬送方向に搬送する動作と、前記媒体の搬送を停止する動作と、を繰り返す間欠搬送を実施する搬送部と、
前記間欠搬送における前記媒体の停止中に前記媒体に液体を吐出して印刷する印刷部と、
前記印刷部によって印刷面に印刷がなされた前記媒体を乾燥させる乾燥部と、
制御部と、
を備え、
前記乾燥部は、
前記印刷面とは反対の面である前記媒体の裏面に接触する接触加熱面を備える接触加熱部と、
前記接触加熱面と対面し、気流噴射口から気流を噴射する気流噴射部と、
を備え、
前記制御部は、前記搬送部による前記媒体の搬送が停止している停止状態から、前記印刷部による前記媒体への印刷処理を開始する際に、
前記停止状態になってからの経過時間である停止時間が所定時間以上である場合は、予備搬送動作を実施した後に前記間欠搬送を実施し、
前記停止時間が前記所定時間未満である場合は、前記予備搬送動作を実施することなく、前記間欠搬送を実施し、
前記予備搬送動作は、前記間欠搬送時に前記媒体を搬送する搬送力よりも強い搬送力で前記媒体を搬送する、
印刷装置。
続きを表示(約 950 文字)
【請求項2】
前記制御部は、前記搬送部による前記媒体の搬送が停止している停止状態から、前記印刷部による前記媒体への印刷処理を開始する際に、
前記媒体の種別が所定の種別であり、かつ、前記停止時間が所定時間以上である場合は、予備搬送動作を実施した後に前記間欠搬送を実施し、
前記媒体の種別が前記所定の種別以外である、又は、前記媒体の種別が所定の種別であり、かつ、前記停止時間が前記所定時間未満である場合は、前記予備搬送動作を実施することなく、前記間欠搬送を実施する、
請求項1に記載の印刷装置。
【請求項3】
前記搬送部は、前記乾燥部よりも下流に配置された第1搬送ローラーを有し、
前記制御部は、前記第1搬送ローラーをトルク制御し、前記予備搬送動作においては、前記媒体を前記搬送方向において順方向に所定距離搬送すると共に、前記第1搬送ローラーの目標トルクを前記間欠搬送時の目標トルクよりも高く設定する、
請求項1又は2記載の印刷装置。
【請求項4】
前記予備搬送動作は、前記順方向に前記媒体を前記所定距離搬送した後に、逆方向に前記媒体を前記所定距離搬送する、
請求項3記載の印刷装置。
【請求項5】
前記所定距離は、1フレーム未満である、
請求項3記載の印刷装置。
【請求項6】
前記所定距離は、1フレームの整数倍である、
請求項3記載の印刷装置。
【請求項7】
前記搬送部は、前記印刷部よりも上流に配置された第2搬送ローラーと、を有し、
前記制御部は、前記第2搬送ローラーを速度制御する、
請求項1又は2に記載の印刷装置。
【請求項8】
前記予備搬送動作は、前記搬送方向とは逆方向に前記媒体を前記所定距離搬送した後に、前記搬送方向である順方向に前記媒体を前記所定距離搬送する、
請求項7記載の印刷装置。
【請求項9】
前記所定距離は、1フレーム未満である、
請求項8記載の印刷装置。
【請求項10】
前記所定距離は、1フレームの整数倍である、
請求項8記載の印刷装置。
発明の詳細な説明
【技術分野】
【0001】
本発明は、印刷装置に関する。
続きを表示(約 2,100 文字)
【背景技術】
【0002】
従来、媒体の印刷面に印刷された画像を乾燥させる機構を備えた印刷装置が知られている。例えば、特許文献1は、印刷媒体の裏面に接触させて印刷媒体を加熱する背面ヒーターと、背面ヒーターに対向して配置され印刷媒体の表面に熱風を送風する送風部とを乾燥炉内に有する印刷装置を開示する。
【先行技術文献】
【特許文献】
【0003】
特開2023-133808号公報
【発明の概要】
【発明が解決しようとする課題】
【0004】
しかしながら、媒体が所定時間以上、乾燥炉内に滞留すると、媒体と背面ヒーターとの間に貼り付きが発生し、この貼り付きによって媒体の搬送負荷が増大し搬送に不具合が生じることがある。
【課題を解決するための手段】
【0005】
上記課題を解決する一態様は、媒体を所定距離だけ搬送方向に搬送する動作と、前記媒体の搬送を停止する動作と、を繰り返す間欠搬送を実施する搬送部と、前記間欠搬送における前記媒体の停止中に前記媒体に液体を吐出して印刷する印刷部と、前記印刷部によって印刷面に印刷がなされた前記媒体を乾燥させる乾燥部と、制御部と、を備え、前記乾燥部は、前記印刷面とは反対の面である前記媒体の裏面に接触する接触加熱面を備える接触加熱部と、前記接触加熱面と対面し、気流噴射口から気流を噴射する気流噴射部と、を備え、前記制御部は、前記搬送部による前記媒体の搬送が停止している停止状態から、前記印刷部による前記媒体への印刷処理を開始する際に、前記停止状態になってからの経過時間である停止時間が所定時間以上である場合は、予備搬送動作を実施した後に前記間欠搬送を実施し、前記停止時間が前記所定時間未満である場合は、前記予備搬送動作を実施することなく、前記間欠搬送を実施し、前記予備搬送動作は、前記間欠搬送時に前記媒体を搬送する搬送力よりも強い搬送力で前記媒体を搬送する印刷装置である。
【図面の簡単な説明】
【0006】
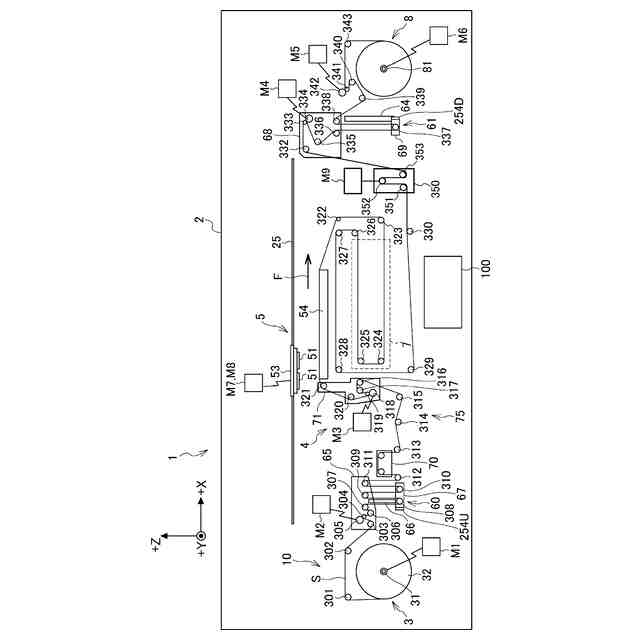
印刷装置の構成を示す図。
乾燥部の構成を示す図。
印刷装置の制御系を示すブロック図。
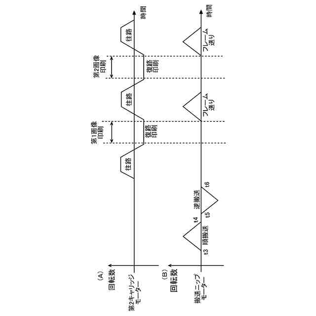
第1予備搬送動作のときの第2キャリッジモーター及び搬送ニップモーターの回転数を示す図。
印刷媒体の1フレームを示す図。
第2予備搬送動作のときの第2キャリッジモーター及び搬送ニップモーターの回転数を示す図。
第1実施形態の印刷装置の動作を示すフローチャート。
第3予備搬送動作のときの第2キャリッジモーター及び供給ニップモーターの回転数を示す図。
第3予備搬送動作のときの第2キャリッジモーター及び供給ニップモーターの回転数を示す図。
第2実施形態の印刷装置の動作を示すフローチャート。
【発明を実施するための形態】
【0007】
[1.第1実施形態の印刷装置の全体構成]
以下、図面を参照しながら本発明の実施形態について説明する。
図1は、第1実施形態の印刷装置1の概略構成を示す模式図である。図1及び以下に説明する各図には、印刷装置1の設置状態における方向を説明するため、XYZ直交座標を図示する。
Z軸は印刷装置1の設置状態における鉛直方向を示し、高さ方向ということができる。鉛直方向の上向きを+Z方向と定義し、鉛直方向の下向きを-Z方向と定義する。
X軸は印刷装置1の左右方向を示す。図面視で左方向を+X方向と定義し、図面視で右方向を-X方向と定義する。
Y軸はX軸に直交する方向であり、前後方向ということができる。図面視で奥側から手前側の方向を+Y方向と定義し、図面視で手前側から奥側の方向を-Y方向と定義する。
【0008】
印刷装置1は、印刷部5によって印刷媒体Sに印刷を行う。印刷装置1で使用される印刷媒体Sとしては各種のシートを用いることができる。以下の説明では、印刷媒体Sとして、裏面に粘着剤が付されたラベルを剥離紙に並べてロール状に巻いたラベル用紙を用いる構成を示す。印刷装置1の印刷方式に制限はないが、本実施形態では、印刷部5によって印刷媒体Sにインクを吐出するインクジェット式のプリンターを、印刷装置1の一例として示す。
【0009】
印刷装置1は、筐体2に媒体供給部3、印刷部5、乾燥部7、媒体回収部8及び制御部100が配置された構成である。筐体2は、印刷装置1の不図示のフレームに取り付けられ、上記の各部を収容する。媒体供給部3は、搬送部に相当する。
【0010】
印刷媒体Sは、媒体供給部3と媒体回収部8との間を搬送路10に沿って搬送される。搬送路10には、印刷媒体Sに当接する複数の搬送ローラー301~343が配置される。搬送路10において、媒体供給部3から供給される印刷媒体Sは、図に矢印で示す搬送方向Fに搬送される。搬送路10において、搬送ローラー301~321は印刷部5の上流に位置する。これに対し、搬送ローラー322~343は印刷部5の下流に位置する。
(【0011】以降は省略されています)
この特許をJ-PlatPat(特許庁公式サイト)で参照する
関連特許
セイコーエプソン株式会社
ロボット
2日前
セイコーエプソン株式会社
印刷装置
6日前
セイコーエプソン株式会社
印刷装置
2日前
セイコーエプソン株式会社
印刷装置
2日前
セイコーエプソン株式会社
印刷装置
6日前
セイコーエプソン株式会社
印刷装置
3日前
セイコーエプソン株式会社
印刷装置
6日前
セイコーエプソン株式会社
印刷装置
4日前
セイコーエプソン株式会社
印刷装置
6日前
セイコーエプソン株式会社
印刷装置
2日前
セイコーエプソン株式会社
印刷装置
3日前
セイコーエプソン株式会社
印刷装置
4日前
セイコーエプソン株式会社
印刷装置
2日前
セイコーエプソン株式会社
気体分離膜
6日前
セイコーエプソン株式会社
微細化装置
3日前
セイコーエプソン株式会社
画像読取装置
6日前
セイコーエプソン株式会社
液体収容容器
2日前
セイコーエプソン株式会社
権限管理装置
2日前
セイコーエプソン株式会社
虚像表示装置
6日前
セイコーエプソン株式会社
液体吐出装置
6日前
セイコーエプソン株式会社
液体吐出ヘッド
6日前
セイコーエプソン株式会社
プロジェクター
2日前
セイコーエプソン株式会社
プロジェクター
2日前
セイコーエプソン株式会社
プロジェクター
2日前
セイコーエプソン株式会社
プロジェクター
2日前
セイコーエプソン株式会社
電子制御式機械時計
4日前
セイコーエプソン株式会社
垂直多関節ロボット
2日前
セイコーエプソン株式会社
回路装置及び電子機器
2日前
セイコーエプソン株式会社
スクリーンの製造方法
6日前
セイコーエプソン株式会社
栽培用培地の製造方法
3日前
セイコーエプソン株式会社
波長可変干渉フィルター
6日前
セイコーエプソン株式会社
保持方法、及び加工方法
6日前
セイコーエプソン株式会社
治具、及び加工システム
6日前
セイコーエプソン株式会社
三次元造形物の製造方法
6日前
セイコーエプソン株式会社
電気光学装置および電子機器
3日前
セイコーエプソン株式会社
インクジェットインク組成物
6日前
続きを見る
他の特許を見る